SENECA Z-PASS1-IO Serial Device Server Installation Guide

MODULE LAYOUT

Dimensions (W×H×D):35 x 100 x 111 mm (included terminals).
Weight:220 g.
Case: Material PA6, black color.
LED SIGNALLING ON FRONT PANEL
| LED | Status | LED’s meaning |
| PWR (Green) | ON | The device is powered |
| OFF | Device is powered off | |
| RUN (Green) | Blinking | Device is ready for use |
| OFF | Device is booting | |
| DIDO (Green) | ON | Configurable input1 or output1 state is HIGH |
| OFF | Configurable input1 or output1 state is LOW | |
| DO (Green) | ON | DO digital output state is HIGH |
| OFF | DO digital output state is LOW | |
| RCD (Green) | ON | Remote connection is disabled |
| OFF | Remote connection is enabled | |
| VPN (Green) | ON / OFF | VPN connection is working properly / VPN connection is disabled |
| Blinking | VPN connection is not working properly | |
| LAN/WAN (Green) | ON | Ethernet ports are working in LAN/WAN mode |
| OFF | Ethernet ports are working in SWITCH mode | |
| SERV (Green) | ON | VPN Box “SERVICE” connection is working properly |
| Blinking | VPN Box “SERVICE” connection is not working properly | |
| OFF | VPN Box “SERVICE” connection is disabled | |
| RX2-4 (Green) | Blinking | RX2 data reception on COM2 port, RX4 on COM4 port |
| ON | RX2 check the COM2 port connection, RX4 check the COM4 port | |
| OFF | RX2 no data reception on COM2 port, RX4 on COM4 port | |
| TX2-4 (Green) | Blinking | TX2 data transmission on COM2 port, TX4 on COM4 port |
| ON | TX2 check the COM2 port connection, TX4 check the COM4 port | |
| OFF | TX2 no data transmission on COM 2 port, TX4 on COM4 port |
SEGNALAZIONI DEI LED SULLED SIGNALLING ON FRONT P FRONTANEL ALE
| LED SIGNALLING ON FRONT PANEL | ||
| LED | Status | LED’s meaning |
| ETH1/ETH2 (Verde) | ON | Ethernet 1-2 connection detected. |
| OFF | Ethernet 1-2 connection absent. | |
| ETH1/ETH2 (Giallo) | Blinking | Ethernet 1-2 data activity. |
| OFF | Ethernet 1-2 no data activity. | |
TECHNICAL SPECIFICATIONS: ATTENTION
the device may only be powered by a power supply unit with a limited energy electric circuit max.
40Vdc / 28Vac Max output in accordance with CAN/CSA-C22.2 No. 61010-1-12 / UL Std. No. 61010-1 (3rd Edition) chapter 6.3.1/6.3.2 and 9.4 or class 2 according to CSA 223/UL 1310.

| STANDARDS | EN61000-6-4 Electromagnetic emission, industrial environment EN61000-6-2 Electromagnetic immunity, industrial environment EN61010-1 Safety |
|
INSULATION | USB 16 19 20 21 22 23 24 6 DIGITAL 5 INPUTS AND 4 OUTPUTS ETH1 RJ45 IDC10 RS485 LAN 3 ETH2 RJ45 2 WAN 1 4 POLI POWER SUPPLY 17 18 IDC10 1500 V |
| ENVIRONMENTAL COND. | |
| Temperature | -20 – + 65°C. |
| Humidity | 30% – 90% not condensing. |
| Storage temperature | -30 – + 85°C. |
| Protection degree | IP20 (Not evaluated by UL) |
| MOUNTING | IEC EN60715 DIN rail. |
| CONNECTIONS | 5 removable 3-way screw terminals, 5,08 mm pitch for up to 2.5 mm2 cable, 1 rear IDC10, 1 serial 4 way removable connector, 1 micro SD slot, 2 RJ45 Ethernet connector and 1 USB connector. |
| TECHNICAL SPECIFICATIONS | |
|
COMMUNICATION PORTS | COM1 RS232/RS485: removable 4 pin connector Max. cable L= 3 m. COM2 RS485: M1-M2-M3 terminals or IDC10 rear connector. COM4 RS485: screw terminals M4-M5-M6. Max. baud rate: 115 kbps Min. baud rate: 200 bps. USB HOST type A. ETH1 and ETH2 Fast Ethernet 10/100 Mbps RJ45 connectors; Max. connection length 100 m. |
| POWERSUPPLY Voltage Power absorbed | 11 – 40 V or 19 – 28 V 50 – 60 Hz. Max 4W. |
| DIGITAL INPUTS | Max. number of channels: 2. Voltage: OFF<4V ON>8V. Max. Current (Vout+): 20mA. Current absorbed: 3mA at 12V; 6mA at 24V. |
| DIGITAL OUTPUTS | Max. number of channels: 3. Voltage (+Vext): 10 – 24V Current: Max. 200mA. Outputs protected against short-circuit and over-temperature. |
| PROCESSOR | ARM 9 32bits |
| MEMORIES | 64 MB RAM and 1 GB FLASH External memory slot for micro SD card (max. 32 GB Card supported) |
| PROTOCOLS | FTP server, SFTP server, HTTP server, ModBUS TCP server, ModBUS RTU master, ModBUS RTU slave. |
| CHARACTERISTICS | Embedded Web-server. Firmware upgradable via web-server. |
PRELIMINARY WARNINGS
- Before performing any operation is mandatory to read the full contents of this manual. The module may only be used by qualified and skilled technicians in the field of electric installation. Specific documentation is available for download at website: www.Seneca.it/products/z-pass1.Only the Manufacturer is authorized to repair the module or to replace damaged parts. The product is susceptible to electrostatic discharge, take appropriate countermeasures during any operation.No warranty is guaranteed in connection with faults resulting from improper use, from modifications or repairs carried out by Manufacturer-unauthorized personnel on the device, or if the content of this user manual is not followed.Disposal of electrical & electronic equipment (applicable throughout the EU and other countries with separate collection programs). The symbol found on this product or on its packaging indicates that this product it must be handed over to an applicable collection point for the recycling of electrical and electronic equipment.
INSTALLATION RULES: These are open-type devices and intended for installation in an end enclosure/panel offering mechanical protection and protection against spread of fire.
In order to ensure optimum performance and the best device’s operating life, the module(s) must be provided with adequate ventilation without raceways or other objects that can obstruct the ventilation slots. Never install the modules near heat sources.
We recommend installation in the lower part of the control panel.
MODBUS CONNECTION STANDARD:Install the modules on the DIN rail.Connect the remote modules using cables of proper length (see Scheme.On the table the following data about the length of the cable are provided:
- Bus Length: Modbus network maximum length as a function of the Baud rate. It is the length of the cables which connect the two bus terminators modules (see Scheme. Drop Length (DL): maximum length of a drop line (see Scheme .

INSTALLATION ON AND REMOVAL FROM IEC EN 60715 DIN RAIL

Insertion on the IEC EN 60715 DIN rail:
- Move the two hooks on the back of the module outwards as illustrated
- Insert the module rear IDC10 connector into a free slot of the DIN rail accessory as you can see in the insertion is one way only because the connectors are polarized).
- To secure the module to the IEC EN 60715 DIN rail, tighten the two hooks on the side of the IDC10 rear connector as shown in
Removal from IEC EN 60715 DIN rail:
As shown in
- Move outwards the two hooks on the side of the module, with the help of a screwdriver.
- Extract the module from the IEC EN 60715 DIN rail.
USE OF Z-PC-DINAL ACCESSORY:Please pay attention about the right module insertion the IDC10 connector (Z-PC-DINAL1-35). The IDC10 connector located on the rear of the module will be inserted on a free slot of Z-PC-DIN/DINAL accessory. In the figure you can see the meaning of the various pins of the rear IDC10 connector if you want to provide the signals directly through this connector. The pictures Pic.3 and Pic.4 show how to connect power supply and RS485 COM2 port to the rear IDC10 connector.

ELECTRICAL CONNECTIONS
In order to satisfy the electromagnetic compliance requirements:
- Use shielded cables for signals transmission.
- Connect the shield to a preferential ground for devices.
- Space the shielded cables from power cables installations.(transformers, inverters, motors, induction ovens, etc…).
POWER SUPPLY

In addition to the IDC10 connector, power supply can also be supplied by terminals 17 and 18.
NOTA: A minimum 1A safety fuse, delayed, must be installed in the power supply line near the device.Z-PASS1 module has two serial communication RS485 ports: COM2 and COM4.
the RS485 COM2 port can be connected through 1-2-3 screw terminals or by rear IDC10 connector.
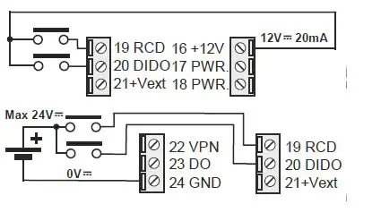
OTHER ELECTRICAL CONNECTIONS: ELECTRICAL CONNECTIONS FOR DIGITAL INPUTS (RCD and DIDO)

The device has :
Digital input (RCD) reserved for disable the remote connection. channel software configurable so as digital input or digital output (DIDO).The inputs, as shown in the picture, can be powered internally or externally.For configuration and more information please refer to the USER MANUAL.
ELECTRICAL CONNECTIONS FOR DIGITAL OUTPUTS (VPN, DO and DIDO)

- 1 Digital output reserved to indicate that VPN is active (VPN).
- 1 Digital output (DO).
- 1 channel software configurable so as digital output or digital input (DIDO).
- For configuration and more information please refer to the USER MANUAL.
Z-PASS1-R02 PORTS

USB #1 HOST PORT:The Z-PASS1 has a USB HOST type A connector, here you can connect a USB memory stick for firmware upgrading.Available current: 100 mA MAX.
THERNET RJ45 PORTS (ON FRONTAL PANEL)

- The Z-PASS1 has two Ethernet ports with RJ45 connectors on the front panel.
- The two ports offer two operating mode: SWITCH mode or LAN / WAN mode.
- The two ports have the same MAC Address.
- RS232 OR RS485 COM1 PORT(4 PINS)

The Z-PASS1 has serial RS232 or RS485 COM1 port on the removable 4 pin contacts connector. The cable length for the RS232 interface must be less than 3 meters.
OTHER Z-PASS1 PORTS

LOT FOR MICRO SD CARD:The Z-PASS1 has a slot for micro SD card placed on the side of the case. Before pushing the micro SD or micro SHDC in this slot, please be sure that the SIM card golden contacts are facing towards left (as in the picture on side).
SD card any class Max. 32 GB.The slot is push-push type.
RS232/485 CABLE
The 4 way for RS232 or RS485 serial connection cable can be bought by ordering Seneca code: CS-DB9M-MEF-PH.
CABLE RS232/ RS485

ORDER CODES
| 1 2 3 4
Female 4 pin 1234 connector | PIN | RS232 | RS485 | The cable length must be less than 3 meters. |
| 1 | CTS | |||
| 2 | TX | B | ||
| 3 | RX | A | ||
| 4 | GND | GND |
CONTACTS
| Technical support | [email protected] |
| Product Information | [email protected] |



















