AERMEC HMI Reversible Air/Water Heat Pump Installation Guide
DESCRIPTION
Reversible outdoor heat pump for air-conditioning systems where, in addition to cooling rooms, high-temperature hot water is required for heating or for the production of domestic hot water. For the production of DHW it is mandatory to combine it with the domestic hot water storage tank DHWT300S.
HMI is designed to meet the needs of both the new constructions market and the renovation market, replacing or working alongside conventional boilers.
It can be combined with low-temperature emission systems such as floor heating or fan coils, and also with more traditional radiators, and comes supplied with the main hydraulic components needed, thereby facilitating the final installation.
FEATURES
Operating limits
Working at full load up to -25 °C outside air temperature in winter, and up to 48 °C in summer. Maximum temperature of water produced in heating mode 60 °C.
- Refrigerant circuit with economizer.
- DC brushless axial flow fans designed for aerodynamic optimisation, reducing the noise level whilst at the same time increasing the efficiency and air flow rate.
- Fitted with a electrical anti-freeze heater (in unit base) to avoid the formation of ice and encourage the drainage of condensate during heating operation.
- Electronic expansion valve.
Main hydraulic components
- Inverter pump.
- Plate heat exchanger.
- Expansion tank
- Safety valve.
- Flow switch.
- Water filter supplied (mandatory installation).
Regulation
Adjustment via a multi-language touch-screen control panel:
- Management of a 3 way diverting valve (not supplied) for the production of domestic hot water.
- Management of a 2 way valve (not supplied) for shutting off part of the system.
- Weekly programming in time periods.
- Auto-restart function.
- Emergency operation (a supplementary heat source may be activated).
- Quick hot water function, for quickly heating domestic hot water.
- Weather dependent mode function for climate control.
- Quiet function for reduced noise operation (programmable with a timer).
- Condensation check
- When the anti-legionella cycle is activated (it’s easily set via the control panel), the whole tank is heated once a week to a temperature (max. 70 °C) that weakens the bacteria responsible for the infection.
Special golden fin coil
Unlike normal batteries, this special golden epoxy coating silicon free is able to protect the heat exchanger against rust and corrosion, in areas where the air has a high salt content.
Smart APP Ewpe
The system is equipped standard with the Wi-Fi module; using this module and the app for iOS and Android devices (available free on Apple Store and Google Play, the system can be directly controlled from a distance on your smartphone or tablet. Remote control is possible via Cloud, using a wireless router connected to the Internet.



ACCESSORIES
- DHWT300S: (220-240V~50Hz) DHW storage tank in enamelled steel. Single-phase power supply, tank capacity 300 litres with main and secondary coils and 3 kW back-up electric heater. Magnesium sacrificial anode. Indoor installation, as indicated in the installation manual.
- HMICB15: Connection cable for the control panel. Cable length 15m.
- IC-2P: Connector for communication via Mod Bus or VMF -485LINK. Accessory compulsory if combined with VMF-485LINK, or for third party supervision systems.
- VMF-485LINK: Expansion to interface the unit with the VMF communication protocol, making it possible to manage it from the VMF E5 or VMF-E6 supervisors.
For more information about VMF system, refer to the dedicated documentation.
Connection with VMF-485LINK
Connection with third party supervision systems
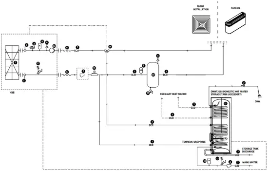
FLOOR SYSTEM + DHW
COMPONENTS AS STANDARD
- 1 Plate heat exchanger
- 2 Water filter (supplied)
- 3 Flow switch
- 4 Air drain valve
- 5 Water temperature sensor (IN/OUT)
- 9 Expansion tank
- 12 Pump
WARNING: in the case of a free-standing system, the bypass valve must be installed to ensure the circulation of a minimum amount of water to the system.
HYDRAULIC COMPONENTS NOT PROVIDED AND RESPONSIBILITY OF THE INSTALLER
- 4 Air drain valve
- 6 Anti-vibration joints
- 7 Flow shut-off valve
- 9 Expansion tank
- 10 System storage tank (installation recommended if the system water content is lower than the value indicated in the technical manual).
- 13 Drain tap
- 14 3 way valve
- 15 DHWT300S accessory
- 16 Loading unit
- 17 Safety valve
- 18 Expansion tank NOT supplied.
PERFORMANCE SPECIFICATIONS
EUROVENT TECHNICAL DATA EN 14511:2013
| HMI040 | HMI060 | HMI080 | HMI100 | HMI100T | HMI120 | HMI120T | HMI140 | HMI140T | HMI160 | HMI160T | ||
| Cooling capacity | kW | 3,00 | 4,00 | 5,00 | 7,80 | 7,80 | 9,50 | 9,50 | 12,00 | 12,00 | 13,00 | 13,00 |
| Input power | kW | 0,94 | 1,29 | 1,61 | 2,48 | 2,64 | 3,20 | 3,11 | 4,14 | 4,38 | 4,96 | 4,91 |
| Input current | A | 4,3 | 5,9 | 7,7 | 11,4 | 4,0 | 14,7 | 4,7 | 19,0 | 6,7 | 22,7 | 7,5 |
| EER | W/W | 3,19 | 3,10 | 3,11 | 3,15 | 2,95 | 2,97 | 3,05 | 2,90 | 2,74 | 2,62 | 2,65 |
| Water flow rate | l/h | 516 | 672 | 860 | 1320 | 1270 | 1650 | 1665 | 2080 | 2065 | 2270 | 2231 |
| Useful head | kPa | 75,0 | 74,0 | 74,0 | 71,0 | 71,0 | 65,0 | 64,0 | 51,0 | 51,0 | 45,0 | 46,0 |
- Data EN 14511:2013; System side water heat exchanger 12 °C / 7 °C; External air 35 °C
- Data EN 14511:2013; System side water heat exchanger 40 °C/ 45 °C; Outside air 7 °C d.b. / 6 °C w.b
| HMI040 | HMI060 | HMI080 | HMI100 | HMI100T | HMI120 | HMI120T | HMI140 | HMI140T | HMI160 | HMI160T | ||
| Cooling performance 12 °C / 7 °C (1) | ||||||||||||
| Cooling capacity | kW | 3,80 | 5,80 | 6,80 | 8,80 | 8,80 | 11,00 | 11,00 | 12,50 | 12,50 | 14,50 | 14,50 |
| Input power | kW | 0,82 | 1,32 | 1,55 | 1,96 | 1,96 | 2,56 | 2,56 | 3,05 | 3,05 | 3,82 | 3,82 |
| Input current | A | 3,8 | 6,0 | 7,1 | 9,0 | 3,0 | 11,7 | 3,9 | 14,0 | 4,6 | 17,5 | 5,8 |
| EER | W/W | 4,63 | 4,39 | 4,39 | 4,49 | 4,49 | 4,30 | 4,30 | 4,10 | 4,10 | 3,80 | 3,80 |
| Water flow rate | l/h | 660 | 981 | 1220 | 1510 | 1500 | 1926 | 1900 | 2238 | 2200 | 2640 | 2570 |
| Useful head | kPa | 74,0 | 73,0 | 72,0 | 69,0 | 69,0 | 56,0 | 57,0 | 46,0 | 47,0 | 32,0 | 34,0 |
- Data EN 14511:2013; System side water heat exchanger 23 °C/ 18 °C; External air 35 °C
- Data EN 14511:2013; System side water heat exchanger 30 °C / 35 °C; External air 7 °C d.b. / 6 °C w.b
EUROVENT TECHNICAL DATA EN 14511:2018
| HMI040 | HMI060 | HMI080 | HMI100 | HMI100T | HMI120 | HMI120T | HMI140 | HMI140T | HMI160 | HMI160T | |||||
| Cooling performance 12 °C / 7 °C (1) | |||||||||||||||
| Cooling capacity | kW | 2,98 | 3,97 | 4,96 | 7,75 | 7,75 | 9,45 | 9,45 | 11,94 | 11,94 | 12,95 | 12,95 | |||
| Input power | kW | 0,94 | 1,29 | 1,61 | 2,48 | 2,64 | 3,20 | 3,11 | 4,14 | 4,38 | 4,96 | 4,91 | |||
| Input current | A | 4,7 | 6,4 | 7,9 | 12,0 | 4,6 | 15,0 | 5,3 | 20,0 | 7,3 | 23,0 | 8,1 | |||
| EER | W/W | 3,17 | 3,08 | 3,08 | 3,12 | 2,94 | 2,95 | 3,04 | 2,88 | 2,73 | 2,61 | 2,64 | |||
| Water flow rate | l/h | 504 | 673 | 842 | 1318 | 1318 | 1609 | 1609 | 2038 | 2038 | 2210 | 2210 | |||
| Useful head | kPa | 74,0 | 74,0 | 74,0 | 69,0 | 69,0 | 64,0 | 64,0 | 52,0 | 52,0 | 47,0 | 47,0 | |||
| Heating performance 40 °C / 45 °C (2) | |||||||||||||||
| Heating capacity | kW | 4,03 | 6,04 | 7,55 | 10,06 | 10,06 | 12,06 | 12,06 | 14,05 | 14,05 | 15,54 | 15,54 | |||
| Input power | kW | 1,00 | 1,58 | 2,00 | 2,70 | 2,70 | 3,48 | 3,48 | 4,18 | 4,18 | 4,70 | 4,70 | |||
| Input current | A | 5,1 | 7,8 | 9,7 | 13,0 | 4,7 | 17,0 | 5,9 | 20,0 | 6,9 | 22,0 | 7,7 | |||
| COP | W/W | 4,03 | 3,83 | 3,78 | 3,72 | 3,72 | 3,46 | 3,46 | 3,36 | 3,36 | 3,31 | 3,31 | |||
| Water flow rate | l/h | 710 | 1062 | 1326 | 1762 | 1762 | 2110 | 2110 | 2456 | 2456 | 2714 | 2714 | |||
| Useful head | kPa | 74,0 | 73,0 | 71,0 | 60,0 | 60,0 | 50,0 | 50,0 | 39,0 | 39,0 | 29,0 | 29,0 | |||
- Data EN 14511:2018; Heat exchanger water (services side) 12°C / 7°C; outside air 35°C
- Data EN 14511:2018; System side water heat exchanger 40 °C/ 45 °C; Outside air 7 °C d.b. / 6 °C w.b
| HMI040 | HMI060 | HMI080 | HMI100 | HMI100T | HMI120 | HMI120T | HMI140 | HMI140T | HMI160 | HMI160T | ||||||
| Cooling performance 12 °C / 7 °C (1) | ||||||||||||||||
| Cooling capacity | kW | 3,77 | 5,76 | 6,75 | 8,75 | 8,75 | 10,94 | 10,94 | 12,44 | 12,44 | 14,45 | 14,45 | ||||
| Input power | kW | 0,82 | 1,32 | 1,55 | 1,96 | 1,96 | 2,56 | 2,56 | 3,05 | 3,05 | 3,82 | 3,82 | ||||
| Input current | A | 4,2 | 6,6 | 7,6 | 9,5 | 3,6 | 12,0 | 4,5 | 15,0 | 5,2 | 18,0 | 6,4 | ||||
| EER | W/W | 4,60 | 4,36 | 4,36 | 4,46 | 4,46 | 4,27 | 4,27 | 4,08 | 4,08 | 3,78 | 3,78 | ||||
| Water flow rate | l/h | 641 | 982 | 1152 | 1495 | 1495 | 1873 | 1873 | 2132 | 2132 | 2478 | 2478 | ||||
| Useful head | kPa | 74,0 | 74,0 | 73,0 | 66,0 | 66,0 | 57,0 | 57,0 | 50,0 | 50,0 | 38,0 | 38,0 | ||||
| Heating performance 30 °C / 35 °C (2) | ||||||||||||||||
| Heating capacity | kW | 4,03 | 6,04 | 7,55 | 10,06 | 10,06 | 12,06 | 12,06 | 14,05 | 14,05 | 15,54 | 15,54 | ||||
| Input power | kW | 0,79 | 1,20 | 1,63 | 2,17 | 2,17 | 2,64 | 2,64 | 3,22 | 3,22 | 3,60 | 3,60 | ||||
| Input current | A | 4,1 | 6,0 | 8,0 | 11,0 | 3,9 | 13,0 | 4,6 | 15,0 | 5,5 | 17,0 | 6,1 | ||||
| COP | W/W | 5,10 | 5,04 | 4,63 | 4,63 | 4,63 | 4,57 | 4,57 | 4,36 | 4,36 | 4,32 | 4,32 | ||||
| Water flow rate | l/h | 708 | 1058 | 1321 | 1756 | 1756 | 2102 | 2102 | 2447 | 2447 | 2704 | 2704 | ||||
| Useful head | kPa | 74,0 | 73,0 | 71,0 | 60,0 | 60,0 | 50,0 | 50,0 | 39,0 | 39,0 | 30,0 | 30,0 | ||||
ENERGY DATA
| HMI040 HMI060 HMI080 | HMI100 | HMI100T | HMI120 | HMI120T | HMI140 | HMI140T | HMI160 | HMI160T | ||||
| UE 811/2013 performance in average ambient conditions (average) – 35 °C – Pdesignh ≤ 70 kW (1) | ||||||||||||
| Pdesignh | kW | 5 | 5 | 6 | 9 | 9 | 11 | 11 | 11 | 11 | 13 | 13 |
| ηsh | % | 185,00 | 185,00 | 183,00 | 176,00 | 176,00 | 175,00 | 175,00 | 168,00 | 168,00 | 164,00 | 164,00 |
| Efficiency energy class | A+++ | A+++ | A+++ | A+++ | A+++ | A+++ | A+++ | A++ | A++ | A++ | A++ | |
| UE 811/2013 performance in average ambient conditions (average) – 55 °C – Pdesignh ≤ 70 kW (2) | ||||||||||||
| Pdesignh | kW | 6 | 6 | 7 | 8 | 8 | 10 | 10 | 11 | 11 | 13 | 13 |
| ηsh | % | 126,00 | 126,00 | 127,00 | 128,00 | 128,00 | 126,00 | 126,00 | 125,00 | 125,00 | 125,00 | 125,00 |
| Efficiency energy class | A++ | A++ | A++ | A++ | A++ | A++ | A++ | A++ | A++ | A++ | A++ | |
- Efficiencies for low temperature applications (35 °C)
- Efficiencies for average temperature applications (55 °C).
GENERAL TECHNICAL DATA
| HMI040 | HMI060 | HMI080 | HMI100 | HMI100T | HMI120 | HMI120T | HMI140 | HMI140T | HMI160 | HMI160T | ||
| Electric data | ||||||||||||
| Rated current input (1) | A | 10,4 | 10,4 | 10,4 | 23,0 | 12,0 | 25,0 | 12,0 | 29,0 | 12,0 | 29,0 | 12,0 |
| Compressor | ||||||||||||
| Type | type | Rotary DC Inverter | ||||||||||
| Number | no. | 1 | 1 | 1 | 1 | 1 | 1 | 1 | 1 | 1 | 1 | 1 |
| Circuits | no. | 1 | 1 | 1 | 1 | 1 | 1 | 1 | 1 | 1 | 1 | 1 |
| Refrigerant | type | R32 | ||||||||||
| Potential global heating | GWP | 675 kgCO₂eq | ||||||||||
| Refrigerant charge (2) | kg | 0,9 | 0,9 | 0,9 | 2,2 | 2,2 | 2,2 | 2,2 | 2,2 | 2,2 | 2,2 | 2,2 |
| Oil | Type | FW68DA | ||||||||||
| Total oil charge | kg | 0,5 | 0,5 | 0,5 | 1,1 | 1,1 | 1,1 | 1,1 | 1,1 | 1,1 | 1,1 | 1,1 |
| System side heat exchanger | ||||||||||||
| Type | type | Brazed plate | ||||||||||
| Number | no. | 1 | 1 | 1 | 1 | 1 | 1 | 1 | 1 | 1 | 1 | 1 |
| Connections (in/out) | Type | Gas Maschio | ||||||||||
| Size (in) | Ø | 1” | ||||||||||
| Size (out) | Ø | 1” | ||||||||||
| Fan | ||||||||||||
| Type | type | Axial | ||||||||||
| Fan motor | type | Inverter | ||||||||||
| Number | no. | 1 | 1 | 1 | 1 | 1 | 1 | 1 | 1 | 1 | 1 | 1 |
| Air flow rate | m³/h | 2600 | 2600 | 2600 | 4500 | 4500 | 4500 | 4500 | 4500 | 4500 | 4500 | 4500 |
| Sound data calculated in cooling mode (3) | ||||||||||||
| Sound pressure level (1 m) | dB(A) | 51,0 | 52,0 | 53,0 | 56,0 | 56,0 | 56,0 | 56,0 | 57,0 | 57,0 | 59,0 | 59,0 |
| Sound data calculated in heating mode (3) | ||||||||||||
| Sound power level | dB(A) | 64,0 | 64,0 | 65,0 | 69,0 | 69,0 | 69,0 | 69,0 | 70,0 | 70,0 | 72,0 | 72,0 |
| Sound pressure level (1 m) | dB(A) | 50,0 | 50,0 | 51,0 | 54,0 | 54,0 | 54,0 | 54,0 | 55,0 | 55,0 | 57,0 | 57,0 |
- The rated power input (rated current input) is the maximum input electrical power (maximum current input) from the system, in accordance with the Standards EN 60335-1 and EN 60335-2-40.
- The load indicated in the table is an estimated and preliminary value. The final value of the refrigerant load is indicated on the unit’s technical label. For further information contact the office.
- Sound power: calculated on the basis of measurements made in accordance with UNI EN ISO 9614-2, as required for Eurovent certification. Sound pressure measured in free field (in compliance with UNI EN ISO 3744).
DIMENSIONS

| HMI040 | HMI060 | HMI080 | HMI100 | HMI100T | HMI120 | HMI120T | HMI140 | HMI140T | HMI160 | HMI160T | ||
| Dimensions and weights | ||||||||||||
| A | mm | 1150 | 1150 | 1150 | 1200 | 1200 | 1200 | 1200 | 1200 | 1200 | 1200 | 1200 |
| B | mm | 345 | 345 | 345 | 460 | 460 | 460 | 460 | 460 | 460 | 460 | 460 |
| C | mm | 758 | 758 | 758 | 878 | 878 | 878 | 878 | 878 | 878 | 878 | 878 |
| D | mm | 1260 | 1260 | 1260 | 1295 | 1295 | 1295 | 1295 | 1295 | 1295 | 1295 | 1295 |
| E | mm | 490 | 490 | 490 | 595 | 595 | 595 | 595 | 595 | 595 | 595 | 595 |
| F | mm | 900 | 900 | 900 | 1020 | 1020 | 1020 | 1020 | 1020 | 1020 | 1020 | 1020 |
| Net weight | kg | 96,00 | 96,00 | 96,00 | 151,00 | 151,00 | 151,00 | 151,00 | 151,00 | 151,00 | 151,00 | 151,00 |
| Weight for transport | kg | 109,00 | 109,00 | 109,00 | 166,00 | 166,00 | 166,00 | 166,00 | 166,00 | 166,00 | 166,00 | 166,00 |
| DHWT300S | ||||||||||||
| Dimensions and weights | ||||||||||||
| A | mm | 620 | ||||||||||
| B | mm | 1725 | ||||||||||
| Net weight | kg | 140,00 | ||||||||||
Aermec reserves the right to make any modifications deemed necessary All data is subject to change without notice. Aermec does not assume Aermec reserves the right to make any modifications deemed necessary. responsibility or liability for errors or omissions.
Aermec S.p.A.
Via Roma, 996 – 37040 Bevilacqua (VR) – Italia
Tel. 0442633111 – Telefax 044293577
www.aermec.com
















