WATTECO Pulse Sens’O 50-70-160 IoT Device

Start

Provision the device on your LoRaWAN® network with the keys available on a secure platform.
ON
OFF
ON – OFF:
https://www.watteco.fr/assistance/tutoriels-video/
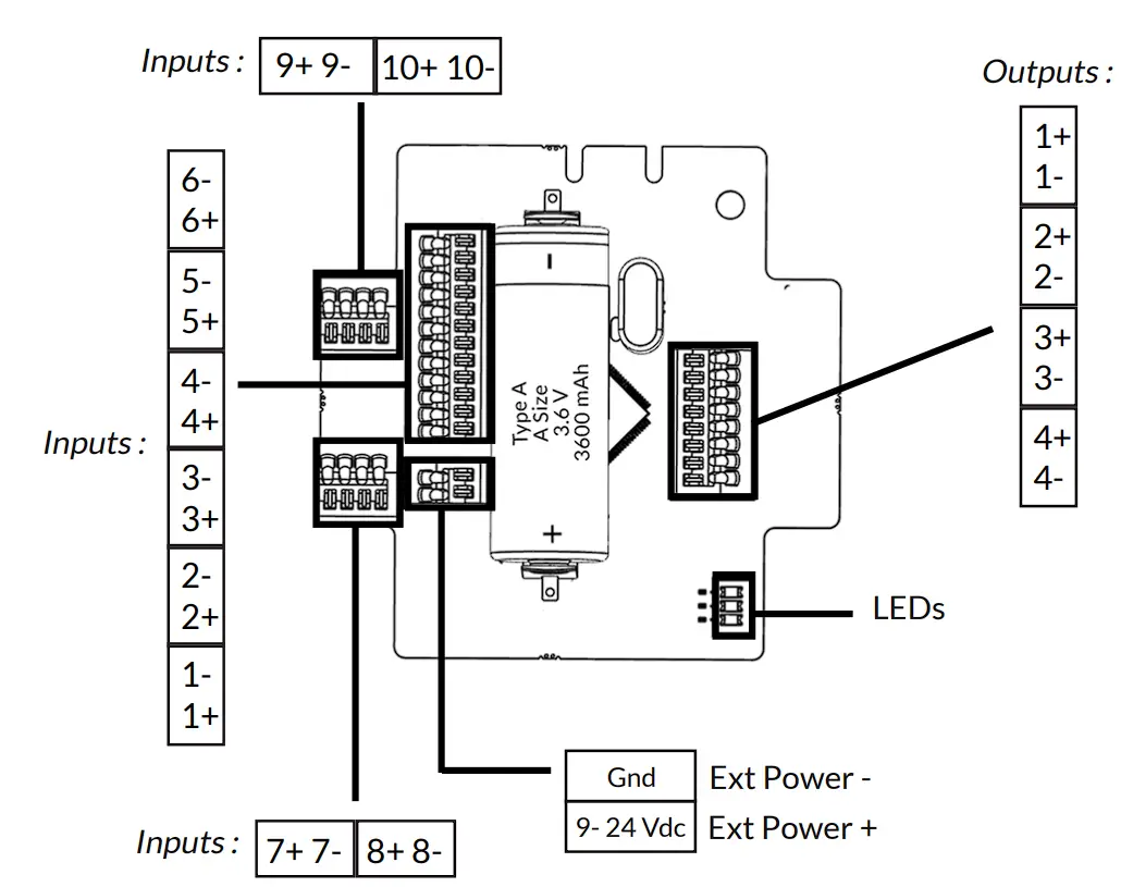
Connectors
In’O

Pulse Sens’O

Pulse Sens’O IP68
Wire Colour | Green | White | Brown | Pink | Blue | Yellow |
| Connector | Input 1+ | Input 1- | Input 2+ | Input 2- | Input 3+ | Input 3- |
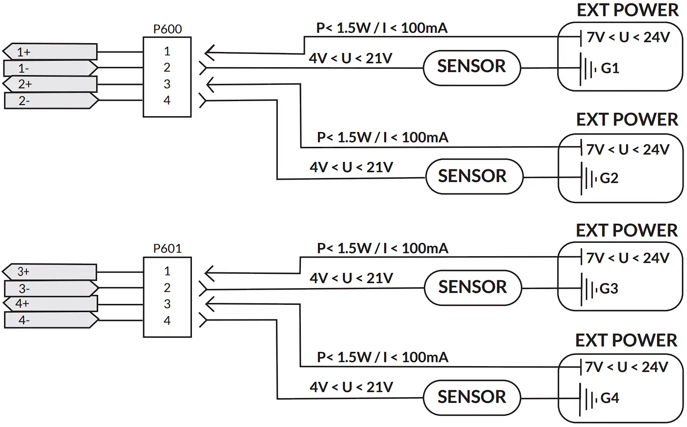
Input
Characteristics of the 3 inputs:
Wiring :
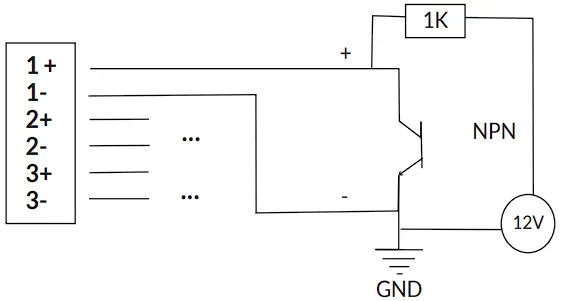
| NPN open collector output:
Compatible with 3V voltage and a 3µA current.
|
| Isolated dry contact output:
|
Output

Installation Setting up

Please note that after installation of the kit, the protection rating of the housing will change to IP50.
Radio propagation

Characteritics
| Reference | 50-70-160 | 50-70-039 | 50-70-016 | 50-70-087 |
| Classe / Class | A | A | A | C |
| Power Level | +14 dBm | +14 dBm | +14 dBm | +14 dBm |
| Antenna | Internal | Internal | External | External |
| Casing materials | ASA / PC | ASA / PC | ASA / PC | ASA / PC |
| IP rating | IP55 | IP68 | IP55 | IP55 |
![]() SITE SUPPORT | ![]() CERTIFICATIONS |
Watteco represented by JC LE BLEIS, declares that the radio equipment type 50-70-016/50-70-087/ 50-70-160/50-70-039 is in conformity with Directive 2014/53/EU (RED). The full text of the EU Declaration of Conformity is available at the following web address: https://www.watteco.com/assistance/download-center/

IoT device manufacturer
Thanks for choosing WATTECO devices
























