
Quick Start
GUIDE

Pulse Sens’O
50-70-160
Pulse Sens’O IP68
50-70-039

In’O
50-70-016
50-70-087
33-70-034-001
1 Start
Side view
Front view
LEDs
Provision the device on your LoRaWAN® network with the keys available on a secure platform.
ON
![]() | ![]() | ![]() |
| LED rouge Red LED | Green LED : Network searching | Green LED Association |
![]() | Wait | Wait |
OFF
![]() | ![]() |
| LED rouge Red LED | LED rouge : Extinction Red LED : Switching off |
![]() | Wait |
Video : ON – OFF
https://www.watteco.fr/assistance/tutoriels-video/
2 Connectors
In’O

Pulse Sens’O

Pulse Sens’O IP68
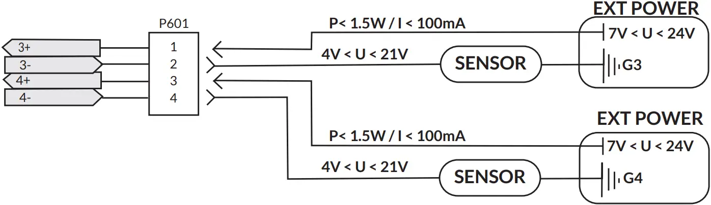
| Wire Colour | Green | White | Brown | Pink | Blue | Yellow |
| Connector | Input 1+ | Input 1- | Input 2+ | Input 2- | Input 3+ | Input 3- |
Input
Characteristics of the 3 inputs:
- Impedance: 1MΩ
- Tension : 0-30Vdc
- Delivered current: 3.5 µA
- Signal frequency max: 0-100 Hz
Wiring :
- Depending on the type of output
Isolated dry contact output
F<100Hz

Signal output
F<100Hz

A
+- 2.5V < U < +- 30V
+- 0V < U < +- 0.8V
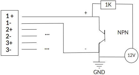
NPN open collector output
F<100Hz

Compatible with 3V voltage and a 3µA current.
Others, need to connect a compatible external power supply and a resistor to limit the current.

Output
3 Setting up
Opening / Closure

Wall mounting

DIN

Please note that after installation of the kit, the protection rating of the housing will change to IP50.
4 Radio propagation

5 Characteritics
| Reference | 50-70-160 | 50-70-039 | 50-70-016 | 50-70-087 |
| Class | A | A | A | C |
| Power Level | +14 dBm | +14 dBm | +14 dBm | +14 dBm |
| Antenna | Internal | Internal | External | External |
| Casing materials | ASA / PC | ASA / PC | ASA / PC | ASA / PC |
| IP rating | IP55 | IP68 | IP55 | IP55 |
SITE SUPPORT CERTIFICATIONS
https://support.watteco.com/
Watteco represented by JC LE BLEIS, declares that the radio equipment type 50-70-016/50-70-087/ 50-70-160/50-70-039 is in conformity with Directive 2014/53/EU (RED) and UKCA. The full text of the EU and UKCA Declaration of Conformity is available at the following web address: https://www.watteco.com/assistance/download-center/

IoT device manufacturer
Thanks for choosing WATTECO devices































