nke WATTECO PT 1000 LoRaWAN Class A Temperature Sensor

OVERVIEW

Start
Provision the device on your LoRaWAN® network with the keys available on a secure platform.

ON

OFF

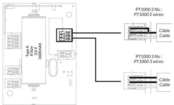
Connectors

The PT1000 sensor is supplied without a probe. Pass the cable through the cable gland
Setting up

Please note that after installation of the RailDIN kit, the protection rating of the housing will change to IP50.
Warning
Probe 2 is red: to be installed on hot pipes
Probe 1 is blue : to be installed on return pipes

Temperature measurement on tube

Tighten the clamp without crushing the probe. Insulate the probe with the tape.
Temperature measurement with the thermowell

Fix the cable on a support point with a Rilsan type clamp
Dimensions : Ø 5mm / Length 24mm
Radio propagation

For the sensor communicates correctly, the number of obstacles should be limited to avoid excessive radio attenuation.
Characteritics

SITE SUPPORT

CERTIFICATIONS

Watteco represented by JC LE BLEIS, declares that the radio equipment type 50-70-163 / 50-70-043 / 50-70-200/50-70-164 / 50-70-126 is in conformity with Directive 2014/53/EU (RED). The full text of the EU Declaration of Conformity is available at the following web address: https://www.watteco.com/assistance/download-center/
Thanks for choosing WATTECO devices


















