Operating instructions
Multistage ejector
EMS
R412026279/2017-08, Replaces
About this Documentation
These instructions contain important information for the safe and appropriate assembly and commissioning of the product.
- Read these instructions carefully, especially chapter2 “Notes on Safety”, before you start working with the product.
Documentation validity
- This documentation is valid for the EMS series multistage ejector.
Additional documentation
- Also, follow the instructions for the other system components.
- Please also observe the generally relevant, statutory, and other binding regulations of European and national legislation and the national regulations for accident prevention and environmental protection in your country.
Presentation of information
Warnings
In this document, there are safety instructions before the steps whenever there is a danger of personal injury or damage to the equipment. The measures described to avoid these hazards must be followed.
Structure of warnings
SIGNAL WORD
Hazard type and source
Consequences of non-observance
- Measures to avoid these hazards
Meaning of the signal words
DANGER
Indicates a hazardous situation that, if not avoided, will certainly result in death or serious injury.
WARNING
Indicates a hazardous situation that, if not avoided, could result in death or serious injury.
CAUTION
Indicates a hazardous situation that, if not avoided, could result in minor or moderate injuries.
NOTICE
Indicates that damage may be inflicted on the product or the environment.
Symbols
Operation may be impaired if this information is disregarded.
Notes on Safety
The product has been manufactured according to the accepted rules of current technology. Even so, there is a risk of injury or damage if the following general safety instructions and the specific warnings given in this instruction manual are not observed.
- Please read all these instructions carefully before working with the product.
- Keep these instructions in a location where they are accessible to all users at all times.
- Always include the operating instructions when you pass the product on to third parties.
Intended use
- The ejector is designed to generate a vacuum for gripping and transporting objects when used in conjunction with suction pads.
- Neutral gases in accordance with ISO8573-1 are approved as evacuation media. Neutral gases include air, nitrogen, and inert gases (e.g. argon, helium, and neon). Aggressive gases or media such as acids, acid fumes, bases, biocides, disinfectants, or detergents are not permitted.
- The device is not suitable for transporting (through suction) liquids, nonneutral gases, and/or granulates.
- The silencer must not be closed. Otherwise, damages to the ejector and even injury risks can not be excluded.
- The ejectors may only be operated with a maximum pressure of 6,0 bar.
- Assembly, commissioning, and maintenance must only be carried out by qualified persons.
- Operating only by persons that are trained by the operator.
- Persons that are not in a position to operate the machine safely due to physical, mental, or sensory limitations may only operate the machine under the supervision of a responsible person.
Intended use includes having read and understood these instructions, especially the chapter2 “Notes on Safety”.
Improper use
- It is considered improper use when the ejector Is used for any application not stated in these instructions, or
- If they are used under operating conditions that deviate from those described in these instructions.
Personnel qualifications
Assembly, disassembly, commissioning, and maintenance(incl. service and care) require basic mechanical and pneumatic knowledge, as well as knowledge of the appropriate technical terms. To ensure safe operation, this work may only be performed by qualified personnel or trained persons working under the supervision of qualified personnel. A qualified employee is defined as an employee who has received technical training and has the knowledge and experience – including knowledge of corresponding regulations – necessary to enable him or her to recognize possible dangers and implement the appropriate safety measures while performing tasks. Qualified personnel must observe the pertinent industry-specific rules and regulations.
General safety instructions
- The operating instructions contain important information about the use of the system. Read the operating instructions carefully and keep them for future reference!
- The installation and commissioning of the system should not be made until you have read and understood the operating instructions fully!
- Work on the system may only be carried out by qualified specialist personnel.
- Use only the connection facilities, mounting holes, and mounting components provided for this purpose.
- Maintenance only when compressed air is disconnected
- General safety regulations, European standards, and VDE guidelines must be observed and complied with.
- You must observe the applicable safety instructions when handling hazardous materials.
- The product is used with an automated handling system (portal/robot).
- For this reason, you must also follow the safety regulations of the corresponding system.
- Devices with compressed air can cause harm to people and damage property.
- The exhaust air and any particles which may have been drawn into the ejector leave the exhaust-air outlet at high velocities. This may cause injuries, particularly to the eyes. Never stand in the stream of exhaust air and never look into the exhaust-air outlet when the ejector is connected to the compressed-air supply!
- Ensure that you make all connections correctly and never close them off – the danger of bursting!
- The vacuum created should be monitored to detect possible faults in vacuum generation.
- Do not operate the product in aggressive environments (e.g. ambient air containing solvent fumes).
Delivery Contents
The delivery contents include:
- Multistage ejector as per order (for types, see figure, technical data)
- Operating instructions
- Mounting screws
Assembly and Operation
WARNING
The ejector module may be flung out of the hole if it is not adequately secured
Serious personal injury
- Attach the ejector module securely
- Wear protective glasses
CAUTION
Danger of injury if assembled under pressure or voltage
Assembling when under pressure or electrical voltage can lead to injuries and damage to the product or system components.
- Make sure that the relevant system part is not under under-voltage or under pressure before you assemble the product.
- protect the system against being switched on.
Mounting ejector module
The silencer fixes the ejector module.
Therefore the ejector may not be operated without a silencer.
Exception: If the ejector is to be operated without a silencer, the ejector module must be secured with the silencer adapter and the two supplied screws M4x16 (2Nm) (see section “Construction”1 ).
CAUTION
Operation without silencer
Ejector emits sound
- Wear ear protection
CAUTION
Picked-up particles move at high speeds Eye injuries
- Wear protection glasses
CAUTION
Pressure/Vacuum can cause closed devices to explode/implode
Personal injury and/or damage to property
- Wear protection glasses
- The silencer must not be closed
- Secure the ejector using the secured screws (M5).
Maximum torque 5Nm!
As an alternative, a mounting bracket can be used, see chapter6 “Accessories”.
Connection 2
- Use hoses of the recommended diameters.
- A hose with an insufficient internal diameter on the pressure side will prevent the unit from receiving the amount of compressed air necessary for optimum performance.
- A hose with an insufficient internal diameter on the vacuum side will cause excessive flow resistance along the wall of the hose, with negative effects on the suction capacity and thus on the evacuation times. On the other hand, a hose whose internal diameter is too large will have a large internal volume and will thus also result in longer evacuation times.
- Hoses should be kept as short as possible in order to reduce the reaction times to a minimum.
- Take care that the hoses are not kinked or pinched.
After all pneumatic connections have been made, the compressed-air supply can be turned on.
More information
For safe installation and trouble-free operation, the following instructions must be observed and complied with: - Check the product for apparent damage, such as fissures in the housing or missing screws, cover caps or seals.
- Electrical line connections, and pneumatic and vacuum tubes, must be permanently connected to the product and secured.
- Make sure that the product is disconnected, depressurized, and cannot be switched on again without authorization.
- The system may not be operated in environments where there is a risk of explosion. Risk of fire and For safety reasons, modifications or changes may not be made to the product or its components without approval. Exception: On request, it is possible to upgrade the ejector to a higher performance class using an upgrade set.
- Maintain a safe distance during operation: The moving parts present a risk of crushing injuries.
- The product must be operated with suitable safety equipment. Protect the product from unauthorized access.
- The device may not be operated outside its specified capacities and limits.
The warranty is void in case of faulty installation, operation outside the performance limits, and unauthorized changes or modifications to the product.
The installation position of the ejector is any.
Service and Repairs
Maintenance
The ejector can be opened for maintenance and cleaning purposes.
During assembly, the prescribed tightening torque of the
screws must be observed (see section “Construction” ).
Spare and wearing parts
| Designation | Mat. no. |
| Silencer | R412026280 |
| Sealing frame | R412026281 |
| O-ring | R412026282 |
Accessories
| Designation | Type | Mat. no. |
| Sealing plug | R412026139 | |
| Mounting bracket (incl. screws) | SEP-HF | R412026103 |
| Nozzle cartridge | SEP-HV | R412026137 R412026138 |
Further accessories can be found in our online catalog at www.aventics.com/pneumatics-catalog.
Technical Data
| Max. vacuum [%] | Type HF = 60 Type HV = 90 |
| Opt. operating pressure [bar] | 4…5 |
| Operating pressure [bar] | 2…6 |
| Installation position | any |
| Temperature range [°C] | 0. . .+ 6 0 |
| Operating medium on the pressure side | Neutral gases in accordance with EN983, e.g. air, nitrogen, and inert gases (e.g. argon, helium, neon), filtered to 40μm, oiled or oil-free, compressed air quality class 3-3-3 as per ISO8573-1 |
| Operating medium on the vacuum side | dry, non-aggressive gas |
| Type | Degree of evacuation [%] | Max. suction capacity [l/min] | Air consumption 1) [l/min] |
| EMS-25-HF | 60 | 290 | 80 |
| EMS-25-HV | 90 | 300 | 105 |
| EMS-50-HF | 60 | 500 | 160 |
| EMS-50-HV | 90 | 510 | 210 |
| EMS-75-HF | 60 | 710 | 230 |
| EMS-75-HV | 90 | 720 | 305 |
| EMS-100-HF | 60 | 860 | 300 |
| EMS-100-HV | 90 | 870 | 395 |
| EMS-125-HF | 60 | 1010 | 370 |
| EMS-125-HV | 90 | 1010 | 470 |
| EMS-150-HF | 60 | 1120 | 435 |
| EMS-150-HV | 90 | 1140 | 545 |
1)At opt. operating pressure
| Type | Noise level free [dB] | Compr. air range load gripped [dB] | Weight [bar] | [kg] |
| EMS-25-HF | 61 | 54 | 2.0…6.0 | 0.8 |
| EMS-25-HV | 65 | 55 | 2.0…6.0 | 0.8 |
| EMS-50-HF | 65 | 55 | 2.0…6.0 | 0.8 |
| EMS-50-HV | 66 | 59 | 2.0…6.0 | 0.8 |
| EMS-75-HF | 67 | 57 | 2.0…6.0 | 1.1 |
| EMS-75-HV | 68 | 62 | 2.0…6.0 | 1.1 |
| EMS-100-HF | 69 | 58 | 2.0…6.0 | 1.1 |
| EMS-100-HV | 70 | 64 | 2.0…6.0 | 1.1 |
| EMS-125-HF | 70 | 60 | 2.0…6.0 | 1.5 |
| EMS-125-HV | 72 | 65 | 2.0…6.0 | 1.5 |
| EMS-150-HF | 71 | 61 | 2.0…6.0 | 1.5 |
| EMS-150-HV | 73 | 66 | 2.0…6.0 | 1.5 |
Materials used
| Body and connection plate | Material |
| plate | Fiberglass reinforced plastic |
| Cover | Fiberglass reinforced plastic |
| Internal parts | Aluminum alloy, Brass, NBR |
| Gaskets NBR | NBR |
| Screws | Galvanized steel; stainless steel |
| Mounting plate | Galvanized steel |

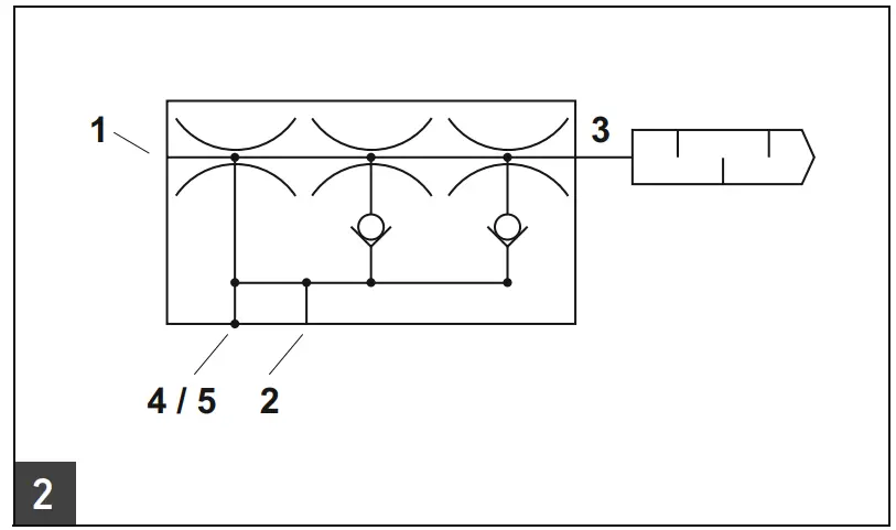
Construction
| Pos | Designation |
| 1 | Compressed air connection, max. 15Nm |
| 2 | Vacuum connection, max. 25Nm |
| 3 | Exhaust vents |
| 4 | Blow-off connection/Ventilation connection, max.15Nm |
| 5 | Vacuum control, max. 10Nm |
| 6 | Mounting screws M5 (4x), max. 5Nm |
| 7 | Silencer adapter |
| 8 | Mounting screws M4 (8x for cover) max. 2.5Nm |
| 9 | Mounting screws M4x16 (2x for Silencer adapter) max. 2N |
| 10 | Mounting screws M4x35 (2x for Silencer) max. 2Nm |
* Further accessories can be found in our online catalog at www.aventics.com/pneumatics-catalog.
Pneumatic Connections
| Pos | Designation |
| 1 | Compressed air connection |
| 2 | Vacuum connection |
| 3 | Exhaust |
| 4 | Blow-off/Ventilation |
| 5 | Vacuum control |

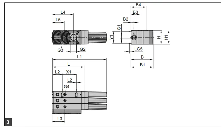
Dimensions and connections
| Type | L | L1 | L2 | L3 | L4 | L5 | B | B1 | B2 | B3 | B4 | H | H1 | X1 | Y1 |
| EMS-25- /HV EMS-50-HF/HV | 1 6 8 | 285 | 5 4 | 6 7 | 1 1 3 | 6 4 | 15 | 5 3 | 1 6 | – | – | 7 2 | 47 | 7 4 | 6 2 |
| EMS-75- HF/HV EMS 100-HF/HV | 168 | 285 | 54 | 67 | 113 | 64 | 83 | 85 | 16 | 48 | – | 72 | 74 | 74 | 62 |
| EMS-125- F/HV EMS-150-HF/HV | 168 | 285 | 54 | 67 | 113 | 64 | 115 | 117 | 16 | 48 | 80 | 72 | 74 | 74 | 62 |
| Type | G1 | G2 | G3 | G4 | G5 | Lg5 | Recom. internal hose – Ø* | Compressed air vacuum |
| EMS-25-HF/HV | G3/8″-IG | G3/4″-IG | G1/4″-IG | G1/8″-IG | M5-AG | 8.5 | 6 | 20 |
| EMS-50-HF/HV | G3/8″-IG | G3/4″-IG | G1/4″-IG | G1/8″-IG | M5-AG | 8.5 | 6 | 25 |
| EMS-75-HF/HV | 32 | |||||||
| EMS-100-HF/HV | G3/8″-IG | G1″-IG | G1/4″-IG | G1/8″-IG | M5-AG | 8.5 | 9 | |
| EMS-125-HF/HV | 32 | |||||||
| EMS-150-HF/HV | G3/8″-IG | G1″-IG | G1/4″-IG | G1/8″-IG | M5-AG | 8.5 | 11 | 32 |
* Hose lengths up to 2m
AVENTICS GmbH
Ulmer Straße 4
30880 Laatzen, GERMANY
Phone +49 (0) 5 11-21 36-0
Fax: +49 (0) 511-21 36-2 69
www.aventics.com
[email protected]
Further addresses:
www.aventics.com/contact
The data specified above only serve to describe the product. No statements concerning a certain condition or suitability for a certain application can be derived from our information. The given information does not release the user from the obligation of their own judgment and verification. It must be remembered that our products are subject to a natural process of wear and aging.
An example configuration is depicted on the title page. The delivered product may thus vary from that in the illustration.
Translation of the original operating instructions. The original operating instructions were created in the
German language. R412026279–BAL–001–AA/2017-08
Subject to modifications. © All rights reserved by AVENTICS GmbH, even and especially in cases of proprietary rights applications. It may not be reproduced or given to third parties without its consent.



















