Operating instructions
Pressure Regulator
ED12
R414002587/2017-04, Replaces: 2017-03,

About this Documentation
Documentation validity
This documentation applies to ED12 series electro-pneumatic pressure regulators and contains important information on the safe and appropriate assembly, operation, and maintenance of the ED12 pressure regulator and how to remedy simple malfunctions yourself.
- Read this documentation completely, paying special attention to Chapter 2 “For your safety”, before working with the ED12 pressure regulator.
- Verify by the device nameplate and description in Chapter 5 what device you are dealing with and whether the ED12 pressure regulator corresponds to your order.
Related documents
The ED12 pressure regulator is a system component. Also, follow the instructions for the other system components. This includes:
- the system documentation from the system manufacturer
Abbreviations used
| Abbreviation | Meaning |
| ED12 | E = Electropneumatic pressure regulator D = Directly controlled 12 = Nominal width 12 |
| FE | Ground (functional earth) |
| DC | Direct current |
| Nl | Norm liter air |
Presentation of information
Warnings
In this documentation, there are warnings before the steps whenever there is a risk of personal injury or damage to equipment. The measures described to avoid these hazards must be followed. Safety instructions are set out as follows:
SIGNAL WORD
Hazard type and source
Consequences
- Precautions
- <List>
Warning signs and signal words have the following meanings:
DANGER
Indicates a hazardous situation that, if not avoided, will certainly result in death or serious injury.
WARNING
Indicates a hazardous situation which, if not avoided, could result in death or serious injury.
CAUTION
Indicates a hazardous situation which, if not avoided, could result in minor or moderate injury.
NOTICE
Indicates that damage may be inflicted on the product or the environment.
Symbols
If this information is disregarded, the product cannot be used or operated optimally.
For Your Safety
- The ED12 pressure regulator has been manufactured according to the accepted rules of safety and current technology. Even so, there is a risk of injury or damage if the following general safety instructions and the specific warnings given before the steps in this documentation are not observed.
- Read this documentation completely before working with the ED12 pressure regulator.
- Keep this documentation in a location where it is accessible to all users at all times.
- Always include the operating instructions when you pass the ED12 pressure regulator on to third parties.
Intended use
The ED12 pressure regulator is a pneumatic device with integrated electronics that is only designed to regulate pneumatic pressures.
Air that is dry and free of condensation is the permissible medium. Operation with pure oxygen is not permitted.
- The ED12 pressure regulator is for industrial applications only.
An individual license must be obtained from the authorities or an inspection center if the ED12 pressure regulator is to be used in a residential area (residential, business, and commercial areas). In Germany, these individual licenses are issued by the Regulating Agency for Telecommunications.
- The pressure regulator may only be used within the limits listed in the technical data.
- Only use the ED12 pressure regulator inside.
Intended use includes having read and understood these instructions, especially Chapter 2 “For your safety”.
Improper use
Use of the ED12 pressure regulator is deemed improper
- when it is used for any application not stated in this documentation
- when it is used under operating conditions that deviate from those described in this documentation.
Personnel qualifications
Assembly and commissioning require basic electrical and pneumatic knowledge, as well as knowledge of the appropriate technical terms. Assembly and commissioning may therefore only be carried out by qualified electrical or pneumatic personnel or an instructed person under the direction and supervision of qualified personnel. Qualified personnel are those who can recognize possible hazards and institute the appropriate safety measures, due to their professional training, knowledge, and experience, as well as their understanding of the relevant regulations pertaining to the work to be done. Qualified personnel must observe the rules relevant to the subject area.
The following must be observed for the ED12 pressure regulator
General instructions
- Observe the regulations for accident prevention and environmental protection in the country where the product is used and at the workplace.
- Do not modify or convert the device.
- Only use the device within the performance range provided in the technical data.
- Do not place any mechanical loads on the device under any circumstances.
Never use the device as a handle or step. Do not place loose objects on it.
Prior to installation
- Let the process controller acclimatize itself for several hours before installation, otherwise, water may condense in the housing. On installation
- Make sure the relevant system component is not under pressure or voltage before assembling or when connecting and disconnecting plugs. Protect the system from being switched on. Hang signs on the main switches that warn workers against switching the system on.
- Always mount the ED12 pressure regulator on a base plate
- Lay the cables so that no one can trip over them.
- Only use pre-assembled and tested plugs and cables, thus avoiding voltage reversal.
- The device complies with protection class IP65. Before commissioning, make sure that all the connection seals and plugs are leak-tight to prevent fluids and foreign bodies from penetrating the device or plug-type connections.
During commissioning
- Water entering the device destroys the electronics. Never open the seal of the compensating port. Ensure that the four mounting screws are tightened with the correct torque. Never open the two fastening screws on the housing cover.
During operation
- If the device is not fastened correctly, other parts may be damaged by uncontrolled device movements. Please ensure that the device is securely fastened to a base plate, which in turn is secured to the machine or a mounting plate.
- Touching the valve coils during operation may lead to burns. Let the device cool off before disassembling. Do not touch the device during operation.
- If the housing ventilation port is closed, there is no atmospheric equalization and the characteristics curve will change. Ensure that the air can circulate freely through the housing ventilation port. Never operate the device in an atmosphere containing oil.
During cleaning
- Never use solvents or aggressive detergents. Only clean the device using a slightly damp cloth. Only use water and, if necessary, a mild detergent.
Disposal
- Dispose of the device in accordance with the currently applicable regulations in your country.
Delivery Contents
The delivery contents include:
- 1 ED12 pressure regulator
- 1 base plate gasket
- 4 screws M6x70 (DIN EN ISO 4762, formerly DIN 912)
- 1 set of operating instructions
Applications for the ED12 Pressure Regulator
The ED12 pressure regulator converts an electrical set point into pressure. In doing so, a pressure sensor integrated in the ED12 pressure regulator records the outlet pressure.
The integrated control electronics regulate the outlet pressure. Due to this, the controlled outlet pressure remains constant if there are disturbance variables such as flow changes or supply pressure fluctuations.
With the ED12 pressure regulator, you can
- electrically change pressures,
- remotely adjust pressures.
Additionally, you can use the ED12 pressure regulator as an actuator to control brake forces, clamping forces, flow rates, or turbine speeds.
Device Description
The ED12 pressure regulator is available in two connection versions and various output pressures.
- Refer to the nameplate of your version for further details.
ED12 pressure regulator with two M12 connections

- Inlet connection
- Outlet connection
- Exhaust
- Compensating port seal
- Housing cover mounting screw
- Housing ventilation port
- Valve solenoids
- Coding bore
- 4 screws M6x70 (DIN EN ISO 4762, formerly DIN 912)
- Base plate gasket
- Housing gasket For devices with a M12 connection:
- Integrated plug XPC, connection for supply voltage and control For devices with two M12 connections: 12 Integrated plug X1S, connection for supply voltage
- M12 integrated socket X2M, a control connection
Name plate
In the following the name plate example illustrated is the ED12 pressure regulator with two connections.
1) The production date, year (YY), and week (WW) is encoded in the format <YY>W<WW> - QR code
- Series
- Warning sign “Caution! Hot surface!
- CE mark
- Internal factory designation
- Production date 1)
- Serial number
- Connection ID X2M
- X2M technical data
- X2M connection assignment
- X1S/XPC connection assignment
- X1S/XPC connection ID
- Manufacturer’s address
- Data matrix code
- Country of manufacture
- Device technical data
- Logo
Mounting ED12 pressure regulator
The ED12 pressure regulator must always be fastened to a base plate (single subbase or base plate for stacking assembly).

Before assembly
- Make sure the relevant system part is not under voltage or pressure.
- Let the ED12 pressure regulator acclimate itself for several hours before installation, otherwise, water may condense in the housing.
NOTICE
Risk due to incorrectly mounted device!
An incorrectly mounted device may result in uncontrolled movements that could damage other system parts.
- Please ensure that the device is securely fastened to a base plate, which in turn is secured to the machine or a mounting plate.
- Fasten the base plate in the control cabinet or onto a mounting plate.
Vertical mounting is preferable for the ED12 pressure regulator.
31 vertical axis
32 horizontal axis
The device can be mounted in any orientation if the compressed air is dry and oil-free.
NOTICE
Malfunction caused by closed housing ventilation port!
If the housing ventilation port is closed, there is no atmospheric equalization and the characteristics curve will change.
- Ensure that the air can circulate freely through the housing ventilation port (6).
- Never operate the device in an atmosphere containing oil.
- Before installation, ensure that the housing ventilation port (6) is open and not, for example, painted shut.

Insert base plate gasket
- Insert the base plate gasket (10) in the respective slots on the bottom of the ED12.
- Apply slight pressure to the base plate gasket.

Mounting the ED12 pressure regulator on the base plate
The base plate has a coding pin (33), which fits into the matching coding boring (8) of the ED12 pressure regulator. Correct assembly is thus ensured.
- Rotate the ED12 pressure regulator so that the coding pin (33) and coding boring (8) and on the same side and can engage.
- Place the ED12 pressure regulator on the base plate. While doing so, ensure that the base plate gasket does not slip.
The base plate coding pin fits into with the coding boring on the ED12 pressure regulator.
Some base plates have two coding pins. For this reason, there is a second coding boring on the same side of the ED12 pressure regulator. There is no risk of confusion.
Firmly screw the ED12 pressure regulator onto the base plate

- Insert the four M6x70 screws into the four holes as shown in the figure and screw tight. Tightening torque: 6 Nm
- Recheck the perfect seat of the base plate gasket (10) to ensure protection class IP65.
The base plate gasket must not protrude at the side.
Connecting the supply voltage and set point
NOTICE
Missing seals and plugs will lead to non-compliance with the IP65 protection class!
Liquids and foreign objects could penetrate the device and plug connections and destroy the electronics.
- Use IP65 protection class plug-type connections.
- Make sure that the seals are integrated in the plug and not damaged.
- Make sure that all plugs are mounted before starting the system.
To operate the ED12 pressure regulator, you must supply the device with compressed air, connect the 24 V DC supply voltage, and control the device with a setpoint.
The actual value (-) and set point (-) are always connected to 0 V. The following applies for all devices with 0… 10 V voltage control: If the analog trigger signal is not electrically isolated, please heed the line resistances to minimize set point/actual value drifting and the controlled pressure.
Use a shielded line to connect XPC and X2M. The shield must be connected to the plug housing.
- Please heed the following tables containing the plug assignments for the different series.
M12 integrated XPC plug, male, 5-pin
![]() | Pin 1 | 24 V DC |
| Pin 2 | Set point (+): current 0/4…20 mA or voltage 0…10 V DC | |
| Pin 3 | 0 V | |
| Pin 4 | Actual value (+): current 0/4… 20 mA or voltage 0…10 V DC | |
| Pin 5 | FE |
M12 integrated XPC plug, male, 5-pin
![]() | Pin 1 | 24 V DC |
| Pin 2 | not assigned | |
| Pin 3 | 0 V | |
| Pin 4 | not assigned | |
| Pin 5 | FE |
M12 integrated socket X2M, female, 5-pin
![]() | Pin 1 | Switch output for “Pressure reached” |
| Pin 2 | Set point (+): current 0/4…20 mA or voltage 0…10 V DC | |
| Pin 3 | 0 V1) | |
| Pin 4 | Actual value (+): current 0/4… 20 mA or voltage 0…10 V DC or 10 V DC constant | |
| Pin 5 | FE |
1) internally connected with contact X1S Pin 3.
- Make sure before connecting the plugs that all seals and caps are included and not damaged.
- Only use pre-assembled and tested plugs and cables,
- Protect the supply voltage with an external M 2.5 A fuse.
As the 0 V lines are linked in the case of the X2M and X1S connections, you must ensure that all the plug-type connections are correctly poled. Short-circuiting occurs due to pole confusion of the supply voltage or set point voltage.
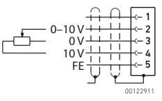
For devices controlled via potentiometer, integrated plug X1S, and integrated socket X2M:
- Connect the lines to the X2M integrated socket as illustrated in the figure opposite.
Voltage can now be supplied to the ED12 pressure regulator and the set point adjusted on the potentiometer.

Commissioning the EV12 pressure regulator
NOTICE
Risk of destruction by water!
Water entering the device destroys the electronics.
- Ensure that the compensation port is sealed.
- Ensure that the four mounting screws are tightened with the correct torque.
- Never open the two fastening screws on the housing cover.
Prior to commissioning the EV12 pressure regulator
Attach base plate pneumatic connections

Depending on the application, the base plate is a single subbase or base plate for stacking assembly.
- Connect the supply line to inlet connection 1 on the base plate (34).
- Connect the outlet line to the output connection (unlabeled connection) on the opposite side.
- Always connect a silencer or line for restricted exhaust to exhaust 3 (35).
CAUTION
Danger caused by escaping compressed air!
Device is operating under pressure. On opening the additional input connection (36) on the base plate, the seal screw can be hurled into the surrounding area and may cause bodily harm and material damage.
- Never undo the seal screw during operation.
- Only connect another input connection when no pressure is supplied.
Exhaust 3 (35) in the single subbase must not be sealed by a screw.
- Always mount the exhaust on an appropriate silencer (see Chapter 13 “Accessoires”) or line for restricted exhaust.
Output pressure -1 bar…+1 bar:
On the ED12 pressure regulator with the pressure range -1 bar…+1 bar a vacuum must be connected to exhaust 3.
Switching on the pneumatic and electrical supplies
Proceed as follows to commission the ED12 pressure regulator:
- First switch on the pneumatic supply.
- Then switch on the 24 V DC supply voltage.
Setting the set point
- Enter the desired set point in the controller or potentiometer.
- Please observe Chapter “Selecting the correct supply pressure”.
Triggering the ED12 pressure regulator
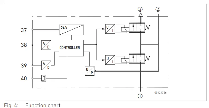
You can continually adjust the pressure once you have connected the pneumatic and electrical supply on the ED12 pressure regulator. To do this, the ED12 pressure regulator is e.g. controlled via a controller or potentiometer using a set point. The electronics compares the set point with the output pressure, which is measured by a pressure sensor and generates a control variable, which in turn triggers the venting or exhaust valve via the U/I converter and proportional solenoids. This sets the stipulated pressure.

- Inlet connection for supply pressure
- Outlet connection
- Ventilation
37 Supply voltage
38 Nominal input value
39 Actual output value
40 Switch output
Selecting the correct supply pressure
A permanent deviation will occur if the supply pressure is less than the outlet pressure stipulated by the electrical set point. The electronics reduce the current consumption and thus the maximum nominal width to prevent the ED12 pressure regulator becoming hot.
CAUTION
Danger of burns caused by hot coils!
Touching the valve coils during operation may lead to burns.
- Let the device cool off before disassembling it.
- Do not touch the device during operation.
- Always select a supply pressure that is higher than the outlet pressure.
“Pressure reached” switch output
The “Pressure reached” switch output is only featured on “ED12 pressure regulators with M12 integrated plug X1S and M12 integrated socket X2M. The ED12 pressure regulator with M12 integrated plug X1S and M12 integrated socket X2M recognizes whether the required output pressure is set within a tolerance band of 2% FS.
The switch output on pin 1 of the M12 integrated socket X2M is triggered at a value equal to the supply voltage or 2.0 V lower (high level) as long as the actual value is close to the set point in the tolerance band.
If the actual value is outside the tolerance band, a voltage of < 2.0 V DC (low level) is supplied to the switch output.
This signal can be used to enable further process steps, for instance.
Controlling the pressure
Depending on the version, the output pressure of the ED12 pressure regulator can be controlled via the current, voltage, or potentiometer.
Depending on the version, the characteristic curves in the following section depict the linear interrelation between current and outlet pressure or voltage and outlet pressure.
The device generates the supply voltage for the potentiometer in devices with an external potentiometer. The potentiometer sliding contact is connected to the set point input (see “Connecting the supply voltage and set point”).
- Select the right characteristic curve according to the output pressure and device number.
- Define the required output pressure.
- Refer to the current or voltage characteristic curve to set the required output pressure.
- Depending on the model, control the outlet pressure either via the controller or a potentiometer.
Characteristics
The characteristic curves for all ED12 pressure regulator versions are listed in the following.
NOTICE
Malfunction caused by closed housing ventilation port!
If the housing ventilation port is closed, there is no atmospheric equalization and the characteristics curve will change.
- Ensure that the air can circulate freely through the housing ventilation port (6).
- Never operate the device in an atmosphere containing oil.
Characteristic curve for current control with the actual output value
Characteristic curve for voltage control with actual output value or via potentiometer

Disassemble, replace and dispose of ED12 pressure regulator
Disassembling the EV12 pressure regulator
NOTICE
Connecting or disconnecting plugs when under voltage will damage the device! Large differences in potential occur when connecting or disconnecting plugs under voltage, which could damage the device.
- Make sure the relevant system component is not under voltage before assembling the device or when connecting and disconnecting plugs.
CAUTION
Danger of burns caused by hot coils!
Touching the valve coils during operating may lead to burns.
- Let the device cool off before disassembling it.
- Do not touch the device during operation.
The following switch-off sequence must be observed in order to disassemble the ED12 pressure regulator.
- Stipulate a set point of 0 bar to exhaust the ED12 pressure regulator and the outlet line on the outlet pressure connection.
- Switch off the 24 V DC supply voltage.
- Remove the connected plugs.
- Switch off the supply pressure.
- Undo the four M6x70 screws.
The ED12 pressure regulator can now be removed.
Exchange the ED12 pressure regulator
To replace the ED12 pressure regulator, you must first disassemble it as described above and then assemble a new ED12 pressure regulator (see Chapter 6 “Mounting ED12 pressure regulator”).
Dispose of ED12 pressure regulator
- Dispose of the ED12 pressure regulator in accordance with the currently applicable regulations in your country.
Care for and maintain the ED12 pressure regulator
Servicing the ED12 pressure regulator
No special care is required for the ED12 pressure regulator.
NOTICE
Damage to components!
Solvents and aggressive detergents will destroy the surface, labeling, and seals of the device!
- Only clean the device using a slightly damp cloth. Only use water to do this and, if necessary, a mild detergent.
CAUTION
Danger of burns caused by hot coils!
Touching the valve coils during operating may lead to burns.
- Let the device cool off before disassembling.
- Do not touch the device during operation.
- Check that all seals and plugs for the plug connections are firmly fitted so that no humidity can penetrate the ED12 pressure regulator during cleaning.
Maintaining the ED12 pressure regulator
The ED12 pressure regulator is maintenance-free.
- However, the system-specific maintenance intervals must be observed.
Check the ED12 pressure regulator seals
The seals in the ED12 pressure regulator may age faster under aggressive ambient conditions. Defective seals will lead to pneumatic leaks and non-compliance with the IP65 protection class.
- Every now and then, check that the seals on the pressure regulator are in perfect order.
If Malfunctions Occur
| Malfunction Possible cause | Remedy | |
| No output pressure present | No power supply | Connect the power supply. |
| Check the polarity of the power supply. | ||
| Switch on system component. | ||
| No set point stipulated | Stipulate a set point. | |
| No supply pressure available | Connect the supply pressure. | |
| Outlet pressure too low | Supply pressure too low | Increase the supply pressure. |
| Outlet pressure less than the set point | Consumers that use a lot of air (>2600 h l/min) cause a major drop in pressure in the device. | Reduce air consumption |
| Outlet pressure does not correspond to the stipulated set point | Housing ventilation port is closed | Make sure that the housing ventilation port is open |
| Defective diaphragm in the housing ventilation port | Exchange the ED12 pressure regulator | |
| Air is audibly escaping | Base plate seal is missing or damaged | Check base plate gasket and replace if necessary |
| The ED12 pressure regulator and base plate are not sealed tight | Tighten screws with 6 Nm torque | |
| ED12 pressure regulator is not leak-tight | Exchange the ED12 pressure regulator | |
| Replace pneumatic connections on the base plate | Correctly replace pneumatic connections on the base plate (see “Attach base plate pneumatic connections”) | |
| ED12 pressure regulator does not bleed | End plate exhaust is closed | Open the exhaust and connect a silencer or a line for restricted exhaust. |
Technical data
| General data | ||
| Dimensions (width x height x depth) | 254 mm x 100 mm x 55 mm | |
| Weight | 2.3 kg | |
| Operating temperature range | 5 °C…50 °C | |
| Storage temperature range | -20 °C…80 °C | |
| Control | Analog | |
| Version | Poppet valve | |
| Permissible medium | Air of quality class DIN ISO 8573-1 for solid impurities: 5 for water content: 3 for total oil content: 1 | |
| Protection class according to EN 60529/IEC529 | IP65 (only when assembled and with all plugs connected) | |
| Mounting orientation | preferred mounting orientation: vertical (see figure 3) Any if used with dry and oil-free compressed air The housing ventilation port must be open | |
| Pneumatics | ||
| Flow rate at pre-pressure 7 bar (101.5 psi), rated pressure 6 bar (87 psi), and pressure drop 0.2 bar (2.9 psi) | 2600 l/min | |
| Supply pressure | Supply pressure | Output pressure |
| max. 0.12 bar (1.74 psi) | at 0…0.05 bar (0…0.73 psi) | |
| max. 0.7 bar (10 psi) | at 0…0.4 bar (0…5.8 psi) | |
| max. 3 bar (43.5 psi) | at -1…1 bar (-14.5… 14.5 psi) | |
| max. 8 bar (116 psi) | at 0…6 bar (0…87 psi) | |
| max. 12 bar (174 psi) | at 0…10 bar (0…145 psi) | |
| Reproducibility | Reproducibility | Output pressure |
| 0.01 bar (0.15 psi) | at 6/10 bar (87/145 psi) | |
| 0.005 bar (0.073 psi) | at -1…1 bar (-14.5… 14.5 psi) | |
| 0.03 bar (0.435 psi) | at 16/20 bar (232/290 psi) | |
| Hysteresis | Hysteresis | Output pressure |
| 0.03 bar (0.44 psi) | at 6/10 bar (87/145 psi) | |
| 0.015 bar (0.218 psi) | at -1…1 bar (-14.5… 14.5 psi) | |
| 0.09 bar (1.31 psi) | at 16/20 bar (232/290 psi) | |
| Electronics | ||
| Supply voltage | 24 V DC (+30%/-20%) Only use a power pack with safe isolation for the power supply | |
| Permissible harmonic content | 5% | |
| Power consumption | Max. 1.4 A | |
| Input current resistance (set point) | Supply voltage switched on: 100 W Supply voltage switched off: high-ohmic | |
| Current output (actual value), external working resistance | < 300 Ω | |
Standards complied with
| DIN EN 61010-1 | “Safety requirements for electrical equipment for measurement, control, and laboratory use – Part 1: General Requirements” |
| DIN EN 61000-6-2 | “Electromagnetic compatibility” (interference immunity in industrial areas) |
| DIN EN 61000-6-4 | “Electromagnetic compatibility” (interference emission in industrial areas) |
Accessories
| Component | Order number |
| Angle plug M12, 5-pin, A-coded for X2M | 1824484028 |
| Angled socket M12, 5-pin, A-coded for XPC and X1S | 1824484029 |
| Single subbase ED12 | 5610221012 |
| Base plate, ED12 series (for stacking assembly) | 8985049912 |
| End plate left, end plate right for base plate ED12 | 1825503151 |
| Base plate gasket, ED12 series (1 base plate gasket and 4 screws DIN 912 – M6x70) | 5610220092 |
| Silencer, SI1 series for single subbase, ED12 series (5610221012) and base plate for stacking assembly, ED12 series (8985049912) | 1827000004 |
The data specified above only serve to describe the product. No statements concerning a certain condition or suitability for a certain application can be derived from our information. The given information does not release the user from the obligation of own judgement and verification. It must be remembered that our products are subject to a natural process of wear and aging.
An example configuration is depicted on the title page. The delivered product may thus vary from that in the illustration.
Translation of the original operating instructions. The original operating instructions were created in the German language.
R414002587–BAL–001–AE/2017-04 Subject to modifications. © All rights reserved by AVENTICS GmbH, even and especially in cases of proprietary rights applications. It may not be reproduced or given to third parties without its consent.
AVENTICS GmbH
Ulmer Straße 4
30880 Laatzen, GERMANY
Phone +49 (0) 5 11-21 36-0
Fax: +49 (0) 511-21 36-2 69
www.aventics.com
[email protected]
Further addresses:
www.aventics.com/contact

























