AVENTICS ED02 EP Pressure Regulator

INSTRUCTION

- Device overview

- Linking devices

- Mounting with screws to a mounting plate

- Mounting kit for mounting plate assembly

- Mounting kit for rail assembly

- Function block diagram of the ED02 pressure regulator with analog output

- Linear course of the characteristic curve

- Characteristic curve


- Dimensioned drawing
About this Documentation
Documentation validity
This documentation applies to the following pressure regulators:

- To supply a set point potentiometer
If you do not find your part number in the table in chapter 1, your device is custom-made. In this case, the technical data will be provided by AVENTICS. The address is
printed on the back cover of these instructions. This documentation is intended for installers, operators, and system owners. It contains important information on the safe and appropriate assembly, operation, and maintenance of the ED02 pressure regulator and how to remedy simple malfunctions yourself.
Required Documentation
The ED02 pressure regulator is a system component. Also, observe
- The instructions for the other system components,
- The system documentation from the system manufacturer.
Presentation of information
Safety instructions
In this documentation, there are safety instructions before the steps whenever there is a risk of personal injury or damage to equipment. The measures described to avoid these hazards must be followed.
Safety instructions are set out as follows:
SIGNAL WORD
Hazard type and source
Consequences
- Precautions
- (List)
Safety sign, signal word Meaning
- DANGER Indicates a hazardous situation that, if not avoided, will certainly result in death or serious injury.
- WARNING Indicates a hazardous situation that, if not avoided, could result in death or serious injury.
- CAUTION Indicates a hazardous situation that, if not avoided, could result in minor or moderate injury.
- NOTICE Indicates that damage may be inflicted on the product or the environment.
Symbols
If this information is disregarded, the product cannot be used or operated optimally.
Abbreviations
This documentation uses the following abbreviations:
Abbreviation Meaning
- ED02 E = Electropneumatic pressure regulator,
- D = Directly controlled
- 02 = Nominal width 2
- DC Direct current
- WS Wrench size
Notes on Safety
About this chapter
The ED02 pressure regulator has been manufactured according to the accepted rules of current technology. Even so, there is risk of injury and damage to equipment if the following chapter and safety instructions of this documentation are not followed.
- Read this documentation completely before working with the ED02 pressure regulator.
- Keep these instructions in a location where they are accessible to all users at all times.
- Always include the operating instructions when you pass the ED02 pressure regulator on to third parties.
Intended use
The ED02 pressure regulator is a pneumatic device with integrated electronics that is only designed to regulate pneumatic pressures. Air that is dry and free of condensation is the permissible medium. Operation with pure oxygen is not permitted.
- The ED02 pressure regulator is for industrial applications only.
An individual license must be obtained from the authorities or an inspection center if the ED02 pressure regulator is to be used in a residential area (residential, business, and commercial areas). In Germany, these individual licenses are issued by the Regulating Agency for Telecommunications (Regulierungsbehörde für Telekommunikation).
- The pressure regulator may only be used within the limits listed in the technical data.
- Only use the ED02 pressure regulator inside.
The ED02 pressure regulator is not a safety component.
- Contact AVENTICS if you would like to use the device in a safety control sequence. The address is printed on the back cover of these instructions.
Improper use
Any use other than that described under Intended use is improper and is not permitted. The installation or use of unsuitable products in safety-relevant applications can result in unanticipated operating states in the application that can lead to personal injury or damage to equipment. Therefore, only use a product in safety-relevant applications if such use is specifically stated and permitted in the product documentation. For example, in areas with explosion protection or in safety-related components of control systems (functional safety). AVENTICS GmbH is not liable for any damages resulting from improper use. The user alone bears the risks of improper use of the product.
Personnel qualifications
Assembly and commissioning require basic electrical and pneumatic knowledge, as well as knowledge of the appropriate technical terms. Assembly and commissioning may therefore only be carried out by qualified electrical or pneumatic personnel or an instructed person under the direction and supervision of qualified personnel. Qualified personnel are those who can recognize possible hazards and institute the appropriate safety measures, due to their professional training, knowledge, and experience, as well as their understanding of the relevant regulations pertaining to the work to be done. Qualified personnel must observe the rules relevant to the subject area.
General safety instructions
- Observe the regulations for accident prevention and environmental protection.
- Observe the safety instructions and regulations of the country in which the product is used or operated.
- Only use AVENTICS products that are in perfect working order.
- Follow all the instructions on the product.
- Persons who assemble, operate, disassemble, or maintain AVENTICS products must not consume any alcohol, drugs, or pharmaceuticals that may affect their ability to respond.
- To avoid injuries due to unsuitable spare parts, only use accessories and spare parts approved by the manufacturer.
- Comply with the technical data and ambient conditions listed in the product documentation.
- If unsuitable products are installed or used in safety-relevant applications, this may result in unintended system operating states that may lead to injuries and/or equipment damage. Therefore, only use a product in safety-relevant applications if such use is specifically stated and permitted in the product documentation.
- You may only commission the product if you have determined that the end product (such as a machine or system) in which the AVENTICS products are installed meets the country-specific provisions, safety regulations, and standards for the specific application.
- Do not modify or convert the product.
Safety instructions related to the product and technology
WARNING
Dangerous movements!
Danger of death, injuries or damage to property!
- Make sure the relevant system component is not under pressure or voltage before assembling or when connecting and disconnecting plugs. Protect the system against being switched on.
- Ensure personnel safety before switching on the device.
CAUTION
The danger of burns caused by hot proportional solenoids!
Touching the proportional solenoids during operating may lead to burns.
- Observe the warning sign on the right located on the device.
- Do not touch the device during operation.
- Let the device cool off before disassembling it.
Improperly laid cables!
The danger of injury!
- Lay the cables so that no one can trip over them.
General Instructions on Equipment and Product Damage
NOTICE
Malfunction caused by closed housing ventilation port!
There is no atmospheric equalization and the characteristics curve will change.
- Ensure that the air can circulate freely through the housing ventilation port ( 1–5).
- Never operate the device in an atmosphere containing oil.
Danger due to electrostatic discharge (ESD)!
Device defect or destruction!
- Do not touch the pins in the integrated XPC, M12 plug (1 –7).
Danger due to mechanical loads!
Damage to the device!
- Do not place any mechanical loads on the device under any circumstances.
Danger due to reverse polarity!
Device defect or destruction!
- Only use tested cables.
Loss of the protection category IP65 if the device is opened!
Fluids and foreign bodies may damage the device.
- Never open the device.
Delivery Contents
The delivery contents include:
- 1 ED02 pressure regulator
- 1 set of operating instructions
Applications for the ED02 Pressure Regulator
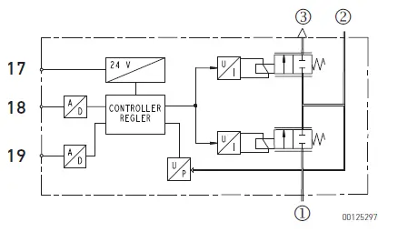
The ED02 pressure regulator converts an electrical set point into pressure. In doing so, a pressure sensor integrated in the ED02 pressure regulator records the outlet pressure. The integrated control electronics regulate the outlet pressure via two 2/2 directional valves. Due to this, the controlled outlet pressure remains constant if there are disturbance variables such as flow changes or supply pressure fluctuations. With the ED02 pressure regulator, you can
- Electrically change pressures,
- Remotely adjust pressures.
Additionally, you can use the ED02 pressure regulator as an actuator to control brake forces, clamping forces, flow rates, or turbine speeds.
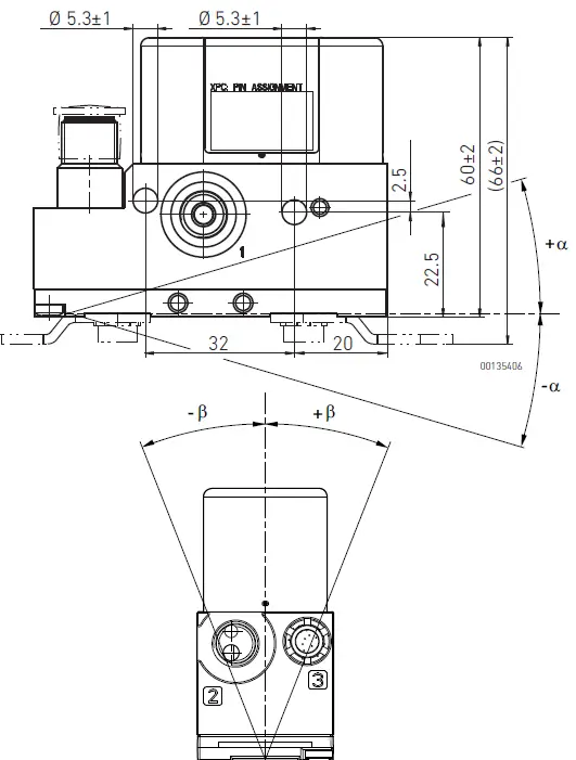
Device description 1
- Inlet connection 1/vacuum connection
- Outlet connection 2
- Exhaust 3 with silencer/vacuum connection
- Proportional solenoid
- Housing ventilation port
- Through-hole
- Integrated XPC plug, M12
- Alternative inlet connection
- Blanking screw (pre-assembled in the alternative inlet connection)
The position of the blanking screw (9) and type of exhaust (3) may deviate in custom-made devices. For more information, contact AVENTICS (see back cover for address).
Assembly
NOTICE
Hazardous movements due to incorrect fastening!
Other system parts may be damaged by uncontrolled device movements.
O Make sure that the device is securely fastened.
O Always fasten the ED02 pressure regulator
– with screws in the through holes or
– with mounting kits (see “Accessories” in chapter 15) to a rail or an mounting
plate.
Malfunction caused by closed housing ventilation port!
If the housing ventilation port is closed, there is no atmospheric equalization and the characteristics curve will change.
- Before installation, ensure that the housing ventilation port ( 1–5) is open and not, for example, painted shut.
- Ensure that the air can circulate freely through the housing ventilation port (1 –5).
You can assemble the ED02 pressure regulator in three different ways:
- To a mounting plate using screws in the through holes,
- Using the mounting kit for assembly on a mounting plate (R414002582),
- Using the rail mounting kit for TH35-7.5 rails (R414002583).
Up to four devices can be linked pneumatically with each mounting type.
Before assembly
- Make sure the relevant system part is not under voltage or pressure.
- Let the ED02 pressure regulator acclimate itself for several hours before installation, otherwise water may condense in the housing.
Installation conditions
NOTICE
Malfunction due to atmosphere containing oil!
Oil may clog the housing ventilation port. This will change the characteristic curve.
- Never operate the device in an atmosphere containing oil.
Mounting orientation 9
±α = 0 … 90°, ±β = 0 … 90°
In dry, grease-free, and dust-free environments, other mounting orientations are available on request
Stacking devices 2
NOTICE
Pressure feedback in the entire used inlet channel!
Mutual interaction of valve functions is possible.
- Only link a maximum of four devices.
- If necessary, connect an additional supply line at the alternative inlet connection (8).
- If necessary, decouple the devices.
Up to four devices can be linked pneumatically. To do this, you will need the appropriate stacking kit, depending on the number of devices (see “Accessories” in chapter 15).
The kit includes:
- 2 M5 cylinder screws, length depending on the kit
- 2 M5 nuts DIN 934
- O-rings, the number depending on the kit
- Remove the unused blanking screws (WS 2.5) (9).
- Insert the seal (O-ring) (10) between the linked supply connections as shown in 2.
- Slide the cylinder head screws (SW 4) included in the stacking kit into the through holes (6) and tighten the nuts (WS 8). Tightening torque: 6 Nm
If you want to fasten the devices using screws in the through holes: - Slide the cylinder head screws (SW 4) included in the stacking kit into the through holes (6) and mounting plate (11) and tighten the nuts (WS 8) (see ). Tightening torque: 6 Nm
Assembling on a mounting plate
Fastening with screws in the through holes 3
- Make sure the blanking screw is inserted correctly.
- Position the device on the assembly surface so the blanking plugs are on the side of the mounting panel.
- Slide the cylinder head screws (WS 4) into the through holes (6) and the mounting plate (11).
Tightening torque: 6 Nm
Fastening with a mounting kit for mounting plate
A mounting kit R414002582 is needed to assemble the device on a mounting plate.
The mounting kit for the mounting plate contains:
- 2 mounting panels (12)
- 2 toothed lock washers (13)
- 2 cylinder head screws (WS 4) (14), tightening torque: 6 Nm
- See the dimensional drawing for the hole spacing 9.
- Assemble the mounting kit for the mounting plate as shown in 4. The mounting panels (12) catch in the recesses and can thus be aligned in three directions at right angles to the device.
- Fasten a single device with two mounting panels or stacked devices with at least four mounting panels to the mounting plate.
Assembling on a rail
To assemble the device on a rail, you will need the TH35-7.5 rail mounting kit
R414002583. The mounting kit includes:
- 1 mounting plate (15)
- 1 cylinder head screw (WS 4) (16), tightening torque: 1 Nm
- Assemble the mounting kit as shown in 5. The mounting panel (15) catches in the recesses and can thus be aligned in three directions at right angles to the device.
- Fasten a single device with one mounting panel or stacked devices with at least two mounting panels to the rail.
Connecting the pneumatics
CAUTION
Danger caused by escaping compressed air!
Device is operating under pressure. If the alternative inlet connection (8) is opened, the blanking screw (9) may be forced out by the compressed air and cause injuries or damage.
- Always use your personal protective clothing or safety glasses as the least.
- Only connect an additional supply pressure connection in a pressure-free state.
- Never open the blanking screw while the device is in operation
The inside diameter of the supply line must be at least 4 mm (6 mm with four stacked devices) to attain the air flow rate stipulated in the specifications.
To avoid changing the dynamics of the ED02 pressure regulator, we recommend using push-in fittings. To connect push-in fittings, slide the tubing up to the stop in the push-in fitting and
gently tug to see if the tubing is tightly inserted.
Pressure regulators for positive pressure range
(e.g. 0 to 2 bar, 0 to 6 bar, 0 to 10 bar) 1
- Connect the supply line at inlet connection 1 (1) or at the alternative inlet connection (8).
- Close the unused inlet connection with a blanking screw (WS 2.5), if necessary.
- Tightening torque: 1.2 Nm
- Connect the outlet line at outlet connection 2 (2).
Pressure regulators for –1 to +1 bar 1
- Connect the supply line at inlet connection 1 (1) or at the alternative inlet connection (8).
- Close the unused inlet connection with a blanking screw (WS 2.5), if necessary.
- Connect the outlet line at outlet connection 2 (2).
- Remove the silencer from exhaust 3 (3) and connect the vacuum line at vacuum connection 3 (3).
Pressure regulators for 0 to –1 bar 1
NOTICE
Malfunction due to contaminated air at the exhaust!
Contaminated air sucked in via exhaust 3 (3) will damage the device.
- Observe the specifications for compressed air quality listed in the technical data.
- Connect an additional filter at exhaust 3, if necessary.
- Connect the vacuum line at vacuum connection 1 (1) or at the alternative inlet connection (8).
- Close the unused connection (1 or 8) with a blanking screw, if necessary (WS 2.5).
- Connect the outlet line at outlet connection 2 (2).
- Connect the filter at exhaust 3 (3).
Connecting the supply voltage and set point
To operate the ED02 pressure regulator, you must supply the device with compressed air, connect the 24 V DC supply voltage, and control the device with a set point. In all devices, the actual value (–) and set point (–) are always at 0 V (pin 3).
- Observe the following table containing the pin assignments of the integrated XPC plug, M12.

- Make sure before connecting the plugs that all seals and caps are included and
not damaged. - Only use tested plugs and cables.
- Use a shielded cable to connect the integrated XPC plug (7).
The shield must be connected to the plug housing and the system.- Protect the supply voltage with an external M 0.5 A fuse.
- Connect the cable at the integrated XPC plug.
The ED02 pressure regulator can now be supplied with voltage and controlled with a set point.
Commissioning
CAUTION
Danger of burns caused by hot proportional solenoids! Touching the proportional solenoids during operating may lead to burns.
- Observe the warning sign on the right located on the device.
- Do not touch the device during operation.
- Let the device cool off before disassembling it.
NOTICE
Defective seals or leaky connections!
Liquids and foreign objects could penetrate the device and plug connections and destroy the electronics.
- Before commissioning, make sure that all seals and plugs are leak tight.
- Never open the device.
Malfunction due to atmosphere containing oil!
Oil may clog the housing ventilation port. This will change the characteristic curve.
- Never operate the device in an atmosphere containing oil
Switching on the pneumatic and electrical supplies
NOTICE
Danger of destruction to connected devices if switched on in the wrong order!
If the valve is first connected to the electric supply and then the pneumatic supply, overshooting may cause the pressure in the working line to reach a level that is much higher than the set pressure. The pressure in the working line may even reach the level of the supply pressure before the adjusted pressure is reached.
- Make sure that the connected devices are resistant to the max. supply pressure.
- Always comply with the order for switching on the devices.
Connected devices may be destroyed due to process-related leaks!
If switched on in the proper order, the device is first connected to the pneumatic supply and then the electric supply. If the device has not yet been connected to the electric supply, contamination may cause the poppet valve to leak, causing the pressure in the working line to reach the level of the supply pressure.
- Make sure that the connected devices are resistant to the max. supply pressure.
Selecting the correct supply pressure
A permanent deviation will occur if the supply pressure is less than the outlet pressure stipulated by the electrical set point.
- Always select a supply pressure that is higher than the outlet pressure.
Switching on
CAUTION: Before applying compressed air to the system, check the stability of the compressed air connections and make sure that no personnel are within the hazardous zone when the compressed air supply is switched on.
Proceed as follows to commission the ED02 pressure regulator:
- First switch on the pneumatic supply.
- Then switch on the 24 V DC supply voltage.
Setting the set point
- Enter the desired set point in the controller or potentiometer.
Control
You can continually adjust the pressure once you have connected the electrical and pneumatic supply on the ED02 pressure regulator.
- To do this, the ED02 pressure regulator is e.g. controlled via a controller or potentiometer using a set point.
- The electronics compare the set point with the outlet pressure, which is measured by an internal pressure sensor.
- The electronics generate a control variable.
- The control variable is used to control the air supply or exhaust valve with U/I converters and proportional solenoids.
This sets the stipulated pressure. Fig.6 shows a function block diagram for an ED02 pressure regulator with analog output.
- Inlet connection 1 for supply pressure or vacuum
- Outlet connection 2
- Exhaust or vacuum connection 3
- Supply voltage
- Nominal input value
- Actual output value
Controlling the pressure
NOTICE
Malfunction caused by closed housing ventilation port!
If the housing ventilation port is closed, there is no atmospheric equalization and the characteristics curve will change.
- Ensure that the air can circulate freely through the housing ventilation port (5).
- Never operate the device in an atmosphere containing oil.
Depending on the model, the set point can be controlled by the current, voltage, or potentiometer. The device generates the supply voltage for the potentiometer in devices with an external potentiometer. The sliding contact of the potentiometer is connected with the set point input (see “Connecting the supply voltage and set point” in chapter 7).
- Depending on the model, control the outlet pressure either via the controller or a potentiometer.
The characteristic curve depicts the linear interrelation between current and outlet pressure or voltage and outlet pressure. The devices have a set point entry of 50 mbar. This means that set points with an outlet pressure of less than 50 mbar will be set to 0 bar and the outlet connection exhausted.
Disassembly and Exchange
Disassembling the ED02 pressure regulator
CAUTION
Danger of burns caused by hot proportional solenoids!
Touching the proportional solenoids during operating may lead to burns.
- Observe the warning sign on the right located on the device.
- Let the device cool off before disassembling it.
- Do not touch the device during operation.
NOTICE
Disconnecting plugs when under voltage will damage the device! Large differences in potential occur when disconnecting plugs under voltage, which could damage the device.
- Make sure the relevant system component is not under voltage before disassembling the device.
The following switch-off sequence must be observed in order to disassemble the ED02 pressure regulator.
- Stipulate a set point of 0 bar to exhaust the ED02 pressure regulator and the outlet line at the outlet pressure connection 2 (2).
- Switch off the 24 V DC supply voltage.
- Remove the connected plugs.
- Switch off the supply pressure and exhaust the supply line.
- Remove the pneumatic lines.
- Depending on the type of mounting, remove the mounting screws or loosen the rail mounting. If several devices are stacked:
- Take the screws out of the through holes and remove the desired device.
Exchange the ED02 pressure regulator
To exchange the ED02 pressure regulator, you must first disassemble it as described above and then assemble a new ED02 pressure regulator (see “7 Assembly”).
Disposal
Careless disposal of the ED02 pressure regulator could lead to pollution of the environment.
- Dispose of the ED02 pressure regulator in accordance with the currently applicable regulations in your country.
Care and Maintenance
WARNING
Dangerous movements!
Danger of death, injuries or damage to property!
- Always make sure that the relevant system part is not under voltage or pressure before you clean or service the device. Protect the system against being switched on.
CAUTION
Danger of burns caused by hot proportional solenoids!
Touching the proportional solenoids during operation may lead to burns.
- Observe the warning sign on the right located on the device.
- Let the device cool down before cleaning or servicing it.
- Do not touch the device during operation.
Servicing the ED02 pressure regulator
No special care is required for the ED02 pressure regulator. Note the following if you would like to clean the device:
NOTICE
Damage to components!
Solvents and aggressive detergents will destroy the surface, labeling and seals of the device!
- Check that all seals and plugs for the plug connections are firmly fitted so that no humidity can penetrate the ED02 pressure regulator during cleaning.
- Only clean the device using a slightly damp cloth. Only use water to do this and, if necessary, a mild detergent.
Maintaining the ED02 pressure regulator
In normal ambient conditions
In normal operation, the ED02 pressure regulator is maintenance-free.
- However, the system-specific maintenance intervals must be observed.
In aggressive ambient conditions
The seals in the ED02 pressure regulator may age faster under aggressive ambient conditions.
- Every now and then, check that the seals on the pressure regulator are in perfect order.
A damaged seal can be recognized by parts of the seal visibly protruding from the housing gaps. Defective seals will lead to pneumatic leaks and non-compliance with the IP65 protection class.
- Immediately exchange the device if the seals are defective.
Troubleshooting
| Malfunction | Possible cause | Remedy |
| No output pressure present | No power supply | Connect the power supply. |
| Check the polarity of the power supply | ||
| Switch on system component. | ||
| No set point stipulated | Stipulate a set point. | |
| No supply pressure available | Connect the supply pressure. | |
| Outlet pressure too low | Supply pressure too low | Increase the supply pressure. |
| Outlet pressure less than the set point | Consumers that use a lot of air (>100 std l/min) cause a large drop in pressure in the device. | Reduce air consumption |
| Use a device with a larger nominal width (e.g. ED05) | ||
| Outlet pressure does not correspond to the stipulated set point. | Housing ventilation port is closed. | Ensure that the housing ventilation port is open |
| ED02 pressure regulator does not exhaust | Exhaust port silencer is clogged. | Make sure the exhaust port is open |
| Air is audibly escaping. | Seal at the inlet connection or outlet connection is missing or damaged | Check the seal and exchange, if necessary |
| Leaks between the ED02 pressure regulator and connected pressure line | With direct assembly: Check the pressure line connections and tighten, if necessary. With stacking: Tighten screws with 6 Nm torque. | |
| ED02 pressure regulator is not leaktight | Exchange the ED02 pressure regulator | |
| Pneumatic connections confused | Connect the pneumatics for the pressure lines correctly (see “Connecting the pneumatics” in chapter 7) | |
| Blanking screw missing on additional compressed air connection. | Assemble a blanking screw | |
| ED02 pressure regulator emits short pressure pulses | Device with current input is operated with voltage set point | Stipulate the correct type of set point. |
| Outlet pressure jumps to the level of the supply pressure. | Set point too high (> 20 mA or > 10 V) | Stipulate the correct set point |
Technical Data


Appendix
Accessories

AVENTICS GmbH
Ulmer Straße 4
30880 Laatzen, GERMANY
Phone +49 (0) 5 11-21 36-0
Fax: +49 (0) 511-21 36-2 69
www.aventics.com
[email protected]
Further addresses:
www.aventics.com/contac
The data specified above only serve to describe the product. No statements concerning a certain condition or suitability for a certain application can be derived from our information. The given information does not release the user from the obligation of own judgment and verification. It must be remembered that our products are subject to a natural process of wear and aging. An example configuration is depicted onthe title page. The delivered product may thus vary from that in the illustration. Translation of the original operating instructions. The original operating instructions were created in the German language. R414002573–BAL–001–AF/2017-08 Subject to modifications. © All rights reserved by AVENTICS GmbH, even and especially in cases of proprietary rights applications. It may not be reproduced or given to third parties without its consent.





























