Sensus 046 Field High Pressure Service Regulator

Simple design, rugged construction and top performance make these regulators a dependable, economical answer for the wide variety of pounds to pounds applications. They are also available with an internal relief valve (IRV) and with a stem seal and control line tap for use as the upstream regulator in a monitor set. The 046 Regulators typically are used for farm taps, field regulator applications, propane tanks and high pressure industrial air or gas uses.
Maximum Inlet Pressure: 046, 046-M and 046-C Models

- Inlet Pressures …………………………………… to 1000 psi
- Outlet Pressures ………………………………… 3 to 200 psi
- Pipe Sizes …………………………………… ¾”, 1″, and 1¼”
Maximum Inlet Pressure: 046-2 and 046-2M Models

- Inlet Pressures …………………………………….. to 925 psi
- Outlet Pressures ………………………………… 3 to 125 psi
- Pipe Sizes …………………………………… ¾”, 1″, and 1¼”
Maximum Inlet Pressure: 046-PL and 046-CPL Models

- Inlet Pressures …………………………………….. to 250 psi
- Outlet Pressures ………………………………… 5 to 100 psi
- Pipe Sizes …………………………………… ¾”, 1″, and 1¼”
| Model | Body | Diaphragm Case | Internal Relief Valve | Maximum Inlet Pressure | Outlet Pressure Range |
| 046 |
Ductile Iron ASTM 395 GR 60-90-18 | Aluminum | No |
See Tables Above | |
| 046-M1 046-C | Aluminum Cast Iron | No No | 3 to 200 psi | ||
| 046-2 | Aluminum | Yes | 3 to 125 psi | ||
| 046-2M1 | Aluminum | Yes | |||
| 046-PL | Aluminum | No | 5 to 100 psi | ||
| 046-CPL | Cast Iron | No |

Installation and Start-Up
- Remove the shipping plugs from both the regulator inlet and outlet connections.
- Make certain that the inside of the piping and the regulator inlet and outlet connections are clean. They must be free of dirt, pipe dope and other debris.
- Use pipe joint material only on the male threads of the pipe being connected to the regulator. Do not use pipe joint material on the female threads of the regulator.
- Install the regulator in the line. Make certain that the gas flow through the regulator is in the direction indicated by the arrow on the regulator body. The regulator may be installed in any position: right side up, upside down, vertical piping, diagonal piping, etc. If required, the diaphragm case may be rotated 360° in any number of increments. To rotate the diaphragm case assembly to another position in relation to the body, loosen coupling nut 33. Make certain it is retightened to 35 to 50 ft.-lb. to hold the diaphragm case assembly in the new position and to reseal. The diaphragm case vent must be positioned to protect against flooding, drain water, ice formation, traffic, tampering, etc. The vent must be protected against nest building animals, bees, insects, etc. to prevent vent blockage and to minimize the chances of foreign material collecting in the vent side of the regulator diaphragm.
- CAUTION: Turn gas on very slowly. If an outlet stop valve is used, it should be opened first. Do not overload the diaphragm with a sudden surge of inlet pressure. Monitor the outlet pressure during start-up to prevent an outlet pressure overload.
- Turn gas on very slowly.
- Make certain that there are no leaks and that all connections are tight.

- Adjust set-point (outlet pressure) by turning adjustment screw 58. Turn clockwise to increase and counterclockwise to decrease. Be sure to tighten nut 57 after adjustment is completed. Do not adjust when regulator is closed (no flow). Only adjust when gas is flowing through regulator (approximately 250 SCFH). Except for lock-up (regulator closed), the outlet pressure during normal operation must not go higher than the maximum limit of the spring range. Whenever it goes higher, the spring could be overstressed. Also, the higher pressure springs could compress solid and thereby keep the regulator from closing. Therefore, whenever the set-point is within the upper third of the spring range, set-point adjustment should be made at low flow (approximately 250 SCFH). If set-point, adjustment must be made when flow is greater, use the next higher range spring.
- CAUTION: It is the user’s responsibility to assure that all regulator vents and/or vent lines exhaust to a non-hazardous location away from ANY POTENTIAL sources of ignition. Where vent lines are used, it is the user’s responsibility to assure that each regulator is individually vented and that common vent lines ARE NOT used.
- The vent assembly 54 or 54A is an escape path for flammable gas and it must be located and/or piped so that potential discharge occurs in a safe area away from buildings, open flames, collection areas, arcing devices, etc. Regulators that are installed indoors or in a non-vented area must be vented to the outside. Simply run vent piping from the regulator vent connection to a nonhazardous location on the outside away from ANY potential sources of ignition. The vent piping must be a minimum ¼” NPT connection size or larger and piped to a safe area. The vent discharge must be protected against the potentials outlined in instructions 4, 8, 9 and 10. For regulators equipped with internal relief valves (IRV), models 046-2 and 046-2M, vent piping must be vent connection size (1″ NPT) or larger. This will assure that the vent piping will be large enough to vent all of the IRV discharge to atmosphere without excessive back pressure that would result in excessive pressure increase in the regulator. The outlet of the vent piping must allow for the free and unobstructed passage of air and gas and must be protected against the potentials listed in instructions 4, 8, 9 and 10.

- For outdoor installations, it is recommended that the regulator be installed so that the regulator vent faces down to avoid the potential for water or other foreign matter entering the regulator and interfering with the proper operation of the regulator.
- For application on combustible gas with a specific gravity greater than 1.0 (such as propane), it is recommended that the gas be vented outdoors where the gas will not collect in low areas and away from all open flames, arcing devices, etc.
CAUTION: Regulators are pressure control devices with numerous moving parts subject to wear. Regulator wear is dependent upon particular operating conditions. To assure continuous satisfactory operation, a periodic inspection schedule must be adhered to with the frequency of inspection determined by the severity of service and applicable laws and regulations.
Service


- Make sure the regulator is entirely depressurized before disassembling.
- In general, it is not necessary to disconnect the body 24 or 24A from the piping. Leave in place in the line when servicing the regulator.
- Carefully note the location and position of each part during disassembly to make certain reassembly is correct. Replace all worn, damaged or otherwise unsatisfactory parts.
- To service the valve or orifice, first loosen coupling nut 33 and separate the diaphragm case assembly from the body. Remove and inspect the body to lower case seal 32. Replace if damaged. To remove the valve assembly 30, first remove hair pin 31. Orifice 29 unscrews from body using 1″ hex socket wrench “thin wall” type. Use a moderate amount of pipe dope on the sealing surface (male threads) when replacing the orifice.
- During reassembly, make sure tetraseal 32 is correctly positioned. Tighten coupling nut 33 with a torque of 35 to 50 ft.-lbs.
- To change spring 6, remove cover cap 1 or 1a, and turn adjusted screw 58 counterclockwise to remove spring load. Remove screws 15 or 15a, remove upper diaphragm case 48, 48a or 48b and spring ferrule 5. Make sure the new spring is correctly nested on diaphragm pan 14 or 14a and install spring ferrule 5. Also, make sure diaphragm 47 or 47a is not pinched.
- To replace the diaphragm, follow step 6 during disassembly and reassembly. Remove screw 9a to disassemble the diaphragm assembly and remove diaphragm 47 or 47a. On regulators with internal relief valves (all -2 models), remove IRV bolt 9 and IRV spring 49 slowly, as force is required to keep the spring from expanding rapidly. Remove clamping nut 46 and replace diaphragm 47. Assemble diaphragm 47 in reverse order. Inspect IRV “O” rings 50 and 40 and replace if necessary. Align roll pin 41 parallel and square to the diaphragm centerline. Make sure roll pin 41 or 41a is correctly positioned as shown below. On reassembly, tighten screws 15 or 15a evenly to a torque of 125 in.-lbs. The screws must be tight enough to prevent leakage, but not so tight as to crush or damage the diaphragm. The diaphragm coupling roll pin 41 or 41a must be assembled parallel and square to the diaphragm centerline to prevent binding of coupling 44 or 44a and lever 42. Also, diaphragm 47 or 47a must not be twisted or pinched.

- Upon completing servicing, make sure the regulator is free of leaks.
046 Parts List
The following are the parts for the 046 regulators. Those parts generally required in maintenance and servicing are in bold type.


The following are the parts for the 046 regulators. Those parts generally required in maintenance and servicing are in bold.


The following are the parts for the 046 regulators. Those parts generally required in maintenance and servicing are in bold.


Over-Pressurization Protection
Protection must be provided for the downstream piping system and the regulator’s low pressure chambers to assure against the potential over-pressurization due to a regulator malfunction or a failure of the regulator to lock up. The allowable overpressurization is the lowest of the maximum pressures permitted by federal codes, state codes, Sensus Bulletin RDS-1498 or other applicable standards. The method of providing overpressure protection could be a relief valve, a monitor regulator, a shutoff device or any similar device.
Internal Relief Valve (IRV) Capacity
Internal relief valves, like all relief valves, must be carefully checked for adequate capacity. IRVs only have full capacity relief capability when the inlet pressure to the regulator is low enough and the regulator orifice is small enough. If either or both are too large, the IRV will not have full capacity relief capability and will not be able to prevent the outlet pressure from exceeding the maximum allowable limit. Capacity for the full open 046 IRV can be calculated with the following formula.
- Q = K Po/2 for 0.6 specific gravity gas
where
- K = 600 (IRV constant)
- Po = absolute outlet pressure (psia)
Field regulators with internal relief valves can be obtained by specifying Models 046-2 or 046-2M. The 046-2M is a limited capacity IRV unit due to flow through the control line.
Spring Ranges
046, 046-M, 046-C and 046-CM Models

046-2 and 046-2M Models

- General Purpose Spring
Spring Ranges and Combinations
046-PL and 046-CPL

Full Open Capacity
Use the following formulas for calculating the full open capacity of 046 regulators. Do not use full open capacity when sizing one of these regulators for an application. Instead, use the capacity tables in Bulletin R-1312.
- Q = K√ Po(Pi – Po)
- Q =K Pi/ 2
- Q = maximum capacity of the regulator (in SCFH of 0.6 specific gravity natural gas)
- K = the “K” facto, rthe regulator constant (from the table)
- Pi = absolute inlet pressure (psia)
- Po = absolute outlet pressure (psia)
- Use formula 1, when Pi/Po is less than 1.894.
- Use formula 2, when Pi/Po is greater than 1.894.Po
| Orifice | ⅛” | 3⁄16″ | ¼” | 5⁄16″ | ⅜” | ½” |
| “K” Factor | 33 | 74 | 132 | 206 | 292 | 520 |
When sizing relief valves for use with 046 regulators, use full open capacity as calculated with the above formulas. Do not use values from the capacity tables in Bulletin R-1312.

Monitoring
The 046 regulator makes an excellent monitor, which is a standby regulator installed in series that assumes control if a failure in the operating regulator permits the outlet pressure to exceed the set-point. It can be in either the upstream or the downstream position. When an 046 is used to monitor a regulator with an identical inner valve (another 046), the total maximum capacity through both regulators can be figured at 70% of the capacity of one of them alone. This applies with the monitor located either up or downstream.
Maximum Emergency Pressure
The maximum pressure the regulator inlet may be subjected to under abnormal conditions without causing damage to the regulator is
- 046, 046-2, 046-M, 046-2M, 046-PL
- and 046-CPL ……………. Max. Inlet Pressure + 100 psi
The maximum pressure the regulator outlet may be subjected to without causing damage to the internal parts of the regulator is
- For set-points of 3 to 200 psi ……….. set-point+100 psi
Set-point is defined as the outlet pressure a regulator is adjusted to deliver.
If any of the above pressure limits are exceeded, the regulator must be taken out of service and inspected. Damaged or otherwise unsatisfactory parts must be replaced or repaired. The maximum pressure that can be safely contained by the diaphragm case is
- 046, 046-2, 046-C, 046-M, 046-2M …………….. 400 psi
- 046-PL and 046-CPL ………………………………… 250 psi
Safely contained means no leakage as well as no bursting.
Temperature Limits
The 046 regulators can be used for flowing temperatures from -20°F to 150°F.
Other gases
The 046 regulators are mainly used for natural gas service; however, these regulators will perform equally as well on other gases. When using the 046 regulators on other gases, the regulator capacities must be adjusted using the following correction factors.

For other non-corrosive gases use the following formula

- For use with gases not listed above, please contact your Sensus
- Representative or Industrial Distributor for recommendations.
Buried Service
- The 046 regulators are not recommended for buried service.
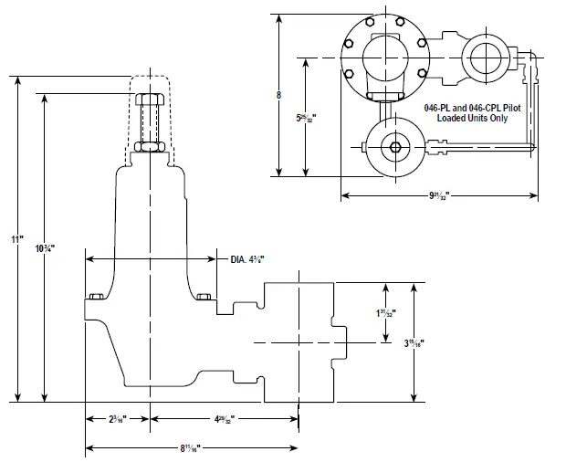
Dimensions

All products purchased and services performed are subject to Sensus’ terms of sale, available at either http://na.sensus.com/TC/TermsConditions.pdf or 1-800-METER-IT. Sensus reserves the right to modify these terms and conditions in its own discretion without notice to the customer. This document is for informational purposes only, and SENSUS MAKES NO EXPRESS WARRANTIES IN THIS DOCUMENT. FURTHERMORE, THERE ARE NO IMPLIED WARRANTIES,
INCLUDING WITHOUT LIMITATION, WARRANTIES AS TO FITNESS FOR A PARTICULAR PURPOSE AND MERCHANTABILITY. ANY USE OF THE PRODUCTS THAT IS NOT SPECIFICALLY PERMITTED HEREIN IS PROHIBITED. © 2012 Sensus.
For more information, visit us at sensus.com/gas
- 805 Liberty Boulevard
- DuBois, PA 15801
- 1-800-375-8875























