Mean Well NPB-1700 1700W High Reliable Ultra Wide Output Range Intelligent Battery Charger

Features
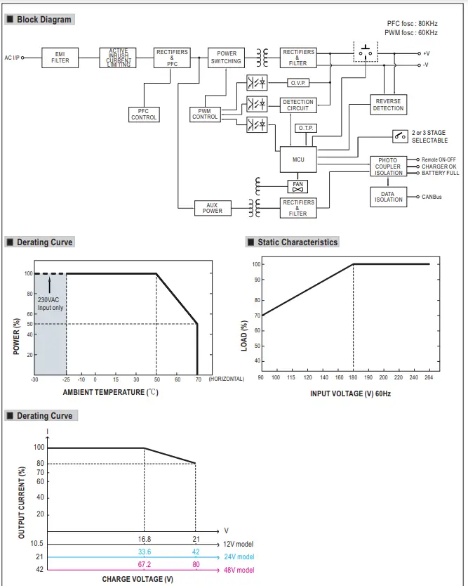
- Auto ranging with ultra-wide charging voltage (10.5-21V, 21-42V, 42-80V; Please refer to page 8 for setting)
- Built-in CANBus protocol for control, setting and monitoring
- Programmable 2/3 stage and charging curve via SBP-001
- Manual setting for 2/3 stage and 4 built-in charging curves via DIP S.W
- Multiple protections: Short circuit/ Over voltage/ Over temperature/ Battery under voltage /Battery reverse polarity (No damage)
- Charger OK and Battery Full signal
- Temperature compensation function to prolong battery life (Lead-acid only)
- -30C~+70C wide operating temperature
- Thermal controlled DC fan for noise reduction
- Remote ON/OFF control
- Smart programmer available (Order NO.: SBP-001, sold separately)
- Carry handle accessory available(Order NO.: DS-Carry handle, sold separately)
- Comply with 62368-1 + 60335-1/-2-29 dual certification
- Suitable for lead-acid (Pb) and li-ion batteries
- 3 years warranty
Description
NPB-1700 is a miniaturized, versatile, and ultra-wide voltage intelligent charger. It utilizes a fully digital control design with automatic battery voltage detection technology, with five key features including intelligent, versatile, user friendly, safe, and compact. The series have four models with output voltage ranges of 10.5-21V, 21-42V and 42-80V respectively. The charging voltage range of each model is wide enough to cover a variety of different battery voltages and battery chemistries, and there is a built-in intelligent voltage detection charging mode (Note this mode is set to OFF by factory default and is suitable for lithium batteries with BMS only). The NPB-1700 can pair with MEAN WELL’s SBP-001 programmer for digital configuration, such as select 2/3 stage charging, adjust charging voltage/current, and set charging cycle time to protect battery lifetime. Through the user-friendly DIP S.W. on front panel, user may also directly adjust the 2/3 stage charging, current (50~100%), and select between the 4 types of preset charging curves. In addition, a CANBus communication protocol is built in to meet professional applications, which allows remote controlling and monitoring for the status of the charger. In terms of safety, it has intelligent detection for proper battery voltage and connection as well as protection from reverse polarity. It passes ITE IEC/EN/UL62368-1 and household appliances EN60335-1/-2-29 dual safety and 3-year warranty to guarantee reliable operation. The NPB-1700 is truly an intelligent, safe, and reliable universal charger with outstanding cost performance.
Applications
- AGV
- E-Bike, E-Scooter, Camping car, Bus, Specialty vehicles
- Robotic lawn mower
- Washing robot
- Recreation craft, Personal yacht or workboat
- Surveillance system
- Telecommunication base station
- Radio system backup solution
- Equipments or instruments with back-up battery
SPECIFICATION
































