750W High Reliable Ultra Wide Output Range
Intelligent Battery Charger
NPB-750 series
Owner’s Manual
NPP-750 750W High Reliable Ultra Wide Output Range Intelligent Battery Charger
![]() | ![]() |
| AC input side | DC output side |
https://www.meanwell.com/Upload/PDF/NPB,NPP-E.pdf![]()
![]()
Features
- Patented auto ranging with ultra-wide charging voltage (10.5-21V, 21-42V, 42-80V; Please refer to page 8 for setting)
- Built-in CAN Bus protocol for control, setting and monitoring
- Programmable 2/3 stage and charging curve via SBP-001
- Manual setting for 2/3 stage and 4 built-in charging curves via DIP S.W
- Multiple protections:
Short circuit / Over voltage / Over temperature/ Battery under voltage /Battery reverse polarity (No damage) - Charger OK and Battery Full signal
- Temperature compensation function to prolong battery life (Lead-acid only)
- -30 °C ∼+70 °C wide operating temperature
- Thermal controlled DC fan for noise reduction
- Remote ON/OFF control
- Smart programmer available (Order NO: SBP-001 , sold separately)
- Carry handle accessory available(Order NO: DS-Carry handle, sold separately)
- Comply with 62368-1 + 60335-1/-2-29 dual certification
- Suitable for lead-acid (Pb) and li-ion batteries
- 3 years warranty
Applications
- AGV
- E-Bike, E-Scooter, Camping car, Bus, Specialty vehicles
- Robotic lawn mower
- Washing robot
- Recreation craft, Personal yacht or work boat
- Surveillance system
- Telecommunication base station
- Radio system backup solution
- Equipment or instruments with back-up battery
Description
NPB-750 is a miniaturized, versatile, and ultra-wide voltage intelligent charger. It utilizes a fully digital control design with patented automatic battery voltage detection technology, with five key features including intelligent, versatile, user friendly, safe, and compact. The series have four models with output voltage ranges of 10.5∼21V, 21∼42V and 42∼80V respectively. The charging voltage range of each model is wide enough to cover a variety of different battery voltages and battery chemistries, and there is a built-in intelligent voltage detection charging mode (Note this mode is set to OFF by factory default and is suitable for lithium batteries with BMS only). The NPB-750 can pair with MEAN WELL’s SBP-001 programmer for digital configuration, such as select 2/3 stage charging, adjust charging voltage/current, and set charging cycle time to protect battery lifetime. Through the user-friendly DIP S.W. on front panel, user may also directly adjust the 2/3 stage charging, current (50∼100%), and select between the 4 types of preset charging curves. In addition, a CANBus communication protocol is built in to meet professional applications, which allows remote controlling and monitoring for the status of the charger. In terms of safety, it has intelligent detection for proper battery voltage and connection as well as protection from reverse polarity. It passes ITE IEC/EN/UL62368-1 and household appliances EN60335-1/-2-29 dual safety and 3-year warranty to guarantee reliable operation. The NPB-450 is truly an intelligent, safe, and reliable universal charger with outstanding cost performance.
Model Encoding
SPECIFICATION
| MODEL | NPB-750-12 | NPB-750-24 | NPB-750-48 | |||||
| OUTPUT | BOOST CHARGE VOLTAGE(Vboost)(default) | 14.4V | 28.8V | 57.6V | ||||
| FLOAT CHARGE VOLTAGE(Vfloat)(default) | 13.8V | 27.6V | 55.2V | |||||
| CHARGE VOLTAGE RANGE Note.3 | 10.5 ~ 21V | 21 ~ 42V | 42 ~ 80V | |||||
| MAX. OUTPUT CURRENT(CC) Note.4 | 43A | 22.5A | 11.3A | |||||
| MAX. POWER | 722.4W | 756W | 759.4W | |||||
| RECOMMENDED BATTERY CAPACITY (AMP HOURS) Note.5 | 150 ~ 500AH | 80 ~ 260AH | 40 ~ 130AH | |||||
| LEAKAGE CURRENT FROM BATTERY (Typ.) | <1mA | |||||||
| INPUT | VOLTAGE RANGE | 90 ~ 264VAC 127 ~ 370VDC | ||||||
| FREQUENCY RANGE | 47 ~ 63Hz | |||||||
| POWER FACTOR (Typ.) | PF>0.98/115VAC, PF>0.95/230VAC at full load | |||||||
| EFFICIENCY (Typ.) | 92% | 93% | 93% | |||||
| AC CURRENT (Typ.) | 8.7A/115VAC 4A/230VAC | |||||||
| INRUSH CURRENT (Typ.) | COLD START 50A at 230VAC | |||||||
| LEAKAGE CURRENT | <1mA/240VAC | |||||||
| PROTECTION | SHORT CIRCUIT | Protection type : Constant current limiting, charger will shutdown after 5 sec, re-power on to recover | ||||||
| OVER VOLTAGE | 21.5 ~ 26V | 43 ~ 52V | 82 ~ 100V | |||||
| Protection type : Shut down and latch off o/p voltage, re-power on to recover | ||||||||
| REVERSE POLARITY | Protected internal reverse detection, No damage, re-power on to recover after condition is removed | |||||||
| OVER TEMPERATURE | Shut down O/P voltage, recovers automatically after temperature goes down | |||||||
| FUNCTION | CHARGING CURVE | 2 or 3 stage selectable through DIP S.W on panel, or SBP-001 with computer | ||||||
| CHARGING PARAMETERS ADJUSTABLE | Programmable: Constant current(CC),Tapper current(TC), Constant voltage(CV) and Float voltage(FV) can be set through SBP-001 with computer | |||||||
| Manual setting: 4 built-in charging curves adjustable via DIP S.W on panel, Please refer to function manual for more detail | ||||||||
| AUTO RANGING FOR CHARGING (Typ.) | Please refer to functin manual for more detail (page 8) | |||||||
| Charging current adjustable 50~100% by via potentiometer on panel (Only for auto ranging mode) | ||||||||
| CANBUS INTERFACE | CANBus 2.0B, Can control, Setting and monitoring(VO,IO,charging curve, internal temp. and DC output ON/OFF) | |||||||
| CHARGER OK | The TTL signal out, Charger OK = H(4.5 ~ 5.5V) ; Charger failure or protection status =L( -0.5 ~ +0.5V) | |||||||
| BATTERY FULL SIGNAL | The TTL signal out, Battery full = H(4.5 ~ 5.5V ); Charging = L(-0.5 ~ +0.5V) | |||||||
| REMOTE CONTROL | Short : Charger normal work Open : Charger stop charging | |||||||
| TEMPERATURE COMPENSATION | By external NTC | |||||||
| FAN SPEED CONTROL | Depends on internal temperature | |||||||
| ENVIRONMENT | WORKING TEMP. | -30 ~ +70℃ (Refer to “Derating Curve”) | ||||||
| WORKING HUMIDITY | 20 ~ 95% RH non-condensing | |||||||
| STORAGE TEMP., HUMIDITY | -40 ~ +85℃, 10 ~ 95% RH non-condensing | |||||||
| TEMP. COEFFICIENT | ±0.05%/℃ (0 ~ 50℃) | |||||||
| VIBRATION | 10 ~ 500Hz, 2G 10min./1cycle, 60min. each along X, Y, Z axes | |||||||
| SAFETY & EMC (Note 10) | SAFETY STANDARDS | CB IEC62368-1,IEC60335-1/2-29, Dekra BS EN/EN62368-1,BS EN/EN60335-1/2-29, UL62368-1, EAC TP TC 004 approved | ||||||
| WITHSTAND VOLTAGE | I/P-O/P:3KVAC I/P-FG:2KVAC O/P-FG:0.5KVAC | |||||||
| ISOLATION RESISTANCE | I/P-O/P, I/P-FG, O/P-FG:100M Ohms / 500VDC / 25℃/ 70% RH | |||||||
| EMC EMISSION | Parameter | Standard | Test Level / Note | |||||
| Conducted | BS EN/EN55032 (CISPR32),BS EN/EN55014-1 | Class B | ||||||
| Radiated | BS EN/EN55032 (CISPR32),BS EN/EN55014-1 | Class B | ||||||
| Harmonic Current | BS EN/EN61000-3-2 | Class A | ||||||
| Voltage Flicker | BS EN/EN61000-3-3 | —– | ||||||
| EMC IMMUNITY | BS EN/EN61000-6-2 | |||||||
| Parameter | Standard | Test Level / Note | ||||||
| ESD | BS EN/EN61000-4-2 | Level 3, 8KV air ; Level 2, 4KV contact | ||||||
| Radiated | BS EN/EN61000-4-3 | Level 2, 3V/m | ||||||
| EFT / Burst | BS EN/EN61000-4-4 | Level 2, 1KV | ||||||
| Surge | BS EN/EN61000-4-5 | Level 2, 1KV/Line-Line,Level 3, 2KV/Line-Earth | ||||||
| Conducted | BS EN/EN61000-4-6 | Level 2, 3Vrms | ||||||
| Magnetic Field | BS EN/EN61000-4-8 | Level 1, 1A/m | ||||||
| Voltage Dips and Interruptions | BS EN/EN61000-4-11 | >95% dip 0.5 periods, 30% dip 25 periods, >95% interruptions 250 periods | ||||||
| OTHERS | MTBF | 227.6K hrs min. Telcordia SR-332 (Bellcore) ; 67.7K hrs min. | MIL-HDBK-217F (25℃) | |||||
| DIMENSION | 230*158*67mm (L*W*H) | |||||||
| PACKING | 1.84Kg; 4pcs/ 9Kg / 1.63CUFT | |||||||
| NOTE | 1. Modification for charger specification may be required for different battery specification. Please contact battery vendor and MEAN WELL for details. 2. All parameters NOT specially mentioned are measured at 230VAC input, rated load and 25℃ of ambient temperature. 3. This is the range when programming Vboost or Vbooat by using SBP-001, the smart battery charging programmer. 4. Refer to derating curve. 5. This is MEAN WELL’s suggested range. Please consult your battery manufacturer for their suggestions about maximum charging current limitation. 6. Derating may be needed under low input voltages. Please check the derating curve for more details. 7. The efficiency is measured at 16.8V charge voltage(12V model), 33.6V charge voltage(24V model), 67.2V charge voltage(48V model). 8. This protection mechanism is specified for the case the short circuit occurs after the charger is turned on. 9. Each model incorporates a MCU-controlled dynamic over voltage protection, which is about 115% of Vboost over Constant Current stage and Constant Voltage stage whereas 115% of Vbooat over Float stage. 10. The charger is considered a component which will be installed into a final equipment. All the radiation tests require an additional 13*26*30 N1ZN magnetic clasp or magnetic ring to the output line for CLASS B and without N1ZN magnetic clasp or magnetic ring for CLASS A. The final equipment must be re-confirmed that it still meets EMC directives. For guidance on how to perform these EMC tests, please refer to “EMl testing of component power supplies. (as available on http://www.meanwell.com) 11. The ambient temperature derating of 3.5℃/1000m with fanless models and of 5℃/1000m with fan models for operating altitude higher than 2000m(6500ft). ※ Product Liability Disclaimer:For detailed information, please refer to https://www.meanwell.com/serviceDisclaimer.aspx | |||||||
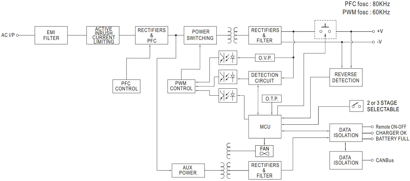
■ Block Diagram
| ■ Derating Curve | ■ Static Characteristics |
![]() | ![]() |
■ Derating Curve
◎ The rated current should change with the output voltage programming accordingly.
Function Manual
1.Manual setting
1.1 2 or 3-stage selectable via DIP S.W on panel
| S.W NO. | Function | Description |
| 1 | OFF: 3 stage(Default), ON: 2 stage | This series provides 2 or 3 stage charging curve |
| 2 | Charging curve adjustable | 4 built-in charging curves adjustable via DIP S.W |
| 3 |
1.2 Charging curve can be adjustable via DIP S.W on panel
◎ 2 stage charging curve
| State | NPB-750-12 | NPB-750-24 | NPB-750-48 |
| Constant Current | 43A | 22.5A | 11.3A |
| Vboost | 14.4V | 28.8V | 57.6V |
◎ Suitable for lead-acid batteries (flooded, Gel and AGM) and Li-ion batteries (lithium iron and lithium manganese).
◎ Default 3 stage charging curve
| State | NPB-750-12 | NPB-750-24 | NPB-750-48 |
| Constant Current | 43A | 22.5A | 11.3A |
| Vboost | 14.4V | 28.8V | 57.6V |
| Vfloat | 13.8V | 27.6V | 55.2V |
◎ Suitable for lead-acid batteries (flooded, Gel and AGM) and Li-ion batteries (lithium iron and lithium manganese).
※ The default curve is programmable, whereas other pre-defined curves can be activated by the means of the DIP S.W; please refer to the table below and the Mechanical Specification.
◎ Embedded 2 stage charging curve
| DIP SW position | 12V model | |||
| 2 | 3 | Description | CC(default) | Vboost |
| OFF | OFF | Default, programmable | 43A | 14.4 |
| ON | OFF | Pre-defined, gel batter | 14.0 | |
| OFF | ON | Pre-defined, flooded battery | 14.2 | |
| ON | ON | Pre-defined, AGM battery,LiFe04 | 14.6 | |
| DIP SW position | 24V model | |||
| 2 | 3 | Description | CC(default) | Vboost |
| OFF | OFF | Default, programmable | 22.5A | 28.8 |
| ON | OFF | Pre-defined, gel battery | 28.0 | |
| OFF | ON | Pre-defined, flooded battery | 28.4 | |
| ON | ON | Pre-defined, AGM battery, LiFe04 | 29.2 | |
| DIP SW position | 48V model | |||
| 2 | 3 | Description | CC(default) | Vboost |
| OFF | OFF | Default, programmable | 11.3A | 57.6 |
| ON | OFF | Pre-defined, gel battery | 56.0 | |
| OFF | ON | Pre-defined, flooded battery | 56.8 | |
| ON | ON | Pre-defined, AGM battery,LiFe04 | 58.4 | |
◎ Embedded 3 stage charging curve
| DIP SW position | 12V model | ||||
| 2 | 3 | Description | CC(default) | Vboost | Vfloat |
| OFF | OFF | Default, programmable | 43A | 14.4 | 13.8 |
| ON | OFF | Pre-defined, gel batter | 14.0 | 13.6 | |
| OFF | ON | Pre-defined, flooded battery | 14.2 | 13.4 | |
| ON | ON | Pre-defined, AGM battery,LiFe04 | 14.6 | 14.0 | |
| DIP SW position | 24V model | ||||
| 2 | 3 | Description | CC(default) | Vboost | Vfloat |
| OFF | OFF | Default, programmable | 22.5A | 28.8 | 27.6 |
| ON | OFF | Pre-defined, gel battery | 28.0 | 27.2 | |
| OFF | ON | Pre-defined, flooded battery | 28.4 | 26.8 | |
| ON | ON | Pre-defined, AGM battery,LiFe04 | 29.2 | 28.0 | |
| DIP SW position | 48V model | ||||
| 2 | 3 | Description | CC(default) | Vboost | Vfloat |
| OFF | OFF | Default, programmable | 11.3A | 57.6 | 55.2 |
| ON | OFF | Pre-defined, gel battery | 56.0 | 54.4 | |
| OFF | ON | Pre-defined, flooded battery | 56.8 | 53.6 | |
| ON | ON | Pre-defined, AGM battery,LiFe04 | 58.4 | 56.0 | |
2. Programmable charging curve
Charging Curve can be set via SBP-001 with computer
Step 1
Hardware configuration
| Step | Action | Note |
| 1 | DIP S.W position 2 and 3 need to swith to “OFF” position | ![]() |
| 2 | The pin7 and pin8(Jumper) of 14pins connector need to removed when using SBP-001 | ![]() |
| 3 | Communication cable of SBP#1 connected between NPB-750 of personal computer | ![]() |
Step 2
Connect to software for setting
NPB-750 pin assigment:
| Connector | Pin Assignment | |||||||||||||
NPB-750 14pins connector (Connector Part No.: HRS DF11-14DS)![]() | 1 | 2 | 3 | 4 | 5 | 6 | 7 | 8 | 9 | 10 | 11 | 12 | 13 | 14 |
| A1 | A0 | +3.3V | GND | Battery Full | Charger OK | Remote ON-OFF | +12 Vaux | GND-AUX | CANH | CANL | NTC (RTH+) | NTC (RTH-) | ||
SBP-001 pin assigment:
| Connector | Pin Assignment | |||||||||
| SBP-001 10 pins connector (Connector Part No.: HRS DF11-10DS) | 1 | 2 | 3 | 4 | 5 | 6 | 7 | 8 | 9 | 10 |
| UART_RX | UART_TX | PMBUS_D | PMBUS_C | CANH | CANL | 5V | GND | 3.3V | GND | |
※ Function Description:
SBP-001 is a programmer, particularly for MEAN WELL’s various programmable battery charger models to program the parameters of charging curves, such as the 2 or 3 stage selectable, Constant current (CC), tapper current(TC), Constant voltage (CV), float voltage (FV),Charging time out and so on, to accommodate the diversified battery specification in industry. With the design accounting for simplicity and convenience, users can easily configure MEAN WELL’s programmable battery chargers with SBP-001 programmer and the computer; all of the setups are able to be finished easily by the means of the specific software.
Note:
- Tapper current(TC) default is 10%, can be fine tuned from 2% to 30% by SBP-001 with computer or CANBus Interface.
- Please contact MEAN WELL for more details.
※ Software Interface:
3. Auto Ranging for Charging (Default non-Auto ranging)
※ Function Description:
a. NPB-750 has built-in auto ranging mode.
(Note this mode is set to OFF by factory default and is suitable for lithium batteries with BMS only)
b. When operating in auto ranging mode , NPB-750 will automatically detect the voltage of battery that is connected and adjust charging voltage accordingly. It will not start charging unit appropriate battery voltage is detected.
c. While under auto ranging mode, NPB-750’s built-in MCU will adjust charging voltage. There is no potentiometer for voltage adjustment on the front panel.
d. While under auto ranging mode, the charging current can be adjusted between 50~100%.
(The charging current can not be adjusted via potentiometer while not operating in auto ranging mode)
※ When using the auto ranging charging curve function, please pay attention to the following:
- Default factory setting is OFF via DC output side DIP S.W, Follow steps A1~A6 below to enable the setting.
- Auto ranging function should use together with Lithium batteries and BMS (Battery Management System).
- Do not exceed the output voltage and current ranges as specified in the NPB-750 specifications (please refer to page 2).
※ Auto Ranging function by DIP S.W Setting
| Step | Action | Note |
| A1 | Set DIP S.W all in the “OFF” position(Default). | ![]() |
| A2 | Applying AC main and swith on under remote OFF. | ![]() |
| A3 | Within 15 seconds , set DIP S.W, all in the “ON” position and all back in the “OFF” again. | ![]() |
| A4 | The green LED flashes 3 times means the process is successfully done. | |
| A5 | Restart the NPB-750 to load smart charging curve setting. (AC input on/off or swith on/off on AC input side) | ![]() |
| A6 | Pin 7 & 8 put on jumper. | ![]() |
※ Back to non-auto ranging as following:
| Step | Action | Note |
| B1 | All DIP switch for charging curve setting are switch to ON position before applying AC main. | ![]() |
| B2 | Applying AC main under remote OFF condition. | ![]() |
| B3 | Switch the DIP switch from all ON to all OFF, and then again, back to all ON in 15 seconds. | ![]() |
| B4 | If LED flashes in GREEN for 3 times, it means the setting is succeeded. | |
| B5 | Remote ON the unit, and it’s now back to factory setting. | ![]() |
4.Auto Derating function
※ Covered by over temperature protection, auto de-rating function works under operation either in charging curve (2 or 3 stage) or under control by communication protocol(CANBus).
T1(Typ.): Maximum ambient temperature of 100% output current.
T2(Typ.): T1+5.℃
5. CANBus communication interface
CANBus 2.0B version, Can control setting monitoring, and that including output charging voltage, output charging current,internal temperature and DC output ON/OFF……and so on, please refer to the user manual for more details.
CANBus commend list
| Command Code | Command Name | Transaction Type | #of data Bytes | Description |
| 0x0000 | OPERATION | R/W | 1 | ON/OFF control |
| 0x0020 | VOUT_SET | R/W | 2 | Output voltage setting (format: value, F=0.01) |
| 0x0030 | IOUT_SET | R/W | 2 | Output current setting (format: value, F=0.01) |
| 0x0040 | FAULT_STATUS | R | 2 | Abnormal status |
| 0x0050 | READ_VIN (NPB-450/750 Does not support) | R | 2 | Input voltage read value (format: value, F=0.1) |
| 0x0060 | READ_VOUT | R | 2 | Output voltage read value (format: value, F=0.01) |
| 0x0061 | READ_IOUT | R | 2 | Output current read value (format: value, F=0.01) |
| 0x0062 | READ_ TEMPERATURE_1 | R | 2 | Internal ambient temperature (format: value, F=0.1) |
| 0x0080 | MFR_ID_B0B5 | R | 6 | Manufacturer’s name |
| 0x0081 | MFR_ID_B6B11 | R | 6 | Manufacturer’s name |
| 0x0082 | MFR_MODEL_B0B5 | R | 6 | Manufacturer’s model name |
| 0x0083 | MFR_MODEL_B6B11 | R | 6 | Manufacturer’s model name |
| 0x0084 | MFR_REVISION_B0B5 | R | 6 | Firmware revision |
| 0x0085 | MFR_LOCATION_B0B2 | R/W | 3 | Manufacturer’s factory location |
| 0x0086 | MFR_DATE_B0B5 | R/W | 6 | Manufacturer date |
| 0x0087 | MFR_SERIAL_B0B5 | R/W | 6 | Product serial number |
| 0x0088 | MFR_SERIAL_B6B11 | R/W | 6 | Product serial number |
| 0x00B0 | CURVE_CC | R/W | 2 | Constant current setting of charge curve (format: value, F=0.01) |
| 0x00B1 | CURVE_CV | R/W | 2 | Constant voltage setting of charge curve (format: value, F=0.01) |
| 0x00B2 | CURVE_FV | R/W | 2 | Floating voltage setting of charge curve (format: value, F=0.01) |
| 0x00B3 | CURVE_TC | R/W | 2 | Taper current setting value of charging curve (format: value, F=0.01) |
| 0x00B4 | CURVE_CONFIG | R/W | 2 | Configuration setting of charge curve |
| 0x00B5 | CURVE_CC_TIMEOUT | R/W | 2 | CC charge timeout setting of charging curve |
| 0x00B6 | CURVE_CV_TIMEOUT | R/W | 2 | CV charge timeout setting of charging curve |
| 0x00B7 | CURVE_FV_TIMEOUT | R/W | 2 | FV charge timeout setting of charging curve |
| 0x00B8 | CHG_STATUS | R | 2 | Charging status reporting |
| 0x00C0 | SCALING_FACTOR | R | 2 | Scaling ratio |
| 0x00C1 | SYSTEM_STATUS | R | 2 | System status |
| 0x00C2 | SYSTEM_CONFIG | R/W | 2 | System configuration |
6.Charger OK Signal
Charger OK signal is a TTL level signal.
The maximum sourcing current is 10mA.
| Between Charger OK (pin 6) and GND-AUX (pin 9 & 10) | Charging Status |
| “High” : 4.5 ~ 5.5V | Work normally |
| “Low” : -0.5 ~ 0.5V | Failure or protection function activated |
7. Battery Full Signal
Battery full signal is a TTL level signal.
The maximum sourcing current is 10mA.
| Between Battery Full (pin 5) and GND-AUX (pin 9 & 10) | Status | LED indication |
| “High”: 4.5 ~ 5.5V | Battery Full | Green |
| “Low”: -0.5 ~ 0.5V | Charging | Orange |

8. Remote ON-OFF Control
The NPB-750 can be turned ON/OFF by using the “Remote Control” function.
| Between Remote ON-OFF (pin 7) and +12Vaux (pin 8) | Status |
| S.W Short (pin 7 = 10.8 ~ 13.2V) | ON (Default) |
| S.W Open (pin 7 = -0.5 ~ 0.5V) | OFF |
※ The charger is shipped, by factory default, with Remote ON-OFF(pin 7) and +12Vaux (pin 8) shorted by connector.
9. Temperature compensation(3 stage only)
Temperature compensation function to prolong battery life for lead-acid batteries. Temperature compensation range is 0 ~ 40℃.
The battery temperature sensor comes along with the charger can be connected to the unit to allow temperature compensation of the charging voltage.
If the sensor is not used, the charger works normally.
10. DC Output Side LED Indicators & Corresponding Signal at Function Pins
| LED | Description |
| Float (stage 3) or Battery full | |
| Charging (stage 1 or stage 2) | |
| Auto ranging for charging | |
| Abnormal status (OTP, OVP, Short circuit, Reverse polarity, Charging timeout.) | |
| The LED will flash with the red light when the internal temperature reaches 95℃; under this condition, the unit still operates normally without entering OTP. (In the meantime, an alarm signal will be sent out through the CANBus interface.) |
Mechanical Specification
※ Intelligent Battery Charger model
※ DIP S.W
![]() | 1 | 2 | 3 | Description |
| OFF: 3 stage ON: 2 stage | OFF | OFF | Default, programmable | |
| ON | OFF | Pre-defined, Gel battery | ||
| OFF | ON | Pre-defined, flooded battery | ||
| ON | ON | Pre-defined, AGM battery,LiFe04 |
※ LED Status Table
| LED Indicator | Status |
| Green | Float stage (stage 3) or full charged |
| Orange | Charging (stage 1 or stage 2) |
| Orange (Flashing) | Charging with auto ranging function |
| Red | Abnormal (OTP, OVP, short circuit, reverse polarity, time out) |
| Red (Flashing) | Unit over heated internally |
※ Control Pin No. Assignment: HRS DF11-14DS or equivalent

| Mating Housing | HRS DF11-14DS or equivalent |
| Terminal | HRS DF11-**SC or equivalent |
※ Connector Pin No. Assignment : HRS DF11-14DS or equivalent
| Pin No. | Assignment | Mating Housing | Terminal |
| 1 | A1 | HRS DF11-14DS or equivalent | HRS DF11-**SC or equivalent |
| 2 | A0 | ||
| 3 | +3.3V | ||
| 4 | GND(Signal) | ||
| 5 | Battery Full | ||
| 6 | Charger OK | ||
| 7 | Remote ON-OFF | ||
| 8 | +12Vaux | ||
| 9,10 | GND-AUX | ||
| 11 | CANH | ||
| 12 | CANL | ||
| 13 | NTC(RTH+) | ||
| 14 | NTC(RTH-) |
| Pin No. | Function | Description |
| 1 | A1 | CANBus interface address line(A1). Referenced to GND(Signal) Pin4. (Note.1) |
| 2 | A0 | CANBus interface address line(A0). Referenced to GND(Signal) Pin4. (Note.1) |
| 3 | +3.3V | +3.3V voltage output, reference to GND(pin 4). |
| 4 | GND(Signal) | CANBus interface address lines GND. |
| 5 | Battery Full | Battery Full Signal, referenced to GND-AUX(Pin 9 & 10). The Signal is a TTL level signal. The maximum sourcing current is 10mA and only for output.(Note.2) Low (-0.5 ~ 0.5V): When the battery is charging. High (4.5 ~ 5.5V) : When the battery is full. |
| 6 | Charger OK | Charger OK Signal, referenced to GND-AUX(Pin 9 & 10). The Signal is a TTL level signal. The maximum sourcing current is 10mA and only for output.(Note.2) Low (-0.5 ~ 0.5V): When the charger fails or the protect function is activating. High (4.5 ~ 5.5V) : When the charger is working properly. |
| 7 | Remote ON-OFF | Remote charger ON/OFF Function. The charger can turn the output ON/OFF by dry contact between Remote ON-OFF and +12V-AUX. (Note.2) Short (10.8 ~ 13.2V) : Charger ON ; Open (-0.5 ~ 0.5V) : Charger OFF ; The maximum input voltage is 13.2V. |
| 8 | +12Vaux | It is controlled by the Remote ON-OFF control. |
| 9,10 | GND-AUX | The signal return is isolated from the output terminal. (+V & -V) |
| 11 | CANH | For CANBus model: Data line used in CANBus interface. (Note.2). |
| 12 | CANL | For CANBus model: Data line used in CANBus interface. (Note.2). |
| 13 | NTC(RTH+) | Temperature sensor(NTC, 5KOhm) comes along with the charger can be connected to the unit to allow temperature compensation of the charging voltage for lead-acid batteries. Temperature compensation range is 0 ~ 40℃(3 stage only). |
| 14 | NTC(RTH-) |
Note 1: Non-isolated signal, referenced to [GND(signal)].
Note 2: Isolated signal, referenced to GND-AUX
Accessory List
※ NTC Sensor and Remote Control mating along with NPB-750 (Standard accessory)
| Item | Quantity | |
| 1 | ![]() | 1 |
| 2 | ![]() | 1 |
Connection Diagram
※ Carry handle (Optional accessory, battery charger and pull handle should be ordered seperately)
| MW’s Order No. | Item | Quantity | |
| DS-Carry Handle | 1 | Handle![]() | 1 |
| 2 | Foot pad![]() | 4 | |
| 3 | Screw![]() | 2 | |
- Handle

- Foot pad

INSTALLATION MANUAL
Please refer to: http://www.meanwell.com/manual.html






































