5P750RC Rackmount Compact 2U
Installation Guide
5P750RC 5P1000RC 5P1500RC
Certification Standards
Uninterruptible power systems (UPS) directives:
- IEC 62040-1: General and safety requirements for UPS
- IEC 62040-2: Electromagnetic compatibility (EMC) requirements
- IEC 62040-3: Method of specifying the performance and test requirements
- IEC 62040-4: Environmental aspects – Requirements and reporting
CE mark
CE compliance contact: Eaton I.F. – 110 rue Blaise Pascal – 38330 Montbonnot Saint Martin – France The EC Declaration of Conformity is available upon request for products with a CE mark.
For copies of the EC Declaration of Conformity, contact Eaton Power Quality or check Eaton website: www.powerquality.eaton.com
Class B emission level CISPR 22(EN 55022)
Harmonics emission: IEC 61000-3-2
Flickers emission: IEC 61000-3-3
FCC 47 CFR Part 15, Subpart B – Unintentional Radiators Class B
Special symbols
The following are examples of symbols used on the UPS or accessories to alert you to important information:
| RISK OF ELECTRIC SHOCK – Observe the warning associated with the risk of electric shock symbol. | |
| Important instructions that must always be followed. | |
| Do not discard the UPS or the UPS batteries in the trash. This product contains sealed lead acid batteries and must be disposed as it’s explain in this manual. For more information, contact your local recycling/reuse or hazardous waste center. | |
| This symbol indicates that you should not discard waste electrical or electronic equipment (WEEE) in the trash. For proper disposal, contact your local recycling/reuse or hazardous waste center. | |
| Information, advice, help. |
Safety of Persons
- The system has its own power source (the battery). Consequently, the power outlets may be energized even if the systems is disconnected from the AC power source.
- Dangerous voltage levels are present within the system. It should be opened exclusively by qualified service personnel.
- The system must be plugged to an earthed outlet.
- The battery supplied with the system contains small amounts of toxic materials.
To avoid accidents, the directives listed below must be observed:
– servicing of batteries should be performed or supervised by personnel knowledgeable about batteries and the required precautions.
– when replacing batteries, replace with the same type and number of batteries or battery packs.
– do not dispose of batteries in a fire. The batteries may explode.
– batteries constitute a danger (electrical shock, burns). The short-circuit current may be very high.
Precautions must be taken for all handling:
- Wear rubber gloves and boots.
- Do not lay tools or metal parts on top of batteries.
- Disconnect charging source prior to connecting or disconnecting battery terminals.
Product Safety
- The UPS connection instructions and operation described in the manual must be followed in the indicated order.
- A protection circuit breaker must be installed upstream and be easily accessible. The system can be disconnected from the AC power source by unplugging the input cable.
- Check that the indications on the rating plate correspond to your AC powered system and to the actual electrical consumption of all the equipment to be connected to the system.
- For PLUGGABLE EQUIPMENT, the socket-outlet shall be installed near the equipment and shall be easily accessible
- Never install the system near liquids or in an excessively damp environment.
- Never let a foreign body penetrate inside the system.
- Never block the ventilation grates of the system.
- Never expose the system to direct sunlight or source of heat.
- If the system must be stored prior to installation, storage must be in a dry place.
- The admissible storage temperature range is -15 to +50 °C / 5 to 122 °F.
- The system is not for use in a computer room.
Special Precautions
- All handling operations will require at least two people (unpacking, installation in rack system).
- Before and after the installation, if the UPS remains de-energized for a long period, the UPS must be energized for a period of 24 hours, at least once every 6 months (for a normal storage temperature less than 25 °C / 77 °F). This charges the battery, thus avoiding possible irreversible damage.
- During the replacement of the Battery Module, it is imperative to use the same type and number of element as the original Battery Module provided with the UPS to maintain an identical level of performance and safety. In case of doubt, don’t hesitate to contact your EATON representative.
Introduction
Thank you for selecting an EATON product to protect your electrical equipment.
The 5P range has been designed with the utmost care.
We recommend that you take the time to read this manual to take full advantage of the many features of your UPS (Uninterruptible Power System).
Before installing your 5P, please read the booklet presenting the safety instructions. Then follow the indications in this manual.
To discover the entire range of EATON products and the options available for the 5P range, we invite you to visit our web site at www.eaton.com/powerquality or contact your EATON representative.
1.1 Environmental protection
EATON has implemented an environmental-protection policy. Products are developed according to an eco-design approach.
Substances
This product does not contain CFCs, HCFCs or asbestos.
Packing
To improve waste treatment and facilitate recycling, separate the various packing components.
- The cardboard we use comprises over 50% of recycled cardboard.
- Sacks and bags are made of polyethylene.
- Packing materials are recyclable and bear the appropriate identification symbol 01
| Materials | Abbreviations | Number in the symbols | |
| Polyethylene terephthalate | PET | 1 | |
| High-density polyethylene | HDPE | 2 | |
| Polyvinyl chloride | PVC | 3 | |
| Low-density polyethylene | LDPE | 4 | |
| Polypropylene | PP | 5 | |
| Polystyrene | PS | 6 | |
Follow all local regulations for the disposal of packing materials.
End of life
EATON will process products at the end of their service life in compliance with local regulations. EATON works with companies in charge of collecting and eliminating our products at the end of their service life.
Product
The product is made up of recyclable materials.
Dismantling and destruction must take place in compliance with all local regulations concerning waste. At the end of its service life, the product must be transported to a processing center for electrical and electronic waste.
Battery
The product contains lead-acid batteries that must be processed according to applicable local regulations concerning batteries.
The battery may be removed to comply with regulations and in view of correct disposa
Presentation
2.1 Standard installations 
| Description | Weights (kg/lb) | Dimensions (mm/inch) D x W x H |
| 5P750RC | 14.1/31.1 | 370*440*86.2 / 14.6*17.3*3.4 |
| 5P1000RC | 15.0/33.1 | 370*440*86.2 / 14.6*17.3*3.4 |
| 5P1500RC | 18.4/45.5 | 370*440*86.2 / 14.6*17.3*3.4 |
2.2 Rear panel

- Attached 1.8 m input power cord for AC power source
- Slot for optional communication card
- Primary group : Outlets for connection of critical equipment
- Group 1: programmable outlets for connection of equipment
- Group 2: programmable outlets for connection of equipment
- RS232 communication port
- USB communication port
- Connector for ROO (remote ON/OFF) or RPO (Remote Power Off) control
2.3 Control panel
The UPS has a five-button graphical LCD. It provides useful information about the UPS itself, load status, events, measurements and settings.

The following table shows the indicator status and description:
| Indicator | Status | Description |
| On | The UPS is operating normally | |
| On | The UPS is on Battery mode. | |
| On | The UPS has an active alarm or fault. See trouble- shooting in section 5.1 for additional information. |
2.4 LCD description

As default, or after 5 minutes of inactivity, the LCD displays the screen saver.
The backlight LCD automatically dims after 10 minutes of inactivity. Press any button to restore the screen.
The following table describes the status information provided by the UPS
Note: If other indicator appears, see troubleshooting on section 5.1 for additional information.
| Operation status | Cause | Description |
| The UPS is Off, waiting for start- up command from user. | Equipment is not powered until &tton is pressed. | |
| The UPS is operating normally. | The UPS is powering and protecting the equipment. | |
1 beep every 10 seconds | The UPS is operating normally but the utility voltage is outside normal mode thresholds. | The UPS is powering the equipment through a Automatic Voltage Regulation device. The equipment is still normally protected. |
Battery LED is on 1 beep every 10 seconds | A utility failure has occurred and the UPS is in Battery mode. | The UPS is powering the equipment with the battery power. Prepare your equipment for shutdown. |
1 beep every 3 seconds | The UPS is in battery mode and the battery is running low. | This warning is approximate, and the actual time to shutdown may vary significantly. Depending on the UPS Load, the “Battery Low” warning may occur before the battery reaches 20 % capacity. |
2.5 Display functions
Press the Enter (
) button to activate the menu options. Use the two middle buttons (
and
) to scroll through themenu structure. Press the Enter (
) button to select an option. Press the button to cancel or return to theprevious menu.
| Main menu | Submenu | Display information or Menu function |
| Measurements | Load W VA / Load A pf / Output V Hz / Input V Hz / Battery V min / Efficiency / Power usage | |
| Control | Load Segments | Group 1: ON / OFF Group 2: ON / OFF These ccmmancts ovenute user settings for load segments. |
| Start battery test | Starts a manual battery test | |
| Reset fault state | Clears active faults | |
| Restore factory settings | Returns all settings to original values (UPS restart required) | |
| Reset power usage | Clears power usage measurements | |
| Settings | Local settings | Sets product general parameters |
| In/Out settings | Sets Input and Output parameters | |
| On/Off settings | Sets On/Off conditions | |
| Battery settings | Sets battery configuration | |
| Fault log | Fault list | Displays the faults stored |
| Reset fault list | Clears faults | |
| Identification | UPS Type / Part Number / Serial Number / Firmware release / Com card address |
2.6 User settings
The following table displays the options that can be changed by the user.
| Submenu | Available settings | Default settings | |
| Local settings | Language | [English] [Francais] [Deutsch] [Espanol] [Pycogici] [Portugue’s] [ItaLlano] [Simplified Chinese] [Japanese] Menus, status, notices and alarms, UPS fault, Event Log data and settings are in all supported languages. | [English] User selectable when UPS is powered for the first time. |
| LCD settings | Modify LCD screen brightness and contrast to adapt to room light conditions . | ||
| Audible alarm | [Enabled] [Disabled on battery] [Always disabled] Enable or disable the buzzer if an alarm occurs. | Enable | |
| In/Out settings | Output voltage | [100V] [120V] [125V] | User selectable when UPS is powered for the first time |
| Input thresholds | [Normal mode] [Extended mode] Extended mode reduces lower input voltage to 150 V before UPS transfers to battery. | Normal mode | |
| Sensitivity | [High] [Low] High: for sensitive equipment, UPS will easily transfer to battery when utility conditions are becoming bad. | High | |
| Load segments – Auto start delay | [No Delay] [1 s] [2 s]… [65354 s] The connected load is powered after the specified delay. | Group 1: 3 s Group 2: 6 s | |
| Load segments – Auto shutdown delay | [Disable] [Os] [1 s] [2 s]…[65354 s] During a power outage, authorises to keep some equipment running while turning off other equipment. | Group 1: Disable Group 2: Disable | |
| Overload prealarm | [10 %] [15 %] [20 %] … [100 %] [105 %] Gives a warning when a predefined critical percentage of load is | [105 %] |
| Submenu | Available settings | Default settings | |
| On/Off settings | Cold start | [Disable] [Enable] Enables the product to be started on battery power. First cold start always disabled. | Enable |
| Forced reboot | [Disable] [Enable] If mains recover during a shutdown sequence: – if enabled, shutdown sequence will complete and wait 10 seconds prior to restart – if disabled, shutdown sequence will not complete and restart will occur immediately. | En<11)ty | |
| Auto restart | [Disable] [Enable] Enables the product to restart automatically when mains recovers after a complete battery discharge. | Enable | |
| Energy saving | [Disable] [Enable] If enabled, UPS will shut down after 5min of back-up time, if no load is detected on the output. | Disable | |
| Sleep mode | [Disable] [Enable] If disabled, LCD and communication will turn OFF immediately after UPS is OFF. If enabled, LCD and communication stays ON 1h30 min after UPS is OFF. | Disable | |
| Remote command | [Disable] [Enable] If enabled, shutdown or restart commands from software are authorised. | Enable | |
| RPO delay | [0 s] [1s ] [2 s]…[180 s] Delays remote Dower off command | [0 s] | |
| Battery settings | Automatic battery test | [No test] [Every day] [Every week] [Every month] Available only if battery charge mode is set to constant charge. | Every week(in constant charge. otherwise following ABM battery test method) |
| Low battery warning | [1 %] [2 %] … [100 %] The alarm triggers when the set percentage of battery capacity is reached during a back-up time. | 20 | |
| Restart battery level | [1 %] [2 %] … [100 %] If set, automatic restart will occur only when percentage of battery charge is reached. | 0% | |
| Battery charge mode | [ABM cycling] [Constant charge] | ABM cycling | |
| External battery | [Auto detection] [Manual EBM set.] [Manual battery set.] | [Auto detection] Using standard EBM, UPS detects automatically the number of EBM connected | |
| Deep discharge protection | [Yes] [No] If set to Yes, the UPS automatically prevents battery from deep discharge by adapting end of back-up time voltage threshold. | Yes |
Installation
3.1 Unpacking and contents check 
| (9) 5P UPS | (12) RS232 communication cable |
| (10) Rail and wall mounting kits | (13) USB communication cable |
| (11) Quick start, safety instructions and environmental document | |
Packing materials must be disposed of in compliance with all local regulations concerning waste.
Recycling symbols are printed on the packing materials to facilitate sorting.
3.2 Battery module connection
Caution: Before starting the UPS, please connect the internal battery.

3.3 Rack installation
Follow steps 14 to 16 for model mounting on the rails.
Use provided screws on step 15 of installation. Using a longer screw could present a safety risk.

The rails and necessary hardware are supplied by EATON.
3.4 Wall mounting of rack model
Use provided screws on step 17 of installation. Using a longer screw could present a safety risk.
3.5 Communication ports
Connection of RS232 or USB communication port
The RS232 and USB communication ports can operate simultaneously.

- Connect the RS232 (12) or USB (13) communication cable to the serial or USB port on the computer equipment.
- Connect the other end of the communication cable (13) or (12) to the USB (7) or RJ45 (6) communication port on the UPS.
The UPS can now communicate with
EATON power management software.
Installation of the communication cards (optional)

It is not necessary to shut down the UPS before installing a communication card
- Remove the slot cover (2) secured by screws;
- Insert the communication card in the slot
- Secure the card cover with the 2 screws.
Characteristics of the contact RS232 communication port

When a signal is activated, the contact is closed between the common (pin 2) and the pin for the corresponding signal.
Contact characteristics (optocoupler)
- Voltage: 48 V DC max
- Current: 25 mA max
- Power: 1.
Operation
4.1 Start-up and Normal operation
To start the UPS:
- Verify that the UPS power cord is plugged in.
- The UPS front panel display illuminates and shows EATON logo.
- Verify that the UPS status screen shows
. - Press the
button on the UPS front panel for at least 2 seconds.
The UPS front panel display changes status to “UPS starting…”. - Check the UPS front panel display for active alarms or notices. Resolve any active alarms before continuing. See “Troubleshooting” in section 5.1.
If the indicator is on, do not proceed until all alarms are clear. Check the UPS status from the front panel to view the active alarms. Correct the alarms and restart if necessary. - Verify that the indicator illuminates solid, indicating that the UPS is operating normally and any loads are powered and protected.
The UPS should be in Normal mode.
4.2 Starting the UPS on Battery
Before using this feature, the UPS must have been powered by utility power with output enabled at least once.
Battery start can be disabled. See the “Cold start” setting in “ON/OFF Settings” in section 2.6.
To start the UPS on battery:
- Press the button
on the UPS front panel until the UPS front panel display illuminates and shows a status of “UPS starting…”.
The UPS cycles through Standby mode to Battery mode. The indicator illuminates solid.
The UPS supplies power to your equipment. - Check the UPS front panel display for active alarms or notices besides the “Battery mode” notice and notices that indicate missing utility power. Resolve any active alarms before continuing.
See “Troubleshooting” in section 5.1.
Check the UPS status from the front panel to view the active alarms. Correct the alarms and restart if necessary.
4.3 UPS Shutdown
To shut down the UPS:
- Press the
button on the front panel for three seconds.
The UPS starts to beep and shows a status of “UPS shutting OFF…”. The UPS then transfers to Standby mode, and the
indicator turns off.
4.4 Operation on Battery Power
Transfer to battery power
- The connected devices continue to be supplied by the UPS when AC input power is no longer available. The necessary energy is provided by the battery.
- The
and indicator illuminates solid. - The
audio alarm beeps every ten seconds.
The connected devices are supplied by the battery.
Low-battery warning
- The
and
indicator illuminates solid. - The audio alarm beeps every three seconds.
The remaining battery power is low. Shut down all applications on the connected equipment because automatic UPS shutdown is imminent.
End of battery backup time
- LCD displays “End of backup time”.
- All the LEDs go OFF.
- The audio alarms stops.
4.5 Return of AC Input Power
Following an outage, the UPS restarts automatically when AC input power returns (unless the restart function has been disabled) and the load is supplied again.
4.6 UPS remote control functions
The 5P offers a choice between two remote control functions.
- RPO: Remote Power Off allows a remote contact to be used to disconnect all the equipment connected to the UPS. Restarting the UPS requires manual intervention.
- ROO: Remote ON/OFF allows remote action of button to shut down the UPS.
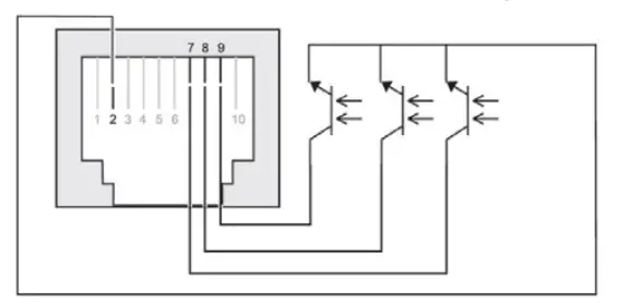
These functions are obtained by opening a contact connected between the appropriate pins of connector (8) on the rear panel of the UPS (see figures below).

Remote control connection and test
- Check that the UPS is OFF and disconnected from the AC input source.
- Remove connector (8) after unscrewing the screws.
- Connect a normally closed volt-free contact (60 V DC / 30 V AC max., 20 mA max., 0.75 mm2 cable cross-section) between the two pins of connector (8) (see diagram).
Contact open: UPS shutdown
Contact closed: UPS start-up (UPS connected to AC power and AC power is available)
Note. The local ON/OFF control using button overrides the remote-control function.
Contact open: UPS shutdown, LED goes ON.
To return to normal operation, deactivate the remote external contact and restart the UPS by pressing button.
Warning. This connector must only be connected to SELV (Safety Extra-Low Voltage) circuits.
Maintenance
5.1 Troubleshooting
| Operation status | Possible cause | Action |
| The UPS does not recognize the internal batteries | If the condition persists, contact your service representative | |
| The batteries are disconnected | Verify that all batteries are properly connected. If the condition persists, contact your service representative. | |
| Power requirements exceeds the UPS capacity (greater than 105 % of nominal) | Remove some of the equipment from the UPS. The UPS continues to operate, but may shutdown if the load increases. The alarm resets when the condition becomes inactive. | |
| The end of the battery life is reached. | Contact your service representative for battery replacement. | |
| An UPS event occurs | ||
| Example: Remote Power OFF, the RPO contact has been activated to shutdown the UPS and now prevents restart. | Set the contact back to its normal position and press button to restart. | |
| The UPS has an internal fault. | The UPS does not protect the equipment anymore. Note. the alarm message and the UPS Serial Number, then contact your service representative. |
5.2 Battery-module replacement
Safety recommendations
The battery can cause electrocution and high short-circuit currents. The following safety precautions are required before servicing the battery components:
- remove watches, rings, bracelets and all other metal objects from the hands and arms,
- use tools with an insulated handle.

Mounting the new battery module
Carry out the above instructions in reverse order.
- To ensure safety and high performance, use only batteries supplied by EATON.
- Take care to firmly press together the two parts of the connector during remounting.
Appendices
6.1 Technical specifications 
| Rack | SP7SORC | 5P1000RC | 5P150ORC |
| Output Power @ 120 V | 750 VA 600 W | 1000 VA 770 W | 1440 VA 1100 W |
| Output Power @ 100 V | 625 VA 500 W | 833VA 641W | 1080 VA 825 W |
| Output Power @ 125 V | 750 VA 600 W | 1000 VA 770 W | 1440 VA 1100 W |
| AC Input power | |||
| Rated input voltage | Single phase 100-125 V | ||
| Input voltage range | 89 to 151 V to | ||
| Input frequency range | 47 to 70 Hz (50 Hz system), 56.5 to 70 Hz (60 Hz system) a) | ||
| Output on battery power | |||
| Voltage | 120 V (-10/+6 % ) (3) | ||
| Frequency | 50160 Hz ±0.1 Hz | ||
| Battery (sealed lead acid, maintenance free) | 2 x 12 V 7.2 Ah | 2 x 12 V 9 Ah | 3 x 12 V 9 Ah |
| Environment | |||
| Operating temperature range | 0 to 40 °C | ||
| Storage temperature range | -15 to +50 °C | ||
| Relative humidity | 20 to 90 % (without condensation) | ||
| Noise level | <45dB | ||
- The high and low thresholds can be adjusted using UPS settings.
- Up to 40 Hz in low -sensitivity mode (programmable using UPS settings).
- Adjustable to 100/110/125 V, must be set to the identical AC power source value.
This product is designed for IT power distribution system.
6.2 Glossary
| Backup time | Time during which the load can be supplied by the UPS operating on battery power. |
| Battery test | Internal UPS test to check battery status. |
| Cold start | The devices connected to the UPS can be started even if AC input power is not available. The UPS operates on battery power alone. |
| Deep discharge | Battery discharge beyond the permissible limit, resulting in irreversible damage to the battery. |
| Load | Devices or equipment connected to the UPS output. |
| Low-battery warning | This is a battery-voltage level indicating that battery power is low and that the user must take action in light of the imminent break in the supply of power to the load. |
| Normal AC input | The AC-power line supplying the UPS under normal conditions. |
| Percent load | Ratio of the power effectively drawn by the load to the maximum output of the UPS. |
| Personalisation | It is possible to modify certain UPS parameters set in the factory. Certain UPS functions can also be modified by the software to better suit user needs. |
| Programmable Outlets | Controllable outlets for automatic load shedding, remote shutdown and sequential restart (personalised using software). |
| UPS | Uninterruptible Power System. |
| UPS ON/OFF controlled by software | This function enables or disables initiation of UPS ON/OFF control sequences by computer power-management software |
Contact open: UPS shutdown


















