DoorBird D1100E IP Video Door Station Instruction Manual

ASSEMBLY INSTRUCTIONS AND DRAWINGS
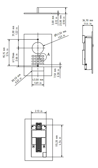
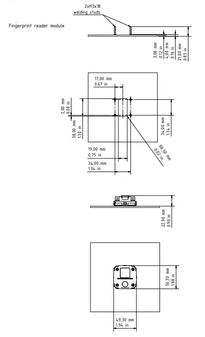
- The front panel must be exactly 3 mm (0.12 in) thick.
- The main electrical unit of the IP video door station must be pressed flat against the front panel. A gasket is attached on the main electrical unit.
- Make sure to leave enough space underneath the main electrical unit for the Phoenix and

CAT cabling (at least 50 mm / 1.97 in).
- An area of approximately 5 mm (0.2 in) should be left around each module.
- The connection cable between call button and technical unit has a length of 40 mm (1.6 in)


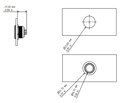
D11x Call Button / D11x Ruftaste


Round Stainless steel button / Runde Edelstahlruftaste




It is possible that these manual still contains typographical errorsor printing errors.The information in this manual will be checked regularly and corrections will be made in the next version. We accept no liability for errors of a technical or printing nature and their consequences.
Es ist möglich, dass die vorliegende Anleitung noch drucktechnische
Mängel oder Druckfehler aufweist. Die Angaben in dieser Anleitung werden jedoch regelmäßig überprüft und Korrekturen in der nächsten Ausgabe vorgenommen. Für Fehler technischer oder drucktechnischer Art und ihre Folgen übernehmen wir keine Haftung.





















