
Technical Drawings


D2100E
VERSION 1.6, MIN. HW 1.5
ASSEMBLY INSTRUCTIONS AND ILLUSTRATIONS
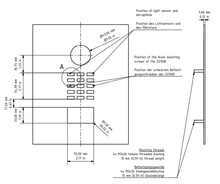
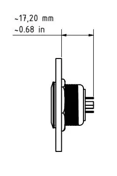
– The front panel must be exactly 3.00 mm thick.
– The main electrical unit of the IP video door station must be pressed flat against the front panel. A gasket is attached on the main electrical unit ex works.
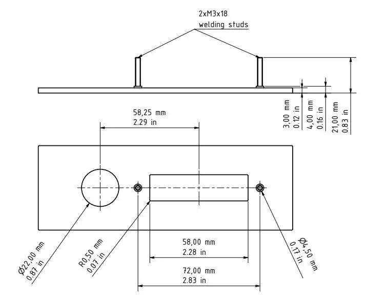
– Underneath the main electrical unit, enough space for the Phoenix and CAT cabling must be planned for (approx. 5 cm / 1.97 in).
– In order to ensure an easy installation, a free area around each module should be planned (approx. 5 mm / 0.2 in).


: Important note for cavity mounting (e.g. in pedestals and mailboxes):

To protect the electronic units, please ensure that the technical components are protected against dripping and running water caused by condensate or entering the mounting space through openings. To protect the electronic units, ensure that the mounting space inside is not accumulating water.

Sufficient air circulation must be ensured, as well as unobstructed drainage of water at the base of the installation.
Failure to do so will result in warranty being declined.











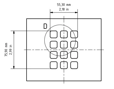
KEYPAD MODULE WITH 16 KEYS




KEYPAD MODULE WITH 12 KEYS





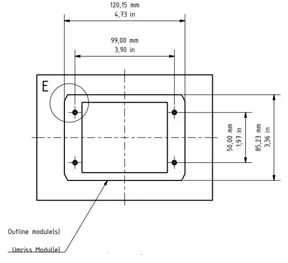
DISPLAY-/INFO PANEL MODULE





FINGERPRINT READER MODULE



MTM56S

MTM14E


MTM18A

It is possible that these manual still contains typographical errors or printing errors. The information in this manual will be checked regularly and corrections will be made in the next version. We accept no liability for errors of a technical or printing nature and their consequences.



















