
USER MANUAL
Convection Oven

MODEL: 351FGC100(L/N), 351FGC200(L/N)
This user’s manual contains information and guidelines collected from years of industry experience. For optimal safety and efficient operation, please make this document available to staff members authorized to use this equipment, and have them read this manual carefully before startup. Cooking Performance Group declines any responsibility in the event users do not follow the instructions or guidelines stated here. We have the full authority to reserve the further technical changes of the unit, in the scope of further performance improvement characteristic development.
Should you have any questions about the proper use of this product, please contact Cooking Performance Group using the information listed on the back page of this manual.
WARNING
- Any incorrect installation, maintenance, or self-modification can lead to property loss, bodily harm, or death. Please contact Cooking Performance Group for any djustment or maintenance. Service must be performed by an authorized technician.
- For the safety of everyone involved, please keep the appliance away from any flammable or explosive objects and substances. Do not store or use any such items in the vicinity of this unit.
- This appliance should not be operated by persons with insufficient experience or knowledge of the equipment (including children), nor should it be used by those with physiological, perceptual, or mental disabilities without proper supervision.
- Keep children away from the appliance for their safety.
- Always keep this manual accessible. When transferring possession of the appliance to a third party, the manual must also be handed over. All users must operate the unit in compliance with this manual.
- Any nearby walls, surfaces, kitchen supplies, etc. should be non-combustible and heat-resistant. Please pay special attention to fire prevention regulations.
PRODUCT OVERVIEW
The 351FGC100 features a sturdy steel construction with 4 adjustable legs. It is equipped with built-in convection fan(s) for temperature uniformity throughout the cavity. The automatic ignition system activates in the event of a flameout, and a shutdown device stops the system from trying to ignite the burner(s) after 3 unsuccessful attempts to ensure safety. The electronic automatic thermostat ensures accurate temperatures for precise
SINGLE DECK OVEN

DOUBLE DECK OVEN

STACKING OVEN INSTRUCTIONS
*Requires two ovens and stacking kit
BOTTOM OVEN





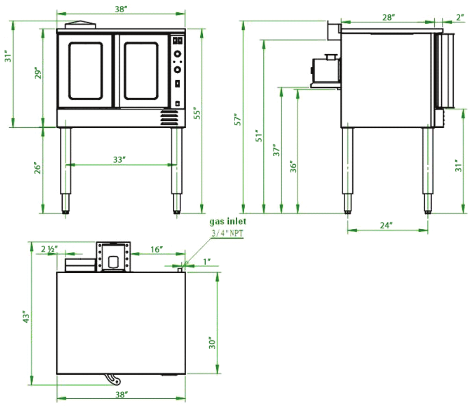
SPECIFICATIONS
| SPECIFICATIONS | Single Oven | Double Stack Oven |
| Overall Dimensions | 38” × 42” × 57” | 38” × 42” × 68” |
| BTU (per oven) | 54,000 | 54,000 |
| Voltage (V) (per oven) | AC120V/60HZ | AC120V/60HZ |
| Oven Chamber Dimensions (in) | 29” × 25” × 20” | 29” × 25” × 20” per oven |
| Temperature Range (F) | 150-550 | 150-550 |
STARTUP
INSTALLATION
- Remove packaging before beginning installation. Note: Some parts are protected with an adhesive film. Remove any glue residue with approved substances, such as petrol; never use abrasive substances.
- Mount the feet, adjusting them to make the unit level.
- The connections to the gas and/or electric network must be close to the appliance and easy to reach.
- Place the unit under an exhaust hood to comply with your local regulations.
- Install the unit at least 2” from the wall and at least 6” from other heat-producing equipment. Any wall, surface, cabinet, table, etc. in close proximity to the appliance hould be made of non-combustible materials with proper thermal insulation.
- Law provisions, technical regulations, and directives: The manufacturer requires the installation to be performed according to national and local codes.
- Open the control panel and remove the right side panel. Turn the electric and manual gas valve to the “ON’ position, and reattach the side panel.
- Checking the functions: Start the appliance; check the gas pipes for leaks; check the burner flame. See Gas connection section below for more details.
- Notes for the installer:
• Explain and demonstrate to the user how the appliance works according to the instructions, and ensure that the user manual is accessible.
• Remind the user that any structural alterations or modifications made to the room that houses the appliance will warrant a recheck of the appliance functions.
• Do not install the appliance close to other units that can reach high temperature, as the electrical components could be damaged. A 6” minimum clearance is required from such equipment.
GAS CONNECTION
- The serial plate is located on the side panel. It indicates the type of gas the unit is equipped to use. All equipment is adjusted at the factory.
- The appliance is design-certified for operation on either natural or propane gas; it should only be connected to the type of gas for which it is equipped.
- A 3/4” NPT inlet is located at the rear for the gas connection. The external regulator provided with the unit must be installed. An adequate gas supply is imperative. Undersized or low pressure lines will restrict the volume of gas required for satisfactory performance.
- An adequate gas supply line to the unit should be no smaller than 3/4” diameter.
- Purge the supply line to clean out dust, dirt, or other foreign matter before connecting the line to the unit.
- All pipe joints and connections must be tested thoroughly for gas leaks. Use only soapy water for testing on all gases. Never use an open flame to check for gas leaks.
ELECTRIC CONNECTION
1. Before connecting the appliance to the network, check the following:
• Network voltage corresponds to the data written on the plate
• Grounding is efficient
• The connection cable is suitable to the power absorbed by the appliance
ELECTRICAL GROUNDING INSTRUCTIONS:
This appliance is equipped with a three-prong (grounding) plug for your protection against shock hazard and should be plugged directly into a properly grounded three-prong receptacle. Do not cut or remove the grounding prong from this plug.

EXHAUST SYSTEM
- This appliance must be positioned in suitable areas for the discharge of the combustion products in respect to how much is prescribed by the installation’s norms. These appliances are classified as type “A” gas units.
- This appliance must discharge the combustible products into appropriate hoods.
- This appliance is not designed to be connected to an evacuation duct for the discharge of combustible products.
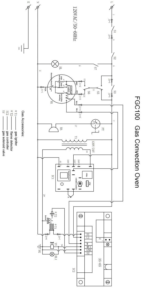
ELECTRICAL DIAGRAM

WARNINGS
- Always ensure proper supervision while the appliance is in use.
- Simple adjustments to knobs, leg height, etc. do not require assistance from specialized personnel. For more technical adjustments, please consult a qualified technician.
- Use only parts and accessories recommended by Cooking Performance Group.
- During the initial uses of the appliance, an acrid or burning smell may be detected. This will disappear after two or three uses.
- The appliance will remain hot for a short time after use (residual heat). Avoid all physical contact with the unit during this time to prevent injury.
- This appliance is strictly for professional use and must be used by qualified personnel.
- The installation, startup, and maintenance of this appliance must be carried out by a qualified technician.
- All installation must be carried out according to the law. Cooking Performance Group is not responsible for damages due to an incorrect installation, improper maintenance, or incorrect use.
• These are very important regulations; if they are neglected, the appliance may not perform properly or the user may be placed at risk and void manufacturer warranty.
WORKING INSTRUCTIONS & OPERATIONAL FLOW
LIGHTING, RELIGHTING, AND SHUTDOWN INSTRUCTIONS
- To light the oven, flip the power switch at the top left corner of the control panel to the “ON” position. The oven is equipped with a direct hot surface ignition system. There is no pilot to light.
- If the burners fail to ignite within four seconds, the oven will automatically shut off the gas. Wait five minutes to allow the gas that was released to dissipate, and try to light the burners again. If the burners still fail to ignite after three such attempts, the oven will stop trying, even though the power switch is in the “ON” position. To continue to attempt to light the burners, turn the power switch “OFF” and then “ON” again.
- To shut down the oven, flip the power switch to the “OFF” position. For a complete shutdown, also open the control panel and remove the right side panel. Turn the manual electric and gas valve to the “OFF” position.
Re-attach the right side panel.

OPERATIONS
- Turn the oven ON using the Power Switch at the top of the control panel.
- Select the desired fan speed using the Fan Speed switch. The appropriate fan speed (HI or LOW) depends on the type of food being cooked.
- Switch the Fan Mode to COOK. The fan will run continuously when the oven doors are closed (the fan does not cycle on and off with the burners). If this switch is set to COOL, the fan will continue to run when the oven doors are open.
- Set the cooking temperature by turning the Cook Temperature Control until the indicator mark on the knob is pointed to desired cooking temperature. The HEAT ON indicator will light when the burners are on and will remain on while the oven preheats.
- Wait until the HEAT ON indicator has gone out. At that time the oven will have reached the set cooking temperature.
- Open the oven doors, load the product into the oven, and close the doors.
- You can use the Cook Timer as a reminder of when to remove the product from the oven. Turn the Cook Timer knob until the indicator mark points to the desired ooking time (up to 55 minutes). The timer knob will rotate counterclockwise as the timer runs down, indicating how much time remains. You can turn the knob while cooking to increase or decrease the remaining time. When the timer runs out, a buzzer will sound for a short time, then turn itself off. (To immediately silence the buzzer, turn the Cook Timer knob to the OFF position.) The timer is a reminder to you; it does not control the oven.
• If you open the oven doors, the burners and fan will shut off until the doors are closed. However, the timer will continue running even if the doors are open.
• To turn on the oven light, press and hold the switch located at the bottom of the control panel. - To rapidly cool the oven cavity when finished cooking, open the oven doors (which will shut off the burners) and switch the Fan Mode to COOL (which will cause the fan to run even though the doors are open). For the most rapid cooling, also switch the Fan Speed to HI.
- When you are done cooking, turn the Cook Temperature Control to the lowest setting (fully counterclockwise) and flip the Power Switch to OFF.
CLEANING & MAINTENANCE
- Before cleaning, turn off the unit and let it cool down.
- Carefully clean the appliance daily to promote proper operation and long life.
- Steel surfaces must be cleaned with dish detergent diluted in very hot water using a soft cloth; do not use abrasive powder detergents or corrosive substances. The use of acids can affect the unit’s operation and safety. Do not use brushes, steel cottons, or abrasive disks made with other metals or alloys that may cause rust stains due to contamination. For the same reason, avoid contact with iron objects. Do not use stainless steel brushes, as they can cause damaging scratches.
- Metal powder, metal shavings, and iron material in general can cause stainless steel to rust. Superficial rust stains may be present on new appliances and they can be removed with a detergent diluted in water and a scouring pad. If dirt is difficult to remove, a sponge may be used.
- Do not use substances for cleaning silver and be careful with hydrochloric or sulphuric vapors rising from floor washing products. Do not aim water jets directly on the appliance. After cleaning, rinse properly with clean water and dry carefully with a cloth.
- These appliances require minimal maintenance. Despite this, we recommend that the user subscribes to a maintenance agreement to have the appliance checked at least once per year by an authorized technician.
- Before carrying out any maintenance or repair, disconnect the appliance from the gas network or cut off the mains. Use only original spare parts supplied by Cooking Performance Group.
- If the appliance is not going to be used for a long period of time, it is advised to clean the equipment and surrounding areas properly. Pour a small quantity of cooking oil on the stainless steel surfaces, carry out all maintenance operations, and cover the appliance with a suitable material, leaving some openings to allow air to circulate.
PARTS DIAGRAM

| # | Part Code | Our item # | Description | QTY |
| 1 | 20165002032 | 35165002032 | REAR VENT (SINGLE) | 1 |
| 2 | 20165002001 | 35165002001 | EXTERIOR CABINET | 1 |
| 3 | 20265002077 | 35165002077 | LEFT SIDE PANEL | 1 |
| 4 | 302110578 | 351110578 | OVEN RACK | 3 |
| 5 | 302110577 | 351110577 | OVEN RACK GUIDE | 2 |
| 20265002039 | 35165002039 | OVEN RACK GUIDE CLIP | 4 | |
| 7 | 20165002009 | 35165002009 | FAN COVER | 1 |
| 8∗ | 20265002014 | 35165002014 | FAN COVER STANDOFF BRACKET | 2 |
| 9 | 20165002016 | 35165002016 | DOOR LATCH | 2 |
| 10 | 302201928 | 351201928 | DOOR SHAFT BUSHING | 4 |
| 11 | 20165002014 | 35165002014 | LEFT DOOR ASSEMBLY | 1 |
| 12 | 20165002011 | 35165002011 | RIGHT DOOR ASSEMBLY | 1 |
| 13 | 20265002079 | 35165002079 | LOWER FRONT COVER PLATE | 1 |
| 14 | 301080141 | 351080141 | SWITCH | 4 |
| 15 | 301120028 | 351120028 | TIMER | 1 |
| 16* | 301110438+301150066 | 351110438 | KNOB (TIMER/TEMP) | 2 |
| 17* | 301130140 | 351130140 | INDICATOR LIGHT | 1 |
| 18 | 20165002019 | 35165002019 | BURNER ASSMEBLY | 1 |
| 19 | 301030169 | 351030169 | SOLID STATE THERMOSTAT | 1 |
| 20* | 302170022 | 351170022 | TEMPERATURE PROBE | 1 |
| 21* | 20228051023 | 35128051023 | GUARD TEMP PROBE | 1 |
| 22 | 20165002008 | 35165002008 | CONTROL PANEL HOUSING | 1 |
| 23 | 302170039 | 351170039 | HOT SURFACE IGNITOR | 1 |
| 24* | 302220004 | 351220004 | FLAME SENSOR | 1 |
| 25 | 301150304 | 351150304 | IGNITION MODULE | 1 |
| 26* | 302170039 | 351170039 | MOLEX PLUG – IGNITION MODULE | 1 |
| 27 | 301070047 | 351070047 | TERMINALS | 1 |
| 28 | 301080079 | 351080079 | DOOR SWITCH | 1 |
| 29 | 301100149 | 351100149 | TRANSFORMER | 1 |
| 30 | 20365002002 | 35165002002 | LEG ASSMEBLY -TALL (SINGLE UNIT) | 4 |
| 31 | 301100086 | 351100086 | BUZZER | 1 |
| # | Part Code | Our item # | Description | QTY |
| 32 | 302060028 | 351060028 | STRAIGHT TUBE | 1 |
| 33 | 302140077 | 35114 0077 | STRAIGHT CONNECTOR | 1 |
| 34 | 302140080 | 351140080 | COMPRESSION NUT | 1 |
| 35 | 302140079 | 351140079 | COMPRESSION RING | 1 |
| 36 | 302180512 | 351180512 | MANIFOLD | 1 |
| 37 | 301 080026 | 351080026 | PANEL SAFETY SWITCH | 1 |
| 38a | 3021501 77 | 3511501 77 | BURNER ORIFICE – NO HOLE | 3 |
| 38b | 302150211 | 351150211 | BURNER ORIFICE LP #56- 1.25mm | 3 |
| 38c | 302150212 | 351150212 | BURNER ORIFICE NAT #47 – 2.00mm | 3 |
| 39 | 3 0113 0151 | 35113 0151 | OVEN LAMP ASSEMBLY | 1 |
| 40 | 20265002122 | 35165002112 | RIGHT SIDE PANEL | 1 |
| 41 | 302220079 | 351220079 | SAFETY VALVE | 1 |
| 42 | 3020601 52 | 3510601 52 | ELBOW | 1 |
| 43 | 302060040 | 351060040 | STRAIGHT PIPE | 1 |
| 44 | 302060046 | 351060046 | UNION | 1 |
| 45 | 30205 0076 | 35105 0076 | BALL VALVE | 1 |
| 46 | 302060151 | 351 060151 | ELBOW | 1 |
| 47 | 302180511 | 351180511 | GAS INLET PIPE | 1 |
| 48 | 301 01 0212 | 351 01 0212 | BLOWER WHEEL | 1 |
| 49 | 3 02202143 | 351 202143 | MOTOR MOUNTING BRACKET | 1 |
| 50 | 302201881 | 351 201881 | INSULATION PAD | 1 |
| 51 | 3 01 01 023 9 | 351 01 0239 | TWO SPEED MOTOR 115V | 1 |
| 52 | 20365002002 | 35165002002 | ADJUSTABLE FOOT | 4 |
| 53 | 302090129 | 351 0901 29 | CASTER – SWIVEL – optional | 2 |
| 54 | 302090130 | 351 0901 30 | CASTER – LOCKING – optional | 2 |
| 55* | 20165002027 | 35165002027 | STACKING la – optional | 1 |
| # | Part Code | Our Item # | Description | QTY |
| 56* | 302050081 | 351050081 | EXTERNAL NAT/LP REGULATOR | 1 |
| 57a* | 20265002034 | 35165002034 | PERIMETER DOOR GASKET TOP | 1 |
| 57b* | 20265002035 | 35165002035 | PERIMETER DOOR GASKETTOP 2 | 1 |
| 57c* | 20265002036 | 35165002036 | PERIMETER DOOR GASKET BOTTOM | 1 |
| 57d* | 20265002037 | 35165002037 | PERIMETER DOOR GASKET RIGHT | 1 |
| 57e* | 20265002038 | 35165002038 | PERIMETER DOOR GASKET LEFT | 1 |
NOTES
www.CookingPerformanceGroup.com
1-800-678-5517



















