BAKERS PRIDE Series 100 Superdeck Gas Deck Ovens

| EN 437 Gas Cat. | Gas and Supply Pressures | Designated European Market = u | ||||||||||||||
| A T | B E | D K | F I | F R | G R | D E | I E | I T | L U | N L | P T | E S | S E | G B | ||
| I2H | G20 @ 20mbar | u | u | u | u | u | u | u | u | u | ||||||
| I2L | G25 @ 25mbar | u | ||||||||||||||
| I2E | G20 @ 20mbar | u | u | |||||||||||||
| I2E+ | G20/25 @ 20/25mbar | u | u | |||||||||||||
| FOR NORTH AMERICA: | |
| TYPE OF GAS | MANIFOLD PRESSURE |
| Natural | 3.5” Water Column |
| LP | 10” Water Column |
| MODELS COVERED: | |||||
| MODEL | BTU/HR | KW | MODEL | BTU/HR | KW |
| 100 Series | 48, 000 | 14.06 | D-125 | *125,000 | *36.61 |
| 200 Series | 60, 000 | 17.53 | |||
| 300 Series | 70, 000 | 20.50 | |||
| 400 Series | 80, 000 | 23.44 | |||
| 3151 Series | 70, 000 | 20.50 | |||
| 4151 Series | 70, 000 | 20.50 | |||
| * Model D-125 is rated 125,000 BTU/hr (30.76 kw) for use with LP Gas. All other models have the same rating for Natural and LP Gas. LP Gas models are not available for European Community Countries. | |||||
INSTALLATION INSTRUCTIONS
Receiving:
Read the notice on the outside carton regarding damage in transit. Damage discovered after opening crate(s)/carton(s) is ‘CONCEALED DAMAGE’ and
the carrier must be notified immediately to send an inspector and also to furnish forms for the consignee’s claim.
When the oven arrives, it should consist of:
- A crate or carton containing your new oven.
- A carton containing 4 legs with mounting hardware.
- A strapped skid containing baking decks.
Place the oven and parts as close as possible to the area of final installation before uncrating.
WARNING
In MASSACHUSETTS: All gas products must be installed by a “Massachusetts” licensed plumber or gas fitter. Ventilation hoods must be installed in accordance with NFPA-96, current edition, with interlocks as described in that standard. Installation must conform with local codes and/or with the latest edition of the ANS Z-223.1 National Fuel Gas Code in USA (CAN/CGA-B 149.1 or 2 Installation Code in Canada). This appliance must be installed by a competent person in accordance with the rules in force. In the U.K., Corgi registered installers (including the regions of British Gas) undertake to work to safe and satisfactory standards. This appliance must be installed in accordance with the current Gas Safety (Installation and Use) Regulations and the relevant Building Regulations/lEE Regulations. Detailed recommendations are contained in the British Standard Codes Of Practice BS 6172, BS 5440:Part 2 and BS 6891.
Clearances
| Combustible Construction | Non- Combustible Construction | |
| Minimum Clearance from: Left Side | 3” (75mm) | 0 |
| Minimum Clearance from: Right Side | 1” (25mm) | 2 |
| Minimum Clearance from: Rear | 3” (75mm) | 2” (51mm) |
Set-Up:
The oven must be installed in a well-ventilated area.
Your oven is packed standing on its right hand side, opposite to the control side or on its back. Leave it on its side or its back while unpacking. The skid may be left under the oven for convenience in further handling. Unpack carefully to avoid damage to the oven. If concealed damage is found, follow the instructions detailed in Receiving.
Keep the area around the oven free and clear of combustible materials. Do not store any materials on top of or under any oven. The provision of an adequate air supply to your oven for ventilation and proper gas combustion is essential. As a minimum, observe the clearances detailed in Clearances. Provide adequate ventilation and make up air in accordance with local codes.
Fit the Flue Diverter supplied (See Fig.1) into the hole located at top near the left rear of the oven and secure with screws for installing the oven under a ventilation hood. For Direct Venting, Optional Draft Hood (Fig. 2) must be placed into the hole. Direct Venting not available for European Community Countries. Local inspectors and ventilation specialists should be consulted to make sure
that the installation of the hood conforms to the local codes and requirements (See fig. 3). In UK ventilation requirements as detailed in BS 5440 should be followed.
Access to the bottom front door and left side control panel is required for day to day operation of the oven and for servicing. Make sure that these areas are kept unobstructed for easy access.
Mounting Legs:
Legs are shipped in a separate carton complete with mounting bolts.
- Bolt two legs to the two upper corners (front) of the oven as it stands on the skid (See Fig. 4).

- Using proper lifting equipment, lower the oven down so that the two bolted legs rest on the floor (See Fig. 5).
- Using proper lifting equipment, raise the backside of the oven to a height slightly Figure #3 higher than the height of the legs, remove the skid and place a sturdy support under the back side (See Fig.6). Mount other two legs and tighten bolts. Lift the oven and remove the supports.
- Move the oven to its final location keeping the minimum clearances from the back of the oven to the wall. This clearance is necessary for safe operation and to provide proper air-flow to the burner chamber.

Installation With Casters (Optional):
Four Casters (two with wheel brakes) and the mounting hardware is packed and included in the shipment if ordered. Install casters with wheel brakes on the front of the unit.
NOTICE
Installation should be made with a connector that complies with the latest edition of the Standard for Connectors for Movable Gas Appliances ANSI Z21.69 in the USA (CAN CGA-6.16 in Canada) and a quick disconnect device that complies with the latest edition of the Standard for Quick Disconnect Devices for use with gas fuel ANSI Z21.41 in the USA (CAN CGA 1-6.9 in Canada) and adequate means must be provided to limit the movement of the appliance without depending on the connector and any quick-disconnect device or its associated piping. The restraint should be attached to the rear legs of the oven on which casters are mounted. lf disconnection of the restraint is necessary to move the oven for servicing needs, the restraint should be reconnected after the appliance has been returned to its originally installed position.
Pizza Deck:
- Remove all packing material, samples, shims, etc. from the baking chamber leaving the two metal hearth liner sheets on the baking chamber floor. Make sure that the two metal hearth liner sheets cover the entire bottom of the chamber.
- Depending on the model, two, three, or four slabs of the Pizza Deck are provided with the oven. This material is heavy, and fragile, and should be handled carefully.
Two Deck Installation:
- Slide one deck into the baking chamber and push as far as possible to one side.
- Slide the second deck into the oven on the opposite side to the first deck.
- Use metal shims to level the decks.
- Use wedges in the back and on the sides of the deck if the decks are loose (See Fig.7).
- Put the hearth trim in place between the deck and the door (Not available on 125 & Series).

Three Deck Installation:.
- Slide one deck into the baking chamber and push it as far as possible to one side.
- Slide the second deck into the baking chamber on the side opposite to the first deck.
- Slide the third deck into the center section.
- Use metal shims to level the decks.
- Use wedges in the back and on the sides of the deck if the decks are loose. The three decks should be tight against each other with no gap between them (See Fig. 8).
- Put the hearth trim in place between the deck and the door.

Four Deck Installation:
- Slide one deck into the baking chamber and push it as far as possible to one side towards the rear.
- Slide the second deck into the baking chamber and push it next to the first deck in the rear.
- Slide the third and the fourth decks in front of the decks already in place.
- Use metal shims as needed to level the decks.
- Use wedges in the back and on the sides of the deck if the slabs are loose. The four decks should be tight against each other with no gap between them (See Fig. 9).
- Put the hearth trim in place between the deck and the door.

NOTICE
If the side wedges are pushed in too tight, the heat controls, operated by the black knobs, located on the front of the oven, will not slide freely.
Gas And Electric Connections:
Propane gas units are not available in the European Community Countries.
- The appliance when installed, must be electrically grounded in accordance with local codes and/or the latest edition of the National Electric Code ANSI/NFPA 70 in USA (Canadian Electric Code CSAC22.2 in Canada).
- In Europe, appliance must be connected by an earthing cable to all other units in the complete installation and thence to an independent earth connection in compliance with EN 60335-1 and/or local codes.
- The ovens should not be installed on the same line with space heaters, boilers or other gas equipment with high intermittent demand.
- Use a pipe joint compound that is resistant to the action of liquefied petroleum gases when making gas connections.
- For Propane gas, use at least 1/2” (13 mm) pipe or tubing with a 5/8” (16 mm) inside diameter. For Natural gas, use 3/4” (19 mm) pipe.
- The appliance must be isolated from the gas supply piping system by closing its manual shut-off valve during any pressure testing of the gas supply piping system at test pressures equal to or less than 1/2” psig (3.45kpa).
- The appliance and its shut-off valve must be disconnected from the gas supply piping system during any pressure testing of that system attest pressures in excess of 1/2” psig (3.45kpa).
- The gas pressure regulator is part of the combination valve and is adjusted to yield
a pressure of 3.5”water column (9mbar) for Natural Gas. If the oven is ordered for use on Propane Gas, the pressure regulator in the combination valve is preset at the factory to yield a pressure of 10” water column (25 mbar). Units for use on Propane Gas are not available for European Community Countries. - A separate shut-off valve for each oven must be provided. It should be as close as possible to the place where the gas supply line goes into the oven. It must be located such that it is easily accessible.
- When stacking with another oven, two shut-off valves, one for each of the two ovens, must be provided.
After the Gas Supply has been connected, it is extremely important to check all the piping for leaks. Use a soap and water solution or a product expressly made for this purpose. Do not use matches, candles or a flame etc to check leaks since these methods are extremely dangerous.
Flue Connection – Ventilation:
- Installation Under Ventilation Hood (Standard): If the oven is installed under a collection hood, use the flue diverter (Fig.1) supplied. Local inspectors and ventilation and environmental specialists should be consulted so that the design and the installation of the hood conforms to the local/ municipal codes (see Fig.3).
- Direct Venting (Optional) Not Available For European Community Countries:
If direct venting, it is necessary to install a draft hood (Fig.2). The flue pipe from the draft hood must not run downwards at any point from the oven to the final outlet. It should always slant slightly upwards. For best results it should rise straight up.
NOTICE
Do not put a damper in the flue and do not connect a blower directly to the flue. If the flue runs directly to the free air outside the building, use a wind deflector or a UL listed vent cap at the end of the flue pipe. Termination of the vent must be at least 2 feet above the highest part of the roof within 10 feet (Ref: American Gas Association Catalo No.Xh0474).
Main Burner Safety Pilot Operation:
The purpose of the safety pilot system is to lock the gas supply to the main burner at the combination valve, if for any reason the pilot burner is not lit. Oven should be relighted by following the steps given below. However, in normal service, the pilot flame stays lit indefinitely, day and night or weekends. This prolongs the life of the safety valve. The safety pilot valve is in effect a two-stage control. After initial lighting, the pilot burner stays on without the gas cock dial being held pressed in. After 1-2 minutes, the valve opens fully to let the gas flow past the safety pilot valve into the burner system.
Pilot Burner Lighting Procedure:
- Partially depress and turn the gas cock dial to ‘OFF’ position.
- Wait for five minutes to allow gas, which may have accumulated in the burner compartment, to escape.
- Turn gas cock dial to ‘PILOT’ position.
- Depress gas cock dial and light Pilot Burner. Hold in pressed position for about 1/2 minute (30 seconds), and release the gas cock dial. The Pilot Burner should now remain lit.
If Pilot Burner fails to ignite or does not remain lit, repeat the steps (a) through (d).
Pilot Burner Flame Adjustment:
It is important to have the correct Pilot Burner Flame size as shown in Fig.10. If necessary, adjust the Pilot Burner Flame by turning Pilot Adjust Screw (See fig.11) clockwise to reduce or counterclockwise to increase
Burner Operation:
- Main Burner:
After the pilot burner is ignited, when heat is desired, turn gas cock dial to ‘ON’ positionV and set the thermostat dial to the desired temperature. The oven burner flame should always have a blue appearance. That indicates a good mixture of gas and air. When using LP gas, the flame will have a blue-yellow appearance. Should the Burner fail to light, check to see if there is a problem with the gas supply. lf there are other appliances on the same line, shut them off temporarily and see if the burner comes back on, or it fluctuates as other gas appliances are turned on and off. That would indicate overloading of the gas supply lines or a faulty gas pressure regulator. Contact an authorized Service Agency or your local Gas Supply Company. - Aeration And By-Pass Flame Adjustment: Flame and air mixer adjustments and the By-Pass Flame adjustment for the Main Burner are done at the factory. These adjustments are sealed before the oven leaves the factory. Contact an authorized Service Agency if you need help.
Thermostat Calibration:
No attempt should be made to calibrate the thermostat because it is accurately calibrated and sealed by the manufacturer. Contact an authorized Service Agency if you need help.
Flame Diverters:
Flame diverters distribute the heat evenly below the baking deck. They must be in good condition and properly placed above the burners in the burner chamber in order to be effective. Damaged or improperly installed flame diverters adversely affect the oven performance. Make sure that the ‘V’ shaped diverters are pushed all the way to the back of the oven as far as they will go. Check them periodically and replace them as necessary.
NOTICE
Only Pizza and Bread Products can have direct contact with Ceramic Decks. All other food products must be placed in a pan or containers to avoid direct contact with Ceramic Decks. If gas odor is detected at any time, immediately shut-off the gas supply valve for the oven. Do not permit any open flames in the area of the oven. Immediately contact an authorized Service Agency or your local Gas Supply Company. Initial heating of the oven must be done in a well ventilated area as it may generate smoke or fumes. Over exposure to smoke or fumes may cause nausea or dizziness.
Lighting Procedure:
- Light the Main Burner following the instructions in Lighting section of the Installation Instructions.
- Keep the Push/Pull Slides fully open.
Breaking IN:
It is important to break-in, to dry out the deck and the insulation, before baking in a new oven:
- Allow the oven to warm to 300°F (150°C) for 5 hours or at least till all the smoke and fumes have disappeared. The smoke and fumes are from the moisture in the deck and insulation and a light coat of oil.
- Set the thermostat at least 50°F (10°C) lower than your baking temperature.
- Pre-heat the oven for 1 to 1-1/2 hours before use.
- After pre-heating, raise the temperature to your baking temperature.
- Experiment baking until you get the feel of the oven and the speed of the bake.
Baking:
- Pizza can be baked on the deck, on a screen or in a pan. When you determine the combination of method, ingredients and temperature that gives the right bake for your crust, sauce and cheese combination and your customer’s
- taste, mark and keep it.
- Deck baking refers to baking Pizza directly on the deck. Generally it is a thin product that requires temperature of at least 550°F (290°C).
- Screen baking refers to baking Pizza on a screen. The screen lifts the Pizza off the deck. The screen may be removed near the end of the bake time to give the bottom of the Pizza crispier crust and a darker color. Bake
- temperatures range from 500°F (260°C) to 550°F (290°C).
- Pan baking refers to baking Pizza in pans. Crusts can be thick or thin and toppings range from light to heavy. Bake temperatures for pan baking range from 450°F (235ºC) to 500ºF (260ºC).
- Recommended Operating Procedure:
- It is very important that at the end of day’s operation, the gas cock dial of the Main Burner is turned to
- the pilot position, leaving only the pilot burner ‘ON’ overnight. Keep the Pizza Push/Pull slides fully open.
Preheating:
- Turn the gas cock dial of the main burner to the ‘ON’ position.
- Preheat the oven for 1 to 11-1/2 hours at 50°F (10°C) lower than your baking temperature, with Push/Pull Slides fully open.
Baking:
- After preheating, raise the thermostat setting to your baking temperature.
- Check the bottom color of the Pie and close the push/pull slides partially (halfway) after the 4th or 5th bake to maintain the desired color. When slow or idling, open the push/pull slides fully and set the thermostat at least 50°F (10°C) lower than your baking temperature.
Helpful Hints:
- An instructions plate is attached behind the damper knobs indicating how to set the oven for more top or bottom heat. Opening the dampers allow more heat to enter the baking chamber from the combustion/ burner compartment. Closing the dampers keep more heat in the combustion/ burner compartment to keep the baking deck hotter.
- If the oven is up to Pizza baking temperature and has not been used for a while, there is a tendency for the baking deck to get hotter. In this condition, when you put in one Pizza, TURN THE THERMOSTAT UP, so that the main burner flame is burning at it’s fullest, providing the extra heat needed to balance the bottom heat. The thermostat should be turned down back to the normal setting as soon as you have baked the Pizza.
CLEANING AND MAINTENANCE
This appliance must be serviced by an Authorized Service Technician only. Disconnect the power supply before cleaning or servicing the oven. Regular and thorough cleaning will help to keep the ovens operating properly. If service is required, contact an Authorized Service Agency, your dealer or the factory to obtain a qualified technician for the required maintenance/service.
Oven Exterior:
- Deposits of baked-on splatter and grease, or discoloration may be removed by using any commercial cleaner recommended for stainless steel. RINSE WELL.
- A thin coat of light oil will add to the appearance of the oven.
- Frequently scrape and brush off decks to remove burnt residue which can cause an ‘off-flavor and bake times to increase.
- Heavily topped Pizza or Pan Pizza requires lower bake temperatures and longer bake times as compared to a regular thin Pizza with light toppings.
- Bubbles in fresh dough indicate under-proofed or cold product. Allow the dough balls to proof to double in size and warm temperature before baking.
- Any type of Pan or Screen may be used in this oven. When choosing pans, be sure to pick a pan that is closest in height of your product. Dark color pans and screens transfer heat better than light colored aluminum pans or screens. They must be seasoned before use.
NOTICE
Apply stainless steel cleanser only when the oven is cold. Always rub with the grains and apply very light pressure.
Painted Surfaces:
- Washing with mild soap and water solution is adequate to keep the painted surfaces clean.
- Apply a thin coat of oil to protect and enhance the finish.
Control Panel:
Every six months (more frequently if the oven is used heavily) the bottom door spring mechanism and all moving parts must be inspected for wear.
Do not apply grease to spring lever shoulder bolt, spring roller or the door rod and the door pin. They have a self-lubricating insert that will be damaged if lubricated.
Flue Vent:
Ventilation system must be inspected every six months and maintained clean and free of obstructions.
Oven Interior:
Clean the oven interior only when the oven is cold. Use only the detergent solutions and cleaners that meet the national and / or local codes.
- Baking Chamber:
Clean the ceiling and the walls of the baking chamber with a mild soap and water solution. Do not use oven cleaners, caustic solutions or mechanical means as they will damage the interior aluminized surface. - Baking Decks:
The baking decks are heavy and fragile. They should be handled carefully. The baking decks should be cleaned by using a long-handled scraper and stiff wire brush. At the end of each day, turn the thermostat up to its maximum setting and let the oven sit at that temperature for at least 1/2 hour. This will bum off the food spilled onto the baking decks during day’s production and turn it into ash. This ash can be brushed off the next day before turning the oven on. The baking decks should be scraped and brushed during the day also to help keep them clean. To remove excessive crumbs or carbon, the baking decks and the oven cavity may be vacuumed when the oven is cold. Do not use water or other liquids on the baking decks as that may cause them to crack. After long use, heavily soiled baking decks may be cleaned by turning over after scraping down and brushing off. This will burn off the heavily soiled side of the baking decks. This procedure may be repeated as needed. - Burner Compartment:
Vacuum out any carbon, crumbs or residue in the burner compartment and all around the doors. The holes and louvers on the outer surfaces of the oven must be kept free of obstructions to allow free movement of air into the controls and for proper combustion. The burner ports and crossover holes should be kept free of carbon and other deposits.
Troubleshooting Chart
| PROBLEM | PROBABLE CAUSE | REMEDY |
| No Pilot Light | Gas valve feeding oven may be in the closed position | Turn gas valve on. Relight pilot. |
| Main Burner(s) do not light | Gas valve feeding oven may be in the closed position | Turn gas valve on. Relight pilot. |
| Thermopile may not be positioned in pilot flame. | Ensure that the tip of thermopile is in pilot flame. | |
| Thermopile may be defective | Call local authorized Bakers Pride Service Agent. | |
| Oven too Hot | Thermostat set too high. | Lower the thermostat setting and see if flame reduces in size. Allow several hours for heat to regulate. |
| Thermostat may be defective | Call local authorized Bakers Pride Service Agent. | |
| Bottom of pies are undercooked | If the same area of the deck is used repeatedly, the deck temperature in that area will be reduced. | Rotate pies to unused areas of the bake deck that are hotter and will cook the bottoms faster. |
| Micro slides are open too much. | Close micro slides (pull out) until desired combination is reached. This will help decrease top heat. | |
| Bottom of pies burn before toppings are cooked | Deck temperature too hot – especially during slow periods. | Reduce Thermostat setting by 50° – 75° below normal bake temperature. When decks cool begin cooking and immediately increase the thermostat setting by 50° – 75°. |
| Micro slides are closed too much | Open micro slides (push-in) to increase top heat. | |
| Oven was left “ON” overnight | Oven must be turned to “Pilot” position overnight. It should not be left on a high temperature setting. | |
| Exhaust fan too powerful. | Reduce fan speed. | |
| Pies cook Unevenly | Area’s adjacent to oven walls are generally hotter. | Rotate pies (180°), once during each bake or keep to the center of oven. |
| Oven does not turn On or Off on time. (Ovens equipped w/ auto oven starter only) | Power cord not plugged in. | Plug unit in. |
| Electrical outlet fuse/circuit breaker is tripped. | Replace fuse or reset circuit breaker. | |
| Timer incorrectly set. | Reset Timer. | |
| Unit takes too long to reach temp. | Gas volume or gas pressure may be inadequate. | Contact gas supplier. |
| Call local authorized Bakers Pride Service Agent. |
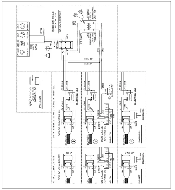
WIRING DIAGRAM
Wiring Diagram – Gas Oven Series – 120, 208 or 230V, 1 Phase
LIMITED EQUIPMENT WARRANTY
Baker’s Pride warrants to the original purchaser of new Baker’s Pride products to be free from defects in material or workmanship, under normal and proper use and maintenance service as specified by Bakers Pride and upon proper installation and start-up in accordance with the instructions supplied with each Bakers Pride unit. Baker’s Pride obligation under this warranty is limited to a period of one [1] year from the date of original installation, or eighteen [18] months from original invoice date, whichever occurs first. Defects that occur as a result of normal use, within the time period and limitations defined in this warranty, will at Baker’s Pride discretion have the parts replaced or repaired by Baker’s Pride or a Baker’s Pride-authorized service agency.
THIS WARRANTY IS SUBJECT TO ALL LISTED CONDITIONS
Repairs performed under this warranty are to be performed by an Bakers Pride authorized service agency. Baker’s Pride will not be responsible for charges incurred or service performed by non-authorized repair agencies. In all cases, the nearest Baker’s Pride-authorized service agency must be used. Baker’s Pride will be responsible for normal labor charges incurred in the repair or replacement of a warrantied product within 50 miles (80.5 km) of an authorized service agency. Time and expense charges for anything beyond that distance will be the responsibility of the owner. All labor will need to be performed during regular service hours. Any overtime premium will be charged to the owner. For all shipments outside the U.S.A. and Canada, please see the International Warranty for specific details. It is the responsibility of the owner to inspect and report any shipping damage claims, hidden or otherwise, promptly following delivery. No mileage or travel charges will be honored on any equipment that is deemed portable. In general, equipment with a cord and plug weighing less than 50 lb. (22.7 kg) is considered portable and should be taken or shipped to the closest authorized service agency, transportation prepaid.
CONTACT
Should you require any assistance regarding the operation or maintenance of any Baker’s Pride Manufacturing; phone or email our service department. In all correspondence provide the model number and serial number of the unit needing service; include the voltage or gas type. Normal Business Hours: 8:00 a.m. to 4:30 p.m. Central
Telephone: 800-264-7827 Tech Service Option 2
Email: [email protected]
www.bakerspride.com
WARRANTY EXCLUSIONS
THE FOLLOWING WILL NOT BE COVERED UNDER WARRANTY. Baker’s Pride’s sole obligation under this warranty is limited to either repair or replacement parts, subject to the additional limitations detailed below. This warranty neither assumes nor authorizes any person to assume obligations other than those expressly covered by this warranty.
- Any product which has not been used, maintained or installed in accordance with the directions published in the appropriate installation sheet and/or owner’s manual, including incorrect gas or electrical connection. Baker’s Pride is not liable for any unit which has been mishandled, abused, misapplied, subjected to harsh chemicals, modified by unauthorized personnel, damaged by flood, fire, or other acts of nature [or God], or which have an altered or missing serial number.
- Installation, labor, and job check-outs, calibration of heat controls, air and gas burner/bypass/pilot adjustments, gas or electrical system checks, voltage and phase conversions, cleaning of equipment, or seasoning of griddle surface.
- Replacement of fuses or resetting of circuit breakers, safety controls, or reset buttons.
- Replacement of broken or damaged glass components, quartz heating elements, and light bulbs.
- Labor charges for all removable and consumable parts in gas charbroilers and hotplates, including but not limited to burners, grates, and radiants.
- Any labor charges incurred by delays, waiting time, or operating restrictions that hinder a service technician’s ability to perform service.
- Replacement of parts that fail or are damaged due to normal wear or labor for replacement of parts that can be replaced during a daily cleaning routine, such as but not limited to silicone belts, PTFE non-stick sheets, control labels, knobs, bulbs, fuses, quartz heating elements, baskets, racks, and grease drawers.
- Any economic loss of business or profits.
- Non-OEM parts. Use of non-OEM parts without Baker’s Pride approval will void the warranty.
- Units exceeding one [1] year from original installation date, or more than eighteen [18] months from original invoice date, whichever comes first.
ADDITIONAL WARRANTIES
Specific/chain-specific equipment may have additional and/or extended warranties.
The foregoing warranty is in lieu of any and all other warranes expressed or implied and constutes the enSUre warranty.4























