Doyon JA6 Jet Air Single Deck Electric Bakery Convection Oven

Product Information
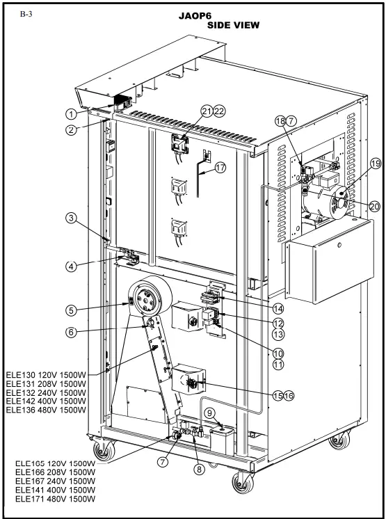
- The product is an electronic timer used for controlling various functions in an oven or proofer.
- The product comes with different components like a black cover, electronic thermostat, cooling fan, door switch, blower assembly, solenoid valve, electric float, control relay, contactor, incandescent light socket, motor, water filter, and more.
- The product is available in two versions: 120/208-240 1&3PH with Zelio (Simple) and 120/208-240 1&3PH without Zelio (Simple).
- The product has different parts and quantities that need to be assembled using the instruction manual for proper usage.
- Parts ELD081, ELD082 (#21), and 50010894 (#22) are the latest parts to replace parts ELD050 and ELA275 as of April 2010.
Product Usage Instructions
- Assemble the different parts and components of the product according to the instruction manual.
- Attach the electronic timer to the oven or proofer and connect it to the appropriate power source.
- Set the timer to the desired time and temperature settings for the oven or proofer.
- Use the different components like the cooling fan, blower assembly, solenoid valve, and electric float to control various functions in the oven or proofer.
- Monitor the temperature and other settings regularly and adjust them as needed to ensure the proper functioning of the oven or proofer.
- Refer to the instruction manual for any troubleshooting or maintenance needs.
Parts depreciation
| CODE | DESCRIPTION DE GRILLE | GRILL DESCRIPTION | QTY | |
| GR24029 | GRILLE CHROMEE 24″ X 29″ | CHROMED GRILL 24″ X 29″ | 6 | |
| GR2635 | GRILLE D’ETUVE 26″ X 35″ | PROOFER GRILL 26″ X 35″ | 7 | |
| GRP 11T | POTEAU JAOP6 | POLE FOR JAOP6 | 4 | |
| GR27U 260 | SUPPORT A GRILLE ETUV E | RACK FOR PROOFER GRILL | 2 | |
| Item | Part # | Description | Quant | |
| 1 | ELM617 | BLACK COVER FOR ELM616 | COUVERCLE NO!R POUR ELM616 | 1 |
| 2 | ELM616 | ELECTRONIC TIMER | M!NUTER!E ELECTRON!QUE | 1 |
| 3 | ELM629 | ELECTRONIC TIMER 8 PIN SOCKET | BASE 8 CON. POUR M!NUTER!E ELECTRON!QUE | 1 |
| 4 | ELM618 | FIXING FOR PANASONIC TIMER | F!XAT!ON POUR M!NUTER!E PANASON!C | 1 |
| 5 | ELP401 | BLACK PUSHBUTTON PUSH-IN PUSH-OUT | BOUTON POUSSO!R NO!R POUSSE- POUSSE | 1 |
| 6 | ELI406 | BASE WITH 1NO | BASE AVEC 1NO | 2 |
| 7 | ELT515 | ELECTRONIC THERMOSTAT | THERMOSTAT ELECTRON!QUE | 1 |
| 8 | ELM726 | FIXING FOR OMRON TIMER | F!XAT!ON POUR M!NUTER!E OMRON | 1 |
| 9 | ELI404 | SELECTOR 3 POS. RIGHT RETURN TOWARDS CENTER WHITE | SELEC. BLANC 3 POS. RETOUR DRO!T VERS CENTRE | 1 |
| 10 | ELL405 | CONTACT BLOCK NO | BLOC CONTACT NO | 3 |
| 11 | ELL415 | WHITE BASE LED 120V WITH 1NO | BASE LED 120V BLANC AVEC 1NO | 1 |
| 12 | ELI403 | BLACK SELECTOR 3 POS. | SELECTEUR 3 POS. NO!R | 1 |
| 13 | ELI413 | BASE WITH 2NO | BASE AVEC 2NO | 1 |
| 14 | ELI402 | BLACK SELECTOR 2 POS. | SELECTEUR 2 POS. NO!R | 2 |
| 15 | ELI408 | MOUNTING BASE ONLY | BASE SANS CONTACT | 1 |
| 16 | ELI409 | CONTACT BLOCK NC | BLOC CONTACT NC | 1 |
| 17 | ELL650 | RED PILOT LIGHT 250V | LAMPE TEMO!N ROUGE 250 V | 3 |
| 18 | ELB096 | 5A BREAKER | D!SJONCTEUR 5A | 1 |
| 19 | ELT620 | THERMOSTAT BEZEL | PLAQUE DE THERMOSTAT | 1 |
| 20 | ELT627 | THERMOSTAT 110°F | THERMOSTAT 110°F | 1 |
| 21 | ELT628 | THERMOSTAT KNOB 110°F | BOUTON DE THERMOSTAT 110°F | 1 |
| 22 | ELI240 | INFINITY SWITCH KNOB | BOUTON DE CONTROLE D HUM!D!TE | 1 |
| 23 | ELI220 | HUMIDITY CONTROL 120V | CONTROLEUR D HUM!D!TE 120V | 1 |
| 24 | 50010610 | PROTECTIVE GUARD FOR ELI220 & ELI230 | GARDE DE PROTECT!ON POUR EL!220– 230 | 1 |
| 25 | ELB097 | 20A BREAKER | D!SJONCTEUR 20A | 2 |
| 26 | PAR850 | SWIVEL CASTER WITH BREAK | ROULETTE P!VOTANTE AVEC FRE!N | 2 |
| 27 | PAR800 | SWIVEL CASTER | ROULETTE P!VOTANTE | 2 |
| 28 | QUP320 | DOOR HINGE | PENTURE DE PORTE | 8 |
| 29 | QUP465 | STAIN. STEEL TUBULAR HANDLE FOR DOOR | PO!GNEE DE PORTE TUBULA!RE (AC!ER !NOX.) | 4 |
| 30 | QUA200 | DOOR MAGNET | A!MANT DE PORTE | 8 |
| 31 | STP500 | DRIP PAN JAOP3, 6 AND 14 | PLAT D EGOUT JAOP3,6 ET 14 | 1 |

| Item | Part Number | Description | Quantity |
| 1 | ELM760 | COOLING FAN 120V | 1 |
| 2 | ELT503 | HIGH LIMIT SWITCH 140°F | 1 |
| 3 | ELS950 | BUZZER 120V | 2 |
| 4 | ELM570 | DOOR SWITCH 15A | 1 |
| 5 | ELM730 | BLOWER ASSEMBLY FOR OVEN PROOFER | 1 |
| 6 | ELT505 | THERMODISK 300°F | 1 |
| 7 | ELS887 | SOLENOID VALVE WITH DIN CONNECTION 110/120V 50/60HZ | 2 |
| 8 | ELV590 | NEEDLE VALVE | 2 |
| 9 | QUF350 | ELECTRIC FLOAT | 1 |
| 10 | ELC640 | CONTROL RELAY BASE | 1 |
| 11 | ELC630 | CONTROL RELAY 12A COIL 120V | 1 |
| 12 | ELC617 | BASE RELAY 8 PINS | 1 |
| 13 | ELC615 | RELAY 10A 2P COIL 110V | 1 |
| 14 | ELC860 | CONTACTOR 2P 30A 110V | 1 |
| 15 | ELD050 | INCANDESCENT LIGHT SOCKET | 2 |
| 16 | ELA275 | BULB 60W 130V | 2 |
| 17 | ELT506 | HIGH LIMIT SWITCH (500°F) | 1 |
| 18 | ELS889 | JUNCTION BOX FOR ELS887 & ELS888 | 1 |
| 19 | ELM820M | MOTOR 3/4HP 3PH 208/230/460V 60HZ/50HZ | 1 |
| 20 | PLF100 | WATER FILTER | 1 |
| 21 | ELD081 | FRAME AND LIGHT SOCKET 77-708 120 VOLT | 3 |
| OR | ELD082 | FRAME AND LIGHT SOCKET 77-708 230 VOLT | 3 |
| 22 | 50010894 | ASSY. FRAME,CLASS,GASKET AND SCREW FOR ELD081 & ELD082 | 3 |
| !tem | Num. Piece | Description | Quantite |
| 1 | ELM760 | VENTILATEUR DE REFROIDISSEMENT 120V | 1 |
| 2 | ELT503 | THERMODISQUE 140°F | 1 |
| 3 | ELS950 | SONNERIE 120V | 2 |
| 4 | ELM570 | MICRO INTERRUPTEUR 15A (PORTE) | 1 |
| 5 | ELM730 | VENTILATEUR ASSEMBLE POUR ETUVE DE FOUR | 1 |
| 6 | ELT505 | THERMODISQUE 300°F | 1 |
| 7 | ELS887 | VALVE A SOLENOTDE AVEC CONNECTION DIN 110/120V 50/60HZ | 2 |
| 8 | ELV590 | VALVE A POINTEAU | 2 |
| 9 | QUF350 | INTERRUPTEUR A NIVEAU D’EAU | 1 |
| 10 | ELC640 | BASE DE RELAIS DE CONTROLE | 1 |
| 11 | ELC630 | RELAIS DE CONTROLE 12A BOBINE 120V | 1 |
| 12 | ELC617 | BASE DE RELAIS 8 CONNECTEUR | 1 |
| 13 | ELC615 | RELAIS 10A 2P BOBINE 110V | 1 |
| 14 | ELC860 | CONTACTEUR 2P 30A 110V | 1 |
| 15 | ELD050 | BASE DE LUMIERE | 2 |
| 16 | ELA275 | AMPOULE INCANDESCENTE 60W 130V | 2 |
| 17 | ELT506 | THERMODISQUE HAUTE TEMPERATURE (500°F) | 1 |
| 18 | ELS889 | BOTTE DE JONCTION POUR ELS887 ET ELS888 | 1 |
| 19 | ELM820M | MOTEUR 3/4HP 3PH 208/230/460V 60HZ/50HZ | 1 |
| 20 | PLF100 | FILTRE A EAU | 1 |
| 21 | ELD081 | SOCKET AVEC BOITIER DE LUMIERE 77-708 120 VOLT | 3 |
| OU | ELD082 | SOCKET AVEC BOITIER DE LUMIERE 77-708 230 VOLT | 3 |
| 22 | 50010894 | ASSY. COUVERT,VITRE,GASKET ET VIS POUR ELD081 & ELD082 | 3 |
Note: As of April 2010, parts ELD081, ELD082 (#21) & 50010894 (#22) will replace parts ELD050 & ELA275.
PAN. CONT. SIMPLE 120/208-240V 183PH, AVEC ATV& ZELIO, SANS BoiTIER CONTROL PAN. SINGLE 120/208-240V 1&3PH, WITH ATV & ZELIO, WITHOUT BOX C-1
| No | CODE | DESCRIPTION | QTY |
| 1 | ELB072 | TERMINAL BLOCK 3P 175A | 1 |
| 2 | ELB071 | TERMINAL BLOCK 2P 175A | 1 |
| 3 | ELL050 | 70A GROUND LUG | 2 |
| 4 | ELC915 | CONTACTOR TELEMECANIC (COIL 120V) | 2 |
| 5 | ELB083 | BREAKER 2P 15A | 1 |
| 6 | ELM716 | PROG. AUTOMAT ZELIO 8 IN/8 OUT | 1 |
| 7 | ELB073A | ELECTRIC ATTACH | 2 |
| 8 | ELB073 | TERMINAL BLOCK 30A | 15 |
| 9 | ELB073B | INSULATING BARRIER | 1 |
| 10 | FEV001 | INVERTER 240 V | 1 |

| N° | CODE | ENGLISH DESCRIPTION | QTY |
| ELB072 | TERMINAL BLOCK 3P 175A | ||
| 2 | ELB071 | TERMINAL BLOCK 2P 175A | |
| 3 | ELL050 | 70A GROUND LUG | 2 |
| 4 | ELC915 | CONTACTOR TELEMECANIC (COIL 120V) | 2 |
| 5 | ELC498 | SURGE SUPRESSOR 110-240VAC LAD4RCU | 2 |
| 6 | ELCB00 | SOLID STATE RELAY FOR WATLOW CONTROL | |
| 7 | ELC629 | BASE PLATE FOR RELAY ELC628 | 2 |
| 8 | ELC628 | RELAY 5A 120VAC DOUBLE CONTACT | |
| 9 | ELB073 | TERMINAL BLOCK 30A | 19 |
| 10 | ELB073B | INSULATING BARRIER | |
| 11 | ELB073A | ELECTRIC ATTACH | 2 |
| 12 | FEV00 1 | INVERTER 240 V | |
| 13 | ELB083 | BREAKER 2P 15A |




















