OMCAN PE-IT-0005 Electric Countertop Pizza Deck Oven

Omcan Manufacturing and Distributing Company Inc., Food Machinery of America, Inc. dba Omcan and Omcan Inc. are not responsible for any harm or injury caused due to any person’s improper or negligent use of this equipment. The product shall only be operated by someone over the age of 18, of sound mind, and not under the influence of any drugs or alcohol, who has been trained in the correct operation of this machine, and is wearing authorized, proper safety clothing. Any modification to the machine voids any warranty and may cause harm to individuals using the machine or in the vicinity of the machine while in operation.
CHECK PACKAGE UPON ARRIVAL
Upon receipt of an Omcan shipment please inspect for external damage. If no damage is evident on the external packaging, open carton to ensure all ordered items are within the box, and there is no concealed damage to the machine. If the package has suffered rough handling, bumps or damage (visible or concealed), please note it on the bill of lading before accepting the delivery and contact Omcan within 24 hours, so we may initiate a claim with the carrier. A detailed report on the extent of the damage caused to the machine must be filled out within three days, from the delivery date shown in the shipping documents. Omcan has no recourse for damaged products that were shipped collect or third party. Before operating any equipment, always read and familiarize yourself with all operation and safety instructions. Omcan would like to thank you for purchasing this machine. It’s of the utmost importance to save these instructions for future reference. Also save the original box and packaging for shipping the equipment if servicing or returning of the machine is required.
Safety and Warranty
WARNINGS FOR THE INSTALLER
Check that the location of the oven is in compliance with local, and national regulations.
- Adhere to the instructions in this manual.
- Do not execute electrical connections using temporary or uninsulated cables.
- Check that the ground connection of the electrical system is functioning properly.
- Always use individual safety devices and other means of protection in compliance with the law.
WARNING FOR THE USER
The conditions in the surrounding area where the machine will be installed must have the following characteristics:
- The area must be dry.
- The area must have water and heat sources at an adequate distance.
- Ventilation and lighting must be suitable and comply with the hygiene and safety standards foreseen by current laws.
- The floor must be flat and compact to facilitate thorough cleaning.
- There must be no obstacles of any kind in the immediate vicinity of the machine that could effect the machine’s normal ventilation.
In addition, the user must:
- Make certain to keep children away from the machine when it is operating.
- Adhere to the instructions in this manual.
- Not remove or tamper with the safety devices on the machine.
- Always pay careful attention to the work at hand and not use the machine when in a distracted state.
- Perform all operations with maximum safety and calm.
- Respect the instructions and warnings displayed on the machine labels.
The labels are accident prevention devices, and therefore must always be perfectly legible. If these should be damaged and illegible, it is mandatory to replace them by requesting replacements from the Manufacturer. - At the end of each working shift, before cleaning, maintenance or transfer operations, disconnect electrical power.
WARNINGS FOR THE MAINTENANCE OPERATOR
Observe the instructions indicated in this manual.
- Always use individual safety devices and other protection means.
- Before starting any maintenance operations, make sure that the oven, it was used, is cooled down.
- If any of the safety devices is worn or faulty, the oven is also considered faulty and not to be used.
- Disconnect electrical power before intervening on electrical or electronic parts and connectors.
RESIDENTIAL USERS:
Vendor assumes no liability for parts or labor coverage for component failure or other damages resulting from installation in non-commercial or residential applications. The right is reserved to deny shipment for residential usage; if this occurs, you will be notified as soon as possible.
1 YEAR PARTS AND LABOUR BENCH WARRANTY
Within the warranty period, contact Omcan Inc. at 1-800-465-0234 to schedule a drop off to either an Omcan authorized service depot in the area, or to an Omcan Service warehouse to repair the equipment. Unauthorized maintenance will void the warranty. Warranty covers electrical and part failures, not improper use. Please see https://omcan.com/disclaimer for complete info.
WARNING:
The packaging components are classified as normal solid urban waste and can therefore be disposed of without difficulty. In any case, for suitable recycling, we suggest disposing of the products separately (differentiated waste) according to the current norms. DO NOT DISCARD ANY PACKAGING MATERIALS IN THE ENVIRONMENT!
Technical Specifications
| Model | PE-IT-0005 | PE-IT-0010 |
| Maximum Temperature | 450°C / 842°F | |
| Electrical | 220V / 60Hz / 1 | |
| Power | 2.2 kW | 3.6 kW |
| Chamber Dimensions | 13.8” x 13.8” x 3.3” 350 x 350 x 85mm | 19.6” x 19.6” x 5.1” 500 x 500 x 130mm |
| External Dimensions | 23.4” x 19” x 11.3” 594 x 483 x 287mm | 29.3” x 26” x 12.6” 744 x 660 x 320mm |
| Packaging Dimensions | 25.6” x 23.2” x 15” 650 x 590 x 380mm | 31.9” x 30.3” x 17.3” 810 x 770 x 440mm |
| Weight | 66 lbs. / 30 kgs. | 77 lbs. / 35 kgs. |
| Packaging Weight | 77 lbs. / 35 kgs. | 88 lbs. / 40 kgs. |
| Item Number | 40633 | 40634 |
Installation
Responsibility for operations executed in the location where the machine is installed is, and remains, of the user. The user is also responsible for execution of controls related to the installation of the machine. The user must adhere to all local and national safety regulations. The equipment must be installed on floors with adequate load capacity. The assembly and disassembly instructions for the oven are reserved for specialized technicians. It is always recommended that users contact our assistance service for technical requests. If other technicians intervene, it is recommended to make certain of their skills. Prior to starting machine assembly or disassembly, the installer must adhere to safety precautions in compliance with the law, and in particular must:
- Not operate in adverse conditions.
- Operate in perfect psycho/physical conditions and must check that the individual accident prevention devices are perfectly functional.
- Wear accident prevention gloves.
- Wear accident prevention footwear.
- Use tools that are electrically insulated.
- Make sure that the area used for assembly and disassembly is free of any obstacles.
OVEN INSTALLATION LOCATION
The following figure illustrates the minimum distances that must be respected when positioning the machine to facilitate use, cleaning and maintenance of the oven. The minimum distance that must be respected between the oven and surrounding walls or other machines must be approximately 7.9” / 20 cm.
Installation must be executed by qualified personnel in compliance with local and national regulations.
OVEN POSITIONING
Ensure that the oven is put on a stand with a suitable carrying capacity and that it is flat. After unpacking the oven from its packing, position it in the prepared location, taking into account the minimum distances. Remove possible protections in polystyrene and take off the protecting film (F) to avoid use of tools that can damage the surfaces.
EQUIPMENT HOOK-UP
Electrical connection
The oven is not provided with a power supply cable. When connecting the appliance electrically, an automatic RCD must be interposed with an opening distance between contacts of at least 0.1” / 3 mm. To connect the appliance electrically it is essential to proceed in the following way:
- Raise the cover of the oven.
- Connect to the terminal block the power cable.
The power supply cable must be of H07-RNF type, with an approved minimum cross-section as prescribed by the specific directive.
The electrical outlet must be easy to access, no moving should be necessary.
The electrical connection (plug) must be easily accessible, also following oven installation.
The distance between the machine and the socket must be adequate to not cause tension in the power supply cable. In addition, the cable must not be located beneath the machine support base. If the electrical power supply cable is damaged, it must be replaced by the technical assistance service or by a qualified technician to prevent any risks.
Ground connection
It is mandatory that the electrical system is equipped with a ground connection. The appliance must be part of an equipotential system. The connection is done on the terminal marked with symbol which you will find near the cable clamp. The equipotential symbol is showed in the following figure.
OVEN START UP AND USE
COMMAND PANEL DESCRIPTION
FIRST LIGHTING OF THE OVEN
At the first use of the appliance it is advisable to heat the empty oven to eliminate bad smells caused by the refractory stones evaporation and the inner metallic parts.
Procedure:
- Set the main switch in the position “1” after checking that the oven is connected with the power supply.
- Leave the oven working (empty) for at least 8 hours at the temperature of 300° before proceeding to the first baking.
START-UP PHASE OVEN
After connecting the oven to the electric net set the main switch in position “1”. The analogic thermometer display shows the actual average temperature of the baking chamber. Rotate the thermostat knobs to the expected temperature. In this way top and bottom heating elements are underworking and the relevant light signals switch on.
GENERAL INDICATIONS OF PROPER COOKING
Generally, for food products, it is not advisable to give precise temperatures and baking time, because of their different characteristics. Particularly, regarding pizza and similar products, time and temperatures depend on the shape and thickness of the dough, as well as on the quantity and typology of the additional ingredients. For those reasons, it is always advisable to carry out previously some baking tests, (particularly when it is an absolute new oven), with the aim of understanding as much as possible the characteristics and the functions of the oven.
Operation
Ideal time and temperature choice varies for baking a pizza correctly; mostly depending on the operator’s experience.
WORKING PHASE
While working, at any time the oven can be modified in its temperature parameters; in addition, pizza baking operation can be verified by inner chamber light. Once the oven has reached the set temperature, it is possible to put in the pizza/s for baking, proceeding as follows:
- Open the door of the oven by suitable handles.
- To light the inner chamber set the lighting button in the position “1”.
- Put in the oven the pizza/s to bake with suitable instruments for said use.
- Close the door by using suitable handles and check the baking through the door glass.
- When baking has concluded, open the door by the suitable handles and take out the pizza/s by suitable instruments for said use.
When opening the door while the oven is on, it is important to stay at the right distance, to avoid being affected by the heat coming out from the chamber. Use suitable instruments to bake in and displace the pizzas in the baking chamber, to avoid burns. When opening the door to bake the pizza/s, do not leave it opened for a long time, to avoid heat dispersion and consequently chamber temperature drop. Avoid oil and fats to drop on bottom; as they will flame at high temperatures.
SHUT DOWN PHASE
To shut down the oven turn the main switch to the position “0”.
Maintenance
Before performing any maintenance operations, including cleaning, take the following precautions:
- Ensure that the oven is not working and completely cold.
- Ensure that the electrical power is not present.
- Make certain that the electrical power cannot be accidentally turned on. Disconnect the plug from the electrical power socket.
- Use individual protection devices in compliance with the local directive.
- Always operate using appropriate maintenance tools.
- Once maintenance and repairs are finished, before starting up the oven, reinstall all of the protection devices and reactivate all of the safety devices.
ORDINARY MAINTENANCE FOR THE USER
Cleaning of refractory surface
The oven must be cleaned at the end of each use, in compliance with the hygiene regulations and to safeguard machine operation. Before proceeding the oven temperature must be at 350° C for roughly 60 minutes (setting 350° on the top and on the bottom as well), for an easy baking scoriae carbonization. Once the temperature is reached, switch off the oven and wait until the temperature drops to roughly 100°C (the best temperature for cleaning). At this stage disconnect the electric power supply. After dressing in gloves and suitable dresses as protection from burns, open the door and with a brush in natural fiber with a long handle, proceed to the first removal of baking fragments from the refractory stones, then take them out by a suitable vacuum cleaner. At the end, clean the refractory stone with a humid cloth.
External cleaning of the oven
Oven external areas cleaning, external parts in stainless steel, door glass, and switch panel, must be carried out at cold oven and at the disconnected electric power supply. Use a sponge or a soft cloth, not abrasive, slightly humidified with water or possibly with a neutral detergent not corrosive. In any case, do not use water jets which can penetrate through the electric parts and easily damage them, as well as create hazardous conditions.
Troubleshooting
| SYMPTOM | POSSIBLE CAUSE | SUGGESTED REMEDY |
| The oven doesn’t heat despite the temperatures are correctly set. The pilot lights of the heating elements are off. | Main switch off (positioned on “0”). | Set the main switch to position “1”. |
| The oven doesn’t heat despite the main switch is on (position 1) and the temperatures are correctly set. The function pilot lights of the heating elements are off. | No electric Energy in the net. | Check the general contactor, the socket, the plug, and the supply cable. |
| The oven does not switch on and the digital display is off. | Main switch off (positioned on “0”). | Set the main switch to position “1”. |
| The display is off in spite of the main switch being on position 1 and the electric supply is in order. | Digital control panel defected. | Replace the Digital control panel. |
| Inner light bulb does not switch on. | Burned inner light bulb. | Replace inner light bulb. |
| Inner light bulb switch defected. | Replace light bulb switch. | |
| No electric supply power on the light bulb. | Check electric connection with the light bulb. | |
| The baking chamber does not heat suitably. | The set temperature are too low. | Set the right temperature. |
| The baking chamber does not heat suitably in spite of the temperature being set rightly. | One or more heating elements have defected. | Replace the defecate heating elements. |
| The temperature continues going up over the set by thermostats. | Thermostat probe or thermostat contacts defective. | Check and if necessary replace the thermostat/s. |
Parts Breakdown
Model PE-IT-0005 40633 Model PE-IT-0010 40634


Model PE-IT-0005 40633
| Item No. | Description | Position | Item No. | Description | Position | Item No. | Description | Position |
| 42830 | Heating Element 1400W 230V for 40633 | 1 | 42838 | Brick 350 x 350 x 19 for 40633 | 9 | 42048 | Luminious Unipolar Red Switch for 40633 | 12 |
| 42831 | Terminal Board PA220FV 12 Poles 16sqmm 750V-76A for 40633 | 2 | 42839 | Ensemble Door for 40633 | 10 | 65540 | Thermostat Knob AP10 (Deg C) for 40633 | 13 |
| 42040 | Lamp Holder E14 Code BJB77.222 for 40633 | 3 | 42840 | Door for 40633 | 10.1 | 42050 | Ego Unipolar Thermostat for 470° Ovens Bulb 163mm for 40633 | 14 |
| 43657 | Lamp 25W 240V COD2540 for 40633 | 4 | 42841 | Door Internal Panel Assembly for 40633 | 10.2 | 65541 | Pilot Light 250V for 40633 | 15 |
| 42046 | Dome-Form Lamp Glass 77.222.-503.00 for 40633 | 5 | 42842 | Pyroceram 300 x 75 x 4mm for 40633 | 10.3 | 42849 | Resin Bonded Label for 40633 | 16 |
| 72483 | Cable Fastener for 40633 | 6, 7 | 42843 | Elesa Handle for 40633 | 10.4 | 42859 | Heating Element 230V for 40633 | 17 |
| 42837
Mod
Item No.
42043
42831
42040
43657
42046
42835 42836 | Equipotential Attachment (OBO. T5012+OBO.5016M5) for 40633
el PE-IT-0010
Description
Heating Element 1800 W 230V for 40634
Terminal Board PA220FV 12 Poles 16sqmm 750V-76A for 40634 Lamp Holder E14 Code BJB77.222 for 40634
Lamp 25W 240V COD2540 for 40634
Dome-Form Lamp Glass 77.222.-503.00 for 40634 Cable Fastener for 40634 Binder for 40634 | 8
40634
Position
1, 17
2
3
4
5
6 7 | 42844
Item No.
42837
72486
65542
65543
65544
42842 42843 | Luminous Bi-Polar Switch 0-1 CV2 for 40633
Description Equipotential Attachement (OBO. T5012+OBO.5016M5) for 40634
Brick 50x50x14 for 40634 Ensemble Door for 40634 Door for 40634 Door Internal Panel Assembly for 40634 Pyroceram 300 x 75 x 4mm for 40634 Elesa Handle for 40634 | 11
Position
8
9
10
10.1
10.2
10.3 10.4 |
Item No.
42844
42048
65540
42050
65541
42849 |
Description Luminous Bi-Polar Switch 0-1 CV2 for 40634 Luminious Unipolar Red Switch for 40634 Thermostat Knob AP10 (Deg C) for 40634 Ego Unipolar Thermostat for 470° Ovens Bulb 163mm for 40634
Pilot Light 250V for 40634 Resin Bonded Label for 40634 |
Position
11
12
13
14
15
16 |
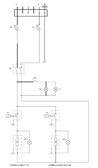
Electrical Schematics
Warranty Registration
Thank you for purchasing an Omcan product. To register your warranty for this product, complete the information below, tear off the card at the perforation and then send to the address specified below. You can also register online by visiting: https://omcan.com/warranty-registration/
For mailing in Canada
OMCAN
PRODUCT WARRANTY REGISTRATION 3115 Pepper Mill Court,
Mississauga, Ontario
Canada, L5L 4X5
Since 1951 Omcan has grown to become a leading distributor of equipment and supplies to the North American foodservice industry. Our success over these many years can be attributed to our commitment to strengthening and develop new and existing relationships with our valued customers and manufacturers. Today with partners in North America, Europe, Asia and South America, we continually work to improve and grow the company. We strive to offer customers exceptional value through our qualified local sales and service representatives who provide convenient access to over 5,000 globally sourced products.





















