Electric Pizza Ovens
Models PE-CN-1800-S, 3200-D
Items 24210, 39580
Instruction Manual
Revised – 03/29/2021
Toll Free: 1-800-465-0234
Fax: 905-607-0234
Email: [email protected]
www.omcan.com

General Information
Omcan Manufacturing and Distributing Company Inc., Food Machinery of America, Inc. dba Omcan and Omcan Inc. are not responsible for any harm or injury caused due to any person’s improper or negligent use of this equipment. The product shall only be operated by someone over the age of 18, of sound mind, and not under the influence of any drugs or alcohol, who has been trained in the correct operation of this machine and is wearing authorized proper safety clothing. Any modification to the machine voids any warranty and may cause harm to individuals using the machine or in the vicinity of the machine while in operation.
CHECK PACKAGE UPON ARRIVAL
Upon receipt of an Omcan shipment please inspect for external damage. If no damage is evident on the external packaging, open the carton to ensure all ordered items are within the box, and there is no concealed damage to the machine. If the package has suffered rough handling, bumps, or damage (visible or concealed), please note it on the bill of lading before accepting the delivery and contact Omcan within 24 hours, so we may initiate a claim with the carrier. A detailed report on the extent of the damage caused to the machine must be filled out within three days, from the delivery date shown in the shipping documents. Omcan has no recourse for damaged products that were shipped collect or third party.
Before operating any equipment, always read and familiarize yourself with all operation and safety instructions.
Omcan would like to thank you for purchasing this machine. It’s of the utmost importance to save these instructions for future reference. Also save the original box and packaging for shipping the equipment if servicing or returning of the machine is required.
Safety and Warranty
CAUTION: REMOVE THE POLYFORM FROM THE INNER OF THE OVEN BEFORE USING!
Please take notice that the unit will still be too hot to handle immediately after use.
If the power cord is damaged, it must be replaced by a qualified technician.
Note: The pizza stones are NOT covered under warranty.
1 YEAR PARTS AND LABOUR WARRANTY
Within the warranty period, contact Omcan Inc. at 1-800-465-0234 to schedule an Omcan authorized service technician to repair the equipment locally.
Unauthorized maintenance will void the warranty. The warranty covers electrical and part failures, not improper use.
Please see https://omcan.com/disclaimer for complete info.
WARNING:
The packaging components are classified as normal solid urban waste and can therefore be disposed of without difficulty. In any case, for suitable recycling, we suggest disposing of the products separately (differentiated waste) according to the current norms.
DO NOT DISCARD ANY PACKAGING MATERIALS IN THE ENVIRONMENT!
Technical Specifications
| Model | PE-CN-1800-S | PE-CN-3200-D |
| Temperature Range | 176.7 – 398.9°C / 350 – 750°F | |
| Electrical | 120V / 60Hz | 240V / 60Hz |
| Power | 1800 W | 3200 W |
| Chamber Dimensions | 18.1′ x 18.1″ x 3.9- 460 x 460 x 100mm | (18.1″ x 18.1″ x 3.9″) x 2 (460 x 460 x 100mm) x 2 |
| External Dimensions | 27.2″ x 27.4″ x 15.3″ 690 x 695 x 387mm | 27.2″ x 27.4″ x 25.8″ 690 x 695 x 654mm |
| Packaging Dimensions | 34″ x 33″ x 19.5′ 864 x 838 x 495mm | 34″ x 33″ x 32″ 864 x 838 x 813mm |
| Weight | 88 lbs. / 40 kgs. | 160 lbs. / 73 kgs. |
| Packaging Weight | 136.4 lbs. / 62 kgs. | 198 lbs. / 90 kgs. |
| Item Number | 24210 | 39580 |
Installation
Take out the Pizza Oven from the packaging and locate the unit on a firm level surface.
When this appliance is to be positioned in close proximity to a wall, partitions, kitchen furniture, decorative finishes, etc., it is recommended that they be made of non-combustible material, if not, they shall be clad with a suitable non-combustible heat-insulating material, and that the closest attention is paid to fire prevention regulations.
Once the Pizza Oven has been placed in its proper location. Take out the polyfoam which is inside the unit, the Pizza Oven is ready to operate now.
Before first use, please warm up the unit for 10 minutes until all smoke and/or odor has dissipated.
Operation
Put the food into the oven, turn the thermostat dial to the required setting and cook. The general cooking temperature is between 220°C and 280°C. This may vary for particular kinds of foods if needed. When not cooking, the thermostat is turned off.
The temperature range for baking fresh pizza is usually between 500°F (260 °C) and 575 °F(300 °C), depending on the individual product. Generally, frozen items are cooked at a lower temperature, but always follow recommended cooking instructions.
Baking pizza until the cheese bubbles and the bottom is evenly browned, rotating it during the baking process if necessary.
Open and close the door quickly when putting pizza in the oven to prevent heat from escaping, which can slow down cooking time.
Maintenance
The Pizza Oven should be cleaned using warm, soapy water after each day’s operation.
Do not immerse completely in water to clean.
The appliance is not to be cleaned with a water jet.
HELP
If the Pizza Oven does not work, please check the following:
- The power supply is correct and the thermostat is turned on.
- The positions of the switch and thermostats are correct.
Parts Breakdown
Model PE-CN-1800-S
24210
Model PE-CN-3200-D
39580
Parts Breakdown
Model PE-CN-1800-S
24210
Item No. | Description | Position | Item No. | Description | Position | Item No. | Description | Position |
| 78408 | Top Cover for 24210 | 1 | 78415 | Side Plates for 24210 | 9 | 78423 | Switch (Yellow-Green) for 24210 | 17 |
| 78409 | Inside Spun Blanket Fixed Plate for 24210 | 2 | 78416 | Bottom Cover for 24210 | 10 | 78424 | Brick for 24210 | 18 |
| 78410 | Chimney for 24210 | 3 | 78417 | Feet for 24210 | 11 | 78425 | Door for 24210 | 19 |
| 78411 | Back Plate for 24210 | 4 | 78418 | Thermometer for 24210 | 12 | 78426 | Top Protecting Plates for Box for 24210 | 20 |
| 78412 | Thermal Cut Out for 24210 | 5 | 78419 | Thermostat for 24210 | 13 | 78427 | Element for 24210 | 21 |
| AF725 | Lamp 120V for 24210 | 0 | 78420 | Timer for 24210 | 14 | 78428 | Bottom Protecting Plates for Box for 24210 | 22 |
| 78413 | Plug and Lead for 24210 | 7 | 78421 | Dial for 24210 | 15 | 78429 | Inside Plate for 24210 | 23 |
| 78414 | Insulation Plate for 24210 | 8 | 78422 | Switch (Yellow) for 24210 | 16 |
Model PE-CN-3200-D
39580
| Item No. | Description | Position | Item No. Description Position | Item No. Description | Position |
| 78408 | Top Cover for 39580 | 1 | 78415 Side Plates for 39580 9 | 78423 Switch (Yellow-Green) for 39580 | 17 |
| 78409 | Inside Spun Blanket Fixed Plate for 39580 | 2 | 78416 Bottom Cover for 39580 10 | 78424 Brick for 39580 | 18 |
| 78410 | Chimney for 39580 | 3 | 78417 Feet for 39580 11 | 78430 Door for 39580 | 19 |
| 78411 | Back Plate for 39580 | 4 | 78418 Thermometer for 39580 12 | 78426 Top Protecting Plates for Box for 39580 | 20 |
| 78412 | Thermal Cut Out for 39580 | 5 | 78419 Thermostat for 39580 13 | 78427 Element for 39580 | 21 |
| 72798 | Lamp 230V for 39580 | 6 | 78420 Timer for 39580 14 | 78428 Bottom Protecting Plates for Box for39580 | 22 |
| 78413 | Plug and Lead for 39580 | 7 | 78421 Dial for 39580 15 | 78431 Bottom Inside for 39580 | 23 |
| 78414 | Insulation Plate for 39580 | 8 | 78422 Switch (Yellow) for 39580 16 | 78429 Top Inside for 39580 | 24 |
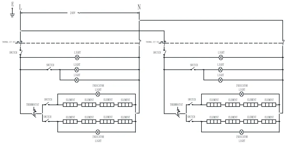
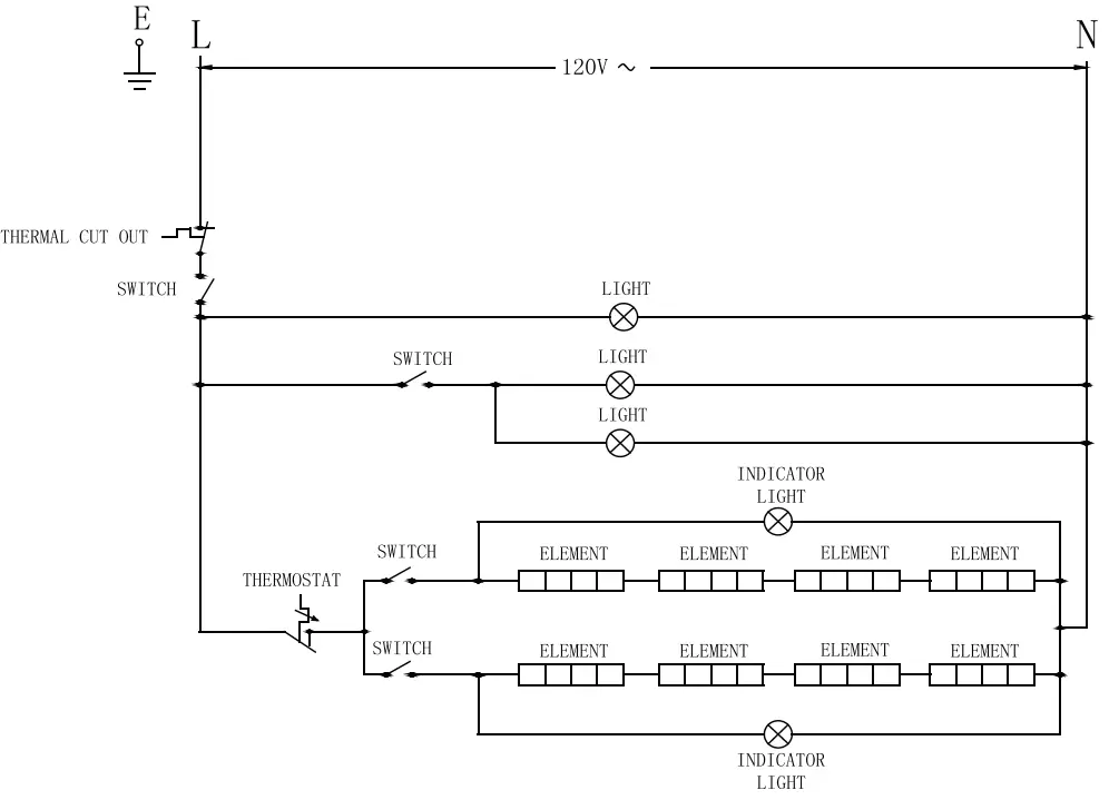
Electrical Schematics
Model PE-CN-1800-S
24210
Model PE-CN-3200-D
39580
Notes
________________________________________________________________________________________ ________________________________________________________________________________________ ________________________________________________________________________________________ ________________________________________________________________________________________ ________________________________________________________________________________________ ________________________________________________________________________________________ ________________________________________________________________________________________ ________________________________________________________________________________________ ________________________________________________________________________________________ ________________________________________________________________________________________ ________________________________________________________________________________________ ________________________________________________________________________________________ ________________________________________________________________________________________ ________________________________________________________________________________________ ________________________________________________________________________________________ ________________________________________________________________________________________
Warranty Registration
Thank you for purchasing an Omcan product. To register your warranty for this product, complete the information below, tear off the card at the perforation and then send to the address specified below. You can also register online by visiting:
https://omcan.com/warranty-registration/
For mailing in Canada
OMCAN
PRODUCT WARRANTY REGISTRATION
3115 Pepper Mill Court,
Mississauga, Ontario
Canada, L5L 4X5
For mailing in the US
OMCAN
Por correo en los EE.UU.
PRODUCT WARRANTY REGISTRATION
4450 Witmer Industrial Estates, Unit 4,
Niagara Falls, New York
USA, 14305
or email to: [email protected]
Purchaser’s Information
Name:…………………………………………………………………………………………………………
Address:……………………………………………………………………………………………………..
City: ………………..Province or State:…………………Postal or Zip:……………………..
Country:…………………………………………………………………………………………………….
The dealer from which Purchased: ……………………………………………………………
Dealer City: ……………………..Dealer Province or State:………………………………..
Invoice:……………………………………………………………………………………………………..
Model Number:………………………….Model Number……………………………………
Machine Description:……………………………………………………………………………….
Date of Purchase (MM/DD/YYYY): …………………………………………………….
Would you like to extend the warranty? Yes No
Company Name:………………………………………………………………………………………
Telephone:………………………………………………………………………………………………..
Email Address:………………………………………………………………………………………….
Type of Company:
Restaurant
Bakery
Butcher
Supermarket
Institution (specify):……………………………………………………………………………….
Other (specify):……………………………………………………………………………………..
Serial Number:………………………………………………………………………………………
Date of Installation (MM/DD/YYYY):……………………………………………….
Thank you for choosing Omcan 
Since 1951 Omcan has grown to become a leading distributor of equipment and supplies to the North American food service industry. Our success over these many years can be attributed to our commitment to strengthen and develop new and existing relationships with our valued customers and manufacturers. Today with partners in North America, Europe, Asia and South America, we continually work to improve and grow the company. We strive to offer customers exceptional value through our qualified local sales and service representatives who provide convenient access to over 5,000 globally sourced products.




















