215146 Ex d Terminal Box
Owner’s Manual
215146 Ex d Terminal Box
Installation Equipment
Ex d terminal box
8252/14-0LLL0-111 Art. No. 215146
- Ex d enclosure in 3 sizes, pre- mounted with threads and DIN rails for standard terminals
- Enclosure holes for quick and easy mounting
- Also suitable for versions with electronic components and relays
The new R. STAHL Series 8252/ 1 Ex d terminal boxes are made of seawater- resistant, copper- free aluminium casting alloy. The DIN rail is pre- mounted; in addition, the enclosures can be configured flexibly: Three sizes, 3, 4 or 5 hubs, metric or NPT thread – and always individually equipped, also with electronic components and relays.
Technical Data
| Explosion Protection | |
| Application range (zones) | 1 2 21 22 |
| IECEx gas certificate | IECEx BVS 11.0059X |
| IECEx gas explosion protection | Ex d IIC T5-T6 Gb |
| IECEx dust certificate | IECEx BVS 11.0059X |
| IECEx dust explosion protection | Ex tb IIIC -180°C-95°C Db |
| ATEX gas certificate | BVS 11 ATEX E 114 X |
| ATEX gas explosion protection | G II 2 G Ex d IIC T5-T6 Gb |
| ATEX dust certificate | BVS 11 ATEX E 114 X |
| ATEX dust explosion protection | G II 2 D Ex tb IIIC T80°C-95°C Db |
| EAC certificate | TS RU S-DE.AA71.B.00113 |
| Certificates | ATEX (BVS). China (NEPSI). EAC (ENDCE). IECEx (BVS), India (PESO) |
Electrical Data
Rated operational voltage AC………………… 0 – 690 V
Ambient Conditions
Ambient temperature…………….. -60 °C … +70 °C
Mechanical Data
| Degree of protection (IP) | IP66 |
| Degree of protection note | according to IEC/EN 60529 |
| Enclosure material | Cast aluminium alloy. Copper-free, powder-coated |
| Enclosure colour | Light grey (RAL 7032) |
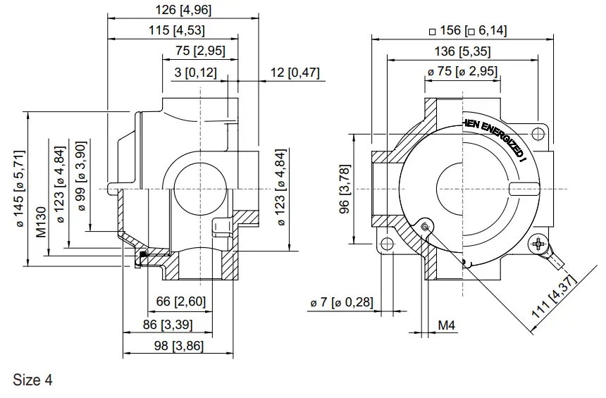
| Dimensions (WxHxD) | 156 x 156 x 115 mm |
| Width | 156 mm |
| Height | 156 mm |
| Depth | 115 mm |
| Built-in components | Mounting rail |
| Enclosure size | 4 |
| Floor openings (BASE) | without entry & without adaptor |
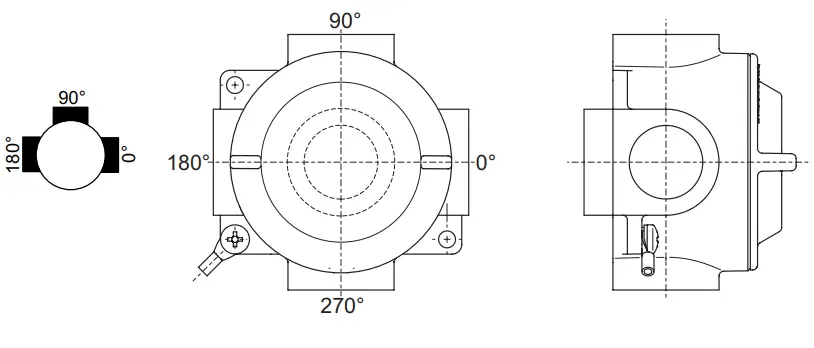
| Left openings (180°) | NPT1-1/2 |
| Top openings (90°) | NPT1-1/2 |
| Right openings (0°) | NPT1-1/2 |
| Bottom openings (270°) | without entry & without adaptor |
| Weight | 1.69 kg |
| Weight | 3.73 lb |
Technical Drawings – Subject to Alterations
Dimensional Drawings (All Dimensions in mm [inches]) – Subject to Alterations
Accessories
| DIN rail | Art. No. |
| TS15 Dimensions: 15 x 5.5 x 120 | 211475 |
| TS35 Dimensions: 35 x 7.5 x 115 | 211859 |
| Mounting plate | Art. No. |
| 100 x 100 x 2 | 211479 |
| O-ring | Art. No. |
| 123.5 x 3 | 211483 |
We reserve the right to make alterations to the technical data, dimensions, weights, designs and products available without notice. The illustrations cannot be considered binding. 2022-11-18 V 0.80 EN
R. STAHL Schaltgeräte GmbH
Am Bahnhof 30
74638 WALDENBURG
Tel. +49 7942 943 1700
+49 7942 943 1777
Email: [email protected]
r-stahl.com



















