Installation Equipment Ex d terminal box
8252/12-0JJJ0-111 Art. No. 215145
WebCode 8252A
- Ex d enclosure in 3 sizes, pre- mounted with threads and DIN rails for standard terminals
- Enclosure holes for quick and easy mounting
- Also suitable for versions with electronic components and relays
The new R. STAHL Series 8252/ 1 Ex d terminal boxes are made of seawater- resistant, copper- free aluminium casting alloy. The DIN rail is pre- mounted; in addition, the enclosures can be configured flexibly: Three sizes, 3, 4 or 5 hubs, metric or NPT thread – and always individually equipped, also with electronic components and relays.
Technical Data
Explosion Protection
| Application range (zones) | 1 2 21 22 |
| IECEx gas certificate | IECEx BVS 11.0059X |
| IECEx gas explosion protection | Ex d IIC T5-T6 Gb |
| IECEx dust certificate | IECEx BVS 11.0059X |
| IECEx dust explosion protection | Ex tb IIIC T80°C-95°C Db |
| ATEX gas certificate | BVS 11 ATEX E 114 X |
| ATEX gas explosion protection | |
| ATEX dust certificate | BVS 11 ATEX E 114 X |
| ATEX dust explosion protection | |
| EAC certificate | TS RU S-DE.AA71.B.00113 |
| EAC gas explosion protection | |
| EAC dust explosion protection | |
| Certificates | ATEX (BVS), China (NEPSI), EAC (ENDCE), IECEx (BVS), India (PESO) |
Electrical Data
| Rated operational voltage AC | 0 – 690 V |
Ambient Conditions
| Ambient temperature | -60 °C … +70 °C |
Mechanical Data
| Degree of protection (IP) | IP66 |
| Degree of protection note | according to IEC/ EN 60529 |
| Enclosure material | Cast aluminium alloy, Copper- free, powder- coated |
| Enclosure colour | Light grey (RAL 7032) |
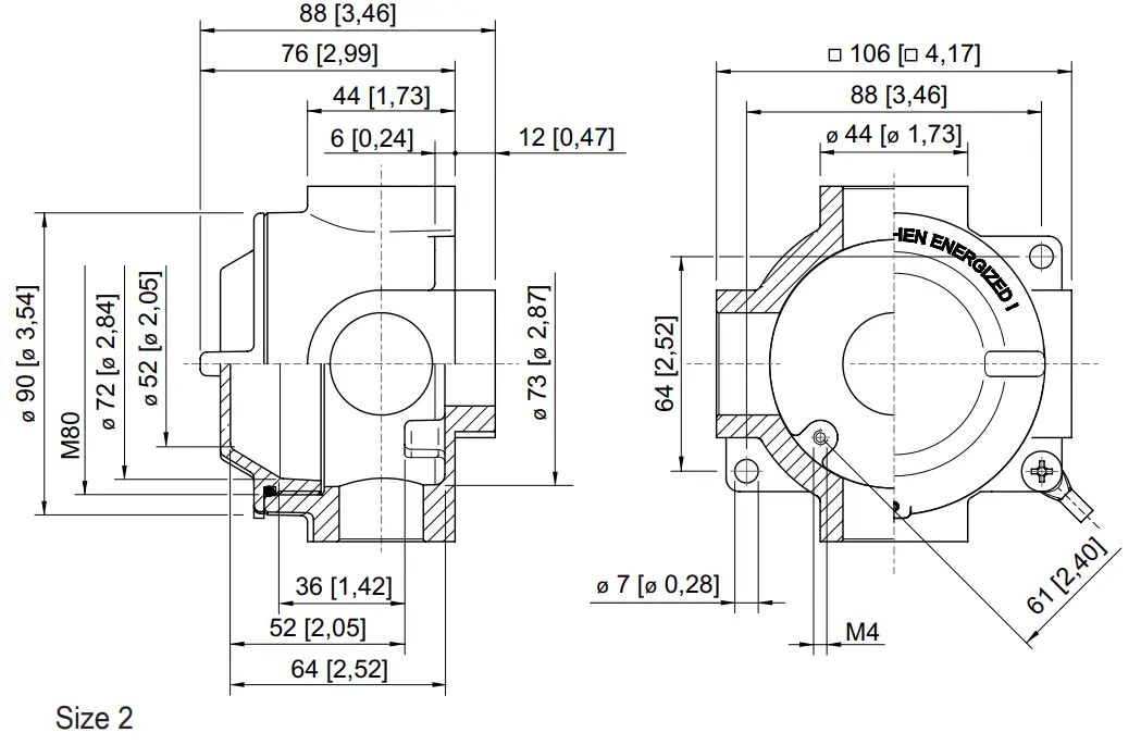
| Dimensions (WxHxD) | 106 x 106 x 76 mm |
Mechanical Data
| Width | 106 mm |
| Height | 106 mm |
| Depth | 76 mm |
| Built-in components | Mounting rail |
| Enclosure size | 2 |
| Floor openings (BASE) | without entry & without adaptor |
| Left openings (180°) | NPT1 |
| Top openings (90°) | NPT1 |
| Right openings (0°) | NPT1 |
| Bottom openings (270°) | without entry & without adaptor |
| Weight | 0.53 kg |
| Weight | 1.17 lb |
Technical Drawings – Subject to Alterations
Dimensional Drawings (All Dimensions in mm [inches]) – Subject to Alterations
Accessories
| DIN rail | Art. No. | |
| TS15 Dimensions: 15 x 5.5 x 72 | ||
| Mounting plate | Art. No. | |
| 58 x 58 x 2 | 211477 | |
| O-ring | Art. No. | |
| 73.5 x 3 | 211481 |
Installation Equipment
Ex d terminal box
8252/12-0JJJ0-111 Art. No. 215145
We reserve the right to make alterations to the technical data, dimensions, weights, designs and products available without notice. The illustrations cannot be considered binding.
2022-11-18
R. STAHL Schaltgeräte GmbH | Am Bahnhof 30
74638 WALDENBURG
V 0.102 EN
Tel. +49 7942 943 1700 | +49 7942 943 1777
Email: [email protected] | r-stahl.com



















