STAHL 215144 Ex d Terminal Box Owner’s Manual
- Ex d enclosure in 3 sizes, pre-mounted with threads and DIN rails for standard terminals
- Enclosure holes for quick and easy mounting
- Also suitable for versions with electronic components and relays
WebCode 8252A 
The new R. STAHL Series 8252/1 Ex d terminal boxes are made of seawater-resistant, copper-free aluminium casting alloy. The DIN rail is pre-mounted; in addition, the enclosures can be configured flexibly: Three sizes, 3, 4 or 5 hubs, metric or NPT thread – and always individually equipped, also with electronic components and relays.
Technical Data
| Explosion Protection | |
| Application range (zones) | 1 2 21 22 |
| IECEx gas certificate | IECEx BVS 11.0059X |
| IECEx gas explosion protection | Ex d IIC T5-T6 Gb |
| IECEx dust certificate | IECEx BVS 11.0059X |
| IECEx dust explosion protection | Ex tb IIIC T80°C-95°C Db |
| ATEX gas certificate | BVS 11 ATEX E 114 X |
| ATEX gas explosion protection | E II 2 G Ex d IIC T5-T6 Gb |
| ATEX dust certificate | BVS 11 ATEX E 114 X |
| ATEX dust explosion protection | E II 2 D Ex tb IIIC T80°C-95°C Db |
| EAC certificate | TS RU S-DE.AA71.B.00113 |
| EAC gas explosion protection | 7 1Ex d [ia Ga] IIC T6…T4 Gb X 7 1Ex d [ib Gb] IIC T6…T4 Gb X |
| EAC dust explosion protection | 7 Ex tb IIIC T80°…T130°C Db X |
| Certificates | ATEX (BVS), China (NEPSI), EAC (ENDCE), IECEx (BVS), India (PESO) |
| Electrical Data | |
| Rated operational voltage AC | 0 – 690 V |
| Ambient Conditions | |
| Ambient temperature | -60 °C … +70 °C |
| Mechanical Data | |
| Degree of protection (IP) | IP66 |
| Degree of protection note | according to IEC/EN 60529 |
| Enclosure material | Cast aluminium alloy, Copper-free, powder-coated |
| Enclosure colour | Light grey (RAL 7032) |
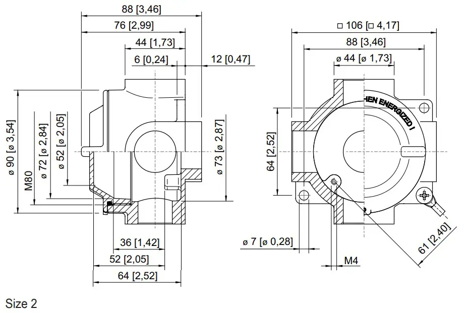
| Dimensions (WxHxD) | 106 x 106 x 76 mm |
Installation Equipment
Ex d terminal box
8252/12-0III0-111 Art. No. 215144
| Mechanical Data | |
| Width | 106 mm |
| Height | 106 mm |
| Depth | 76 mm |
| Built-in components | Mounting rail |
| Enclosure size | 2 |
| Floor openings (BASE) | without entry & without adaptor |
| Left openings (180°) | NPT3/4 |
| Top openings (90°) | NPT3/4 |
| Right openings (0°) | NPT3/4 |
| Bottom openings (270°) | without entry & without adaptor |
| Weight | 0.55 kg |
| Weight | 1.21 lb |
Technical Drawings – Subject to Alterations


Dimensional Drawings (All Dimensions in mm [inches]) – Subject to Alterations

Accessories
| DINrail Art. No. | ||
| TS15 Dimensions: 15 x 5.5 x 72 | 211473 | |
| Mounting plate Art. No. | ||
| 58 x 58 x 2 | 211477 | |
| O-ring Art. No. | ||
| 73.5 x 3 | 211481 | |
2022-11-18 R. STAHL Schaltgeräte GmbH | Am Bahnhof 30 | 74638 WALDENBURG 2/3 V 0.104 EN Tel. +49 7942 943 1700 | +49 7942 943 1777 | Email: [email protected] | r-stahl.com
Installation Equipment
Ex d terminal box
8252/12-0III0-111 Art. No. 215144
We reserve the right to make alterations to the technical data, dimensions, weights, designs and products available without notice. The illustrations cannot be considered binding.



















