User Manual
Adjustable Speed Conveyor Ovens

Conforms to UL STD.197
Models: 177CVROV10RA, 177CVROV10RB, 177CVROV10RD177CVROV14RB, 177CVROV14RD
Please read and keep these instructions. Indoor use only.
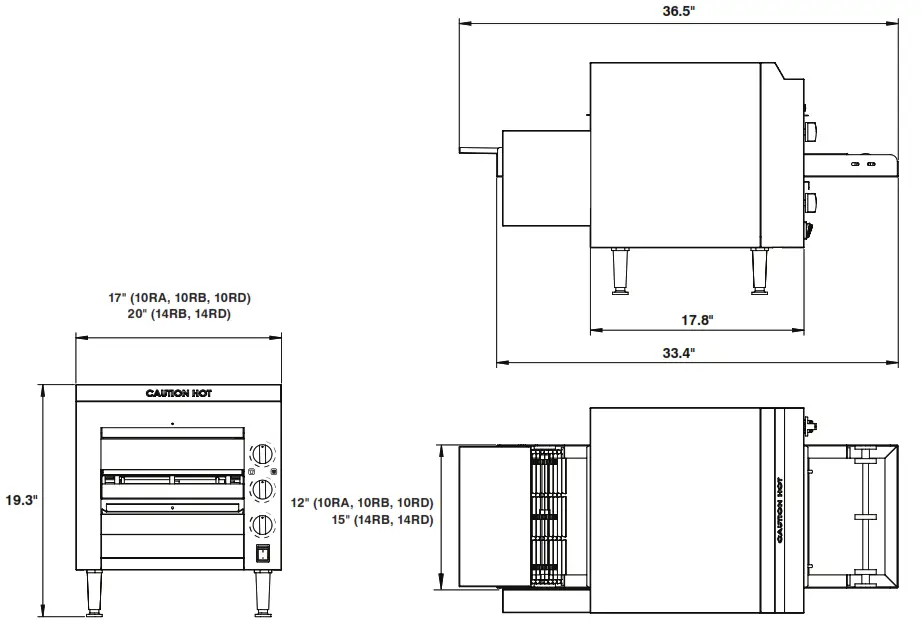
Specifications
| Item # | Height | Width | Depth | Belt Width |
| 177CNVYOV10RA | 19.3″ | 17″ | 36.5″ | 10.5″ |
| 177CNVYOV10RB | 19.3″ | 17″ | 36.5″ | 10.5″ |
| 177CNVYOV10RD | 19.3″ | 17″ | 36.5″ | 10.5″ |
| 177CNVYOV14RB | 19.3″ | 20″ | 36.5″ | 14″ |
| 177CNVYOV14RD | 19.3″ | 20″ | 36.5″ | 14″ |

Important Safety Information
When using electrical appliances, basic safety precautions should always be followed, including the following:
- Read all instructions carefully and completely.
- For commercial use only.
- DO NOT touch hot surfaces.
- Protect against electrical shock by keeping all cords, plugs, and other electrical components away from water or other liquids.
- Unplug this unit when not in use and before cleaning.
- Allow the unit to cool before putting on or taking off parts.
- DO NOT operate this or any appliance with a damaged electrical cord or plug.
- DO NOT operate this or any appliance after it has malfunctioned or has been damaged in any way.
- DO NOT use outdoors.
- DO NOT place on or near a hot gas or electric burner.
- DO NOT use appliance for any application other than intended use.
- DO NOT insert metal utensils or oversized foods into this unit, as they may cause a fire and heighten the risk of electrical shock.
- DO NOT store any item on top of this unit when in operation.
- DO NOT allow this oven to touch or be covered by flammable material, such as curtains, draperies, walls, etc., when in operation.
- DO NOT clean with metal scouring pads, as pieces can break off and touch electrical components, heightening the risk of electrical shock.
- NEVER place materials such as paper, cardboard, plastic, etc. in this oven.
- DO NOT cover interior of this unit with metal foil, as it may cause the oven to overheat.
- Note that the use of accessories not recommended by the manufacturer may result in injury.
- Children should be supervised to ensure that they DO NOT play with the oven.
- This appliance is not intended for use by persons with reduced physical sensory or mental capabilities, or lack of experience and knowledge, unless a person responsible fro their safety has given them supervision or instruction concerning use of the appliance.
- When using the appliance in shops, snack bars, hotels etc., check the voltage and outlet to make sure the appliance is correctly connected with power.
- Place unit on a flat surface that is well ventilated. The appliance must be supervised during operation. DO NOT leave appliance without powering off.
WARNING: Unit has a fan on bottom that is blocked if feet are not installed. Using the oven with no air flow will cause heating element and/or motor to fail.
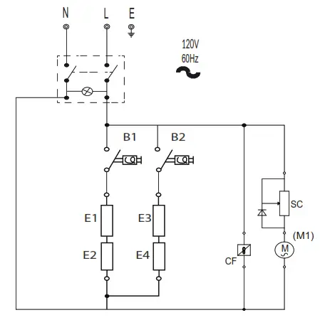
Circuit Diagrams
177CVROV10RA
| Description | |
| SW | Main Switch |
| E1 / E2 | Top Element – 420W / 60V |
| E3 / E4 | Bottom Element – 420W / 60V |
| M1 | Conveyor Motor – 120V |
| CF | Cooling Fan – 120V |
| SC | Conveyor Speed Control |
| B1 | Adjustable Thermostat – Top Elements |
| B2 | Adjustable Thermostat – Bottom Elements |

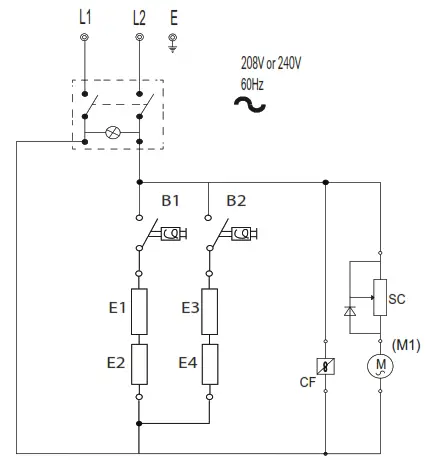
177CVROV10RB & 177CVROV10RD
| Description | |
| SW | Main Switch |
| E1 / E2 | Top Element – 700W / 100V (10B) or 700W / 120V (10D) |
| E3 / E4 | Bottom Element – 700W / 100V (10B) or 700W / 120V (10D) |
| M1 | Conveyor Motor – 240V |
| CF | Cooling Fan – 240V |
| SC | Conveyor Speed Control |
| B1 | Adjustable Thermostat – Top Elements |
| B2 | Adjustable Thermostat – Bottom Elements |

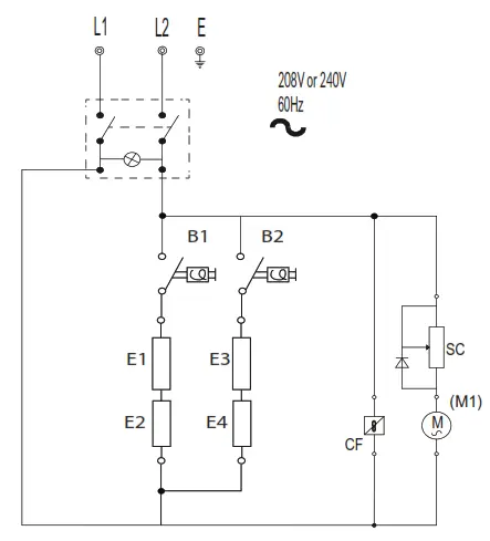
Circuit Diagrams
177CVROV14RB & 177CVROV14RD
| Description | |
| SW | Main Switch |
| E1 / E2 | Top Element – 875W / 100V (14B) or 900W / 120V (14D) |
| E3 / E4 | Bottom Element – 875W / 100V (14B) or 900W / 120V (14D) |
| M1 | Conveyor Motor – 240V |
| CF | Cooling Fan – 240V |
| SC | Conveyor Speed Control |
| B1 | Adjustable Thermostat – Top Elements |
| B2 | Adjustable Thermostat – Bottom Elements |

Installation
CAUTION
To reduce the risk of fire, the appliance is to be installed on a non-combustible surface and in noncombustible surroundings only, with no combustible material within 18″ of the sides, front, or rear, or within 40″ above the appliance.
NOTE: Model 177CVROV14RB is for use on an individual branch circuit ONLY.
Before Use
Before cooking anything in your oven for the first time, please follow these simple instructions:
- The conveyor oven has been designed to toast sandwiches, melt cheese, and finish pizza/flatbreads.
- It is intended for use in low to medium volume commercial establishments.
- Ensure the support feet are assembled to the unit before commencing operation.
- Thoroughly clean as described in the cleaning section (page 7) of this manual.
- For best results, allow the unit to preheat for 20-25 minutes before use so that the correct operating temperature can be reached.
WARNING: Unit has a fan on bottom that is blocked if feet are not installed. Using the oven with no air flow will cause heating element and/or motor to fail.
Operation Instructions
Controls
The conveyor oven has three controls:
- Conveyor Speed:
Determines the length of time the product is in the heating chamber. - The slower the speed, the longer the exposure and darker the product.
- Top Heating Element Control:
1 is the lowest setting, 7 is the hottest setting. - Bottom Heating Element Control: 1 is the lowest setting, 7 is the hottest setting.

NOTE: The top and bottom heating elements are independently controlled Testing the Unit
- Test the control settings by placing a slice of bread in the oven. It can be placed directly onto the conveyor belt.
- Observe the results and adjust setting to the desired temperature and conveyor speed.
Product appearance or color will vary dependent on conveyor speed and temperature setting.
Other factors that may affect the toasting color:
• The moisture content of the product
• The sugar content of the product
• Initial product temperature
Cleaning & Maintenance
CAUTION
- DO NOT immerse the appliance in water.
- ONLY USE a damp cloth or sponge dipped in soapy water.
- DO NOT use steel wool as it will damage the stainless steel finish.
Exterior
- Unplug the power cord from the wall outlet.
- Wait for the oven to cool completely.
- Wipe off the unit with a dry cloth and wait at least 30 minutes before reconnecting to the power outlet.
Crumb Tray
- Unplug the power cord from the wall outlet.
- Wait for the oven to cool completely.
- Remove the crumb tray from the unit by pulling forward.
- Dispose of the crumbs and clean the tray with a damp cloth or sponge dipped in soapy water.
- Allow tray to dry.
- Insert tray back into unit before using the conveyor oven.
Conveyor Belt
- Turn off the toaster and allow unit to cool completely.
- Turn the unit on and adjust the belt to slow speed and no heat.
- To remove baked-on product, use an abrasive pad to wipe the conveyor belt side to side as it rotates.
- For general cleaning, use a damp cloth to wipe the conveyor belt side to side as it rotates.



















