STAR DT14 SERIES Double Conveyor Oven
MAINTENANCE AND REPAIR:
Contact your local authorized service agent for service or required maintenance. Please record the model number, serial number, voltage and purchase date in the area below and have it ready when you call to ensure a faster service.
SPECIFICATIONS:
9H-DT14
- Type: Double Conveyor Toaster
- 208V, 4,800 watts, 60 hz, 23.6 amp, NEMA 6-30P
- 220V, 4,800 watts, 60 hz, 22.3 amp, NEMA 6-30P
- 240V, 4,800 watts, 60 hz, 20.5 amp, NEMA 6-30P
- 220V, 4,800 watts, 50 hz, 22.3 amp, not supplied with cord or plug
- 240V, 4,800 watts, 50 hz, 20.5 amp, not supplied with cord or plug
- Product Opening
- TOP = 1″ to 2 1/4″ BOTTOM = 1 3/4″
- Approximate weight: installed – 29 Lb s (13 kg), shipping – 102 Lbs (224.4 kg)
- Dimensions: 19 1/2″ – Width, 23 1/2″ – Depth, 24 1/16″ – Height (49.5 cm – Width, 59.7 cm – Depth, 61.1 cm – Height)
- Shipping Dimensions: 30 1/4″ – Width, 26″ – Depth, 30 1/2″ – Height (76.8 cm – Width, 66 cm – Depth, 77.5 cm – Height)
GENERAL INSTALLATION DATA
CAUTION: This equipment is designed and sold for commercial use only by personnel trained and experienced in its operation and is not sold for consumer use in and around the home nor for use directly by the general public in food service locations. Before using your new equipment, read and understand all the instructions & labels associated with the unit prior to putting it into operation. Make sure all people associated with its use understand the units operation & safety before they use the unit.
All shipping containers should be checked for freight damage both visible and concealed. This unit has been tested and carefully packaged to insure delivery of your unit in perfect condition. If equipment is received in damaged condition, either apparent or concealed, a claim must be made with the delivering carrier. Concealed damage or loss – if damage or loss is not apparent until after equipment is unpacked, a request for inspection of concealed damage must be made with carrier within 15 days. Be certain to retain all contents plus external and internal packaging materials for inspection. The carrier will make an inspection and will supply necessary claim forms.
INSPECTION & ASSEMBLY
UNCRATING AND INSPECTING
Unpack the unit and components from the shipping container. Remove all visible packing material and those from inside the cooking chamber. If damage is discovered, file a claim immediately with the carrier that handled the shipment. Do not operate the unit if it was damaged during shipping.
ASSEMBLY AND INSTALLATION
The unit was shipped fully assembled and ready to plug into a 6-30R receptacle. If improper electrical supply is determined, contact a qualified electrician prior to using the unit. Removal and replacement of the power cord and plug will void the warranty. For assistance, contact your local authorized service agent for service or required maintenance. Refer to the Authorized Service Agent Listing that was supplied with unit, or go to the inside cover to find out how to obtain one. Level unit using the adjustable feet under the unit (approximately 1/2″ adjustment). Before using the unit for the first time, wipe down the exterior with a damp cloth. The toast chute may be installed for either front or rear product discharge as shown below.
ADJUSTABLE HEAT SHUTTER
The DT14 is equipped with an adjustable front heat shutter. This is designed to maintain a temperature, by preventing the heat from escaping. This shutter may be adjusted from an opening clearance of 1 1/2″ up to 3″. To adjust shutter, loosen the single Phillips screw on the front of the top cover, slide the shutter up or down to desired height and tighten the Phillips screw.

CRUMB TRAYS
The DT14 is equipped with two (2) crumb trays that are positioned under each conveyor. Operating the unit without the crumb trays will cause it to operate at a higher temperature which will lead to unit shutting down. Be sure to wipe the crumb trays clean using a damp cloth, each day.
CAUTION
Allow enough space around the toaster for adequate ventilation. Do not operate the unit without the crumb tray properly positioned. Overheating and poor toasting may occur. Read all labels on the unit and follow their instructions.
ELECTRICAL CONNECTION
WARNING
Before making any electrical connection to this unit, check that the power supply is adequate for the voltage, amperage and requirements stated on the rating plate. A wiring diagram is included herewith. Disconnect the unit from the power source before installing or removing any parts. Be absolutely sure that the ground connection for the receptacle is properly wired. Do not connect equipment to power without proper ground connections. Improper grounding may result in personal injury or fatality.
WARNING
DO NOT CUT OR REMOVE THE SUPPLIED PLUG OR GROUNDING PRONG FROM THE PLUG.
WARNING
CONNECT/PLUG UNIT INTO DEDICATED A.C. LINE ONLY SPECIFIED ON THE DATA PLATE OF THE UNIT.
WARNING
MAKE SURE ALL INPUT IS OFF OR THAT THE UNIT IS DISCONNECTED FROM THE POWER SUPPLY BEFORE INSTALLING OR REMOVING ANY PART.
WARNING
BEFORE INSTALLING UNIT (S), CHECK WITH LOCAL POWER COMPANY TO DETERMINE ACTUAL VOLTAGE AT THE JOB SITE. NEVER PLUG A 208-VOLT UNIT INTO 240-VOLTS OR A 240-VOLT UNIT INTO A 208-VOLT.
WARNING
BE SURE THE GROUND CONNECTION FOR THE RECEPTACLE IS PROPERLY WIRED. NEVER CONNECT UNIT TO POWER WITHOUT PROPER GROUND CONNECTIONS. IMPROPER GROUND MAY RESULT IN SEVERE INJURY OR FATALITY.
DAILY OPERATION
Check the power cord to insure that it is plugged into a proper outlet. Set the heat control knobs to desired temperature. Always allow a minimum 10 minutes of preheat time before loading the unit with product. Failure to allow sufficient preheat time will result in unsatisfactory cooking until the unit reaches operating temperature.
TOASTER COMPONENTS
The DT14 is equipped with controls on both the left and right side of the unit. The Left side, that controls the top conveyor, has one controller for the conveyor speed, and two knobs that allows you to control the top and bottom elements separately. The right side is exactly the same, but for the lower conveyor.
HIGH LIMIT RESET
Your Holman Conveyor Toaster is equipped with a temperature activated heat limit switch that will interrupt the power to the heater tubes if the temperature inside the control box exceeds 190° F (88°C). The HIGH LIMIT/RESET can be manually reset by pushing the button located at the rear of the control box as shown below.
CAUTION: CERTAIN SURFACES ARE EXTREMELY HOT DURING OPERATION AND CARE SHOULD BE TAKEN WHILE USING THIS UNIT.
COOKING PROCEDURES
A. BREAD TOASTING
- Turn the top and bottom heat controls to FULL POWER.
- Set the conveyor speed to HIGH.
- If your toaster is equipped with separate top and bottom heat controls set them both at HIGH. This will toast both sides of the bread, for one sided toasting, turn off one of the heat controls.
- Allow warm up time of 5 to 10 minutes.
- Place a sample product on the conveyor belt to test the settings.
- If toasting is too light, turn conveyor speed control counterclockwise to a slower speed.
- If toasting is too dark, turn heat controls to a lower heat.
(NOTE: Some products may require adjustment of the top and bottom heat controls in order to achieve the desired results)
B. BUN TOASTING (one sided toasting)
- Depending on the size, buns may be toasted on either the upper or lower conveyor unit. Turn the appropriate heat control(s) of the desired toasting chamber to HI and set the conveyor speed control to 50.
- For top conveyor only, lower the front heat shutter as far as possible leaving just enough room for the product to pass into the toasting chamber without being obstructed.
- Test with a bun half
- If bun half is too light, turn conveyor speed control counterclockwise to a slower speed.
- if bun half is too dark, turn speed control clockwise to a faster speed.
C. DEEP TOASTING (units with variable heat controls)
- Food products that require deep heating without exterior toasting may be heated by reducing the toaster temperature (lowering the top and/or bottom heat controls) while cooking at slower speeds. Some foods require more top heat than bottom heat or visa versa. Every product will require some experimentation to arrive at the proper heat and conveyor speed setting. Each time a setting is changed, allow approximately 5 minutes for the unit to stabilize.
OPERATING HINTS & SAFETY
Disconnect power to the unit with the switch at the end of each day of operation. Do not leave the unit in operation without an attendant. Turn Heat Controls down during idle periods. It will take only a few minutes to regain operating temperature. Do not leave the unit at high temperature when not in use or during idle periods. This will cause food particle and grease film to carbonize. Product (bread) with excessive moisture or frozen will toast differently than day old bread which has less moisture. Never operate the unit without crumb trays in place at this causes overheating in the control box.
CLEANING
Preventive maintenance for your Holman toaster consists of the following recommended cleaning procedures. To keep your toaster in its top operating condition, these steps should be performed on a daily or weekly as indicated.
A. Clean air intake on the front of the unit using a damp cloth. (Daily)
B. Conveyor Belt “Turn the heat controls to the OFF position”
- Using a nut driver, remove the two acorn nuts and washers from each side of the load up trays. Clean trays using mild detergent.
- For units with power saver switch only, turn the unit on and advance the conveyor belt to the next section and wipe the belt. Repeat until the entire belt has been cleaned.
- For units with individual heat controls, turn the unit to FULL POWER and turn the heat controls to the OFF position. Set the conveyor belt speed to the maximum speed and wipe the conveyor belt with a damp cloth as it turns.
- For heavily soiled conveyors, turn conveyor speed control to fastest setting and wipe with a light abrasive pad (as needed).
C. Turn main power saver switch to the OFF position. Disconnect unit from power source.
D. After the unit cools, remove interior crumb tray (as shown on page 5) and clean. Slide crumb tray back into position.
E. Wipe exterior surface of unit, using damp cloth and mild detergent.
WARNING: DO NOT IMMERSE OR LET THE UNIT STAND IN WATER. DO NOT HOSE DOWN THE UNIT OR THE TABLE/COUNTER IF THE UNIT IS ON THE TABLE/COUNTER. KEEP AWAY FROM RUNNING WATER.
MAINTENANCE PROCEDURES
A. REPLACING HEATER TUBES
- DISCONNECT UNIT FROM POWER SOURCE.
- Remove the side panels.
- Remove heater tube wire from terminal block connection, keeping top and bottom wires separate.
- Lift heater tube retainers by loosening retaining screws and sliding the retainer plate up. Hand tighten the plate to hold it up so the heater tubes will slide out freely.
- Gently, pull defective heater tube out of unit.
- Gently, put new heater tube into unit.
- Loosen retainer screws and slide the retainer back into place. Tighten the screw to secure the retainer in place over the ends of the heater tubes.
- Reinstall side panels.
B. REPLACING FAN MOTOR
- DISCONNECT UNIT FROM POWER SOURCE.
- Remove screw from the air intake panel, located below the control box. Remove & wipe clean.
- Remove the screws on the control box cover and remove cover.
- Unplug power supply cord from fan motor.
- Remove (4) screws, which hold fan motor and grill to the control box cover and remove fan.
- Put replacement motor and grill in place and secure to the cover with screws.
- Wipe the control box with a damp cloth, using mild detergent.
- Reconnect power supply cord to fan motor.
- Replace the control box cover & air intake panel. Fasten with screws removed in step 2 & 3.
C. REPLACING BELT DRIVE MOTOR
- DISCONNECT UNIT FROM POWER SOURCE.
- Remove screw from the air intake panel, located below the control box. Remove & wipe clean.
- Remove the screws on the control box cover and remove cover.
- Remove the (3) screws on the side panel and remove panel.
- Remove sprocket from motor shaft, using an Allen wrench and loosening the set-screw.
- Remove the wire from terminal block connecting the drive motor to internal wiring. On units rated 208 or 240 volts, note which color leads are being used for these connections and which lead is capped with white tape. The new motor should use the same arrangement.
- Remove screws holding motor in place and remove motor from unit.
- Put new motor in place and attach loosely with mounting screws.
- Replace sprocket on motor shaft.
NOTE: The two sprockets should line up parallel with each other, so the chain does not twist any during operation. Also the hub gets installed closets to the motor. - Slide motor until the drive chain has about 1/4” slack when lightly pushed at the center of its top open run. See chain tensioning illustration.
- Tighten screws to secure motor.
- Rewire leads same as removed in step 4.
- Replace side panel, control box cover & air intake panel.
D. CLEANING AIR INTAKE ONCE A WEEK
- DISCONNECT UNIT FROM POWER SOURCE.
- Remove screw from the air intake panel. Remove & wipe clean
- Use a vacuum cleaner and or a damp cloth to clean the air intake. This procedure should be done at least every week.

E. LUBRICATE THE CHAIN & SPROCKETS EVERY 6 MONTHS
- DISCONNECT UNIT FROM POWER SOURCE.
- Remove side panels exposing chain drive.
- Using an extreme pressure, synthetic chain lubricant with a temperature range up to 400°F. Apply liberally onto chain and sprockets. This grease is available as part no. 1L-Z12397.
- Replace enclosure, Reconnect power source and test unit.
TROUBLESHOOTING GUIDE
A. UNIT WILL NOT HEAT, CONVEYOR BELT WILL NOT TURN.
1) Be sure the main circuit breaker is switched to the ON position.
2) Check to see if the toaster is plugged in and all controls are turned to the ON position.
3) If this does not resolve the problem,
call the Service Help Desk at 800-264-7827 for assistance.
B. UNIT HAS HEAT ONLY ON ONE SIDE, CONVEYOR BELT TURNS FREELY.
1) Call the Service Help Desk at 800-264-7827, as heating element may need replacing.
C. CONVEYOR WILL NOT TURN, UNIT HEATS PROPERLY.
To check for mechanical binding:
- DISCONNECT UNIT FROM POWER SOURCE.
- Remove 3 screws holding each side panel in place.
- Loosen the four screws that hold the drive motor in place.
- Slide the motor up allowing the drive chain to be removed from the sprockets.
- Move the conveyor belt by hand to check for mechanical binding. If conveyor moves freely, call the Service Help Desk at 800-264-7827, as the drive motor and/or speed control may need replacing.
D. HEAT LIMIT SWITCH (RESET)
Your Holman conveyor toaster is equipped with an automatically activated heat limit switch that interrupts the heater tube connections if the ambient temperature in the control box exceeds
190°F (88C). This switch can be reset manually by pushing the red button located on the back side of the control box as shown in the Toaster Components Illustration on Page 6.
- DISCONNECT UNIT FROM POWER SOURCE.
- Check to see if air intake area in the bottom center of the control box cover is free of dust, grease or other obstructions.
- Check if crumb tray is in place. NEVER OPERATE UNIT WITHOUT CRUMB TRAY IN PLACE AS THIS CAUSES OVERHEATING IN THE CONTROL BOX.
- If no obstructions to the airflow can be found and if the crumb tray is in place, call the Service Help Desk at 800-264-7827 for assistance.
E. CONVEYOR TURNS AT ONE SPEED REGARDLESS OF SPEED CONTROL SETTING.
- Call the Service Help Desk at 800-264-7827, as speed control should be replaced.
LIMITED EQUIPMENT WARRANTY
Star Manufacturing [as well as its subsidiaries] warrants to the original purchaser of new Star products to be free from defects in material or workmanship, under normal and proper use and maintenance service as specified by Star and upon proper installation and start-up in accordance with the instructions supplied with each Star unit. Star’s obligation under this warranty is limited to a period of one [1] year from the date of original installation, or eighteen [18] months from original invoice date, whichever occurs first. Defects that occur as a result of normal use, within the time period and limitations defined in this warranty, will at Star’s discretion have the parts replaced or repaired by Star or a Star-authorized service agency.
THIS WARRANTY IS SUBJECT TO ALL LISTED CONDITIONS
Repairs performed under this warranty are to be performed by a Star authorized service agency. Star will not be responsible for charges incurred or service performed by non-authorized repair agencies. In all cases, the nearest Star-authorized service agency must be used. Star will be responsible for normal labor charges incurred in the repair or replacement of a warrantied product within 50 miles (80.5 km) of an authorized service agency. Time and expense charges for anything beyond that distance will be the responsibility of the owner. All labor will need to be performed during regular service hours. Any overtime premium will be charged to the owner. For all shipments outside the U.S.A. and Canada, please see the International Warranty for specific details. It is the responsibility of the owner to inspect and report any shipping damage claims, hidden or otherwise, promptly following delivery. No mileage or travel charges will be honored on any equipment that is deemed portable. In general, equipment with a cord and plug weighing less than 50 lb. (22.7 kg) is considered portable and should be taken or shipped to the closest authorized service agency, transportation prepaid.
CONTACT
Should you require any assistance regarding the operation or maintenance of any Star Manufacturing; phone, email or fax our service department. In all correspondence provide the model number and serial number of the unit needing service; include the voltage or gas type.
Normal Business Hours: 8:00 a.m. to 4:30 p.m.
Central Telephone: 800-264-7827
Tech Service Option 2
Email: [email protected]
www.Star-Mfg.com
WARRANTY EXCLUSIONS THE FOLLOWING WILL NOT BE COVERED UNDER WARRANTY.
Star’s sole obligation under this warranty is limited to either repair or replacement parts, subject to the additional limitations detailed below. This warranty neither assumes nor authorizes any person to assume obligations other than those expressly covered by this warranty. • Any product which has not been used, maintained, or installed in accordance with the directions published in the appropriate installation sheet and/or owner’s manual, including incorrect gas or electrical connection. Star is not liable for any unit which has been mishandled, abused, misapplied, subjected to harsh chemicals, modified by unauthorized personnel, damaged by flood, fire, or other acts of nature [or God], or which have an altered or missing serial number. • Installation, labor, and job checkouts, calibration of heat controls, air and gas burner/bypass/pilot adjustments, gas or electrical system checks, voltage and phase conversions, cleaning of equipment, or seasoning of griddle surface.
- Replacement of fuses or resetting of circuit breakers, safety controls, or reset buttons.
- Replacement of broken or damaged glass components, quartz heating elements, and light bulbs.
- Labor charges for all removable and consumable parts in gas char broilers and hotplates, including but not limited to burners, grates, and radiant.
- Any labor charges incurred by delays, waiting time, or operating restrictions that hinder a service technician’s ability to perform service.
- Replacement of parts that fail or are damaged due to normal wear or labor for replacement of parts that can be replaced during a daily cleaning routine, such as but not limited to silicone belts, PTFE non-stick sheets, control labels, knobs, bulbs, fuses, quartz heating elements, baskets, racks, and grease drawers.
- Any economic loss of business or profits.
- Non-OEM parts. Use of non-OEM parts without Star’s approval will void the warranty.
- Units exceeding one [1] year from original installation date, or more than eighteen [18] months from original purchase date, whichever comes first.
ADDITIONAL WARRANTIES
Specific/chain-specific equipment may have additional and/or extended warranties.
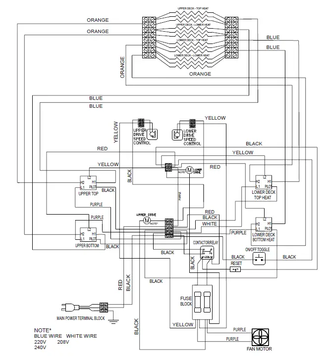
MODEL DT14 208, 220, 240 VOLT 60HzNOTE
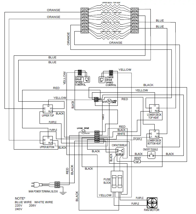
MODEL DT14 220, 240 VOLT 50Hz

PARTS LIST

| Key Number | Part Number | Number Per Unit |
Description & Model | |
| 1 | HM-401125 | 1 | TOP COVER ASSY | |
| 2 | HM-400899 | 1 | SHUTTER, HEAT | |
| 3 | 2C-200005 | 1 | SCREW, 6-32 x 1/2 PHILLIPS, HEAT SHUTTER | |
| 4 | HM-401710 | 1 | BAFFLE | |
| 5 | HM-100996 | 1 | BACK PANEL ASSY | |
| 6 | HM-150027 | 1 | CHAIN, DRIVE 24 IN. | |
| 7 | 2P-200645 | 2 | SPROCKET, 25B17X5/16 | |
| 7 | 2P-200645 | 2 | SPROCKET, 25B17X5/16 | |
| 8 | HA-112261 | 4 | BEARING ASSY-PTFE BRONZE | |
| 9 | 2A-202902 | 2 | SHAFT, DRIVE | |
| 10 | 2A-200284 | 2 | E-CLIP | |
| 11 | 2C-200149 | 2 | FLAT WASHER 5/16 ID | |
| 12 | 2P-150001 | 1 | CHAIN, DRIVE 12 IN | |
| 13 | HM-101362 | 1 | SIDE PANEL RT | |
| 14 | HM-120288 | 1 | MOTOR ASSEMBLY RIGHT, CW 208V, 220V, 240V | |
| 15 | HM-120287 | 1 | MOTOR ASSEMBLY LEFT, CCW, REV 208V, 220V, 240V | |
| 16 | HM-197901 | 12 | HEATERTUBE, QUARTZ 208V, 60 hz | |
| HM-197903 | 12 | HEATERTUBE, QUARTZ 220V, 50 hz | ||
| HM-197902 | 12 | HEATERTUBE, QUARTZ 240V | ||
| 17 | HM-401543 | 4 | RETAINER-HEAT TUBE | |
| 18 | 2K-200464 | 2 | BUSHING, SNAP 7/8 | |
| 19 | 2A-83267 | 4 | LEG 1 INCH CHROME PLASTIC | |
| 20 | SP-118042 | 2 | SPEED CONTROL ASSY | |
| 21 | 2J-200538 | 4 | SWITCH, INFINITE, EGO 240V | |
| 22 | 2M-200834 | 1 | LABEL, TOP HEAT | |
| 2M-200835 | 1 | LABEL, BOTTOM HEAT | ||
| 23 | 2C-200231 | 4 | PALNUT, HEX, 3/8-24 | |
| 24 | 2R-200702 | 4 | KNOB, INFINATE SWITCH | |
| 25 | 2R-200703 | 2 | KNOB, POTENTIOMETER | |
| 26 | HM-401022 | 1 | TOAST CHUTE | |
| 27 | 2C-200002 | 1 | SCREW, 6-32 X 3/4 PHILLIPS, AIR INTAKE | |
| 28 | 2A-200112 | 1 | SPACER, #8 X 3/8” ALUMINUM, AIR INTAKE | |
| 29 | HM-401141 | 1 | SCOOP, AIR INTAKE | |
| 30 | 2R-200562 | 1 | FAN GUARD | |
| 31 | HM-Z10299 | 1 | CONTROL BOX COVER | |
| 32 | 2U-200561 | 1 | MOTOR, FAN 240V, 23BTM | |
| 33 | 2P-401780 | 1 | GUARD, TOGGLE | |
| 34 | 2E-200543 | 1 | ON/OFF SWITCH | |
| 35 | 2E-200566 | 1 | SWITCH, HI-LIMIT RESET | |
| 36 | 2E-Z8966 | 1 | CONTACTOR, 50 AMP 208/240V | |
| 37 | HM-402787 | 2 | CRUMB TRAY | |
| 38 | 2A-202905 | 2 | SHAFT, IDLER | |
| 39 | 2B-200603 | 6 | BELT LINK | |
| 40 | HM-160004 | 2 | BELT, CONVEYOR | |
| 41 | HM-401089 | 2 | GUARD, CONVEYOR | |
| 42 | 2P-200693 | 4 | BEARING-SPRING LOADED | |
| 43 | HM-101361 | 1 | SIDE PANEL LEFT | |
| 44 | 2A-Z9394 | 4 | SPRING BEARING HOUSING AS | |
| 45 | 2P-115501 | 8 | JUMPER, 2 POSITION | |
| 46 | 2P-115502 | 1 | JUMPER, 3 POSITION | |
| 47 | HM-120034 | 1 | CHASSIS, DT14 | |
| 48 | 2C-1487 | 2 | SCREW 6-32X1/4 RHP ST. FUSEHOLDER | |
| 49 | 2C-H8669 | 2 | WASHER #6 INT STL NP | |
| IMPORTANT: WHEN ORDERING, SPECIFY VOLTAGE OR TYPE GAS DESIRED INCLUDE MODEL AND SERIAL NUMBER Some items are included for illustrative purposes only and in certain instances may not be available. | PAGE 1 OF 2 | |||
Double Conveyor Toasters
| Key Number | Part Number | Number Per Unit |
Description | |
| 50 | 2C-2553 | 2 | NUT 6-32 HEX STL NP | |
| 51 | 2E-Z5680 | 2 | FUSE, 5A – CLASS G | |
| 52 | 2E-Z5681 | 1 | FUSEHOLDER, CLASS G | |
| 53 | 2E-200555 | 2 | TERM BLOCK BEU | |
| 54 | SP-115403 | 1 | ASSY, TERM BLOCK 3 POS. SM BUCH | |
| NI | 2E-200757 | 1 | LABEL, ON/OFF | |
| NI | 2E-200468 | 2 | CLAMP, NYLON WIRE 7/8 | |
| NI | 2K-200465 | 1 | BUSHING, CORD HEYCO | |
| NI | 2E-200374 | 1 | CORD SET 12/3 6-30 T714 | |
| NI | 2M-200852 | 1 | LABEL, WARNING POWER | |
| NI | 1P-Z8914 | 1 | EXTREME PRESSURE MULTIPURPOSE SYNTHETIC GREASE (80°F TO 400°F) | |
| IMPORTANT: WHEN ORDERING, SPECIFY VOLTAGE OR TYPE GAS DESIRED INCLUDE MODEL AND SERIAL NUMBER Some items are included for illustrative purposes only and in certain instances may not be available. | PAGE 2 OF 2 | |||






















