Holman 318HX Series Proveyor Multi Purpose Oven
SAFETY SYMBOL
These symbols are intended to alert the user to the presence of important operating and maintenance instructions in the manual accompanying the appliance.
RETAIN THIS MANUAL FOR FUTURE REFERENCE
NOTICE
Using any part other than genuine Star factory supplied parts relieves the manufacturer of all liability. Star reserves the right to change specifications and product design without notice. Such revisions do not entitle the buyer to corresponding changes, improvements, additions or replacements for previously purchased equipment.
Due to periodic changes in designs, methods, procedures, policies and regulations, the specifications contained in this sheet are subject to change without notice. While Star International Holdings Inc., Company exercises good faith efforts to provide information that is accurate, we are not responsible for errors or omissions in information provided or conclusions reached as a result of using the specifications. By using the information provided, the user assumes all risks in connection with such use.
MAINTENANCE AND REPAIRS
Contact your local authorized service agent for service or required maintenance. Please record the model number, serial number, voltage and purchase date in the area below and have it ready when you call to ensure a faster service.
- Model No: ………………………………….
- Serial No: ………………………………….
- Voltage: ………………………………….
- Purchase Date: ………………………………….
CONTACT
Authorized Service Agent Listing
Reference the listing provided with the unit or for an updated listing go to:
- Website: www.star-mfg.com
- E-mail: [email protected]
Service Help Desk
- Business Hours: 8:00 am to 4:30 p.m. Central Standard Time
- Telephone: (800) 264-7827
- Fax: (314) 781-2714
- Email: [email protected]
- Website: www.star-mfg.com
Mailing Address: Star Manufacturing International Inc. 265 Hobson Street Smithville, TN 37166 US.A
Specifications
| Model | Voltage | Hz | Watts | Amps | Phase | Cord |
| 314HX | 208V |
50 | 5,400 | 8.7 | 3Ph | 6-50P |
| 240V | 6-30P | |||||
| 318HX | 208V | 6,200 | 9.9 | 3Ph | 6-50P | |
| 240V | 6-30P | |||||
| Dimensions | Weight | |||||
| Width | Depth | Height | Installed | Shipping | ||
| 314HX | 60” (152.4 cm) | 21 1/4” (54cm) | 16 1/8” (40cm) | 86lbs (40kg) | 115lbs (52kg) | |
| 318HX | 24 7/8” (63.2cm) | 96lbs (44kg) | 130lbs (59kg) | |||
GENERAL INSTALLATION DATA
This equipment is designed and sold for commercial use only by personnel trained and experienced in its operation and is not sold for consumer use in and around the home nor for use directly by the general public in food service locations.
Before using your new equipment, read and understand all the instructions & labels associated with the unit prior to putting it into operation. Make sure all people associated with its use understand the units operation & safety before they use the unit. All shipping containers should be checked for freight damage both visible and concealed. This unit has been tested and carefully packaged to insure delivery of your unit in perfect condition. If equipment is received in damaged condition, either apparent or concealed, a claim must be made with the delivering carrier. Concealed damage or loss – if damage or loss is not apparent until after equipment is unpacked, a request for inspection of concealed damage must be made with carrier within 15 days. Be certain to retain all contents plus external and internal packaging materials for inspection. The carrier will make an inspection and will supply necessary claim forms.
INSPECTION & ASSEMBLY
UNCRATING AND INSPECTING
Unpack the unit and components from the shipping container. Remove all visible packing material and those from inside the cooking chamber. If damage is discovered, file a claim immediately with the carrier that handled the shipment. Do not operate the unit if it was damaged during shipping. The following should be included: Proveyor Multi-Purpose Oven, Stainless Steel Load Up & Unload Trays, 4 Stainless Steel Legs.
WARNING: REMOVE ALL HEATING ELEMENT SHIPPING SUPPORTS PRIOR TO PLACING YOUR UNIT INTO OPERATION.
ASSEMBLY AND INSTALLATION
The unit was shipped with certain assembly required, plug into a standard outlet specified for its voltage and amp draw. If improper electrical supply is determined, contact a qualified electrician prior to using the unit. Removal and replacement of the power cord and plug will void the warranty. For assistance, contact your local authorized service agent for service or required maintenance.
Attach the 4 legs by screwing them into the weld nuts located on the bottom of the unit. When complete, use two people to carefully turn the unit upright. Level unit by adjusting the feet (approximately 1/2″ adjustment). Never operate unit without proper legs in place. Before using the unit for the first time, wipe down the exterior with a damp cloth.
CAUTION: Allow enough space around the oven for adequate ventilation. Do not operate the unit without the crumb tray properly positioned. Overheating and poor baking may occur. Read all labels on the unit and follow their instructions.

Install unit in its operating position allow sufficient space for operating personnel. Install the Load, Unload and Crumb Trays as shown, making sure the ends are at least 6″ from any vertical combustible surfaces. Have an electrician connect input power to the unit(s) in accordance with local electrical codes. A connection terminal block is inside the left side cavity for models not provided with a cord and plug set.
HEATING ELEMENTS
Inspect all heating elements in the unit for breakage. Every unit is properly tested prior to leaving the factory, but damage may of occurred during shipping. If a broken tube is found, do not apply power to the unit. If everything checks out, Turn on Main Power Switch, Turn both heat controls and conveyor belt speed control to the maximum setting and check all heater tubes and conveyor for proper operation.
COOLING SYSTEM
After the unit is initially turned on, allow 5 to 8 minutes for the fan cooling system to come on. Once on, check the air intake area located under the unit and be sure that there is a sufficient flow of air into the control box. Keep area under the unit clean from obstructions that may result in restricted air flow to the control box. Restricting the air flow will cause the unit to run hotter then designed, causing the Hi-Limit to turn unit off. See the Oven Components section on page 7 for control box & Hi-Limit Reset locations.
FINAL CHECK
If all heaters and conveyor systems are operating properly, switch the master on/off switch to the OFF position and allow unit to cool, the fan will continue to circulate air, cooling the unit until the internal temperatures have been decreased. If a problem is discovered during any of these start-up procedures, immediately switch the master on/off switch to the OFF position and notify the Star Service Department at (314) 634-6303.
ELECTRICAL CONNECTION
Before making any electrical connection to this unit, check that the power supply is adequate for the voltage, amperage and requirements stated on the rating plate. A wiring diagram is included herewith. Disconnect the unit from the power source before installing or removing any parts. Be absolutely sure that the ground connection for the receptacle is properly wired. Do not connect equipment to power without proper ground connections. Improper grounding may result in personal injury or fatality.
WARNING
- DO NOT CUT OR REMOVE THIS PLUG OR GROUNDING PRONG FROM THE PLUG.
- CONNECT/PLUG UNIT INTO DEDICATED A.C. LINE ONLY SPECIFIED ON THE DATA PLATE OF THE UNIT.
STACKING OVENS
When stacking two Holman Proveyor Ovens a stacking spacer with an external air duct MUST be used to prevent overheating of the control box of the top oven.
- If a cart is to be used with units, place bottom unit on cart and align leg holes of unit with the holeson the cart. Insert 3/8″ bolts through cart and into leg holes to secure bottom unit to cart as shown below.
- Place stacking spacer on top of bottom oven with internal air duct facing up and towards the rear of the oven.
- Mount external air duct on stacking spacer as shown below. External air duct must be installed for cooling system of top unit to function properly.
- Screw cap screws (Qty 4) into leg hold on the top oven.
- Place top oven on stacking spacer. Cap screws will set into cut out in top of stacking spacer tolock unit into position.
NOTE: Air intake of top unit must fit over the internal air duct of stacking spacer to allow airflow into the control box of the top oven.
- TOP UNIT: cap screw, screws into leg holes, unit sits on top of spacer.
- STACKING SPACER: (REQUIRED) Sits on top of bottom oven.
- EXTERNAL AIR DUCT: Mounts onto spacer, pointing downward.
- BOTTOM UNIT: Can be placed on a counter or mounted on cart as shown.
- Cart: Mounting bolts for bottom unit screw into leg holes through the top cart frame.
DAILY OPERATION
Baking in these units is a combination of heat and belt speed. Some foods may require more top heat or visa versa; other foods may require low top and bottom heat and slow belt speeds. Every product should, therefore, be tested using the separate top & bottom controls and the variable speed control to arrive at the correct balance of heat and belt speed. When changing heat and or belt speed setting allow approx. 5 minutes for the oven to stabilize itself at the new settings. Check the power cord to insure that it is plugged into a proper outlet. Always allow 10 to 15 minutes of preheat time before loading the unit with product. Failure to allow sufficient preheat time will result in unsatisfactory cooking until the unit reaches operating temperature.
- Turn the master on/off switch to the ON position.
- Set both the top and bottom heat controls to 500°F (260°C).3-Phase Control Units, set front heat controls to 500°F (260°C)
- Turn conveyor speed control to the fastest setting.
- Allow 10 to 15 minutes for initial warm up,(5 to 8 minutes to reach adjusted temperature, once unit is fully warmed up)
CAUTION: CERTAIN SURFACES ARE EXTREMELY HOT DURING OPERATION AND CARE SHOULD BE TAKEN WHILE USING THIS UNIT.
OVEN COMPONENTS

OPERATING HINTS AND SAFETY
- Disconnect power to the unit with the switch at the end of each day of operation.
- Do not leave the unit in operation without an attendant.
- Do not leave the unit at high temperature when not in use or during idle periods. This will cause food particles and grease film to carbonize. It will take only a few minutes to regain operating temperature.
CLEANING
Preventive maintenance for your Holman Oven consists of the following recommended cleaning procedures. To keep your oven in its top operating condition, these steps should be performed on a daily, weekly or as indicated.
WARNING: DISCONNECT UNIT FROM POWER SUPPLY OR TURN POWER OFF AT WALL BREAKER.
DAILY
- Turn main power switch to the OFF position. Disconnect unit from power source andallow to cool.
- Using a mild detergent, wipe exterior surfaces, clean with a damp cloth.a.For lightly soiled build-up, clean with a damp cloth.b.For heavily soiled build-up, use an soft damp cloth and mild detergent.DO NOT use caustic cleaners.
- Remove the load & unload tray by lifting them out of position. Clean using mild detergent andwarm water.
- Remove each crumb tray by sliding each of them out from under the conveyor belt.Clean crumb trays by wiping with a damp cloth and mild detergent.DO NOT use caustic cleaners. Place trays back in place prior to putting unit back intooperation.
- Reconnect power.
WEEKLY
- Turn main Power switch to the OFF position. Disconnect unit from power source and allow to cool.
- Perform daily cleaning procedures.
- Using a damp cloth, wipe clean the vanguard located on the control box cover under the unit.
- CLEAN CONVEYOR BELT
- Reconnect power or turn power back on.
- Switch the ON/OFF switch to the ON position, and turn Conveyor to its fastest setting.
- With the Conveyor turned on and the crumb trays in place, take a wire grill brush or dry abrasive pad, clean the exposed surface of the Conveyor Belt by passing the brush or pad, back and forth across the surface of the Conveyor Belt as the belt moves past. Continue until the entire belt is clean. Make sure the Crumb Tray is installed, this will minimize the number of particles that fall into the oven.
- When the Conveyor Belt is clean, take a damp cloth and wipe the conveyor, removing any loose particles on the belt surface. Turn the Conveyor OFF.
- Remove the Crumb Trays by sliding out from beneath the conveyor belt. Clean the crumb Trays by wiping with a damp cloth and mild detergent.DO NOT use caustic cleaners.DO NOT RUN CONVEYOR OVEN WITHOUT CRUMB TRAYS INSTALLED.
DO NOT IMMERSE OR LET THE UNIT STAND IN WATER.DO NOT HOSE DOWN THE UNIT OR THE TABLE/COUNTER IF THE UNIT IS ON THE TABLE/COUNTER.
WARNING: KEEP AWAY FROM RUNNING WATER.
MONTHLY
- Turn main power switch to the OFF position. Disconnect unit from power source and allow to cool.
- Perform daily & weekly cleaning procedures. REMOVAL & CLEANING OF CONVEYOR BELT
- Heavily soiled conveyor surfaces, locate the MasterLinks on the conveyor belt. Follow step 1 in Fig 1, remove all of the Master Links. 314 models have 3 master links, 318 models have 4 master links.
- Now that the links have been un-hooked, the conveyor can now be carefully removed from the oven. Standing at one end of the oven. Starting with the end on the bottom, roll the conveyor belt until it has been totally removed. Take careful notice being sure not to damage the heater tubes.
- Clean conveyor belt in deep sink, caustic cleaners may be used. For a heavy soiled conveyor belt, soak over night in hot soapy water.
- NOTE: DO NOT ATTEMPT TO CLEAN THE HEATER TUBES.

- NOTE: DO NOT ATTEMPT TO CLEAN THE HEATER TUBES.
- Take this opportunity to clean and remove any loose materials inside the unit. Using a mild cleaner and damp cloth, carefully wipe the inside surfaces being sure NOT to clean the heater tubes. DAMAGE CAN OCCUR TO THE HEATER TUBES FROM IMPROPER CLEANING.
- CAUTION: DO NOT SPRAY CLEANING SOLUTIONS INTO THE OVEN CAVITY.
- Remove the conveyor support system as shown in Fig 2. by removing the couplers from the mounting Studs. Clean by warm water and an abrasive pad.
- Reinstall the conveyor support system.
- Reinstall the conveyor belt by first laying the belt along the bottom of the oven cavity making sure the hooks on the sides are facing the inside and the ends of the hooks will be pointing away form the direction of the belt so not to catch on any internal components once put back into operation.
- NOTE: THE DIRECTION OF THE BELT.
- Next, pull one end of the conveyor belt over the top of the sprockets, (being sure to line the linksup properly with the sprockets) bringing the two ends together.
- Reinstall the previously removed master links as shown in steps 2 & 3 in Fig. 1.
- Examine the oven to assure proper installation, once satisfied, install crumb trays if youhave not done so.
- Reconnect oven to power supply and check for proper operation.
IF ASSISTANCE IS REQUIRED, CALL THE STAR SERVICE TEAM AT (314) 634-6303.
MAINTENANCE PROCEDURES
REPLACING HEATER TUBES
- DISCONNECT POWER SOURCE.
- Remove both the left and right side panels,by removing the truss head screws. Pull thetop of each panel out slightly and lift up.
- Remove heater tube wires which are requiringreplacement from its terminal block connection.
- Remove heater tube retainer by removingretainer screws with washer.
- Gently, pull defective heater tube out of unit.
- Gently, put new heater tube into unit.
- Replace heater tube retainers.
- Reconnect the heater tube wires to theterminal block.
- Install each side panel
- Connect unit to power source and test unit for proper operation.
REPLACING FAN MOTOR
- DISCONNECT POWER SOURCE.
- After unit has cooled, remove the load &unload trays, and turn unit over so the bottom is facing upward.
- Remove the control box cover which contains the fan motor, by removing the screws.
- Unplug power supply cord from fan motor.
- Remove (4) screws, which hold fan motor and grill to the control box cover and remove fan.
- Once removed, clean grill and control box cover using warm soapy water.
- Put replacement motor and grill in place and secure to the control box cover with screws previously removed.
- Reconnect power supply cord to fan motor.
- Replace back panel and enclosure. Fasten with screws removed in step 3.
- Connect unit to power source and test unit for proper operation.
REPLACING BELT DRIVE MOTOR
- DISCONNECT POWER SOURCE.
- After unit has cooled, remove the load & unload trays,and turn unit over so the bottom is facing upward.
- Remove the control box cover which contains the fanmotor, by removing the (4) screws.
- Remove the side panel that will expose thedrive chain and sprockets.
- Remove sprocket from motor shaft, using an Allenwrench and loosening the set-screw.
- Remove the wire from terminal block connecting thedrive motor to the internal wiring. On units rated 208or 240 volts, note which color leads are being usedfor these connections and which lead is capped withglass tape. The new motor should use the same arrangement.
- Remove screws holding motor in place and remove motor from unit.
- Put new motor in place and attach loosely with mounting screws.
- Replace sprocket on motor shaft.
- NOTE: The two sprockets must line up FLUSH with each other, so the chain does not twist any during operation. Also the hub gets installed closets to the motor.

- NOTE: The two sprockets must line up FLUSH with each other, so the chain does not twist any during operation. Also the hub gets installed closets to the motor.
- Slide motor until the drive chain has about 1/4” slack when lightly pushed at the center of its top open run. See chain tensioning illustration.
- Tighten screws to secure motor.
- Rewire leads same as removed in step 6.
- At this time you may plug unit in and test for proper operation prior to reinstalling panels and turning unit back over onto its feet.
- If unit is working correctly, turn unit off and unplug until completed
- Reinstall side panels and control box cover. Place unit back into its upright position. Reinstall the load & unload trays.
- Connect unit to power source and test unit for proper operation.
REPLACING SPEED CONTROL
- DISCONNECT POWER SOURCE.
- Remove the speed control knob and the locking nut holding the speed control in place.
- Remove right side panel, by removing the truss head screws. Pull the top of the panel out slightly and lift up.
- Wires from the speed control go into a terminal block located on the side of the chassis. Remove the wires from the control and insert wires for the new speed control into the same positions as shown on the wiring diagram.
- Install the washer onto the shaft of the speed control, followed by the installation.
- When mounting the speed control in the side panel be sure to position the anti-rotation pin in the slot as shown.
- Tighten the speed control assembly by using the locking nut, followed by the control knob.
- Reinstall the side panel and tighten with the screws previously removed.
CLEANING AIR INTAKE ONCE A WEEK
- DISCONNECT UNIT FROM POWER SOURCE.
- Place unit on its backside.
- Use a vacuum cleaner and or a damp cloth to clean the air intake. This procedure should be done at least once a week.
LUBRICATE THE CHAIN & SPROCKETS EVERY 6 MONTHS
- DISCONNECT UNIT FROM POWER SOURCE.
- Remove the side panels which exposes chain drive.
- Using an extreme pressure, synthetic chain lubricant with a temperature range up to 400°F. Apply liberally onto chain and sprockets. This grease is available separately as part no. 1P-Z8914. Call 1-(800) 807-9054 to order.
- Replace side panels, Reconnect power source and test unit.
TROUBLESHOOTING GUIDE
UNIT WILL NOT HEAT, CONVEYOR BELT WILL NOT MOVE
- Be sure the main circuit breaker is switched to the ON position and there is power to the outlet.
- Check to see if the oven is plugged in and all controls are turned to the ON position.
- Be sure the Hi-Limit Reset Button is pushed in.
- Call the Star Service Help Desk at (314) 634-6303.
UNIT WILL NOT HEAT, CONVEYOR TURNS PROPERLY
- Check to see if the top and bottom heat controls have been turned to the maximum setting.
- Press the Hi-Limit Reset Button located underneath the conveyor belt on the right side. If this reactivates the heater tubes, see Hi-Limit Reset Section below.
- Call the Star Service Help Desk at (314) 634-6303.
HI-LIMIT (HEAT) RESET
Your Holman conveyor oven is equipped with an automatic activated temperature limit switch which interrupts the heater tube connections if the air temperature in the control box exceeds 190°F (88°C) This limit switch can be reset manually by pushing the button in the center of the switch which is located on the right side under the conveyor belt. See Oven Components on Page 7 for location. Unit will not reset until internal temperature has fallen below 190°F (88°C).
NOTE: THE HI-LIMIT SWITCH CAN BE ACTIVATED IF THERE IS NOT A PROPER AMOUNT OF AIR FLOW BEING GENERATED BY THE COOLING FAN. IF THIS OCCURS:
- DISCONNECT UNIT FROM POWER SOURCE.
- Check to see if the air intake area (center of the control box, bottom of unit) is free of dust, grease or other obstructions.
- Check to see if crumb trays (heat reflectors) are in place. If the Hi-Limit Switch can not be reset, call the Star Service Help Desk at (314) 634-6303.
CAUTION: NEVER OPERATE UNIT WITHOUT CRUMB TRAYS IN POSITION AS THIS CAUSES OVERHEATING IN THE CONTROL BOX.
CONVEYOR WILL NOT TURN, UNIT HEATS PROPERLY
To check for mechanical binding:
- DISCONNECT UNIT FROM POWER SOURCE.
- Check to see if there are obstructions in the conveyor system that may cause a jam. If so, remove obstruction.
- Check power supply & terminal blocks for loose or disconnected wires.
- Remove right side panel and drive motor sprockets, see illustration. Manually move conveyor belt to check for mechanical binding. If conveyor belt moves freely, call the Star Service Help Desk at (314) 634-6303. The drive motor or speed control may have to be replaced.
CONVEYOR TURNS AT ONE SPEED REGARDLESS OF SPEED CONTROL SETTING
- Call the Star Service Help Desk at (314) 634-6303, as speed control MAY need replacing. Refer to REPLACING SPEED CONTROL in the previous section.
COOLING FAN DOES NOT START
- Remove control box cover and check fan blade for obstruction.
- Check electrical connections are secure and complete.
- Call the Star Service Help Desk at (314) 634-6303, as the fan switch and or fan motor MAY need replacing. Refer to REPLACING FAN MOTOR in the previous section.
LIMITED EQUIPMENT WARRANTY
Star Manufacturing [as well as its subsidiaries] warrants to the original purchaser of new Star products to be free from defects in material or workmanship, under normal and proper use and maintenance service as specified by Star and upon proper installation and start-up in accordance with the instructions supplied with each Star unit. Star’s obligation under this warranty is limited to a period of one [1] year from the date of original installation, or eighteen [18] months from original invoice date, whichever occurs first. Defects that occur as a result of normal use, within the time period and limitations defined in this warranty, will at Star’s discretion have the parts replaced or repaired by Star or a Star-authorized service agency.
THIS WARRANTY IS SUBJECT TO ALL LISTED CONDITIONS
Repairs performed under this warranty are to be performed by a Star authorized service agency. Star will not be responsible for charges incurred or service performed by non-authorized repair agencies. In all cases, the nearest Star-authorized service agency must be used. Star will be responsible for normal labor charges incurred in the repair or replacement of a warrantied product within 50 miles (80.5 km) of an authorized service agency. Time and expense charges for anything beyond that distance will be the responsibility of the owner.
All labor will need to be performed during regular service hours. Any overtime premium will be charged to the owner. For all shipments outside the U.S.A. and Canada, please see the International Warranty for specific details. It is the responsibility of the owner to inspect and report any shipping damage claims, hidden or otherwise, promptly following delivery. No mileage or travel charges will be honored on any equipment that is deemed portable. In general, equipment with a cord and plug weighing less than 50 lb. (22.7 kg) is considered portable and should be taken or shipped to the closest authorized service agency, transportation prepaid.
CONTACT
Should you require any assistance regarding the operation or maintenance of any Star Manufacturing; phone, email or fax our service department. In all correspondence provide the model number and serial number of the unit needing service; include the voltage or gas type.
- Normal Business Hours: 8:00 a.m. to 4:30 p.m. Central
- Telephone: 800-264-7827 Tech Service Option 2
- Email: [email protected]
- www.Star-Mfg.com
WARRANTY EXCLUSIONS THE FOLLOWING WILL NOT BE COVERED UNDER WARRANTY
Star’s sole obligation under this warranty is limited to either repair or replacement parts, subject to the additional limitations detailed below. This warranty neither assumes nor authorizes any person to assume obligations other than those expressly covered by this warranty.
- Any product which has not been used, maintained, or installed in accordance with the directions published in the appropriate installation sheet and/or owner’s manual, including incorrect gas or electrical connection. Star is not liable for any unit which has been mishandled, abused, misapplied, subjected to harsh chemicals, modified by unauthorized personnel, damaged by flood, fire, or other acts of nature [or God], or which have an altered or missing serial number.
- Installation, labor, and job checkouts, calibration of heat controls, air and gas burner/bypass/pilot adjustments, gas or electrical system checks, voltage and phase conversions, cleaning of equipment, or seasoning of griddle surface.
- Replacement of fuses or resetting of circuit breakers, safety controls, or reset buttons.
- Replacement of broken or damaged glass components, quartz heating elements, and light bulbs.
- Labor charges for all removable and consumable parts in gas charbroilers and hotplates, including but not limited to burners, grates, and radiants.
- Any labor charges incurred by delays, waiting time, or operating restrictions that hinder a service technician’s ability to perform service.
- Replacement of parts that fail or are damaged due to normal wear or labor for replacement of parts that can be replaced during a daily cleaning routine, such as but not limited to silicone belts, PTFE non-stick sheets, control labels, knobs, bulbs, fuses, quartz heating elements, baskets, racks, and grease drawers.
- Any economic loss of business or profits.
- Non-OEM parts. Use of non-OEM parts without Star’s approval will void the warranty.
- Units exceeding one [1] year from original installation date, or more than eighteen [18] months from original purchase date, whichever comes first.
ADDITIONAL WARRANTIES
- Specific/chain-specific equipment may have additional and/or extended warranties.
| PRODUCTS | PARTS | LABOR |
| Star Ultra Max Ⓡ fryers, griddles, charbroilers and hotplates | 2 years | 2 years |
| Star Max Ⓡ fryers, griddles, charbroilers and hotplates | 2 years | 2 years |
| Staltek™️ roller grill coatings | 5 years | |
| Cast iron grates, burners and burner shields | 1 year | |
| Original Star, Toastmaster or Holman parts sold to repair equipment | 90 days |
The foregoing warranty is in lieu of any, and all other warranties expressed or implied and constitutes the entire warranty.
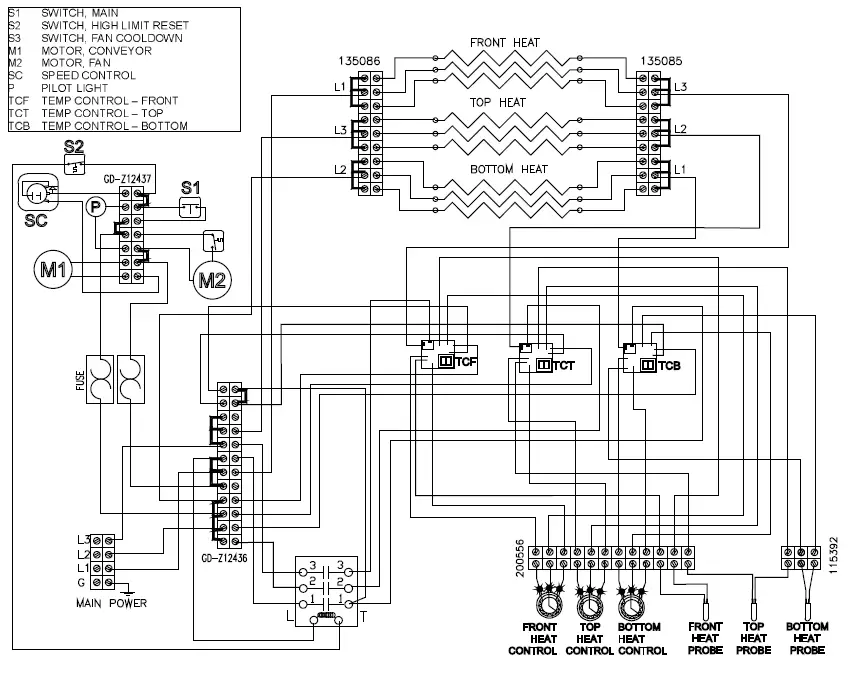
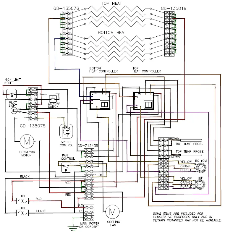
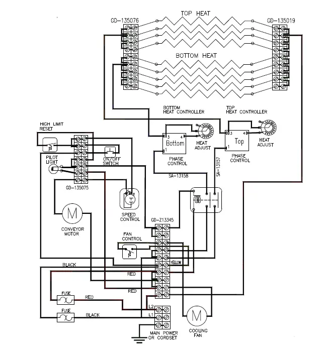
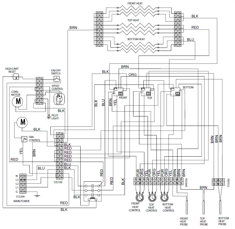
Wiring Diagram

- THIS DRAWING CONTAINS INFORMATION CONFIDENTIAL TO STAR MFG. INT’L. INC.
- NO REPRODUCTION OR DISCLOSURE OF ITS CONTENTS IS PERMITTED.

SINGLE PHASE
- PHASE CONTROL

- SOME ITEMS ARE INCLUDED FOR ILLUSTRATIVE PURPOSES ONLY AND IN CERTAIN INSTANCES MAY NOT BE AVAILABLE.

Exploded View Illustration

314HX Series Holman Conveyor Oven
| Fig No | Part No | Qty | Description | App. |
| 1 | GD-401227 | 2 | TRAY, CRUMB | |
| 2 | 2A-200672 | 4 | COLLAR, SHAFT | |
| 3 | GD-100707 | 1 | RACK, BELT SUPPORT SYSTEM | |
| 4 | GD-100403 | 1 | TRAY, LOAD-UP | |
| 5 | GD-160008 | 1 | CONVEYOR BELT (14” X 75”) | |
| 6 | 2B-200626 | 3 | LINK, MASTER, CONVEYOR BELT | |
| 7 | GD-401168 | 1 | COVER, TOP | |
| 8 | 2A-200284 | 3 | E-CLIP | |
| 9 | 2C-200149 | 3 | WASHER | |
| 10 | GB-112262 | 4 | BUSHING 3/8” | |
| 11 | GD-101253 | 1 | SHAFT, IDLER (3/8”) | |
| 12 | 2E-200574 | 1 | SWITCH, FAN MOTOR | |
| 13 | HG-402144 | 1 | FAN SWITCH BRACKET | |
| 14 | GD-401238 | 1 | RETAINER, HEATER TUBE RIGHT | |
| 15 | 2J-200568 | 2 | PROBE, HEAT (Stratford Control Model) | |
| 3 | 3 Phase | |||
| 16 | GD-401206 | 4 | COVER, EXTENSION SIDE | |
| 17 | GD-101488 | 1 | PANEL ASSY, PLUG SIDE (L-R MODEL) | |
| GD-101489 | PANEL ASSY, PLUG SIDE (R-L MODEL) | |||
| 18 | 2K-200458 | 1 | BUSHING, POWER SUPPLY CORD | |
| 19 | GD-Z11260 | 1 | CORDSET 10-3 W/6-50P, 50A, Ser No on/after CO3181009A0001 | 314HX |
| 2E-200383 | 1 | CORD/PLUG SEET, 10GA, 30A, Ser No Before CO3181009A0001 | ||
| 20 | GD-101252 | 1 | SHAFT, DRIVE (3/8”) | |
| 21 | GD-401233 | 2 | SHUTTER, HEAT | |
| 22 | GD-101403 | 1 | TRAY, UNLOAD | |
| 23 | 2P-150023 | 1 | DRIVE CHAIN (27”) | |
| 24 | 2P-200654 | 1 | SPROCKET, DRIVEN (25B24 X 3/8”) | |
| 2P-115362 | SPROCKET, DRIVEN (25B11 X 3/8”) | 314HXRD, HXRRD | ||
| 25 | 2P-200643 | 1 | SPROCKET, DRIVE (25B11 X 5/16”) | |
| 2P-200650 | SPROCKET, DRIVE (25B24 X 5/16”) | 314HXRD, HXRRD | ||
| 26 | 2U-Z11871 | 1 | MOTOR, DRIVE (L-R), CCW | 208/240V |
| 2U-Z11870 | MOTOR, DRIVE (R-L), CW | 208/240V | ||
| 27 | 2R-200721 | 1 | BLADE, FAN, DRIVE MOTOR |
| Fig No | Part No | Qty | Description | App. |
| 28 | 2R-200716 | 4 | LEG, 2 1/2” METAL | |
|
29 | GD-197888 |
9 | HTERTUBE, QRTZ; 208V, 613W, 67.9 ohm | 208V |
| GD-197893 | HTERTUBE, QRTZ; 220V, 600W, 78.7 ohm | 220V | ||
| GD-197889 | HTERTUBE, QRTZ; 240V, 600W, 90 ohm | 240V | ||
| 2N-209201 | ELEMENT, METAL, 600W, 208V 1 | 208V | ||
| 2N-209203 | ELEMENT, METAL, 600W, 240V, 1 | 314HXTA, 314HXTAR | ||
| 30 | GD-402446 | 1 | RETAINER, SINGLE HTERTUBE, QUARTZ | |
| GD-401238 | RETAINER, SINGLE HTERTUBE, METAL | |||
| 31 | GD-401232 | 4 | RETAINER, DUAL HTERTUBES, QUARTZ | |
| GG-401989 | RETAINER, HEATERTUBES, METAL | |||
| 32 | 2E-200564 | 1 | SWITCH, ON/OFF TOGGLE | 314HX |
| 33 | 2P-401780 | 1 | GUARD, TOGGLE | |
| 34 | 2E-200180 | 3 | INSULATION, SWITCH, POT. | |
|
35 | 2J-200567 |
1 | SWT, FRONT HEAT CNTRL POT., 3Ph Stratford | 3 Phase, Stratford |
| 2J-200567 | SWT, TOP HEAT CNTRL POT. Stratford | |||
| GD-115350 | SWITCH, CNTRL HEAT ASSY TOP, Phase Cntrl | |||
| 36 | 2J-200567 | 1 | SWITCH, BTM HEAT CNTRL POT. Strat | |
| GD-115351 | SWITCH, CNTRL HEAT ASSY BTM, Phase | |||
| 37 | GB-118062 | 1 | SWITCH, SPEED CNTRL ASSY (1000Ω) | 314HX |
| 38 | 2J-200427 | 1 | PILOT LIGHT | |
| 39 | 2R-200708 | 3 | CAP, KNOB CONTROL | |
| 4 | 3 Phase | |||
| 2R-200768 | 3 | KNOB, HEAT CONTROL, SPEED CONTROL | ||
| 4 | 3 Phase | |||
| 40 | 2M-200866 | 1 | LABEL 3 PHASE HX CONTROL LABEL | 3 Phase |
| 2M-200872 | LABEL, CONTROL PANEL | |||
| 41 | GD-401375 | 1 | PANEL, CONTROL SIDE | |
| GD-401540 | 3 Phase | |||
| 42 | 2U-200561 | 1 | MOTOR, FAN | |
| 43 | HT-401496 | 1 | COVER, CONTROL BOX | |
| 44 | 2R-200562 | 1 | GRILL, FAN MOTOR | |
| 45 | 2C-Z5883 | 4 | SCREW, 10-24 X 1/2 FZA, SELF DRILLING |
| Fig No | Part No | Qty | Description | App. |
| 46 | 2E-30700-03 | 2 | CONTROL, HEAT (Stratford Control) | |
| 3 | CONTROL, HEAT (3 PHASE) | 3 Phase | ||
| 47 | SP-115146 | 1 | SWITCH, HIGH LIMIT RESET | |
| 48 | SP-115338 | 2 | CONTROL, HEAT (Phase Control) | 120V |
| SP-115339 | ||||
| 3 | 3 Phase | |||
| 49 | 2E-200529 | 1 | CONTACTOR 3PH | 3 Phase |
| 2E-Z8966 | CONTACTOR, 50AMP 208/240V 1PH | 1 Phase | ||
| 50 | 2E-30901-08 | 2 | FUSE HLDR FOR SC FUSE | |
| NI | 2E-Z5680 | 2 | FUSE, 5A – CLASS G | |
| NI | 2B-200624 | ea. | LINK, CONVEYOR BELT | |
| NI | 2E-200554 | ~ | TERMINAL BLOCK, 12 POS. LARGE | |
| NI | 2J-200423 | 2 | SWITCH, SPEED CONTROL (1000Ω) | |
| NI | GD-115392 | 1 | TERMINAL BLCK, 3 POS. LARGE (Power Input) | |
| NI | GD-115396 | ~ | TERMINAL BLOCK, 7 POS. LARGE | |
| NI | GD-115397 | ~ | TERMINAL BLOCK, 8 POS. LARGE | |
| NI | GD-115523 | ~ | JUMPER, 4 POS. LARGE | |
| NI | GD-118060 | 1 | SPEED CONTROL, | V82, V84 |
| NI | HM-115398 | ~ | TERMINAL BLOCK, 9 POS. LARGE | |
| NI | HM-115521 | ~ | JUMPER, 2 POS. LARGE | |
| NI | HM-115522 | ~ | JUMPER, 3 POS. LARGE | |
| NI | 1L-Z12397 | 1 | CHAIN LUBE 1oz TUBE |
318HX Series Holman Conveyor Oven
| Fig No | Part No | Qty | Description | Application |
| 1 | GF-401228 | 2 | TRAY, CRUMB | |
| 2 | 2A-200672 | 4 | COLLAR, SHAFT | |
| 3 | GF-100709 | 1 | RACK, BELT SUPPORT SYSTEM | |
| 4 | GF-100405 | 1 | TRAY, LOAD-UP | |
| 5 | GF-160009 | 1 | CONVEYOR BELT (18” X 75”) | |
| 6 | 2B-200621 | 4 | LINK, MASTER, CONVEYOR BELT | |
| 7 | GF-401167 | 1 | COVER, TOP | |
| 8 | 2A-200284 | 3 | E-CLIP | |
| 9 | 2C-200149 | 3 | WASHER | |
| 10 | GB-112262 | 4 | BUSHING 3/8” | |
| 11 | GF-101251 | 1 | SHAFT ASSY, IDLER | |
| 12 | 2E-200574 | 1 | SWITCH, FAN MOTOR | |
| 13 | HG-402144 | 1 | BRACKET, FAN SWITCH | |
| 14 | GD-401238 | 1 | RETAINER, HEATER TUBE, RIGHT | |
| 15 | 2J-200568 | 2 | PROBE, HEAT (Stratford Control Model) | |
| 2J-200568 | 3 | PROBE, HEAT (Stratford Control Model) | 3 Phase | |
| 16 | GD-401206 | 4 | COVER, EXTENSION SIDE | |
| 17 | GD-101488 | 1 | PANEL ASSY, PLUG SIDE CORD SIDE (L-R MODEL) | |
| GD-101489 | PANEL ASSY, PLUG SIDE CORD SIDE (R-L MODEL) | |||
| 18 | 2K-200458 | 1 | BUSHING, POWER SUPPLY CORD | |
| 19 | 2E-200383 | 1 | **CORD, POWER SUPPLY Serial No Before CO3181107B0001 | |
| GD-Z11260 | CRDSET 10-3 W/ 6-50 PLG Ser No on/after CO3181107B0001 | |||
| GD-Z11260 | CORDSET 10-3 W/6-50 PLUG | 318HXGB-208V | ||
| 20 | GF-101250 | 1 | SHAFT ASSY, DRIVE | |
| 21 | GF-401289 | 2 | SHUTTER, HEAT | |
| 22 | GF-101404 | 1 | TRAY, UNLOAD | |
| 23 | 2P-150023 | 1 | DRIVE CHAIN (27”) | |
| 24 | 2P-200654 | 1 | SPROCKET, DRIVEN (25B24 X 3/8”) | |
| 25 | 2P-200643 | 1 | SPROCKET, DRIVE (25B11 X 5/16”) | |
| 26 | 2U-Z11871 | 1 | MOTOR, DRIVE (L-R), CCW | Left to Right |
| 2U-Z11870 | MOTOR, DRIVE (R-L), CW | Right to Left | ||
| 27 | 2R-200721 | 1 | BLADE, FAN, DRIVE MOTOR | |
| 28 | 2R-200716 | 4 | LEG, 2 1/2” METAL | |
| Fig No | Part No | Qty | Description | Application |
|
29 | 2N-209205 |
9 | HEATERTUBE, METAL 688W | 208V |
| 2N-209207 | HEATERTUBE, METAL 688W | 240V | ||
| GF-197885 | HEATERTUBE QUARTZ | 208V | ||
| GF-197886 | HEATERTUBE QUARTZ | 240V | ||
| GF-197891 | HEATERTUBE QUARTZ | 220V | ||
| GG-114250 | HEATERTUBE, METAL 690W | 208V | ||
| 30 | GD-401238 | 1 | RETAINER, SINGLE HEATERTUBE, METAL | |
| GD-402446 | RETAINER, SINGLE HEATERTUBE, QUARTZ | |||
| 31 | GD-401232 | 4 | RETAINER, DUAL HEATERTUBES, QUARTZ | |
| GG-401989 | RETAINER, DUAL HEATERTUBES, METAL | |||
| 32 | 2E-200564 | 1 | SWITCH, ON/OFF TOGGLE | |
| 2E-Z1858 | SWITCH – LIGHTED | 318HXGB-208V | ||
| 33 | 2P-401780 | 1 | GUARD, TOGGLE | |
| 34 | 2E-200180 | 3 | SWITCH BARRIER, POT | |
| 35 | 2J-200567 | 1 | SWITCH, FRNT HEAT CNTRL POT., STRAT | 3 Phase |
| 2J-200567 | SWITCH, TOP HEAT CNTRL POT., STRAT | |||
| GD-115350 | CONT, HEAT ASSY 200K TOP, PHASE CNTRL | 318HXGB-208V | ||
| 36 | 2J-200567 | 1 | SWITCH, BOTTOM HEAT CONTROL POT. | |
| GD-115635 | HEAT CONTROL – PARALLEL | 318HXGB-208V | ||
| GD-115351 | CONT, HEAT ASSY 200K BTM, PHASE CNT | |||
| 37 | GB-118062 | 1 | SWITCH, SPEED CONTROL (1000Ω) | |
| GD-Z13420 | SPEED CONTROL 1kOHM | 318HXGB-208V | ||
| 38 | 2J-200427 | 1 | PILOT LIGHT | |
| 39 | 2R-200708 | 3 | CAP, KNOB CONTROL | |
| 2R-200708 | 4 | CAP, KNOB CONTROL | 3 Phase | |
| 2R-200768 | 3 | KNOB, HEAT CONTROL, SPEED CONTROL | ||
| 2R-200768 | 4 | KNOB, HEAT CONTROL, SPEED CONTROL | 3 Phase | |
| 40 | 2M-200866 | 1 | LABEL, CONTROL PANEL | 3 Phase |
| 2M-200872 | 1 | LABEL, CONTROL PANEL | ||
| 41 | GD-401375 | 1 | PANEL, CONTROL SIDE | |
| 42 | 2U-200561 | 1 | MOTOR, FAN | |
| 43 | GF-402818 | 1 | COVER, CONTROL BOX | |
| 44 | 2R-200562 | 1 | GRILL, FAN MOTOR | |
| 45 | 2C-Z5883 | 4 | SCREW, 10-24 X 1/2 FZA, SELF DRILLING | |
| 46 | SP-115347 | 2 | CONTROL, HEAT (Stratford Control) | |
| SP-115347 | 3 | CONTROL, HEAT (Stratford Control) | 3 Phase |
| Fig No | Part No | Qty | Description | Application |
| 47 | 2E-200566 | 1 | SWITCH, HIGH LIMIT RESET | |
| 48 | SP-115339 | 2 | CONTROL, HEAT (Phase Control) | |
| SP-115339 | 3 | CONTROL, HEAT (Phase Control) | 3 Phase | |
| 49 | 2E-200529 | 1 | CONTACTOR, 3PH | 3 Phase |
| 2E-Z8966 | CONTACTOR, 50 AMP 208/240V 1PH | 1 Phase | ||
| 50 | 2E-30901-08 | 2 | FUSE HLDR FOR SC FUSE | |
| 2E-Z5681 | 1 | FUSEHOLDER, CLASS G | 318HXGB-208V | |
| NI | 1L-Z12397 | 1 | MULTIPURPOSE SYNTHETIC GREASE (80°F TO 400°F), TUBE 1 oz | |
| NI | 2E-200554 | 2.5 | TERMINAL BLOCK, 12 POS. LARGE | 318HXGB-208V |
| NI | 2E-200554 | 5 | TERMINAL BLOCK, 12 POS. LARGE | |
| NI | 2E-Z5680 | 2 | FUSE, 5A – CLASS G | |
| NI | 2H-Z13381 | 1 | CURTAIN, PTFE | 318HXGB-208V |
| NI | 2P-115222 | 1 | JUMPER, 3 POS. LARGE | |
| NI | 2P-115521 | 3 | JUMPER, 2 POS. LARGE | |
| NI | GD-115392 | 1 | TERMINAL BLOCK, 3 POS, LARGE (Power Input) | |
| NI | GD-115396 | 1 | TERMINAL BLOCK, 7 POS. LARGE | |
| NI | GD-115397 | – | TERMINAL BLOCK, 8 POS, LARGE | |
| NI | GD-115523 | 2 | JUMPER, 4 POS. LARGE | |
| NI | GD-115524 | 1 | JUMPER, 5 POS. LARGE | |
| NI | GD-115528 | 1 | JUMPER, 9 POS. LARGE | |
| NI | HM-115398 | 2 | TERMINAL BLOCK, 9 POS. LARGE | |
418HX Series Holman Conveyor Oven
Fig No./Part Number/ Quantity Per/Description
| 1 | GJ-401235 | 2 | TRAY, CRUMB | 34 | 2E-200180 | 6 | SWITCH BARRIER, POT. | ||
| 2 | 2A-200672 | 4 | COLLAR, SHAFT | 35 | 2J-200567 | 1 | SWITCH, FRONT HEAT CONTROL POT. | 3 PHASE | |
| 3 | GJ-100710 | 1 | RACK, BELT SUPPORT SYSTEM | 2J-200567 | 1 | SWITCH, TOP HEAT CONTROL POT. | |||
| 4 | GF-100405 | 1 | TRAY, LOAD-UP | 36 | 2J-200567 | 1 | SWITCH, BOTTOM HEAT CONTROL POT. (Stratford Control) | ||
| 5 | 2B-200619 | 1 | LINK, CONVEYOR BELT | 37 | GB-118062 | 1 | SWITCH, SPEED CONTROL (1000Ω) | ||
| GF-160009 | 1 | CONVEYOR BELT (14” X 75”) | 38 | 2J-200427 | 1 | PILOT LIGHT | |||
| 6 | 2B-200621 | 4 | LINK, MASTER, CONVEYOR BELT | 39 | 2R-200708 | 3 | CAP, KNOB CONTROL | ||
| 7 | GJ-401161 | 1 | COVER, TOP | 2R-200708 | 4 | CAP, KNOB CONTROL 3 PHASE | |||
| 8 | 2A-200284 | 3 | E-CLIP | 2R-200768 | 3 | KNOB, HEAT CONTROL, SPEED CONTROL | |||
| 9 | 2C-200149 | 3 | WASHER, BEARING | 2R-200768 | 4 | KNOB, HEAT CONTROL, SPEED CONTROL 3 PHASE | |||
| 10 | GB-112262 | 4 | BUSHING 3/8” | 40 | 2M-200873 | 1 | LABEL, CONTROL PANEL | ||
| 11 | GF-101251 | 1 | SHAFT ASSY IDLER | 2M-200866 | 1 | LABEL, CONTROL PANEL (3 PHASE) | |||
| 12 | 2E-200574 | 1 | SWITCH, FAN MOTOR | 41 | GJ-401381 | 1 | PANEL, CONTROL SIDE | ||
| 13 | HG-402144 | 1 | BRACKET, FAN SWITCH | GJ-401456 | 1 | PANEL, CONTROL SIDE (3 PHASE) | |||
| 14 | GJ-401236 | 1 | RETAINER, HEATER TUBE RIGHT | 42 | 2U-200561 | 1 | MOTOR, FAN | ||
| 15 | 2J-200568 | 2 | PROBE, HEAT (Stratford Control Model) | 43 | GF-402818 | 1 | COVER, CONTROL BOX | ||
| 2J-200568 | 3 | PROBE, HEAT (Stratford Control Model) | 3 PHASE | 44 | 2R-200562 | 1 | GRILL, FAN MOTOR | ||
| 16 | GD-401206 | 4 | COVER, EXTENSION SIDE | 45 | 2C-Z5883 | 4 | SCREW, 10-24 X 1/2 FZA, SELF DRILLING | ||
| 17 | GJ-400786 | 1 | PANEL , CORD SIDE (L-R MODEL) | 46 | 2E-30700-03 | 2 | CONTROL, HEAT (Stratford Control) | ||
| GD-401377 | 1 | PANEL, CORD SIDE (R-L MODEL) | 2E-30700-03 | 3 | CONTROL, HEAT (Stratford Control) 3 PHASE | ||||
| 18 | 2K-200458 | 1 | BUSHING, POWER SUPPLY CORD | 47 | 2E-200566 | 1 | SWITCH, HIGH LIMIT RESET | ||
| 20 | GF-101250 | 1 | SHAFT ASSY DRIVE | 48 | SP-115339 | 2 | CONTROL, HEAT (Phase Control) | ||
| 21 | GF-401289 | 2 | SHUTTER, HEAT | 49 | 2E-200529 | 1 | CONTACTOR 3PH 3 Phase | ||
| 22 | GF-101404 | 1 | TRAY, UNLOAD | 2E-Z8966 | 1 | CONTACTOR 50 AMP 208/240V 1PH 1 Phase | |||
| 23 | 2P-150023 | 1 | DRIVE CHAIN (27”) | ||||||
| 24 | 2P-200654 | 1 | SPROCKET, DRIVEN (25B24 X 3/8”) | NI | GD-115392 | 1 | TERMINAL BLOCK, 3 POS, LARGE (Power Input) | ||
| 25 | 2P-200643 | 1 | SPROCKET, DRIVE (25B11 X 5/16”) | NI | GD-115396 | 1 | TERMINAL BLOCK, 7 POS. LARGE | ||
| 26 | 2U-Z11871 | 1 | MOTOR, DRIVE (L-R), CCW | NI | HM-115399 | 2 | TERMINAL BLOCK, 10 POS. LARGE | ||
| 2U-200508 | 1 | MOTOR, DRIVE 3286 BB REV, 50 hrz | NI | 2E-200554 | 5 | TERMINAL BLOCK, 12 POS. LARGE | |||
| 27 | 2R-200721 | 1 | BLADE, FAN, DRIVE MOTOR | NI | 2P-115521 | 9 | JUMPER, 2 POS. LARGE | ||
| 28 | 2R-200716 | 4 | LEG, 2 1/2” METAL | NI | 2P-115522 | 3 | JUMPER, 3 POS. LARGE | ||
| 29 | GJ-197881 | 12 | HEATERTUBE QUARTZ | 208V | NI | GD-115523 | 1 | JUMPER, 4 POS. LARGE | |
| GJ-197894 | 12 | HEATERTUBE QUARTZ | 220V | NI | GJ-115525 | 1 | JUMPER, 6 POS. LARGE | ||
| GJ-197882 | 12 | HEATERTUBE QUARTZ | 240V | NI | 1P-Z12397 | 1 | EXTREME PRESSURE MULTIPURPOSE SYNTHETIC | ||
| 31 | GD-401232 | 6 | RETAINER, DUAL HEATER TUBES | GREASE (80°F TO 400°F) , TUBE 1 oz. | |||||
| 32 | 2E-200564 | 1 | SWITCH, ON/OFF TOGGLE | ||||||
| 33 | 2P-401780 | 1 | TOGGLE GUARD | ||||||
318HXGB Pita Toaster Holman Conveyor Oven

| Fig Part Quantity No. Number Per Description | Fig Part Quantity No. Number Per Description | ||||||
| 1 | GF-401228 | 2 | TRAY, CRUMB | 29 | GD-Z10341 | 1 | DRIVE SHAFT ASSEMBLY 318 |
| 2 | 2A-200672 | 3 | COLLAR SHAFT 3/8 #1F51 | 31 | GF-101404 | 1 | TRAY, UNLOAD |
| 3 | GF-100709 | 1 | RACK, 318HX | 32 | 2E-Z1858 | 1 | SWITCH-LIGHTED |
| 4 | GF-100405 | 1 | TRAY, LOAD UP | 33 | 2M-Z13367 | 1 | LABEL, ON/OFF/SPEED |
| 5 | GF-160009 | 1 | CONVEYOR BELT (14″ X 75″) | 34 | GD-Z13420 | 1 | SPEED CONTROL 1kOHM |
| 6 | GB-112262 | 4 | BEARING ASSY, 3/8 TEFLON | 35 | 2U-200577 | 1 | MOTOR,FAN 240V HI-OUT |
| 7 | 2B-200621 | 4 | BELT LINK, HX SPACE CLIP | 36 | GF-402818 | 1 | CONTROL BOX COVER |
| 8 | 2C-200061 | 6 | NUT, 10-24 ACORN | 37 | 2R-200562 | 1 | FAN GUARD |
| 9 | GF-Z13370 | 1 | CURTAIN CLAMP | 38 | 2C-Z5883 | 4 | SCREW, 10-24 X 1/2 FZA, SELF DRILLING |
| 10 | 2H-Z13380 | 1 | CURTAIN, PTFE | 39 | 2P-150023 | 1 | CHAIN NO. 25 108 LINKS |
| 11 | GF-Z13378 | 1 | CURTAIN SHUTTER | 40 | 2P-200650 | 1 | SPROCKET, 25B24 X 5/16 |
| 12 | GD-Z10342 | 1 | IDLER SHAFT ASSEMBLY 318 | 41 | 2P-200653 | 1 | SPROCKET, 25B20 X 3/8 |
| 13 | GF-401167 | 1 | COVER, TOP | 42 | 2U-Z11871 | 1 | MOTOR, DRIVE 72 BB REV |
| 14 | 2E-200574 | 1 | SWITCH,FAN, CERAMIC, | 43 | 2K-200464 | 5 | BUSHING, WIRE RING 7/8″ |
| 15 | HG-402144 | 1 | FAN SWITCH BRACKET (-T) | 44 | 2R-200716 | 4 | LEG, 2.5 IN METAL |
| 16 | GD-401238 | 1 | RETAINER RIGHT TUBE | 45 | GF-Z13162 | 9 | HEATERTUBE, QUARTZ |
| 17 | GD-401206 | 4 | COVER, EXTENSION | 46 | GD-401232 | 4 | RETAINER, LEFT TUBE |
| 18 | GD-Z13368 | 1 | PANEL, SIDE – PLAIN | 47 | GD-402446 | 1 | RETAINER, SINGLE TUBE |
| 20 | 2C-200004 | 18 | SCREW 6-32X5/16 THP SS | 48 | GD-Z13368 | 1 | PANEL, SIDE – PLAIN |
| 21 | SP-115402 | 1 | ASSY, 3 POS, TERMINAL BLK | 49 | 2M-Z13365 | 2 | LABEL, GARBANZOS |
| 22 | GD-115350 | 1 | CONT, HEAT ASSY 200K TOP | 50 | 2J-200541 | 3 | CONTROL, PHASE, 240V,230P |
| 23 | GD-115635 | 1 | HEAT CONTROL – PARALLEL | 51 | 2E-Z5681 | 1 | FUSEHOLDER, CLASS G |
| 24 | 2M-Z13366 | 1 | LABEL, TOP/BOTTOM HEAT | 52 | 2E-Z5680 | 2 | FUSE, 5A – CLASS G |
| 25 | 2R-200713 | 3 | SKIRT, CTRL KNOB W/STRIPE | 53 | 2R-200721 | 1 | BLADE, FAN 2 5/16 |
| 26 | 2R-200768 | 3 | KNOB, CONTROL Q SERIES | 54 | 2E-Z8966 | 1 | CONTACTOR 50 AMP 208/240V |
| 27 | 2R-200708 | 3 | KNOB, CONTROL CAP | 55 | 2E-Z14254 | 3 | TERMINAL BLOCK 6-POLE |
| 28 | GF-401289 | 1 | SHUTTER, HEAT | ||||
| NI | 2E-Z13500 | 1 | CORD #8-3 6-50 90 GRIP | ||||
| NI | GD-Z11260 | 1 | CORDSET 10-3 W/ 6-50 PLUG | ||||
| NI | 2C-200467 | 3 | CLAMP, NYLON WIRE 5/8 | ||||
| NI | 2E-200387 | 1 | CORD FAN PLUG | ||||
| NI | 2E-200472 | 3 | TERMINAL BLOCK LG 222 | ||||
| NI | 2E-200473 | 1 | TERMINAL BLOCK END LG 230 | ||||
STAR INTERNATIONAL HOLDINGS INC. COMPANY
- Star – Holman – Lang – Wells – Toastmaster 265 Hobson Street, Smithville, TN 37166 U.S.A
- (800) 264-7827
- www.star-mfg.com


















