LUMEL VA8051 Light Intensity Meter

Introduction
Thank you for purchasing the light intensity meter series from us. The product includes two type: Type A(Basic), Type B(Light sensor can be rotated in 270°to make measure more easy and fast). Please take a few minutes to browse through this user manual before you begin to operate the meter to ensure that you are fully familiarized with how best to operate the meter as accurately and safely as possible.
This meter is an illuminance measuring instrument. It is normally used to measure illuminances, e.g.at workplaces.
Precautions safety measures
To get the best service from this meter, please read this user’s manual carefully and observe the detailed safety precautions strictly
During use
- If the OL symbol will show on the LCD, it means the readings is outside the measuring range. Please keep to the permitted measuring range.
- Never store the product together with solvents, acides or other aggressive substances.
- When the battery voltage is under proper operation requirement, the
symbol will show on the LCD and the battery need to be replaced with new.
Maintaining the product
- Do not measure at a high temperature, high humidity places.
- Keep the light sensor clean.
- To guarantee correct readings: Hold the instrument horizontally so that the light sensor is directed upwards.
- When not using the instrument for a long time, please remove the battery and avoid storing in high temperature and high humidity.
Features
- Display: 6 digits LCD Display
- Parameters:Lux(lm/m2) foot candle (lm/ft2)
- Resolution: 1 Lux(0…30000 Lux); 0.1 ftc(0…2788.0 ftc);
- Range: 0…30000 Lux 0…2788.0 ftc
- Accuracy: ±(4% +50 digits) to reference
- Sample rate: 2 time /sec
- auto power off: about 20 minutes
- low battery indicator
- Operating environment:
0℃ ~ 50 ℃(32℉~122℉),0 ~ 80%RH - Storage environment: -20℃ ~ 60℃(-4℉~140℉),0 ~ 80%RH
- Dimension and Weight: 121(L)x60(W)x30(H)mm, about 180g
- Accessories:
DC1.5V (AAA) x 3pcs String x 1pcs Plastic box x 1pcs Users manual x 1pcs
Names of parts
Instrument Familiarization
- Sensor cover
- Light sensor (270°adjustable only for type B)
- LCD display
- Function key

LCD Display

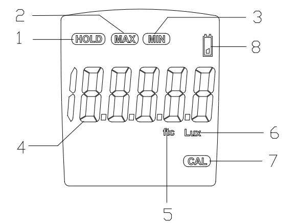
The meaning of the symbols represented by the following table
| Number of Order | Symbol | Functions |
| 1 | ![]() | Indicating it is now in the data-holding mode |
| 2 | ![]() | Indicating the display value being the maximum value(MAX) |
| 3 | ![]() | Indicating the display value being the |
| minimum value(MIN) | ||
| 4 | ![]() | Measure values |
| 5 | ![]() | parameter unit |
| 6 | ![]() | parameter unit |
| 7 | ![]() | Indication to the calibration mode |
| 8 | ![]() | Indication low power of batteries. Batteries should be replaced. |
Operation instruction
- Please install new batteries on the meter .
- Put the meter on the environment to be measured and hold it horizontally so that the light sensor is directed
- Press the ON/OFF key to turn the power
- After power on, press the Unit key to select the needed
- When the reading has been stable, read the illumination
* If you still need more operations, please see the description of keys instruction.
Keys instruction
- ON/OFF key Press the key to turn the power ON and press the key once more to turn the power OFF.
- key Press the key can select the state of MAX 、 MIN 、HOLD. The cycle of views shows as following figure:

- Hold mode: Reading are
- Max mode: Maximum values since the instrument was last switched on or last reset.
- Min mode: Minimum values since the instrument was last switched on or last
- Unit key
- Unit set
Press the key can change the parameter unit: lux, ftc.
- Back light contrl
If press the key >2sec. the back light will be turned on, Press the key once >2sec. the light will be turned off. If the back light is not closed within 60 seconds, it will be turned off automatically.
- Auto power off set
When the meter is powered on, it is under auto power off mode. The meter will power itself off after 20 minutes if no key operation.
Canceled auto power off function: press Unit key when power on until the LCD display AP OFF, then press the ON/OFF key to confirm the setting. And then the meter will be power off.
Reference table of illumination standard
| Place | Illumination | |
| – Office | ||
| Conference Room, Living room | 200 ~ 750 | |
| Administration | 700 ~ 1,500 | |
| Typing | 1000 ~ 2,000 | |
| – Factory | ||
| Packaging, Access | 150 ~ 300 | |
| Assembly line | 300 ~ 750 | |
| Check | 750 ~ 1,500 | |
| Electronic components assembly line | 1,500 ~ 3,000 | |
| – Hotel | ||
| Public places, Lavatory | 100 ~ 200 | |
| Reception room | 200 ~1,000 | |
| – Store | ||
| Staircase, corridor | 150 ~ 200 | |
| Presentation window, Packaging station | 750 ~ 1,500 | |
| Shop window | 1,500 ~ 3,000 | |
| – Hospital | ||
| Ward, Warehouse | 100 ~ 200 | |
| Medical examination room | 300 ~ 750 | |
| Operating room, Emergency Room | 750 ~ 1,500 | |
| – School | ||
| Hall, Indoor stadium, Classroom | 200 ~ 750 | |
| Laboratory, Library | 500 ~ 1,500 | |
Maintenance
- CLEANING INSTRUCTIONS
The meter may be wiped down with a wet sponge or cloth using a mild water based detergent or anti-bacterial soap and rinsed under a gentle stream of cold water.
NOTE:
This unit is not designed for complete submersion or washing in water. - BATTERY REPLACEMENT
Use the following procedure: When the battery voltage drop below proper operation range the
symbol will appear on the LCD display and the battery need to be replaced.
- Press the battery cover and towards arrowhead direction to open the battery cover.
- Replace the battery with three new 1.5V batteries (AAA).
- Replace the battery cover.
LUMELS.A.
ul.Slubkka4,65-127ZielonaG6ra, Poland
tel.:+48684575100,fax+4868457S508
www.lumel.com.pl




























