
5059
Satellite 16×2+2 Summing Mixer

Operations Manual
5059: 16×2+2 Summing Mixer User Guide
Thank you for your purchase of a 5059 Satellite Summing Mixer.
Everyone at Rupert Neve Designs hope you enjoy using this tool as much as we have enjoyed designing and building it. Please take note of the following list of safety concerns and power requirements before using the 5059 module.
Safety
It’s usual to provide a list of “do’s and dont’s” under this heading but mostly these amount to common sense issues. However, here are important safety requirements that must be adhered to:
- Read these instructions.
- Keep these instructions.
- Heed all warnings.
- Follow all instructions.
- Do not use this apparatus near water.
- Clean only with a dry cloth.
- Do not block any ventilation openings. Install in accordance with the manufacturer’s instructions.
- Do not install near any heat source such as radiators, heat registers, stoves, or other apparatus (including amplifiers) that produce heat.
- Do not defeat the safety purpose of the polarized or grounding-type plug. A polarized plug has two blades one wider than the other. A grounding-type plug has two blades and a third grounding prong. The wide blade or the third prong is provided for your safety. If the provided plug does not fit into your outlet, consult an electrician.
- Protect the power cord from being walked on or pinched, particularly at plugs convenience receptacles and at the point where the cord exits from the apparatus.
- Only use attachments/accessories specified by the manufacturer.
- Unplug this apparatus during lightning storms or when unused for long periods of time.
- Refer all servicing to qualified service personnel. Servicing is required when the apparatus has been damaged in any way, such as when the power-supply cord or plug is damaged, liquid has been spilled or objects have fallen into the apparatus, the apparatus has been exposed to rain or moisture, does not operate normally, or has been
dropped. - Do not expose this apparatus to rain or moisture.
- The apparatus shall be connected to a mains socket outlet with a protective earthing connection.
Heat generated by the module is radiated through the casework, convection through the ventilation holes, and by a silent fan at the back of the module. Ventilation holes should not be covered or blocked for any reason. To avoid overheating, 5059 units should not be stacked immediately above or adjacent to other equipment that gets hot, and one rack space above the unit should be left open for heat ventilation. Also bear in mind that other equipment may radiate strong hum fields which could spoil the performance of your 5059.
Protect the power cord from being walked on or pinched, particularly at plugs convenience receptacles and the point where they exit from the apparatus. Do not defeat the safety purpose of the polarized or grounding-type plug. A polarized plug has two blades one wider than the other. A grounding-type plug has two blades and a third grounding prong. The wide blade or the third prong is provided for your safety. Unplug the module during lightning storms or when unused for long periods of time.
Don’t operate your 5059 module in or around water! Electronic equipment and liquids are not good friends. If any liquid is spilled, such as soda, coffee, alcohol, or other drink, the sugars and acids will have a very detrimental effect. Sugar crystals act like little rectifiers and can produce noise (crackles, etc.). SWITCH OFF IMMEDIATELY because once current starts to flow the mixture hardens, can get very hot (burnt toffee!), and cause permanent and costly damage. If it gets wet and you suspect that good clean water may have gotten in, immediately unplug the unit, and remove it from the source of water. Please contact service as soon as possible at [email protected] for resolution. Clean only with a dry cloth. Don’t be tempted to operate a 5059 unit with the cover removed. The cover provides magnetic screening from hum and R.F. stray fields and also helps to direct heat away from the circuit boards.
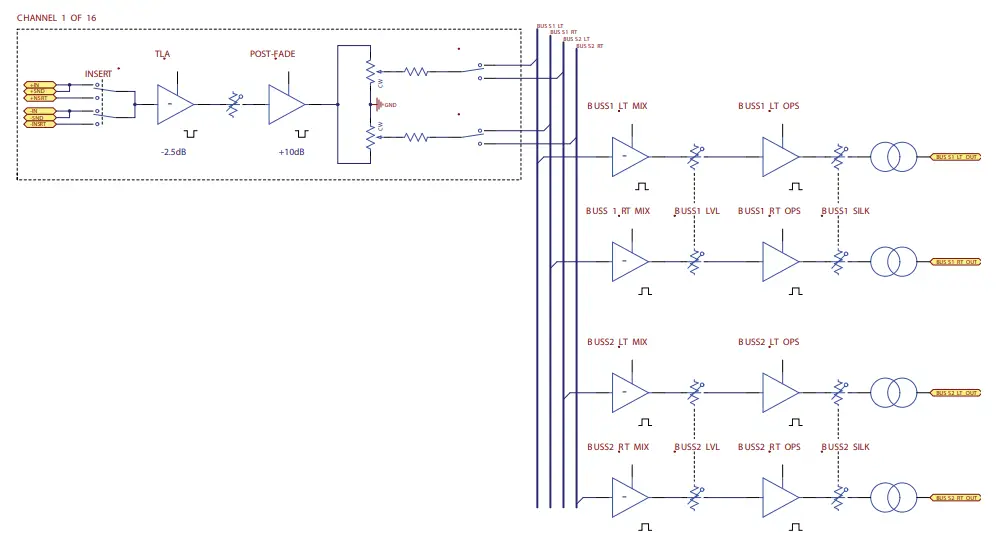
5059 Block Diagram

Power Requirements
Each 5059 unit has high-quality, low noise switching power supplies that are further filtered and regulated for an exceptionally quiet and reliable power source for the audio circuits. The power supply is considered “universal” in the sense that it will accept 100V through 240V AC and with 50 or 60Hz. Be absolutely sure to disconnect the mains power (remove the power cable from the IEC power connector at the back panel) before removing the cover. The fuse is on the power supply and is not user-accessible. The fuse should only be replaced by a qualified service technician.
The fuse is a protection device intended to prevent additional damage or hazard if the 5059 unit develops a problem. The symptom of a blown fuse is simply that the unit does not power up. If this happens, you should contact your dealer or email [email protected].
The Rupert Neve Designs 5059 16×2+2 Summing Mixer Overview
Built around many of the topologies and design concepts found in the 5088 mixers and Portico II Series, the 5059 is designed to deliver the ultimate “out of the box” sonics and ergonomics in a 2U, rack-mountable chassis.
The 5059 features 16 channels with individual level, pan, inserts, stereo-2 sends, and master texture controls, providing easy integration with outboard equipment, complete control for two separate stem mixes, and the ability to dial in tonal color in two modes. With unrivaled sonic heritage, the 5059 Satellite Mixer imbues tracks with the legendary warmth and presence of a Rupert Neve design.
In the 5059, amplification is handled with fully class-A operational amplifier topologies featuring Rupert’s custom transformer designs. While these circuits share a lineage with the circuits used in Rupert’s consoles from the 70’s, in many ways sound similar, there are refinements in noise, slew rate, dynamic range, and particularly avoidance of unpleasant high-frequency distortion artifacts. With proper implementation, the 5059 can redefine the sonic possibilities and streamline workflow in the modern DAW-based studio.
Quick Start: Configuration Suggestions for the 5059
The 5059 is designed to function both as a primary mixer, and as a way to create “stems” or subgroups for mixing at a later stage. In addition to a standard level and pan controls, the 5059 also incorporates channel inserts, separate stereo busses, and silk/texture controls for each stereo bus, creating new ways to utilize the 5059. While there is no “right” way to connect the 5059, here are a few suggestions to get started:
With one 5059 unit, there are several different approaches to connecting the 5059 to speakers and the final 2-track destination. In the first example, the 5059 is used with one output bus feeding the 2-track recorder (or analog to digital converter recording into a DAW), which then feeds the monitors. In this configuration, the unused STEREO 2 buttons can be used like mutes.
The second example still uses only one stereo output to a 2-track destination, however, it uses the stereo 2 output to create a subgroup which is returned on Ch 15-16. In this configuration, separate texture /silk settings as well compression and EQ can be applied to the subgroup as a whole. This technique can be used on many different sources, for instance, it is common to process the individual mics from a drum kit as a subgroup to make them sound more “together”.

The third example shows the 5059 used to create “stems” that feed into a 5088 or any other mixer (the two stems can also be brought back into a DAW if necessary as well). In this case, the two stereo outputs create two separate subgroups with the intention of summing them back together at a later stage. Two separate settings of texture/silk can be used, and both stems can be processed with equipment like the Portico II Master Buss Processor or a stereo EQ. The final mixing stage in this configuration feeds both the monitors and the 2-track recorder. The fourth example also creates stems, but it also incorporates a patch bay, and utilizes both the line inputs and insert returns to switch between the DAC and other line-level sources. The stems are both returned to the DAW.
With two 5059 modules, the same concepts can be applied. The first example arranges the two 5059’s to mix 32 channels into 4 stereos “stems”. Like the “stem” mixing configurations with one module, this method requires a secondary mixer or final capture into a DAW. If there is no secondary mixer available, the two stems in the first 5059 can be mixed into one mix bus on the second 5059.
A second 5059 can also be used to create four auxes for feeding cue sends, reverb, or any other processing module connected to its outputs. In this case, the second 5059’s line inputs are fed from the insert send-off to the first 5059. Like the other configuration with two 5059s, the stems and auxes must be summed in a mixer or captured into a DAW.

HOW TO CALIBRATE FOR A DIGITAL MIX IN ANALOGUE
For engineers looking to completely recreate their digital mix in the analog domain, and not use the level controls on the 5059, it is advisable to take the time to calibrate the 5059 on each channel since there can be variances in the tracking of any continuous potentiometer.
To do this, create a tone generator in the DAW and assign it to channel 1 with the output level at 0dB. Make sure SILK is off, and the stereo output gain on the 5059 is set to 0dB. Patch the stereo output to the 2-track destination (the device that is going to capture the mixed stereo signal).
With the pan on the first channel set to the center, adjust the level until the meter’s on the input of the 2-track destination reads a predetermined level (for most purposes -6dB should work). Repeat by changing the tone generator output to each channel and adjusting it to the same chosen level on the 2-Track device.
Patchbay Configurations
The 5059 can be used without a patchbay; however, if you have a number of outboard modules, we recommend using a patchbay to allow easy integration with outboard equipment.
How you configure the patchbay depends entirely on your existing studio, although there are a few general conventions that tend to make the workflow smoother. The source for the 5059 (generally a digital to analog converter from a DAW) should have its outputs normalled to the inputs of the 5059. This makes it so the outputs from the source automatically flow into the 5059, but they can still be patched to another destination on the fly if need be.
While you can patch the source into a processing module before the input of the 5059, we recommend also normally the insert send and return together on another row of the patchbay, so the insert button can be used as a way to “AB” the processed and unprocessed signals.
There are two configurations where normally the 5059 inserts aren’t ideal. The first is if you are using the insert sends to drive a second 5059 as an “Aux” module. In this case, the insert sends would be normally to the second 5059’s inputs.
The second case is if you are wanting to use the insert return as a dedicated second input on each channel. In this case, the second source, for instance, if you use a DAW and a 2” multi-track, could also have its outputs normalled into the 5059, except they would be normally to the insert returns instead of the line in. This way, the insert switch in this case acts as a line 1 / line 2 select button.
DB 25 Connector Pinout


5059 Front / Back Panel

Line Inputs and Outputs
The input and output stages are similar to that of the 5088 consoles, using class-A circuitry, driving a carefully configured output transformer that can deliver a full +26dBu from the balanced and ground-free secondary winding.
This maximum level provides a large margin over and above the likely maximum requirement of any destination equipment to which the module may be connected. This is especially true when feeding digital equipment!
Freedom from the interference fields that are inevitably present in any control room is virtually guaranteed by the balanced, ground-free design used in the 5059. The classic Rupert Neve-designed modules always used transformers, as do a number of other high-quality vintage modules still in current use.
High quality transformer connectivity has been used for many years, enabling modular amplifier units to deliver the sonic performance for which they are famous. The outputs are very appropriate for driving unusually long lines that may be needed when used remotely.
Bear in mind that human ears are very sensitive and can perceive incredibly minute interference signals that are not part of the “desired” signal. If unbalanced connections are used, great care must be exercised to avoid ground loops and common signal paths. Reduced immunity from various forms of interference can be tolerated (sometimes), but this usually results in a loss of that transparent musical resolution that we all love.
In certain applications, the output of the 5059’s transformer-coupled XLR may be used with one side grounded. For example to use with “Hi-Fi”, “consumer” or other unbalanced audio gear, without degrading the performance of such devices. Care must be exercised when using ancillary equipment to avoid overloading these devices.
Chassis
The chassis fits a full 19” rack width, 3.5” (2U) with standard rack mounting “ears”. The construction incorporates a heavy and robust steel shell that provides total magnetic screening and exceptional mechanical stability. The front panel is machined from a solid .20-inch aluminum plate with a steel sub panel behind it.
5059 Controls
DUAL STEREO OUTPUTS
One of the key features that make the 5059 different from other rackmount mixers is its dual stereo outputs. The dual stereo outputs have two primary uses. The first is to enable one or more 5059s to create “stems” or subgroups for final mixing in another mixer, and the second is to create 2 stereos “Aux” busses as seen in configuration #4 in the Usage Notes / Configuration Suggestions section.
The other advantage of having two stereo outputs is that you can utilize two separate instances of the renowned silk/texture controls (as seen in the Portico II series). Even when only using one stereo bus to drive the 2-track mix, the stereo 2 output can still be looped back into a pair of 5059 inputs to achieve different results (see configuration #2).
CHANNEL LEVEL
To mix the input signals, the 5059 has individual rotary faders that work in the range of -infinity to +10dB. We recommend users experiment with varying the amount of level on the channels vs. the level of the stereo output levels to find the “sweet spot“ of the 5059.
STEREO OUTPUT LEVEL
Like the channel level, the stereo output levels use rotary faders to control the signal level. The stereo output level has a range from -infinity to 0dB. Again, we recommend you experiment with different stereo output and channel levels to discover various timbres on the 5059.
CHANNEL PAN
Individual pan controls have also been provided on each channel of the 5059. The pan potentiometers have a center detent and a 3dB pan law.
CHANNEL INSERT SEND / RETURN
The channel inserts send is a mult of the input signal that is always active. When the insert button is engaged, the insert return signal replaces the standard input signal.
In use, the inserts are helpful in auditioning various pieces of outboard equipment, but they can also be used in several other ways. The insert return can be used as a selectable second hardwire input to the 5059, for instance, if you have both a digital recorder and a tape machine, you can patch one to the line in and one to the insert return With a second 5059, the always-on insert send can be used to create two stereo aux sends (see configuration #5). This is configuration is ideal for feeding reverbs, delays, and various other effects units.
SILK / TEXTURE
Pushing the SILK button engages the silk red circuit, and pushing it a second time introduces silk blue circuitry. Silk reduces the negative feedback on the output transformer, adding harmonic content as the texture is increased. Silk red mode accentuates the saturation in the high-mids and highs, while silk blue mode features more saturation in the lows and low mids.
In the 5059, both silk modes are modified and fine-tuned by the texture control. By manipulating the Texture control, the amount of silk can be changed from essentially absent, to roughly three times the amount of coloration found in silk from the original Portico Series.
With silk/texture engaged, the distortion characteristic and harmonic content of the unit are very reminiscent of many of Rupert’s class-A vintage designs. These controls add an unparalleled range of tonal options to the 5059 and should be explored creatively with a variety of different sources for the best effect.
The silk/texture control can be used to good effect on almost any source material by varying the texture control accordingly. Although we highly encourage you to experiment to find your favorite results, here are a few rough ideas and suggestions for both Silk Red and Silk Blue modes:
Silk Red: Adding sparkle to a mix. Adding brilliance and presence to vocals. Bringing out the snap and sheen on a drum bus. Accentuating the growl and brightness of electric guitars.
Silk Blue: Adding weight and density to a mix, thickening and adding a sense of closer proximity to vocals. Adding size and boominess to drum or bass buss. Warming up guitars or other instruments.
SIGNAL PRESENCE / CLIP INDICATOR LED
The green signal presence LEDs illuminate to indicate the signal is present on the stereo bus. In addition to showing signal presence, a red LED illuminates to show that the stereo bus is 3dB from clipping.
POWER
We obviously saved the best for last. If this rear panel switch is not pressed then the 5059 is maximally “green” and exhibits its absolute lowest noise floor. However, for any of the previously described features and fun controls to have any significance, the POWER switch should be pressed. If nothing happens when the switch is pressed and not one LED even winks at you, then you may also want to plug in the Power cord too.
A Note on Distortion
The human hearing system is a remarkably complex mechanism and we seem to be learning more details about its workings all the time. For example, Oohashi demonstrated that arbitrarily filtering out ultrasonic information that is generally considered above our hearing range had a measurable effect on the listener’s electroencephalograms. Additionally, Kunchur describes several demonstrations that have shown that our hearing is capable of perceiving approximately twice the temporal resolution that a limit of 20 kHz might imply. His peer-reviewed papers demonstrated that we can hear the temporal resolution of approximately 5 microseconds (20 kHz implies a 9-microsecond temporal resolution, while a CD at 44.1k sample rate has a best-case temporal resolution of 23 microseconds).
It is also well understood that we can perceive steady tones even when buried under 20 to 30 dB of noise. And we know that most gain stages exhibit rising distortion at higher frequencies, including more IM (intermodulation) distortion. One common IM test is to mix 19 kHz and 20 kHz sine waves, send them through a device and then measure how much 1 kHz is generated (20-19=1). All this hints at the importance of maintaining a sufficient bandwidth with minimal phase shift, while at the same time minimizing high-frequency artifacts and distortions. All of the above and our experience listening and designing suggest that there are many subtle aspects to hearing that are beyond the realm of simple traditional measurement characterizations.
The way in which an analog amplifier handles very small signals is as important as the way it behaves at high levels. For low distortion, an analog amplifier must have a linear transfer characteristic, in other words, the output signal must be an exact replica of the input signal, differing only in magnitude. The magnitude can be controlled by a gain control or fader (consisting of a high-quality variable resistor that, by definition, has a linear transfer characteristic.) A dynamics controller – i.e. a compressor, limiter, or expander – is a gain control that can adjust the gain of the amplifier very rapidly in response to the fluctuating audio signal, ideally without introducing significant distortion, i.e. it must have a linear transfer characteristic. But, by definition, rapidly changing gain means that a signal “starting out” to be linear and, therefore without distortion, gets changed on the way to produce a different amplitude. Inevitably our data bank of “natural” sound is built upon the basis of our personal experience and this must surely emphasize the importance of listening to “natural” sound, and high-quality musical instruments within acoustic environments that are subjectively pleasing so as to develop keen awareness that will contribute to a reliable data bank. Humans who have not experienced enough “natural” sound may well have a flawed data bank! Quality recording equipment should be capable of retaining “natural” sound and this is indeed the traditional measuring stick. And “creative” musical equipment should provide the tools to manipulate the sound to enhance the emotional appeal of the music without destroying it. Memory and knowledge of real acoustic and musical events may be the biggest tool and advantage any recording engineer may possess.
One needs to be very careful when one hears traces of distortion prior to the recording because some flavors of distortion that might seem acceptable (or even stylish) initially, may later prove to cause irreparable damage to parts of the sound (for example, “warm lows” but “harsh sibilance”) or in louder or quieter sections of the recording. Experience shows that mic preamps and basic console routing paths should offer supreme fidelity otherwise the engineer has little control or choice of recorded “color” and little recourse to undo after the fact. Devices or circuits that can easily be bypassed are usually better choices when “color” is a consideration and this particularly is an area where one might consider comparing several such devices. Beware that usually, deviations from linearity carry at least as much long-term penalty as initial appeal and that one should always be listening critically when recording and generally “playing it safe” when introducing effects that cannot be removed.
- Tsutomu Oohashi, Emi Nishina, Norie Kawai, Yoshitaka Fuwamoto, and Hishi Imai. National Institute of Multimedia Education, Tokyo. “High-Frequency Sound Above the Audible Range, Affects Brain Electric Activity and Sound Perception” Paper read at 91st. Convention of the A.E.S.October 1991. Section 7. (1), Conclusion.
- Miland Kunchur, Depart of Physics and Astronomy, University of South Carolina. “Temporal resolution of hearing probed by bandwidth restriction”, M. N. Kunchur, Acta Acustica united with Acustica 94, 594–603 (2008) (http://www.physics.sc.edu/kunchur/Acoustics-papers.htm)
- Miland Kunchur, Depart of Physics and Astronomy, University of South Carolina. Probing the temporal resolution and the bandwidth of human hearing, M. N. Kunchur, Proc. of Meetings on Acoustics (POMA) 2, 050006 (2008)
Specifications
Frequency Response:
100K Load,
+/- 0.1dB from 20Hz to 20kHz
-3dB @ 3.5Hz / 185kHz
| Noise: | |
| IEC-A-Weighted | |
| Buss Outputs: | -106dBV |
| Single Channel assigned @ -∞: | -104dBV |
| Single Channel assigned @ Unity: | -103dBV |
| Single Channel assigned @ +10dB Un-weighted, 22Hz – 22kHz | -100dBV |
| Buss Outputs: | |
| Single Channel assigned @ -∞: | -101dBV |
| Single Channel assigned @ Unity: | -100dBV |
| Single Channel assigned @ +10dB | -97dBV |
Signal to Noise
+20dBu output un-weighted, 22 – 22kHz 116dB
+20dBu output, IEC A-weighted 119dB
+4dBu output unweighted, 22 – 22kHz 100dB
+4dBu output, IEC A-weighted 103dB
Output Level:
Summing Buses to XLR outputs, Maximum Output Level, 20Hz to 40kHz +26dBu
Single Channel to Buss, Maximum Output Level, 20Hz to 40kHz +24.5dBu
Total Harmonic Distortion and Noise:
1kHz @+20dBu output better than 0.003%
20Hz @+20dBu output better than 0.005%
Total Harmonic Distortion, Silk Engaged:
Blue Silk – 100Hz @+20dBu output, texture control 12 o’clock 0.2% typical
Blue Silk – 100Hz @+20dBu output, texture control fully CW 0.65% typical
Red Silk – 100Hz @+20dBu output, texture control 12 o’clock 0.1% typical
Red Silk – 100Hz @+20dBu output, texture control fully CW 0.35% typical
Slew Rate:
4V/uS
Crosstalk:
| Buss1 to Buss2 | |
| 1kHz | Better than -90dB |
| 10kHz | Better than -70dB |
Power Consumption:
AC Mains, 100VAC to 240VAC, 50/60Hz 45 Watts
Fuses – not user-accessible, internal on power supplies
Size/Weight:
| Size | 3.5”H (2U), 19” W, 8” D |
| Weight | 23lbs |
| Shipping size | 22” x 17” x 8” |
| Shipping Weight | 25lbs |

PRODUCT WARRANTY
Rupert Neve Designs warrants this product to be free from defects in materials and workmanship for a period of three (3) years from the date of purchase and agrees to remedy any defect identified within such three year period by, at our option, repairing or replacing the product.
LIMITATIONS AND EXCLUSIONS
This warranty, and any other express or implied warranty, does not apply to any product which has been improperly installed, subjected to usage for which the product was not designed, misused or abused, damaged during shipping, damaged by any dry cell battery, or which has been altered or modified in any way. This warranty is extended to the original end-user purchaser only. A purchase receipt or other satisfactory proof of date of original purchase is required before any warranty service will be performed. THIS EXPRESS, LIMITED WARRANTY IS IN LIEU OF ALL OTHER WARRANTIES, EXPRESS OR IMPLIED, TO THE EXTENT ALLOWED UNDER APPLICABLE STATE LAW. IN NO EVENT SHALL RUPERT NEVE DESIGNS BE LIABLE FOR ANY SPECIAL, INCIDENTAL, OR CONSEQUENTIAL DAMAGES RESULTING FROM THE USE OF THIS PRODUCT. Some states do not allow the exclusion or limitation of consequential damages or limitations on how long an implied warranty lasts, so this exclusion may not apply to you.
WARRANTY SERVICE
If you suspect a defect in this product, please call us at 512-847-3013 or contact our support staff ([email protected]) for troubleshooting. If it is determined that the device is malfunctioning, we will issue a Return Material Authorization and provide instructions for shipping the device to our service department.
Rupert Neve Designs
PO Box 1969
Wimberley TX 78676
www.rupertneve.com
tel: +1 512-847-3013
fax: +1 512-847-8869
775-00015 Rev C


















