
MJ-KM1001W-1 Stand Mixer
User Manual
IMPORTANT NOTE: Please read the manual carefully before operating your product. Retain it for future reference.
IMPORTANT SAFETY INSTRUCTIONS
To avoid the risk of serious injury when using your kitchen machine, basic safety precautions should be followed, including the following.
READ ALL INSTRUCTIONS, SAFEGUARDS, AND WARNINGS BEFORE OPERATING THE KITCHEN MACHINE.
- Do not immerse the motor unit in water nor rinse it under the tap.
- Before you connect the appliance to the power, make sure that the voltage indicated on the bottom of the appliance corresponds to the local power voltage.
- Do not use the appliance if the power cord, the plug, protecting cover, rotating sieve or any other parts are damaged or has visible cracks.
- If the power cord is damaged, you must have it replaced by a service center authorized , or similarly qualified persons to avoid a hazard.
- This appliance can be used by persons with reduced physical, sensory or mental capabilities or lack of experience and knowledge if they have been given supervision or instruction concerning use of the appliance in a safe way and if they understand the hazards involved.
- Children shall not play with the appliance.
- This appliance shall not be used by children. Keep the appliance and its cord out of reach of children.
- Never let the appliance run unattended.
- Remove the beater, whisk or dough hook from your kitchen machine before washing.
- Be careful if hot liquid is poured into the bowl, as it can be ejected out of the appliance due to a sudden steaming.
- This appliance is intended for household use only.
- There is a potential injury from misuse. Please handle it with care.
- Do not touch acidic food or soak it in an acidic solution for stirring accessories. 1
Caution:
- Always switch off and unplug the appliance if it is left unattended, and before assembling, disassembling, cleaning and changing accessories, or approaching parts that move in use
- In order to avoid a hazard due to inadvertent resetting of the thermal cut-out, this appliance must not be supplied through an external switching device, such as a timer, or connected to a circuit that is regularly switched on and off by the utility.
- Always switch off the appliance by turning the knob to the off(0) position.
- Always wait until the moving parts stop running after switching off, and then unplug the appliance before lifting the arm of the stand, or opening, disassembling or removing the parts of any of the accessories from the stand.
- Do not exceed a total of 1500g ingredients the accessories (bowl). Follow the quantities, processing time, and speed when using the kitchen machine tools, as indicated in the user manual.
- Thoroughly clean the parts that come into contact with food before you use the appliance for the first time. Refer to the instructions and table for cleaning given in the user manual
- Never use any accessories or parts from other manufacturers that do not specifically recommend them. If you use such accessories or parts, your guarantee becomes invalid.
- Let hot ingredients cool down before processing them. Do not add ingredients 60¥ hotter than ambient temperature.
- Always let the appliance cool down to room temperature after each batch that you process.
SAVE THESE INSTRUCTIONS
THIS UNIT IS INTENDED FOR HOUSEHOLD USE ONLY.
PART NAME

TECHNICAL DATA OF THE PRODUCT
Product name: KITCHEN STAND MIXER
Model No. MJ-KM1001W-1
Rated voltage: 220-240V~
Rated frequency: 50-60Hz
Rated power: 375W
INSTRUCTIONS FOR USE
Kitchen machine
Alwaysmakesuremixeris unplug and setting control issettoOFF 0
Press the head of the mixer, then release the lock lever right.
Tilt mixer heads up, then, lock the lever left.
Place bowl in bowl base and turn clockwise until bowl locks into place.
Insert attachment onto output shaft and press upward as far as possible. Turn the attachment counterclockwise, hooking the attachment over the pin on the shaft.
Release the lock lever right, press down the head of the mixer.
Then lock the lever left. Slide the bowl lid.
Plug the mixer into a wall outlet.
When finished rotate the Speed control to Off(0).
Unplug from the outlet..
Select desired speed.
Slide-out the bowl lid.
Press the head of the mixer, then release the lock lever right.
Tilt mixer heads up, then lock the lever left.
Remove the attachment by turning the attachment counterclockwise and pulling to remove it.
Remove attachment by turning the attachment counterclockwise and pulling to remove it.
Release the lock lever right, press down the head of the mixer.
Press the head of the mixer, then lock lever left.
Before first use
Before you use the kitchen machine and accessories for the first time, thoroughly clean the parts that come into contact with food. You can only plugin and switch on the appliance after you correctly assemble the accessories.
Auto-stop
Your kitchen machine will be automatically turned off after 10 minutes of continuous operation. This can avoid potential safety problems due to prolonged usage.
Mixing bowl tools
Note
- Before switching on your kitchen machine, make sure the knob is at 0 positions,s and then attach the whisk, beater or dough hook.
- Up to 500g of flour plus other ingredients can be processed in the bowl.
- Follow the recommended quantities, processing time, and speed as indicated in user manual. Do not exceed the suggested processing speed to avoid damage to the machine.
Before you start, make sure that you pick the desired attachment from the following and assemble it according to user manual.
INSTRUCTIONS FOR USE
| Name | Purpose | |
![]() | Hook | • For making green onion Chinese pancake • Suggested processing speed: 2 • 1750g flour , 1260ml water, some green onion and little salt, 10 min. |
![]() | Beater | • For making cake, cookies, pie, pastry, mashed potato, pasta dough, gluten free bread, and cold butter • Suggested processing speed:1-4 |
![]() | Whisk | • For making egg white, cream, meringues, mousses, and soufflés • Suggested processing speed:7 |
Tip
- To avoid splashing, always increase speed gradually.
- Whisk: before whisking egg whites or cream, make sure that the bowl and the whisk are dry and free from grease.
- Kneading: use the dough hook to knead yeast dough for bread and pizzas.
- You need to adjust the amount of liquid to form the dough according to the humidity and temperature condition.
- If you want to re-knead the dough with your kitchen machine, press the dough down to the bottom of the bowl to avoid the dough wrapping on the tool. Make sure that you re-knead the dough within the recommended speed.
RECIPES
Recipes: Bread dough (Hook)
Ingredient:
- 500g flour
- 50g olive oil
- 1 teaspoon salt
- 1 teaspoon sugar
- 7g yeast
- 260ml warm water
- Add all the dry ingredients to the bowl and turn the rotary knob to speed 1.
- Pour in the water and then the oil.
- Switch to speed 2 and continue kneading until one smooth dough ball is formed.
- Grease a bowl with vegetable oil.
- Put the dough ball to this bowl and cover it with cling film.
- Let it rise for 1 hour until it is doubled in size.
- Remove the air from the raised dough.
- Fold it into a log shape and fit it into a loaf pan.
- Cover it and let it rise in the tray for 1 hour.
- Bake at 180°C for 40 minutes.
RECIPES
Recipe: Cake batter (Beater)
Ingredient:
- 3 eggs
- 150g butter
- 150 g castor sugar
- 150g flour
- 3g baking powder
- Cut the butter into cubes of 2 cm.
- Put the cubes with sugar in the bowl and mix them with speed 1.
- Gradually increase the speed from 1 to 4.
- Add the eggs one by one and keep mixing with speed 4 until you receive consistency.
- Fold in baking powder and flour to the mixture and mix with speed 4 until allthe ingredients are well mixed.
- Put the batter into a 30 cm long aluminum tin.
- Place it in the middle of the oven.
- Bake it for 30-40 minutes at the temperature of 180°C.
Pie pastry (Beater)
Ingredient:
- 340g cups all-purpose flour, plus extra for rolling
- 1 teaspoon salt
- 1 teaspoon sugar
- 227g cold unsalted butter, cut into 2 cm inch cubes
- 6 to 8 tablespoons ice water
- Put all the dry ingredients into the bowl and turn the rotary knob to speed
- Add the cold butter to the dry ingredients and gradually increase the speed from 1 to 3.
- Add 1 tablespoon of iced water at a time to the mixture until it forms a crumbly dough. If the dough doesn’t hold together, add a little more water and mix it for a longer time. Do not add too much water. Otherwise, it will make the crust tough.
- Form the dough into the shape you want and wrap it with plastic wrap.
- Keep it in the refrigerator for at least 1 hour and up to 2 days.
- Rest the dough in room temperature for a few minutes before rolling and baking.
- Bake it for 25-30 minutes at the temperature of 180°C.
Recipes: Meringue (Whisk)
Ingredient:
- 4 egg whites
- 1 cup (200 grams) superfine or caster sugar
1. Whisk the egg whites with speed 7 until soft peaks are formed.
2. Gradually add the sugar while processing with speed 4 until firm peaks are formed.
3. Spoon the meringue onto a baking tray that is covered with baking paper.
4. Preheat your oven to 105°C and place the tray with the meringue in the center of the o5. Bake the meringues for approximately 1-1.5 hours until they are dry and crisp.
6. Turn off the oven and dry the meringues in the oven for 1.5 hours.
Make sausages
Before you use the appliance for the first time, thoroughly clean the parts that come into contact with food.
Before you start, make sure you assemble according to the Sausage horn.
For disassembly, refer to the Sausage horn.
Note
- Make sure that the projections on the feedingtube align with the notches of the motor.
- Do not block the air outlet grooves of the sausage horn.
- Do not make the sausages too thick in case the sausage skin is overstretched.
- Keep the sausage skin wet to prevent it from sticking on the sausage horn.
Ingredients:
- 4,500g ground pork
- 5 Tbsp. of salt
- 1 tsp. of ginger
- 1 Tbsp. of ground hot red pepper
- 1 Tbsp. of nutmeg
- 1 Tbsp. of thyme
- 1 Tbsp. of ground white pepper
- 470ml ice water
- 2 Tbsp. of rubbed sage
Directions:
- Mince the meat with the coarse grinding disc.
- Thoroughly mix the minced meat and other ingredients.
- Follow the instructions above to make your own sausages.
Make kebbe
Before you use the appliance for the first time, thoroughly clean the parts that come into contact with food.
Before you start, make sure you assemble according to the Kebbe spacer.
For disassembly, refer to the Kebbe spacer. Yield: 5-8 servings
Ingredients:
- Outer casing
- 400g lamb, cut into strips
- 15ml oil
- 2 medium onions, nely chopped
- 500g lamb or fat-free mutton, cut into strips
- 500g bulgur wheat, washed and drained
- 1 small onion
- Filling
- 15ml plain flour
- salt and pepper
- 5-10ml ground allspice
Directions:
• Outer casing
- Mince the meat, wheat, and onion together with the ne grinding disc.
- Thoroughly mix the minced ingredients, and then mince the mixture twice again.
- Use the kebbe maker to shape the mixture into kebbe casing.
• Filling
- Mince the meat with the ne grinding disc.
- Fry the onion chops until they turn golden brown.
- Add the minced meat and other ingredients, and then cook for 1-2 minutes.
- Drain off excess fat and cool the filling down.
• Cooking
- Push some filling into the outer casing, and then pinch both ends to seal it.
- Heat the oil for deep frying (190°C).
- Deep fry the kebbe for 3-4 minutes, or until it turns golden brown.
ABNORMALITY ANALYSIS AND HANDLING
Abnormality Handling
- In case of abnormalities such as abnormal noises, smell, smoke, etc., you should immediately cut off power and stop use.
- If the product cannot work, please check if the power supply is connected, if the switch is put to the 1-7 speed position and if fittings are installed in place.
- If the product still cannot work after the checks mentioned above, please consult the designated repair center for maintenance.
If your appliance does not work, check;
- That it is plugged incorrectly.
- That the accessories are correctly locked.
- That the safety cover is present and locked when the high-speed outlet is not used.
- That the multi-function head is locked in a horizontal position.
Your appliance comes with a microprocessor that controls and analyses the operating power. If the load becomes too high, your appliance will stop automatically. To restart your appliance, turn the rotary button to the “0” position and remove some of your ingredients. Allow your appliance to cool down for a few minutes. You can select the desired speed to complete your preparation.
CLEANING AND MAINTENANCE
Caution:
- Before you clean the appliance, unplug it.
- Refer to the table for information on cleaning the parts with water, a dishwashing machine, and or a moist cloth.
- Clean the main unit with a moist cloth
- Clean the other parts in hot water(<60 ) with some washing-up liquid or in a dishwasher (refer to the table).
- Store the appliance and accessories in a dry place after cleaning.

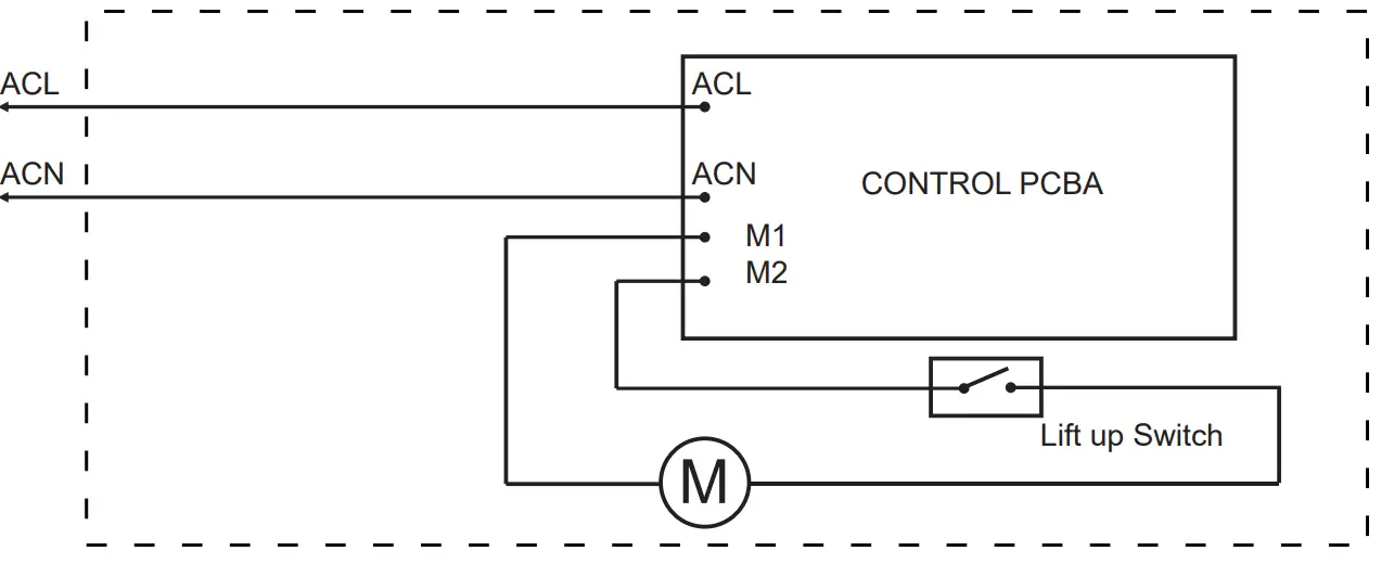
CIRCUIT PRINCIPLE DIAGRAM

Environmental protection
The appliance must not be disposed of with regular household waste. At the end of its service life, the appliance must be properly delivered to a collection point for the recycling of electrical and electronic equipment. By Collection and recycling of old appliances, you are making an important contribution to the conservation of our natural resources and providing for environmentally sound and healthy disposal.























