HM0293 Hand Mixer
User Manual
Midea Italia S.r.l. a socio unico
Viale Luigi Bodio 29/37
20158 Milano Italia
midea.com/it
IMPORTANT NOTE: Please read the manual carefully before operating your product. Retain it for future reference.
IMPORTANT SAFETY INSTRUCTIONS
To avoid the risk of serious injury when using your hand mixer, basic safety precautions should be followed, including the following.
READ ALL INSTRUCTIONS, SAFEGUARDS, AND WARNINGS BEFORE OPERATING HAND MIXER
- There is a potential injury from misuse. Please handle it with care.
- Always disconnect the appliance from the supply if it is left unattended and before assembling, disassembling or cleaning.
- This appliance shall not be used by children. Keep the appliance and its cord out of children reach.
- Appliances can be used by persons with reduced physical, sensory or mental capabilities or lack of experience and knowledge if they have been given supervision or instruction concerning use of the appliance in a safe way and if they understand the hazards involved.
- Children shall not play with the appliance.
- Switch off the appliance and disconnect from supply before changing accessories or approaching parts that move in use.
- This appliance is intended to be used in household and similar applications such as:
– Staff kitchen areas in shops, offices and other working environments;
– Farm houses;
– By clients in hotels, motels and other residential type environments;
– Bed and breakfast type environments . - If the supply cord is damaged, it must be replaced by the manufacturer, its service agent or similarly qualified persons in order to avoid a hazard.
- This appliance conforms to EC Regulation 1935/2004 on materials and articles intended to come into contact with food.
SAVE THESE INSTRUCTION.
THIS UNIT IS INTENDED FOR HOUSEHOLD USE ONLY.
Caution:
Ensure that the hand mixer is switched off before removing
Caution:
The failure to follow any of the important safeguards and the important instructions for safe use is a misuse of your hand mixer that can void your warranty and create the risk of serious injury.
Safety system
This appliance is equipped with motor themal protector. If the appliance overheats, it switches off automatically. Unplug the appliance and let it cool down until room temperature then put the mains plug back into the power outlet and switch on the applianceagain. Please contact your dealer or an authorized service center if it is activated too often.
Model series
| Part name | Unit | Beater | Hook |
| PIC | ![]() | ![]() | ![]() |
| HMO293 |
PART NAME

General mixing guide
The following mixing guide is a suggestion for selecting mixing speeds for 6-speed mixers. Begin on speed 1 and increase to desired speed depending on the recipe consistency
| Speed | Function |
| 0 | OFF and / or Eject |
| 1 | LOW speed for folding or mixing in dry ingredients, muffins, or quick breads |
| 2 | To cream butter and sugar; most cookie dough |
| 3 | MEDIUM speed for most packaged cake mixes |
| 4 | Frosting and mashed potatoes |
| 5 | Beating egg whites |
| Turbo | Max speed for heavy loading |
TECHNICAL DATA OF THE PRODUCT
| Product name | Model No. | Rated voltage | Rated frequency | Rated power |
| HAND MIXER | HM0293 | 220-240V~ | 50-60Hz | 400W |
INSTRUCTIONS FOR USE
Hand mixer

Note
Do not use quick burst for more than standard time or motor may overheat.
RECIPES
- Use a large mixing bowl so that the ingredients spread out for easier mixing.
- Butter and margarine should be at room temperature.
- Add 200g flour +200sugar+200butter+4pcs egg at a time and at max speed setting, mixing thoroughly after each addition.(operation time: Max 15mins ).
- Add 980g flour+705.6g water at a time and at max speed setting. (operation time: Max 4mins ).
- Chips and nuts should be stirred by hand.
ABNORMALITY ANALYSIS AND HANDLING
Abnormality Handling
- In case of abnormalities such as abnormal noises, smell, smoke, etc., you should immediately cut off power and stop use.
- If the product cannot work, please check if the power supply is connected, if the switch is put to the ON position and if fittings are installed in place.
- If the product still cannot work after checks mentioned above, please consult the designated repair centre for maintenance.
Fault Analysis and Elimination
| Symptom | Analysis of Possible Causes | Countermeasure |
| Product does not work | Did not press the inching switch | Keep the point switch in the pressed state |
| The ingredients stick on the inner wall of the bowl | Excessive amount of food processing or formula incorrect | Spin the bowl by hand until the mixing effect you want |
| The abnormal odor products, hot, the phenomenon such as smoking | Excessive amount of food processing | Reduce the quantity of ingredients |
| Product continuous working time is too long | Shorten the product continuous working time |
CLEANING AND MAINTENANCE

Warning:
Disconnect power before cleaning. Do not immerse mixer, cord, or plug in any liquid.
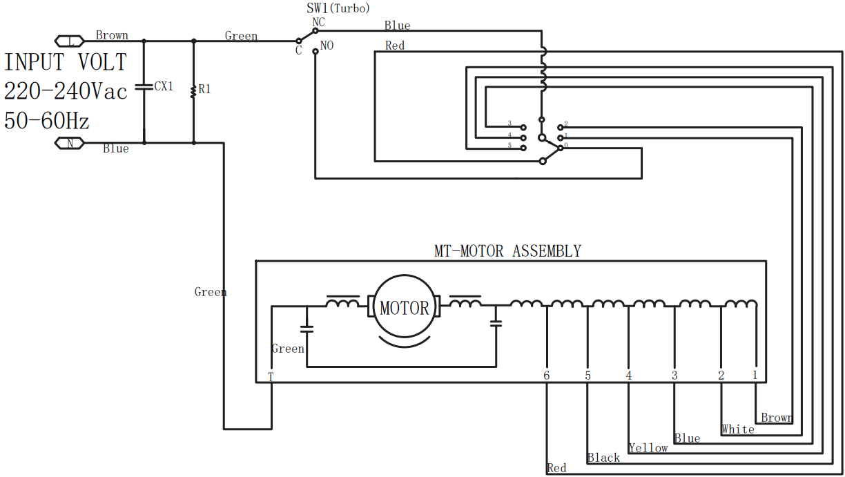
CIRCUIT PRINCIPLE DIAGRAM

Environmental protection
The appliance must not be disposed of with regular household waste.
At the end of its service life, the appliance must be properly delivered to a collection point for the recycling of electrical and electronic equipment. By Collection and recycling of old appliances, you are making an important contribution to the conservation of our natural resources and provide for environmentally sound and healthy disposal.






















