

![]()
USER GUIDE
Publication AP9250_4
Limited One Year Manufacturer’s Warranty
Allen & Heath warrants the Allen & Heath – branded hardware product and accessories contained in the original packaging (“Allen & Heath Product”) against defects in materials and workmanship when used in accordance with Allen & Heath’s user manuals, technical specifications and other Allen & Heath product published guidelines for a period of ONE (1) YEAR from the date of original purchase by the end-user purchaser (“Warranty Period”).
This warranty does not apply to any non-Allen & Heath branded hardware products or any software, even if packaged or sold with Allen & Heath hardware. Please refer to the licensing agreement accompanying the software for details of your rights with respect to the use of software (“EULA”). Details of the EULA, warranty policy and other useful information can be found on the Allen & Heath website: www.allen-heath.com/legal
Repair or replacement under the terms of the warranty does not provide right to extension or renewal of the warranty period. Repair or direct replacement of the product under the terms of this warranty may be fulfilled with functionally equivalent service exchange units.
This warranty is not transferable. This warranty does not cover fader wear and tear.
This warranty will be the purchaser’s sole and exclusive remedy and neither Allen & Heath nor its approved service centres shall be liable for any incidental or consequential damages or breach of any express or implied warranty of this product.
Conditions of Warranty
The equipment has not been subject to misuse either intended or accidental, neglect, or alteration other than as described in the User Guide or Service Manual, or approved by Allen & Heath. Any necessary adjustment, alteration or repair has been carried out by an authorised Allen & Heath distributor or agent. The defective unit is to be returned carriage prepaid to the place of purchase, an authorised Allen & Heath distributor or agent with proof of purchase. Please discuss this with the distributor or the agent before shipping. If the unit is to be repaired in a different country to that of its purchase the repair may take longer than normal, whilst the warranty is confirmed and parts are sourced. Units returned should be packed in the original carton to avoid transit damage. In certain territories the terms may vary. Check with your Allen & Heath distributor or agent for any additional warranty information which may apply. If further assistance is required please contact Allen & Heath Ltd.
DISCLAIMER: Allen & Heath shall not be liable for the loss of any saved/stored data in products that are either repaired or replaced.
XONE:23 complies with the European Electromagnetic Compatibility directives
2014/30/EU and the European Low Voltage directives 2014/35/EU.
Any changes or modifications to the equipment not approved by Allen & Heath could void the compliance of the product and therefore the users authority to operate it.
XONE:23 User Guide AP9250 Issue 4
Copyright © 2018 Allen & Heath Limited. All rights reserved
Allen & Heath Limited Kernick Industrial Estate, Penryn, Cornwall, TR10 9LU, UK
www.allen-heath.com
PACKED ITEMS
Check that you have received the following:

Xone:23 mixer

Power Supply 12V – 2.5 Amps

Power supply IEC Lead
This is country-specific and will vary with mains voltage/territory
Safety Sheet
Important! Read this sheet before starting. Retain for future reference.
Congratulations on purchasing the Allen & Heath Xone:23 performance DJ mixer. To ensure that you get the maximum benefit from the unit please spare a few minutes familiarizing yourself with the controls and setup procedures outlined in this user guide. For further information please refer to the additional information available on our web site, or contact our product support team.
http://www.allen-heath.com
APPLICATION DIAGRAM

INTRODUCTION TO THE XONE:23
The Xone:23 is a high-performance 2+2 channel VCA mixer designed around the latest analogue circuitry featuring microprocessor control of all signal routing. It is equipped with a version of the famous Xone filter system, 3 band EQ, plus a send/return loop for external effects. The crossfader curve has two settings, suitable for either blending or beat matching, or a more aggressive curve for scratching. For ultimate crossfader performance the mixer can also be equipped with a custom Innofader, available from your nearest Allen & Heath stockist, (part number 004-504JIT). With a studio standard 20dB of signal headroom, a separate booth monitor and balanced XLR main outputs, (with an impressive +28dBu max level) the Xone:23 is perfect for the DJ who requires a high-quality compact mix tool.
Key features of the Xone:23 are:
- 2+2 stereo channels with dual levels for phono/line inputs
- Up to 4 sources can be mixed simultaneously
- 3 Band equalizer
- Voltage Controlled Filter system
- Send/Return loop for external FX
- Accurate signal level monitoring with peak hold
- Main mix outputs on professional balanced XLR connectors
- Dedicated local monitor (booth monitor)
- Pro standard headroom (+20dB) to prevent overload
- +28dBu maximum output level (balanced XLR)
- Low audio distortion (typically 0.01% at +10dBu output)
- Dedicated record output
- Crossfader curve switch
- Innofader crossfader option
- Cue mix control with illuminated Cue switches
- UV sensitive ink screen for improved low light legibility
- Universal voltage power supply (works anywhere in the World)
We wish you the same fun playing on it as we have had designing it!
INPUT CHANNEL CONTROLS


MASTER CONTROLS


MIC AND FILTER CONTROLS


REAR PANEL CONNECTIONS


FILTER REFERENCE
The VCF Filters
A voltage controlled filter is an audio filter where the cut-off frequency is altered by a DC control voltage rather than a variable resistor. This produces a much wider operating range and more control over the filter response to create unlimited combinations of tonal effect.
Filter Type Select
The filters provide two simultaneous filter types: high-pass, and low-pass. A large illuminated switch selects which type is active.
The graphs below show the effect on the audio frequency response for the two filter types. The range of sweep from low to high frequency is shown together with the effect of adjusting RESONANCE.
The vertical scale shows the amount of cut or boost around the normal 0dB operating level. The horizontal scale shows the change in frequency from low (bass) to high (treble).


OPERATING LEVELS
It is most important that the system-level settings are correctly set. It is well known that many DJs push the level to maximum with meters peaking hard in the belief that they are getting the best from the system. THIS IS NOT THE CASE! The best can only be achieved if the system levels are set within the normal operating range and not allowed to peak. Peaking simply results in signal distortion, not more volume. It is the specification of the amplifier/speaker system that sets the maximum volume that can be achieved, not the console. The human ear too can fool the operator into believing that more volume is needed. Be careful as this is in fact a warning that hearing damage will result if high listening levels are maintained. Remember that it is the QUALITY of the sound that pleases the ear, not just the VOLUME.
The diagram below illustrates the operating range of the audio signal. NORMAL OPERATING RANGE. For normal music, the signal should range between 6 and +6 on the meters with average around 0dB. This allows enough HEADROOM for unexpected peaks before the signal hits its maximum CLIPPING voltage and distorts. It also achieves the best SIGNAL-TO-NOISE RATIO by keeping the signal well above the residual NOISE FLOOR (system hiss). The DYNAMIC RANGE is the maximum signal swing available between the residual noise floor and clipping.

An important note …
The human ear is a remarkable organ with the ability to compress or `shut down’ when sound levels become too high. Do not interpret this natural response as a reason to turn the system volume up further! As the session wears on ear fatigue may set in, and the speaker cones may become hot, increasing distortion and reducing the ability of listeners to gain any benefit from increased volume.
EARTHING
The connection to earth (ground) in an audio system is important for two reasons:
SAFETY – To protect the operator from high voltage electric shock, and
AUDIO PERFORMANCE – To minimise the effect of earth (ground) loops which result in audible hum and buzz, and to shield the audio signals from interference.
For safety it is important that all equipment earths are connected to mains earth so that exposed metal parts are prevented from carrying high voltage which can injure or even kill the operator. It is recommended that a qualified system engineer check the continuity of the safety earth from all points in the system including microphone bodies, turntable chassis, equipment cases, and so on. The same earth is also used to shield audio cables from external interference such as the hum fields associated with power transformers, lighting dimmer buzz, and computer radiation. Problems arise when the signal sees more than one path to mains earth. An `earth loop’ (ground loop) results causing current to flow between the different earth paths. This condition is usually detected as a mains frequency audible hum or buzz. To ensure safe and trouble-free operation we recommend the following: Have your mains system checked by a qualified electrician. If the supply earthing is solid to start with you are less likely to experience problems. Make sure that turntables are correctly earthed. A chassis earth terminal is provided on the console rear panel to connect to turntable earth straps. Use low impedance sources such as microphones and line level equipment rated at 200 ohms or less to reduce susceptibility to interference. The console outputs are designed to operate at very low impedance to minimise interference problems. Use balanced connections for microphones and mix output as these provide further immunity by cancelling out interference that may be picked up on long cable runs. Do not unbalance the Xone:23 XLR outputs by shorting pin 3 to ground as this may damage the circuitry; for unbalanced operation connect the hot signal to pin 2 and the ground to pin 1. Leave pin 3 floating.
Use good quality cables and connectors and check for correct wiring and reliable solder joints. Allow sufficient cable loop to prevent damage through stretching. If you are not sure … Contact your service agent or local Allen & Heath dealer for advice.
SERVICING
How to replace the crossfader
If the crossfader is subject to a lot of use it will, in time wear out and need replacing. Intermittent or noisy operation is an indication that it is becoming worn. Using a propriety fader cleaner such as CaigLube might temporarily restore use, but DO NOT use on a new fader as it will wash away the factory-applied grease. Warning! Dismantling your mixer could invalidate the warranty; if you are unsure of your ability to safely carry out this work then it is advised that you leave it to a qualified service technician. Tools you will need are T10, and T8 Torx screwdrivers. Ensure that the power supply has been turned off and disconnected from the unit. Using the T10 torxdriver remove the three screws located in the centre of the channel input and FX loop connectors (see illustration), then using the T8 torxdriver remove the 8 screws that hold the front panel to the chassis. Now carefully lift the front edge of the panel up until the PCBs clear the chassis and pull the whole assembly forward slightly until the connectors at the rear are free from the chassis. You can now lift the front panel up to gain sufficient access to replace the crossfader. If you wish to completely remove the front panel assembly you will need to unscrew the 1/4″ headphone bezel using an 11mm or 7/16 AF socket, and remove the T10 screw that secures the headphone PCB to the chassis. Carefully unplug the multi-way harness from the connector PCB and lift the front panel away from the chassis.
Reassembly is a reverse of this procedure. Take great care to ensure that no harnesses become trapped and that all connectors are fully pushed home. Replace the screws and test the mixer for correct operation.

To Replace the crossfader
Using the T8 driver, remove the 2 screws either side of the crossfader and lower the crossfader mounting plate – unplug the 4way harness from the crossfader PCB, and unscrew the fader from the mounting plate The mounting plate is designed to allow for fitment of the contactless Innofader and can be fitted in two different positions depending which fader is being fitted. The standard fader can be ordered under A&H part number 004-503JIT The Innofader can be ordered under part number 004-504JIT
RIAA input options

If the RIAA input level is too low, or you wish to convert them to Line level.
To increase the gain by 6dB, remove the resistors arrowed and link the Pads with solder. These resistors are located on the underside of the front panel PCB, directly behind the Input RCA connectors To convert to Line level, remove the resistors and leave the Pads unsoldered.
USREERP-RLEAPCLEAMCEENATBLPEARPATSRTS

The diagram above shows all of the replacement parts. When ordering please quote the part number(s) of the required parts.
See the previous page for information on replacing the crossfader, and for replacement crossfader assembly numbers.
FAULT FINDING
No sound from mixer
Check that the unit is powered on, and that an audio signal is connected to a channel input. Check that the Input level controls are turned clockwise at least to the centre position and that the music sources connected are in the correct inputs (Inputs 1 – 3 for turntables, Inputs 2 – 4 for CD players). Check that the EQ controls are in the centre position. Turn On the Channel CUE switch and raise the input channel LEVEL control until you see the meters displaying the music signal. Raise the channel fader, and ensure that the crossfader is towards the channel that is receiving the audio signal. Turn up the MASTER, MONITOR or HEADPHONE level controls, depending on what output your amplifier is connected to, or if you are monitoring through headphones.
External effects unit can’t be heard
Check that the Effects unit is connected correctly (see page 5) and switched on – the SND on the rear panel of the mixer should be connected to the input socket on the external effects unit, and the output from the effects unit should be connected to the RTN. Check that the EXT – ON switch is on (illuminated RED) and that the channel FILTER switch is ON (illuminated BLUE).
Signal is loud and distorted
Check that the audio source is connected to the correct input; i.e. don’t connect a CD player to the PHONO input. Adjust the channel input LEVEL so that the meters peak the +3 or +6 LEDs. If the red +10 meter LED comes on, turn down the channel LEVEL control.
SPECIFICATIONS
Connections
Inputs
| Connection | Impedance | Nominal Level | Maximum Level | |
| Phono | RCA | 47K/330pF | 7mV-100mV | |
| Line | RCA | 20K ohm | -10 to +20dBu | |
| FX RTN | RCA | 10K ohm | 0 to +20dBu | |
| Mic | XLR | <2K ohm | -42 TO –12dBu |
Outputs
| Main Mix | Balanced XLR | 100 ohms | +4dBu | +28dBu |
| Monitor | RCA | 100 ohms | -2dBu | +22dBu |
| Record | RCA | 100 ohms | -2dBu | +19dBu |
| FX SND | RCA | 100 ohms | -2dBu | +19dBu |
| Headphones | 3.5mm and 1/4” TRS Jacks | 1 ohm | 200mW RMS into 30 ohms |
Performance
| Distortion | Main Mix out | +10dBu | 0.01% THD+N |
| Noise 22-22Khz | Main Mix out | unity | -85dBu un-weighted |
| Fader shut off | Channel fader | >-80dB | |
| Xfade shut off | Xfader | >-80dB | |
| Frequency Response | 10Hz to 50kHz | +/-0dB |
Dimensions
| Weight | 2.7kg (6lb) |
| Weight Packed | 4kg (8.8lb) |

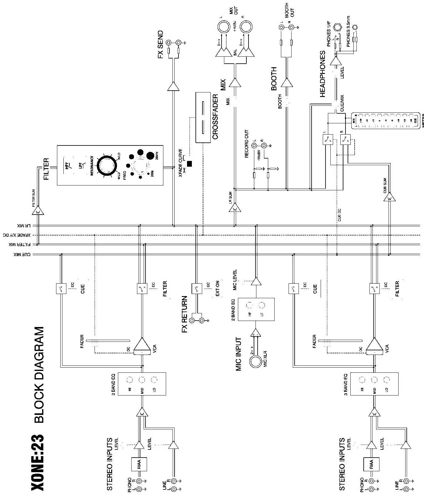
BLOCK DIAGRAM

PRODUCT REGISTRATION
Registering your product
Please register your product with Allen&Heath online at: http://www.allen-heath.com/support/register-product/



















