INSTALLATION INSTRUCTIONS
TG SERIES
Toxic Gas Sensor
BACnet/Modbus/Analog

PRODUCT IDENTIFICATION

- Package
W = Wall Mount
D = Duct Mount
M = Metal - Output Type
A = Analog
B = BACnet/Modbus - Gas Type 1*
C = Carbon Monoxide (CO)
N = Nitrogen Dioxide (NO2)
D = Carbon Dioxide (CO2)
E = Dual Channel CO2
M = Methane (CH4)
P = Propane (C3H8)
H = Hydrogen (H2)
O = Oxygen (O2)
S = Hydrogen Sulphide (H2S)
A = Ammonia (NH3)
2 = R22
3 = R134A (Multi-Refrigerant)
4 = R410A
5 = R404A
6 = R407C - Gas Type 2*
X = No second gas
N = Nitrogen Dioxide (NO2)
D = Carbon Dioxide (CO2)
E = Dual Channel CO2
M = Methane (CH4)
P = Propane (C3H8)
H = Hydrogen (H2)
O = Oxygen (O2)
S = Hydrogen Sulphide (H2S)
A = Ammonia (NH3)
2-6 = Refrigerants (see above) - Temperature Output
A = None
C = 100Pt RTD
D = 1000Pt RTD
E = 10K Type 2
F = 10K Type 3
G = 10k w/11k
H = 3k
I = 2k2
J = 1k8
K = 20k - Enclosure Lid
Blank = Clear/Tinted
S = Solid/Opaque
W=White/Solid
*Refrigerant sensors may not be paired with CH4, C3H8, or H2

WARNING
- Use installation wires rated for 75°C and above.
- The TG Series (the equipment covered by the IFU) has not been tested for Life Safety Applications and are not to be used in Life Safety Applications in jurisdictions that require this certification.
- Only qualified trade installers should install, program, maintain and test system incorporated therein. Installer is responsible for compliance of all applicable codes.
- Read, understand, and follow instructions thoroughly.
- The unit and associated systems require routine test and maintenance as prescribed in the TG Series User’s Manual section ‘Periodic Test and Maintenance’
- Do not install in hazardous or classified locations.
- De-energize power supply prior to installation.
- Gas sensors should not be used as a substitute for proper installation, use, or maintenance of gas emitting equipment.
- This device is designed to detect conditions that could result in acute effects of gas exposure. It will not fully safeguard individuals with specific medical conditions. If in doubt, consult a medical practitioner.
- Conduit is prone to condensation if it passes from one temperature zone to another, such as from indoors to outdoors or from one part of a building to another. This condensation may actually drip into the sensor if mounted below, causing damage and/or poor readings.
In order to prevent condensation and water egress, seal both the top and bottom of the conduit with a suitable expanding foam product (such as Polywater™ Zipseal™ ZIP-50KIT1) to prevent warm air from entering cold conduit.
Alternatively, fiberglass insulation may be inserted in the conduit between the cold and warm sections using a rigid wire or other method if both ends cannot be sealed. Sealing is the preferred method. - Conduit air flow entering sensor may prevent sensor from reading ambient air properly, resulting in under measurement of gases. Plug sensor conduit in all installations with a foam plug or seal as noted above in order to prevent airflow from the conduit.
LIMITATION OF LIABILITY
Senva’s liability, whether in contract, in tort, under any warranty, in negligence or otherwise shall not exceed the amount of the purchase price paid by the purchaser for the product. Under no circumstances shall Senva be liable for special or consequential damages.
senvainc.com 1-866-660-8864 (F)1-503-296-2529 9290 SW Nimbus Ave. Beaverton Oregon 97008
FEATURES
The Senva TG Series sensor is a dual-sensor toxic gas detector. There are two versions to select from; the Analog version and the Communications version(BACnet MS/TP and Modbus RTU). Each version has Fan and Alarm relays for controls/ indication. The Analog version has two configurable 0-5V/10V or 4-20mA analog outputs that represent gas concentrations. The communications version has a physical RS-485 connection for communications over either BACnet MS/TP or Modbus RTU. These sensors can be mounted in an indoor application. In addition, each sensor has the following features:
Visual/Audible Indicators – Standard LCD, LED indicators (green, yellow, red), audible alarm.
Supports BACnet and Modbus(BACnet/Modbus Version) – TG units with output type of BACnet/Modbus supports BACnet MS/ TP, Modbus RTU and Modbus ASCII.
Auto-Configuring Devices (BACnet/Modbus Version) – TG Series automatically detects network baud rate, serial format, protocol and self-addresses.
Dual Gas Monitoring – Sensor can accommodate CO, NO2, CO2, Methane, Propane, Hydrogen, Oxygen, H2S, Ammonia, Refrigerants or any dual combination in one enclosure. Sensor can be expanded in field by adding additional elements.
Lockable Door– TG Series has a hex keyed screw that can be used to secure the sensor’s door in the closed state. This should be used to keep the sensor door locked to prevent/limit the ability to tamper or misuse the sensor.
Streamlined Installation– TGM and TGW units are designed to allow wire through the center, making installation simple and reducing the need to run wires around a circuit board.
STREAMLINED WALL INSTALLATION

Step 1: Install mud plate in a 2×4″ conduit junction box, or skip this step if mouting TG directly to wall

Step 2: Run wire(s) through TG center; mount TG

Step 3: Wire to removable terminal block, plug, and play
INSTALLATION
1. Identify the package type (wall/metal or duct) of the TG Series sensor. Follow the `Wall Mount’ or ‘Duct Mount’ installation instructions accordingly:
Wall Mount (TGM or TGW)
Locate sensor near traffic areas, away from sources of ventilation or drafts. One sensor per 5000-7500 square feet is normally required (applies to CO, NO2, CO2, Methane, Hydrogen, Oxygen, H2S, and Ammonia NH3). Propane and refrigerant sensors should be limited to 5000 square feet or less.
Recommended CO, NO2, CO2, Oxygen, and H2S Sensor Mounting Height is 3-6 feet above finished floor. Methane, Hydrogen, and Ammonia NH3 sensors should be mounted within 1 foot of the ceiling. Propane sensors should be mounted 1-3 feet above the floor. Refrigerant sensors should be mounted 6 inches above floor. Check with local and state building codes to ensure sensor mounting height is in compliance.
Mount the sensor directly and securely to the wall with the fasteners best suited to your construction. Use the factory provided #8 x 3/4″ Pan self tapping screws or equivalent.
- There are two mounting tabs for securing/mounting the sensor. Mount/secure sensor to desired position on the wall with screws while being careful not to over-tighten.
- The sensor has a hole in the back for mounting into a wall or a junction box. If a top mounted conduit connection is desired, drill out either of the top knockouts and install appropriate conduit fitting/connector.
ATTENTION: For conduit installations, remove circuit board from enclosure prior to drilling holes to ensure product is not damaged.
Duct Mount (TGD)
Drill a 3/4″ hole in duct. Install sensor using gasket and screws provided. The pickup tube will ensure adequate air flow regardless of air flow direction.
Mount unit to duct with supplied screws.
2. Review the wiring call-outs and wire sensor to needed Inputs and outputs for your application. See Page 4 for example wiring schematics.
3. For Bacnet/Modbus version, communication wires may be daisy chained and termination resistor may be utilized. Use of appropriate shielded twisted pair wire (14-26 AWG) is recommended, per protocol specifications. Total wiring runs should not exceed 4000 feet, with a maximum of 128 devices (BACnet) or 32 devices (Modbus) in a single daisy chain.
Depending on the network configuration, it may be necessary to use the built in EOL (end-of-line) termination resistors on the TG Sensor. The below shows an enabled termination resistor.
EOL 120Ω Resistor
120Ω Bus terminaon resistor ![]()
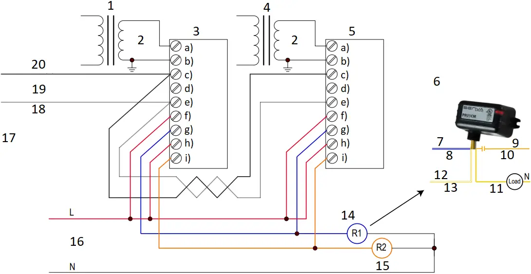
4. For applications utilizing the fan relay, the diagram on the following page shows connections between one or multiple TG sensors wired to an exhaust fan coil using the fan set-point relay(s). This function can be performed by a single TG sensor or a sequence of multiple TG sensors wired in parallel.
Ensure that the fan relay set-points are uniform. The fan relays will activate if one or more of the sensors reach the set-point.
5. Connect power wires. Use of a Class 2 LPS power supply or greater is required. Dedicated isolation transformers or power supplies are recommended for each sensor that is installed as shown in the schematic. Apply 15-30VDC or 24VAC to the V+ and V- terminals with appropriate sized wires (14-24AWG).
6. Apply power. Sensor may require up to 2 minutes of warmup time prior to displaying valid gas measurements.
7. For Bacnet/Modbus version, connect the TG Sensor(s) to an active network. The Senva TG Series can be used on both BACnet and Modbus networks. The default settings on the sensor include auto-detection of protocol type, device address (BACnet only), serial format and baud rate. Each BACnet/ Modbus TG sensor ships with a default Modbus address. This process is further detailed in the respective TG BACnet Protocol Guide or TG Modbus Protocol Guide. To manually adjust these parameters, utilize the TG Series User’s Guide.
WIRING CALLOUTS

a) POWER(V+)
b) COMMON(V-)
c) +RS485(A(+)) *
d) Agnd **
e) -RS485(B(-)) ***
f) FAN IN(FR1)
g) FAN OUT(FR2)
h) ALARM IN(AR1)
i) ALARM OUT(AR2)
1 – LCD Display
2 – Buzzer
3 – Sensor Element 1
4 – Sensor Element 2
5 – Enclosure Hole for Wiring
6 – Terminal Block for Power and Control Wiring
7 – Fan and Alarm Relays
8 – Up/Down/Select Push Buttons
9 – Enclosure Mounting Holes
10 – EOL termination resistor
11- Terminal Block for Thermistor Wiring
*AOUT1 on Analog Version
**AOUT2 on Analog Version
***Not used on Analog Version
WIRING EXAMPLES
Relay and BACnet Wiring

- Transformer 1
- 24VAC
- Gas Sensor 1
a) V+
b) V- (Gnd)
c) A(+)
d) Agnd
e) B(-)
f) FR1
g) FR2
h) AR1
i) AR2 - Transformer 2
- Gas Sensor 2
a) V+
b) V- (Gnd)
c) A(+)
d) Agnd
e) B(-)
f) FR1
g) FR2
h) AR1
i) AR2 - For fan loads greater than 1A or 30V, use Senva PR Relay
- From FR2
- WHT/BLU
- Power
- ORANGE
- YELLOW
- To Neutral
- WHT/YEL
- Exhaust Fan Coil
- Alarm Relay Coil
- 24VAC/10-30VDC
- Note:
Colors are shown to clarify node connections; wire color shall be determined by national and local electrical codes. - RX(-)
- Building Automation Control Comms (BACnet or Modbus)
- TX(+)
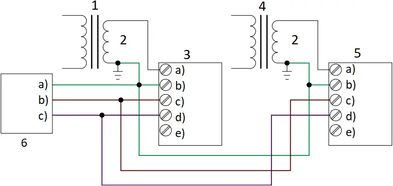
Analog Wiring for 0-5/10V circuits

- Transformer 1
- 24VAC
- Gas Sensor 1
a) V+
b) V- (Gnd)
c) AOUT1
d) AOUT2
e) None - Transformer 2
- Gas Sensor 2
a) V+
b) V- (Gnd)
c) AOUT1
d) AOUT2
e) None - DDC or Variable Frequency Drive
a) Common
b) Analog in 1
c) Analog in 2
To ensure device wiring a testing menu is available.
Access this menu by pressing the
and
buttons simultaneously for one second. The settings
menu is organized into several categories.
– Allows the user to set the testing interval
– Allows the user to force the output signal to its highest value.
– Allows the user to turn on the Fan relay for the length of the testing interval.
– Allows the user to turn on the Alarm relay for the length of the testing interval.
– Allows the user to turn on the Piezo Buzzer for the length of the testing interval.
For more detailed instructions us this QR code to access our TG Series Users Guide.
OPERATION
The following section details factory defaults for LCD function, LED function, fan and alarm set-points, fan relay and alarm status functions, and the sensor element lifetime clock. These values can be modified from their default settings via the TG Series User’s Guide.
LCD Function
The LCD is factory defaulted to toggle between readouts for each gas type populated on the board. Toggling can be modified using the TG Series User’s Guide.
LED Function
The LED indicators function in sync with the fan relay and alarm status thresholds. LEDs will change state if either of the gases reach their fan or alarm set-point. Green Normal readings below the fan set-point
| Green | Normal readings below the fan set-point |
| Yellow | Gas concentration above the fan set-point and below the alarm set-point |
| Red | Gas concentration level above the alarm set-point |
Fan and Alarm Set-points
The fan and alarm set-points are only applicable for elements populated on the board by the factory, or added in the field by the user.
| Sensor | Fan Relay (Default) | Alarm (Default) |
| CO | 25 ppm | 100 ppm |
| NO2 | 1 ppm | 3 ppm |
| CO2 | 800 ppm | 5000 ppm |
| Methane/ Propane/ Hydrogen | 10% L.E.L. | 25% L.E.L. |
| Oxygen | Less than 19.5% Vol | Greater than 23% Vol |
| H2S | 25 ppm | 75 ppm |
| Ammonia | 20 ppm | 40 ppm |
| Refrigerants | 300 ppm | 600 ppm |
Fan Relay/Alarm Status
Both the fan relay and alarm status are tied to the function of the LED indicators on each TG Series sensor. If a device has two elements populated on the board, then the fan relay and alarm status functions will activate if either of the gases reach their fan or alarm set-point.
Status | LED | Fan Relay | Alarm Relay | Audible Alarm |
| Off | – | Closed | Open | Silent |
Below Fan Set-point* | Green* | Open* | Open | Silent |
| Above Fan Set-point* | Yellow* | Closed* | Open | Silent |
Above Alarm Set-point | Red | Closed | Closed | Silent |
| Above Alarm Set-point for 30 minutes (or user defined delay) | Red | Closed | Closed | On** |
*For Oxygen, if reading is below fan setpoint, fan relay will close and red LED will be lit. Above the fan setpoint, the fan relay will open and green LED will be lit. **If Oxygen reading is below Fan setpoint for 30 minutes, audible alarm will activate.
Self-Test Feature
If “pulse check” is activated in S1/S2 or via communications, unit will periodically check the health of installed sensor elements. If either installed sensor fails the check or the 7 year lifetime of the sensor is exceeded, buzzer will chirp every 60 seconds and a red LED will blink to indicate the sensor needs to be replaced.
The duration of the fan relay and alarm buzzer operation are as follows. These values can also be modified from their default settings via the TG Series User’s Guide.
Relay Activation Timing | |
| Fan Relay | Value |
Minimum ON time | 60 seconds |
| Minimum OFF time | 60 seconds |
Maximum OFF time | 0 (inactive) |
Audible Alarm Activation Timing | |
Buzzer | Value |
| Delay | 30 minutes |
Minimum ON time | 0 seconds |
| Minimum OFF time | 0 seconds |
Sensor Element Lifetime Clock
With 30 days remaining on the element life-cycle, the green LED will blink once every 10 seconds and the audible alarm will chirp once every 60 seconds. This timer can be viewed using the TG Series User’s Guide. Contact factory for replacement elements or see TG Series Calibration Guide to field calibrate the sensor.
PERIODIC TEST AND MAINTENANCE
Periodic Maintenance
Though the frequency of inspection is typically affected by the operating conditions and environment (extreme temperatures, extreme humidity, exposure to contaminants, etc.), Senva recommends the following maintenance and intervals. More frequent maintenance may be required per local code by the Jurisdiction Having Authority (JHA). An accurate log of all maintenance and abnormal occurrences should be maintained for the proper service of this product
Every 6 Months
- For Methane, Propane, Hydrogen, H2S, Ammonia NH3 or refrigerants retest and recalibrate the unit using NIST traceable reference gas to ensure sensors remain accurate.
- Visually inspect to ensure optimal operating conditions (no broken pieces/components, sensor filter not blocked or discolored, visual indicators operational, etc.).
- Clean the exterior with a soft cloth to remove debris from the sensor intake ports.
Annual
- For Oxygen, CO or NO2, retest and recalibrate the unit using NIST traceable reference gas to ensure sensors remain accurate.
- For sensor replacement be sure to power down the sensor and remove element to be replaced and plug in new element in its place and then re-apply power.
Do Not
- Expose the sensor to high pressure water spray.
- Expose the sensor and its elements to solvents.
- Immerse the sensor into liquids.
SPECIFICATIONS
| Power supply | Power | 15-30VDC/24VAC (1), 50/60Hz, 4w max, 160mA max. |
| Wiring | Conductor | 14-24 AWG, Minimum 600V, 75°C |
Terminal Torque | 0.5 N•m | |
| Outputs (Analog) | 2 Programmable Outputs | 0-10V (default), 0-5V, 1-5V, 4-20mA (menu selectable) |
CO Output Scaling | 0-200ppm (default), 0-1000ppm (menu selectable) | |
NO2 Output Scaling | 0-10ppm (default), 0-30ppm (menu selectable) | |
CO2 Output Scaling | 0-10,000 ppm (default), 0-10,000 ppm (menu selectable) | |
Propane/Methane/Hydrogen Output Scaling | 0-50% LEL (default), 0-50% LEL (menu selectable) | |
Oxygen Output Scaling | 0-25% Vol (default), 0-25% Vol (menu selectable) | |
Refrigerant Output Scaling | 0-1000 ppm (default), 0-1000 ppm (menu selectable) | |
H2S Output Scaling | 0-100 ppm (default), 0-100 ppm (menu selectable) | |
Ammonia NH3 Output Scaling | 0-100 ppm (default), 0-100 ppm (menu selectable) | |
Temp Output Scaling (optional) | -20 to 85ºC | |
| Output (BACnet/Modbus) | RS-485 | BACnet MS/TP, Modbus RTU, Modbus ASCII |
Baud Rates | 9600, 19200, 38400, 57600, 76800, 115200 | |
RS-485 Loading | 1/4 unit | |
| Fan Relay | Fan relay characteristics | N.C. 1A@24VAC/30VDC(50/60Hz)(No Mains Connection) |
| Alarm Relay | Alarm relay characteristics | N.C. 1A@24VAC/30VDC(50/60Hz)(No Mains Connection) |
| Display | 3-1/2 digit LCD | Indicates CO ppm, NO2 ppm, Temp (menu selectable) |
| LED’s | Green, Yellow, Red | Green = Normal, Yellow = Relay, Red = Alarm |
| Audible exposure alarm | 85dB@4” Piezo transducer | 30 minutes above alarm set-point per UL2034 (menu selectable) |
| CO Sensor Performance(2) | Type | Electrochemical |
Accuracy | ±5% of Default Range, ± 5% of Reading Above 200ppm | |
Resolution | 1ppm | |
Life expectancy | 7 years | |
Recommended Calibration | Annual | |
Recommended Height(4) | 3 to 6 feet; coverage 5000-7500 sq ft. | |
| NO2 Sensor Performance(3) | Type | Electrochemical |
Accuracy | ±5% of Default Range, ± 5% of Reading Above 20ppm | |
Resolution | 0.1ppm | |
Life expectancy | 7years | |
Recommended Calibration | Annual | |
Recommended Height | 3 to 6 feet; coverage 5000-7500 sq ft. | |
| CO2 Sensor Performance | Type | Non-dispersive Infrared (NDIR) |
Accuracy (4) | ±(30ppm +3% of reading) (400-2000ppm), @-10-50°C ±(50ppm +5% of reading) Standard (2000-5000ppm), @-10-50°C ±(50ppm+3% of reading) Dual Channel (2000-5000ppm), @-10-50°C ±(100ppm+10% of reading) (5000-10000ppm), @ 0-50C | |
Drift with ABC disabled(5) | 35ppm/month (6) (Standard) 5ppm/month (6) (Dual Channel) | |
Range | 0-2000/5000ppm; Programmable up to 10,000ppm | |
Response time | 30s | |
Sample rate | 1s | |
Recommended Height | 3 to 6 feet; coverage 5000-7500 sq ft. |
(1) One side of transformer secondary is connected to signal common. Dedicated transformer is recommended. No mains circuit connection allowed. In addition, it is required to use an isolated power supply that is certified by a national or international standard (i.e. UL). Use of a Class 2 LPS power supply or greater is required.
(2) Carbon Monoxide full scale is 1000 ppm.
(3) Nitrogen Dioxide full scale is 30 ppm.
(4) Accuracy of CO2 reading may be reduced at temperatures below 14ºF (-10°C).
(5) It is not recommended to de-activate ABC (auto-calibration) except for continuously occupied spaces or greenhouses. Drift ratings may vary based on environment.
| Methane/Propane/ Hydrogen Sensor Performance | Type | Catalytic |
Detection Range | 0-50% LEL (Lower Explosive Limit) | |
Accuracy | ±5% of Range | |
Resolution | 1% LEL | |
Life expectancy | 5years | |
Recommended Calibration | 6 months | |
Recommended Height (6) | Hydrogen/Methane: 0.5 to 1 foot from ceiling; coverage 5000-7500 | |
| Oxygen Sensor Performance | Type | Electrochemical |
Detection Range | 0-25% Volume | |
Accuracy | ±5% of Range | |
Resolution | 0.1% | |
Life expectancy | 5 years | |
Recommended Calibration | Annual | |
Recommended Height | 3 to 6 feet; coverage 5000-7500 sq ft. | |
| H2S Sensor Performance | Type | Electrochemical |
Detection Range | 0-100 ppm | |
Accuracy | ±5% of Range | |
Resolution | 1 ppm | |
Life expectancy | 5 years | |
Recommended Calibration | 6 months | |
Recommended Height | 3 to 6 feet; coverage 5000-7500 sq ft. | |
| Ammonia NH3 Sensor Performance | Type | Electrochemical |
Detection Range | 0-100 ppm | |
Accuracy | ±5% of Range | |
Resolution | 0.1 ppm | |
Life expectancy | 5 years | |
Recommended Calibration | 6 months | |
Recommended Height | 0.5 to 1 foot from ceiling; coverage 5000-7500 sq ft. | |
| Refrigerant Sensors Performance | Type | MOS |
Detection Range | 0-1000 ppm | |
Resolution | 1 ppm | |
R22, R134A, R410A, R404A, R407C | Calibrated for respective gas | |
R134A Sensitivity(7) | @300ppm test gas: 450 ppm R410A, 425 ppm R407C, 400 ppm R404A, 370 ppm R22, 300 ppm R134A | |
Life expectancy | 10 years (typical expectation for MOS sensors) | |
Recommended Calibration | 6 months | |
Recommended Height | 6 inches above floor; no more than 18 inches above lowest level of equipment location for leak detection; coverage 5000-7500 sq ft. | |
| Operating Environment | Temperature, continuous | -20 to 50°C |
Humidity | 15-90% continuous, 0-99% intermittent | |
Max Elevation | 2000m | |
| Enclosure | Material | ABS/Polycarbonate (Wall), Powder coated steel/acrylic (Metal) |
Rating | IP20 | |
Dimensions | 4.0”h x 4.4”w x 2.1”d (Wall), 5.0”h x 4.3”w x 2.25”d (Metal) | |
| Agency | Compliance | UL61010-1 Listed |
(6) Combination CO/Methane, CO/Propane, or CO/Refrigerant sensors should be mounted according to Propane/Methane/Refrigerant recommendations. Consult factory for other combinations. Mounting height recommendations may be adjusted according to installation.
Ensure sensor is accessible for maintenance and target gas has unobstructed access to sensor. Mount in accordance with ANSI/NFPA 70 and NEC or CEC.
(7) R134A sensor may be used as a general purpose refrigerant detection. The sensor’s response to other refrigerants will change proportionally as shown in the following app note: https://www.senvainc.com/catalog/documents/downloadcenter/Refrigerant%20cross%20sensitivities.pdf (or scan QR code). Actual response may vary depending on installation. For more accurate response to a specific gas, a unit may be field calibrated.
TROUBLESHOOTING
Symptom | Solution |
No output | Check wiring. Ensure power supply meets requirements. |
Sensor reading error | Sensor contaminated or at end of life. Replace sensor. |
Relay Function | Verify set-point. Verify test gas concentration. Cover sensor to prevent drafts and dilution during test. |
LCD readout error | See TG Series User’s Guide for full list of LCD diagnostic code definitions. |
Chirping Noise | Reliability feature has detected a faulty or missing sensor. Replace sensor element. |
BACnet/Modbus Quick Reference
The following section outlines some commonly utilized Modbus registers and BACnet objects for quick reference. For a complete list and description of each, please see the associated protocol guides: TG BACnet Protocol Guide or TG Modbus Protocol Guide.
Access Legend:
R=Readable
W-Write-able
W0 = Write-able with 0 only
NV = Saved in non-volatile configuration memory
| Description | BACnet Object | Modbus Register | Access |
| Temperature | AI310 | R310/11 | R/W0 |
| Gas 1 Concentration | AI320 | R320/21 | R/W0 |
| Gas 2 Concentration | AI330 | R330/31 | R/W0 |
| Gas 1 Warning Set-point | AV150 | R150 | R/W/NV |
| Gas 1 Alarm Set-point | AV152 | R152 | R/W/NV |
| Gas 2 Warning Set-point | AV160 | R160 | R/W/NV |
| Gas 2 Alarm Set-point | AV162 | R162 | R/W/NV |
| Sensor 1 Self-Test Mode | BV196 | R196 | R/W/NV |
| Sensor 2 Self-Test Mode | BV197 | R197 | R/W/NV |
| Description | BACnet Object | Modbus Register | Data Type |
| Fan Relay | BO210(R/W) | R210(R) | BOOL |
| Fan Relay Override | R211(W) | UINT16 | |
| Alarm Relay | BO220(R/W) | R221(R) | BOOL |
| Alarm Buzzer | BO230(R/W) | R230(R) | BOOL |
| Alarm Buzzer Override | R231(W) | UINT16 |
Supported Modbus Functions:
0x03 Read Holding Registers
0x06 Write Single Register
0x10 Write multiple Registers
DIMENSIONS
TGW

TGM Base

TGM Lid

TGM Bottom View

Revised 3/2/2022 Document #152-0380-0J
















