Winsen ZE03 Electro Chemical Gas Sensor User Manual
Statement
This manual copyright belongs to Zhengzhou Winsen Electronics Technology Co., LTD. Without the written permission, any part of this manual shall not be copied, translated, stored in data base orretrieval system, also can’t spread through electronic, copying, record ways. Thanks for purchasing our product. In order to let customers use it better and reduce the faults caused by misuse, please read the manual carefully and operate it correctly in accordance with the instructions. If users disobey the terms or remove, disassemble, change the components inside of the sensor, we shall not be responsible for the loss. The specific such as color, appearance, sizes …etc., please in kind prevail. We are devoting ourselves to products development and technical innovation, so we reserve the right to improve the products without notice. Please confirm it is the valid version before using this manual. At the same time, users’ comments on optimized using way are welcome. Please keep the manual properly, in order to get help if you have questions during the usage in the future.
Electrochemical Detection Module ZE03
ZE03 is a general-purpose and high-performance electro chemical module. It uses three electrodes, electro chemical gas sensor and high-performance micro-processor. By installing different gas sensor, the module could detect relevant gas. It is with built-in temperature sensor to make temperature compensation, which makes it could detect the gas concentration accurately. It has the digital output and analog voltage output at the same time which facilities the usage and calibration and shorten the development period. It is a combination of mature electro chemical detection principle and sophisticated circuit design, to meet customers’ different detection needs
Features

High sensitivity & resolution
Low power consumption
UART and analog voltage output
Good stability and excellent anti-interference ability
Main Application
Portable and fixed gas detector, various gas detection equipment and occasion.
Technical Parameters

| Model No. | ZE03 |
| Target Gas | CO, O2, NH3, H2S, NO2, O3, SO2, CL2, HF, H2, PH3, HCL etc |
| Measurement Range | Refer stable 2.(can be customized also) |
| Working Voltage | DC 5±0.1V |
| Working Current | < 5 mA |
| Output Data | UART Output (TTL electrical level,3V) |
| Analog Voltage (refer stable2. for sensor original amplifying signal) | |
| Working Life | 2 years |
| Operating Environment | Temp.: -20~50℃ |
| Humidity.: 15%-90%RH (no condensation) | |
| Storage Environment | Temp.: -20~50℃ |
| Hum.: 15%RH-90%RH | |
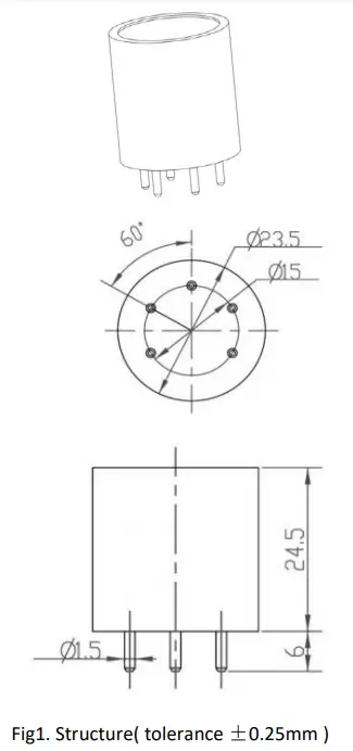
| Size | ø23.5mm*24.5mm |

Detection range and signal output
| Detection gas | CO | O2 | NH3 | H2S | SO2 | DG01 | VOC |
| Detection range | (0-1000)ppm | (0-25) %VOL | (0-100)ppm | (0-100)ppm | (0-20) ppm | (0-50)ppm | (0-100)ppm |
| Resolution | 1ppm | 0.1 %VOL | 1ppm | 1ppm | 0.1ppm | 0.01ppm | 0.1ppm |
| VO Voltage output Range | (0.6-3) V | (1.5-0) V | (0.6-3) V | (0.6-3) V | (0.6-3) V | (0.6-3)V | (0.6-3) V |
| Response Time(T90) | ≤30S | ≤15S | ≤150S | ≤30S | ≤30S | ≤120S | ≤120S |
| Detection gas | H2 | PH3 | NO2 | O3 | CL2 | HCL | HF |
| Detection range | (0-1000)ppm | (0-1000)ppm | (0-20) ppm | (0-10) ppm | (0-20) ppm | (0-10)ppm | (0-10)ppm |
| Resolution | 1ppm | 0.1ppm | 0.1ppm | 0.1ppm | 0.1ppm | 0.1ppm | 0.1ppm |
| VO Voltage output Range | (0.6-3) V | (0.6-3) V | (2-0) V | (2-0) V | (2-0) V | (2-0) V | (2-0) V |
| Response Time(T90) | ≤120S | ≤30S | ≤30S | ≤120S | ≤60S | ≤60S | ≤60S |
| Detection gas | C2H4 | ETO | CH2O | ||||
| Detection range | (0-100)ppm | (0-100)ppm | (0-50)ppm | ||||
| Resolution | 0.1ppm | 0.1ppm | 0.1ppm | ||||
| VO Voltage output Range | (0.6-3)V | (0.6-3)V | (0.6-3)V | ||||
| Response Time(T90) | ≤30S | ≤120S | ≤30S |
Left side value of detection range (zero point) is corresponding to left side value of voltage output range ,BUT right side value of detection(max detection value ) is NOT corresponding to the right side value of voltage output range.
Take ZE03-O2 (0-25%vol) as an example: 0%vol is corresponding to 1.5V, but the corresponding value of 25%vol should subject to inspection report, not 0V, other values like 0.1V or 0.2V are possible.
Pin definition stable3.
| GND | Ground |
| VCC | Power supply |
| VO | Original Voltage output |
| RXD | Series port input |
| TXD | Series port output |

The meaning of VO (Vout) : It means original voltage (linear) after amplifying circuit, rather than concentration value of current target gas in environment. If choose this pin test, users need to know when purchase, the zero voltage Vout0 and test voltage Vout1 can be shown in the inspection report delivered to customer with the modules together. Users can calculate gas concentration of current target gas in environment based on Vout0 and Vout1.
Take ZE03-CO for example: zero voltage Vout0 = 0.6 V; in 200ppm CO gas,Vout1=0.9V,
If the current voltage Voutx=1.2V, then the CO concentration:
Name rules
Model name: ZE03-X-X-X
“Z” means module, “E ” means electrochemical type sensor, “03” means version, the first X means detectedgas, the second X means detection range, the third X means output way. Eg. “ZE03-CO-(0-1000)ppm-UART/VDC”,”ZE03-O2-(0-25)%VOL-UART/VDC”. “UART/VDC” means the output way is series port and analog voltage (non standard voltage, refer tostable2.
Communication Protocol
General Settings
| Baud Rate | 9600 |
| Data Bits | 8 |
| Stop Bits | 1 |
| Parity | None |
Communication Specification
The default communication type is active upload and it sends gas concentration once every second(the concentration is 16 hexadecimal). If you want to switch to Q&A mode, please send 0x78 command, to change communication mode to 0x04(Q&A mode), then current concentration will be sent by module after it receiving 0x86 command (reading concentration), suggested communication cycle is 1s.
Communication Commands
The default mode is active upload mode, the sensor will send gas concentration actively as follow with out sending any command by users.
| Receive | 0 | 1 | 2 | 3 | 4 | 5 | 6 | 7 | 8 |
| Start byte | Command | Gas concentration | Gas No | number of decimal | reserved | reserved | Checksum | ||
| 0xFF | 0x86 | High byte | Low byte | 0x2B | 0x01 | 0 | 0 | 4E | |
| EXP. | FF 86 00 00 2B 01 00 00 4E (Take SO2 for example, the concentration is 0) | ||||||||
gas concentration=(High byte*256+Low byte)*resolution.
Please note in the calculation formula, the High byte and Low byte means the decimal is m value change d from hexadecimal. Number of decimal is 0, resolution is 1ppm, number of decimal is1, resolution is 0.1ppm, number of decimal is 2, resolution is 0.01ppm.
0X78—To modify the communication mode (0x03 is active upload mode, 0x04 is Q&A mode)
| 1 | 0x78 | To change communication mode | ||||||||||
| Send | 0 | 1 | 2 | 3 | 4 | 5 | 6 | 7 | 8 | |||
| Start Byte | Address | Command | Communication Type | — | — | — | — | Checksum | ||||
| 0XFF | 0X01 | 0x78 | 0x04 | 0 | 0 | 0 | 0 | 0x83 | ||||
| EXP. | FF 01 78 04 00 00 00 00 83 (to switch to Q&A mode) | |||||||||||
| Receive | 0 | 1 | 2 | 3 | 4 | 5 | 6 | 7 | 8 | |||
| Start Byte | Command | Return | — | — | — | — | — | Checksum | ||||
| 0XFF | 0X78 | Success: 1 Failure: 0 | 0 | 0 | 0 | 0 | 0 | 0x87 0x88 | ||||
| EXP | FF 78 01 00 00 00 00 00 87 | |||||||||||
If users want to switch to active upload mode, send FF 01 78 03 00 00 00 00
84(hexadecimal). 0x86 — To read the concentration value (This command is needed just under Q&A mode.)
| 1 | 0x86 | To read concentration | ||||||||
| Send | 0 | 1 | 2 | 3 | 4 | 5 | 6 | 7 | 8 | |
| Start Byte | Address | Command | — | — | — | — | — | Checksum | ||
| 0XFF | 0X01 | 0x86 | 0 | 0 | 0 | 0 | 0 | 0x79 | ||
| EXP. | FF 01 86 00 00 00 00 00 79 | |||||||||
| Receive | 0 | 1 | 2 | 3 | 4 | 5 | 6 | 7 | 8 | |
| Start Byte | Command | Gas Concentration | Gas No. | number of decimal | reserved | reserved | Checksum | |||
| 0XFF | 0X86 | High byte | Low byte | 0x2B | 0x01 | 0 | 0 | 4E | ||
| EXP. | FF 86 00 00 2B 01 00 00 4E (Take SO2 for example, the concentration is 0) | |||||||||
gas concentration=(High byte*256+Low byte)*resolution
Please note that in the calculation formula, the High byte and Low byte means the decimal is m value changed from hexadecimal.
Instruction for Gas No
| No. | 0x02 | 0x03 | 0x04 | 0x05 | 0x06 | 0x08 | 0x17 | 0x2A | 0x2B |
| Gas | NH3 | H2S | CO | O2 | H2 | C2H4 | CH2O | O3 | SO2 |
| No. | 0x2C | 0x2E | 0x2F | 0x31 | 0x32 | 0x34 | 0x3B | 0x45 | 0x46 |
| Gas | NO2 | HCL | HCN | CL2 | HF | VOC | C2H3CL | PH3 | DG01(NH3) |
Checksum and calculation
Function Name: ucharFucCheckSum (uchar i,ucharln) Functional description: checksum【Non(sending/receiving commend Byte1+Byte2+…Byte7) +1】
unsigned char FucCheckSum(unsigned char *i,unsigned char ln)
{ unsigned char j,tempq=0; i+=1; for(j=0;j<(ln-2);j++) { tempq+=*i; i++; }tempq=(~tempq)+1; return(tempq); }
Cautions
- Please do not take away or plug the sensor in the module.
- It is prohibited to weld the pins of the module. The socket could be welded.
- Sensor shall avoid organic solvent, coatings, medicine, oil and high concentration gases.
- Excessive impact or vibration should be avoided.
- Please keep the modules warming up for at least 5 minutes when first using.
- Please do not use the modules in systems which related to human being’s safety.
- Please do not use the modules in strong air convection environment.
- Please do not expose the modules in high concentration organic gas for a long time.
- Returned data of module serial port is real-time concentration of current target gas in environment, Ifyou don’t have standard gas, please do not use standard command, for it will cause calibrated data is clear away and returned data of serial port is not accurate.
- To judge whether module communication is normal, it is advisable to use tools that can change USB to TTL(communication level 3V), debug assistant software via serial port, and determine it by communication protocol.
- When choosing module, users should choose products of different applications and ranges. If thereisno special requirement, products will use conventional range.
CUSTOMER SUPPORT
Zhengzhou Winsen Electronics Technology Co., LtdAdd: No.299, Jinsuo Road, National Hi-Tech Zone, Zhengzhou 450001 China
Tel: +86-371-67169097/67169670
Fax: +86-371-60932988
E-mail: [email protected]
Website: www.winsen-sensor.com




















