
MP801 Air-Quality Gas Sensor
User Manual
Air-Quality Gas Sensor
(Model: MP801)
Manual Version:1.2
Valid From:2021.07.17
Zhengzhou Wines Electronics Technology Co., Ltd
MP801 Air-Quality Gas Sensor
Statement
This manual copyright belongs to Zhengzhou Wines Electronics Technology Co., LTD. Without the written permission, any part of this manual shall not be copied, translated, stored in database or retrieval system, also can’t spread through electronic, copying, record ways.
Thanks for purchasing our product. In order to let customers use it better and reduce the faults caused by misuse, please read the manual carefully and operate it correctly in accordance with the instructions. If users disobey the terms or remove, disassemble, change the components inside of the sensor, we shall not be responsible for the loss.
The specific such as color, appearance, sizes &etc, please in kind prevail.
We are devoting ourselves to products development and technical innovation, so we reserve the right to improve the products without notice. Please confirm it is the valid version before using this manual. At the same time, users’ comments on optimized using way are welcome.
Please keep the manual properly, in order to get help if you have questions during the usage in the future.
Profile
MP801 gas sensor is for air quality. It adopts multilayer thick film manufacturing technology. The heater and metal oxide semiconductor material on the ceramic substrate of subminiature Al2O3 are fetched out by electrode down-lead, encapsulated in metal socket and cap. Conductivity of the sensor is affected by the concentration of target gas. The higher the concentration is, the higher conductivity of sensor gets. Users can adopt simple circuit to convert variation of
conductivity into output signal corresponding to gas concentration. 
Features
High sensitivity to benzene,toluene,alcohol, smoke; quick response and resume; low power consumption, simple detection circuit, good stability and long life.
Main Application
It is used in occasions such as household and office for harmful gas detection, automatic exhaust device, air cleaner&etc.
Technical Parameters

Stable1.
| Model | MP801 | ||
| Sensor Type | Semiconductor flat surfaced sensor | ||
| Standard Encapsulation | Metal Cap | ||
| Detection Gas | benzene, toluene, methanol, alcohol, smoke | ||
| Detection range | 0.5 —1000ppm ( alcohol ) | ||
| Standard circuit | Loop voltage | Vc | .–.24V DC |
| Heating voltage | VH | 5.0V± 0.1V AC or DC | |
| Load resistance | RL | Adjustable | |
| sensor features in standard test condition | Heating resistance | RH | 95 £2 ± 10 £2 (Room Temp.) |
| Heating consumption | PH | C.. 300mW | |
| Surface resistance | Rs | 1K 0 –15K 0 (in 1Oppm alcohol) | |
| Sensitivity | S | Rest(in air)/Rest(in 1Oppm alcohol ) ?—2 | |
| Concentration slope | a | ‘C 0.6(R soppm/R lOppm alcohol) | |
| Standard condition of test | Temperature, humidity | 20t ± 2°C : 65% ± 5%RH | |
| Standard test circuit | VC/VH :5.0V± 0.1V | ||
| Warm-up time | More than 48 hours | ||

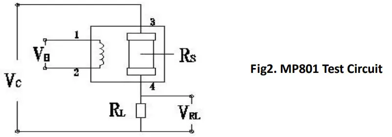
Instructions: The above fig is the basic test circuit of MP801.The sensor requires two voltage: heater voltage (VH) and circuit voltage (VC). The VH supply specific working temperature for the sensor, it can use AC or DC. VRL is the voltage of load resistance RL which is in series with sensor; VC supply power for Load resistance RL.. They must adopt DC power.
Description of Sensor Characters

Rs means resistance in target gas with different concentration, R0 means resistance of sensor in clean air.
All tests are finished under standard test conditions.

Rest means resistance of sensor in 10ppm alcohol under different teem. and humidity. Rao means resistance of the sensor in 10ppm alcohol under 20℃/65%RH.



NOTE: Test is finished in standard test conditions, the abscissa is observing time and the ordinate is VRL.
Cautions
- Following conditions must be prohibited
1.1 Exposed to volatilizable organic silicon steam
Sensing material will lose sensitivity and never recover if the sensor absorbs organic silicon steam. Sensors must avoid exposing to silicon bond, fixature, silicon latex, putty or plastic contain silicon environment.
1.2 High Corrosive gas
If the sensors are exposed to high concentration corrosive gas (such as H2 S, SOX , Cl2, Hall etc.), it will not only result in corrosion of sensors structure, also it cause sincere sensitivity attenuation.
1.3 Alkali, Alkali metals salt, halogen pollution
The sensors performance will be changed badly if sensors be sprayed polluted by alkali metals salt especially brine, or be exposed to halogen such as fluorine.
1.4 Touch water
Sensitivity of the sensors will be reduced when spattered or dipped in water.
1.5 Freezing
Do avoid icing on sensor’s surface, otherwise sensing material will be broken and lost sensitivity.
1.6 Applied higher voltage
Applied voltage on sensor should not be higher than stipulated value, even if the sensor is not physically damaged or broken, it causes down-line or heater damaged, and bring on sensors’ sensitivity characteristic changed badly.
1.7 Voltage on wrong pins
As Fig8,Pin 1 and Pin 2 connect to heater power supply, Pin 3 and Pin 4 connect to test power supply ground;The heater power and test power can use same power circuit but must satisfy the power supply.
Note: Please not the bulge, the two pins closed to is are heating pole.
Fig8. Pins Schematic Diagram
- Following conditions should be avoided
2.1 Water Condensation
Indoor conditions, slight water condensation will influence sensors’ performance lightly. However, if water condensation on sensors surface and keep a certain period, sensors’ sensitive will be decreased.
2.2 Used in high gas concentration
No matter the sensor is electrified or not, if it is placed in high gas concentration for long time, sensors characteristic will be affected. If lighter gas sprays the sensor, it will cause extremely damage.
2.3 Long time storage
The sensors resistance will drift reversibly if it’s stored for long time without electrify, this drift is related with storage conditions. Sensors should be stored in airproof bag without volatile silicon compound. For the sensors with long time storage but no electrify, they need long galvanically aging time for stability before using.
The suggested aging time as follow: Stable2.Storage Time Suggested aging time Less than one month No less than 48 hours 1 ~ 6 months No less than 72 hours More than six months No less than 168 hours 2.4 Long time exposed to adverse environment
No matter the sensors electrified or not, if exposed to adverse environment for long time, such as high humidity, high temperature, or high pollution etc., it will influence the sensors’ performance badly.
2.5 Vibration
Continual vibration will result in sensors down-lead response then break. In transportation or assembling line, pneumatic screwdriver/ultrasonic welding machine can lead this vibration.
2.6 Concussion
If sensors meet strong concussion, it may lead its lead wire disconnected.
2.7 Usage Conditions
2.7.1For sensor, handmade welding is optimal way. The welding conditions as follow:
• Soldering flux: Rosin soldering flux contains least chlorine
• Homothermic soldering iron
• Temperature: ≤350℃
• Timeless than 3 seconds
If disobey the above using terms, sensors sensitivity will reduce.
Tel: 86-371-67169097/67169670
Fax: 86-371-60932988
Email: [email protected]
Leading gas sensing solutions supplier in China!




















