Air-Quality Detection Module
Model:ZP01-MP503
User’s Manual
ZP01-MP503 Air-Quality Detection Module
Statement
This manual’s copyright belongs to Zhengzhou Winsen Electronics Technology Co., LTD. Without the written permission, any part of this manual shall not be copied, translated, stored in database or retrieval system, also can’t spread through electronic, copying, record ways.
Thanks for purchasing our product. In order to let customers use it better and reduce the faults caused by misuse, please read the manual carefully and operate it correctly in accordance with the instructions.
If users disobey the terms or remove, disassemble, change the components inside of the sensor, we shall not be responsible for the loss.
The specific such as color, appearance, sizes &etc., please in kind prevail.
We are devoting ourselves to products development and technical innovation, so we reserve the right to improve the products without notice. Please confirm it is the valid version before using this manual. At the same time, users’ comments on optimized using way are welcome.
Please keep the manual properly, in order to get help if you have questions during the usage in the future.
Zhengzhou Winsen Electronics Technology CO., LTD.
ZP01-MP503 Air-Quality Detection Module
Product Description
ZP01-MP503 air-quality module adopts flat surface semiconductor gas sensor. The module has very high sensitivity to volatile organic gases such as formaldehyde, benzene, carbon monoxide, ammonia, hydrogen, alcohol and smoke of cigarette, essence &etc. The module has been aging, debugged, adjusted and calibrated. So it has good consistency and high sensitivity.

Features
High sensitivity and good long-term stability
Calibrated before shipment
10 seconds to 3 minutes with auto-preheating function
Faulty auto-check, low power consumption
Long lifespan, high cost-effective
Application
Air cleaner, fresh-air system, intelligent integrated ceiling, air quality monitor, ventilator, air-condition.
Parameters
| Sensor | Air quality sensor |
| Target Gas | formaldehyde, benzene, carbon monoxide, hydrogen,alcohol, ammonia, smoke of cigarette, essence &etc. |
| Physical Interface | XH2.54-4P terminal sockets |
| Output Data | 0∼3 grade pollution signal |
| Working Voltage | 5.0±0.2V DC (No voltage reverse connect protection) |
| Output Data | TTL level (200ohm protected resistance inside) |
| Working Current | ≤60mA |
| Warm Up Time | ≤3 min |
| Response Time | ≤20s |
| Recovery Time | ≤60s |
| Operating Temperature | 0~50℃ |
| Operating Humidity | ≤95%RH |
| Storage Temperature | – 20 ∼ 60°C |
| Storage Humidity | ≤60%RH |
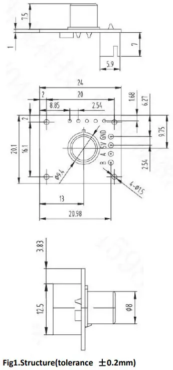
| Size | 24x20x16mm ( LxWxH ) |
| Weight | ≤ 20g |
| Sensitivity Attenuator | ≤1%/year |

Sensitivity Characteristics

Application of schematic diagram

Terminal definition
| Name | Function |
| GND | Input power – |
| 5V | Input power + |
| A | Output signal A |
| B | Output signal B |
Output Signal
| Grade | Output A | Output B | Pollution Grade |
| 0 | 0V | 0V | Clean |
| 1 | 0V | 5V | Light pollution |
| 2 | 5V | 0V | Moderate pollution |
| 3 | 5V | 5V | Severe pollution |
Cautions
- Please do not put the module in organic solvent (include silica gel and other cementing compound), painting, medicament, oils and fuels, high concentration gas etc.
- Please do not impact or vibrate the module seriously.
- Please warm up for 5 min before first use.
- Please do not use the module related with personal safety.
- Please do not install the module in the severe convection environment.
- Please do not put in the module in high concentration organic gas for long time.
- Please supply the module with requested voltage as manual strictly, if voltage is higher than 5.5V, the module will be destroyed irreversibly.
Note: To keep continual product development, we reserve the right to change design features without prior notice.
Leading gas sensing solutions supplier in China!
ZP01-MP503 Air-Quality Detection Module
Version: 1.5
Issue Date.2021-09-02
Zhengzhou Winsen Electronics Technology Co., Ltd
Add: No.299, Jinsuo Road, National Hi-Tech Zone, Zhengzhou
450001 China
Tel: +86-371-67169097/67169670
Fax: +86-371-60932988
E-mail: [email protected]
Website: www.winsen-sensor.com



















