Winsen MQ137 Ammonia Gas Sensor User Manual

Statement
This manual copyright belongs to Zhengzhou Winsen Electronics Technology Co., LTD. Without the written permission, any part of this manual shall not be copied, translated, stored in database or retrieval system, also can’t spread through electronic, copying, record ways.
Thanks for purchasing our product. In order to let customers use it better and reduce the faults caused by misuse, please read the manual carefully and operate it correctly in accordance with the
instructions. If users disobey the terms or remove, disassemble, change the components inside of the sensor, we shall not be responsible for the loss.
The specific such as color, appearance, sizes &etc, please in kind prevail.
We are devoting ourselves to products development and technical innovation, so we reserve the right to improve the products without notice. Please confirm it is the valid version before using this
manual. At the same time, users’ comments on optimized using way are welcome.
Please keep the manual properly, in order to get help if you have questions during the usage in the future.
Zhengzhou Winsen Electronics Technology CO., LTD
| Profile | |
| Sensitive material of MQ137 gas sensor is SnO2, which with lower conductivity in clean air. When NH3 gas exists, the sensor’s conductivity gets higher along with the gas concentration rising. Users can convert the change of conductivity to correspond output signal of gas concentration through a simple circuit. MQ137 gas sensor has high sensitivity to NH3 gas, also can monitor organic amine such as trimethylamine, cholamine well. It can detect kinds of gases including ammonia and is a kind of low-cost sensor for kinds of applications. | ![]()
|
Features
It has good sensitivity to NH3 gas in wide range, and has advantages such as long lifespan, low cost and simple drive circuit &etc.
Main Applications
It is widely used in domestic NH3 gas alarm, industrial NH3 gas leakage alarm, portable NH3 gas detector.
Technical Parameters Stable.1
| Model | MQ137 | ||||
| Sensor Type | Semiconductor | ||||
| Standard Encapsulation | Bakelite, Metal cap | ||||
| Target Gas | Ammonia Gas(NH3) | ||||
| Detection range | 5~500ppm NH3 | ||||
| Standard Circuit Conditions | Loop Voltage | Vc | 5.0V±0.1V | DC | |
| Heater Voltage | VH | 5.0V±0.1V AC or DC | |||
| Load Resistance | RL | Adjustable | |||
|
Sensor character under standard test conditions | Heater Resistance | RH | 30Ω±3Ω (room temp.) | ||
| Heater consumption | PH | ≤950mW | |||
| Sensitivity | S | Rs(in air)/Rs(50ppmNH3)≥2 | |||
| Output Voltage | Vs | ≥0.5V (in 50ppm NH3) | |||
| Concentration Slope | α | ≤0.6(R200ppm/R50ppm NH3) | |||
| Standard test conditions | Tem. | Humidity | 20℃±2℃;55%±5%RH | ||
| Standard test circuit | Vc:5.0V±0.1V; VH: 5.0V±0.1V | ||||
| Preheat time | Over 48 hours | ||||

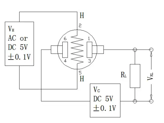
Basic Circuit

Fig2. MQ137 Test Circuit
Instructions: The above fig is the basic test circuit of MQ137.The sensor requires two voltage inputs: heater voltage (VH) and circuit voltage(VC). VH is used to supply standard working temperature to the
sensor and it can adopt DC or AC power, while VRL is the voltage of load resistance RL which is in series with sensor. Vc supplies the detect voltage to load resistance RL and it should adopt DC power. Calculation formula:
Resistance of Sensitive materials (Rs)=(Vc/VRL-1)×RL
Power consumption of Sensitive materials (Ps)=Vc2 ×Rs/(Rs+RL)2

The ordinate is resistance ratio of the sensor (Rs/R0), the abscissa is concentration of gases. Rs means resistance in target gas with different concentration, R0 means resistance of sensor in clean air. All tests are finished under standard test conditions.

Fig4.Typical temperature/humidity characteristics
The ordinate is resistance ratio of the sensor (Rs/Rso). Rs means resistance of sensor in 50ppm NH3 gas under different tem. and humidity. Rso means resistance of the sensor in 50ppm NH3 gas under 20℃/55%RH.

Fig5.Sensitivity Curve
Fig5 shows the VRL in NH3 with different concentration. The resistance load RL is 4.7 KΩ and the test is finished in standard test conditions.

Fig6.Response and Resume
Fig6 shows the changing of VRL in the process of putting
the sensor into target gas and removing it out.
Cautions
1 .Following conditions must be prohibited
1.1 Exposed to organic silicon steam
Sensing material will lose sensitivity and never recover if the sensor absorbs organic silicon steam. Sensors must avoid exposing to silicon bond, fixature, silicon latex, putty or plastic contain silicon environment.
1.2 High Corrosive gas
If the sensors are exposed to high concentration corrosive gas (such as H2S, SOX, Cl2, HCl etc.), it will not only result in corrosion of sensors structure, also it cause sincere sensitivity attenuation.
1.3 Alkali, Alkali metals salt, halogen pollution
The sensors performance will be changed badly if sensors be sprayed polluted by alkali metals salt especially brine, or be exposed to halogen such as fluorine.
1.4 Touch water
Sensitivity of the sensors will be reduced when spattered or dipped in water.
1.5 Freezing
Do avoid icing on sensor’s surface, otherwise sensing material will be broken and lost sensitivity.
1.6 Applied higher voltage
Applied voltage on sensor should not be higher than stipulated value, even if the sensor is not physically damaged or broken, it causes down-line or heater damaged, and bring on sensors’
sensitivity characteristic changed badly.
1.7 Voltage on wrong pins
For 6 pins sensor, Pin 2&5 is heating electrodes, Pin (1,3)/(4,6) are testing electrodes (Pin 1 connects with Pin 3, while Pin 4 connects with Pin 6).If apply voltage on Pin 1&3 or 4&6, it will make lead broken; and no signal putout if apply on pins 2&4.

2 .Following conditions must be avoided
2.1 Water Condensation
Indoor conditions, slight water condensation will influence sensors’ performance lightly. However, if water condensation on sensors surface and keep a certain period, sensors’ sensitive will be decreased.
2.2 Used in high gas concentration
No matter the sensor is electrified or not, if it is placed in high gas concentration for long time, sensors characteristic will be affected. If lighter gas sprays the sensor, it will cause extremely damage.
2.3 Long time storage
The sensors resistance will drift reversibly if it’s stored for long time without electrify, this drift is related with storage conditions. Sensors should be stored in airproof bag without volatile silicon compound. For the sensors with long time storage but no electrify, they need long galvanical aging time for stability before using. The suggested aging time as follow:
| Storage Time | Suggested aging time |
| Less than one month | No less than 48 hours |
| 1 ~ 6 months | No less than 72 hours |
| More than six months | No less than 168 hours |
2.4 Long time exposed to adverse environment
No matter the sensors electrified or not, if exposed to adverse environment for long time, such as high humidity, high temperature, or high pollution etc., it will influence the sensors’ performance badly.
2.5 Vibration
Continual vibration will result in sensors down-lead response then break. In transportation or assembling line, pneumatic screwdriver/ultrasonic welding machine can lead this vibration.
2.6 Concussion
If sensors meet strong concussion, it may lead its lead wire disconnected.
2.7 Usage Conditions
2.7.1 For sensor, handmade welding is optimal way. The welding conditions as follow:
- Soldering flux: Lead-free and halogen-free soldering flux
- homothermal soldering iron
- Temperature: ≤350℃
- Time:less than 3 seconds
If disobey the above using terms, sensors sensitivity will reduce.
Zhengzhou Winsen Electronics Technology Co., Ltd
Add: No.299, Jinsuo Road, National Hi-Tech Zone,
Zhengzhou 450001 China
Tel: +86-371-67169097/67169670
Fax: +86-371-60932988
E-mail: [email protected]
Website: www.winsen-sensor.com




















