Winson ME3-C2H4 Electrochemical Sensor

ME3-C2H4 Electrochemical Gas Sensor
ME3-C2H4 electrochemical gas sensor make use of electrochemical oxidation process on the working electrode in electrolytic cell. And the current produced in electrochemical reaction is in direct proportion to concentration while following Faraday law. So that concentration of target gas can be tested by current.
Features
- Low consumption
- High precision & high sensitivity
- Wide range of linearity
- Good anti-interference ability
- Excellent Stability and reliability
Application
Detecting ethylene in industry and environmental protection field
Technical Parameter
| Model | ME3-C2H4 |
| Detection gas | C2H4 |
| Detection range | 0-100ppm |
| Max. range | 200ppm |
| Sensitivity | (0.070±0.015)µA/ppm |
| Resolution | 0.5ppm |
| Response time(T90) | ≤20S |
| Bias voltage | 0mV |
| Load Resistance | 10Ω |
| Reproducibility | <2% of signal output |
| Output | Linearity output |
| Stability per month | <5﹪ |
| Zero drift(-20°C-40°C) | 10ppm |
| Tem. range | -20°C-50°C |
| Pressure range | standard atmosphere ±10% |
| Humidity range | 15%—90%RH |
| Anticipated using life | 2 years in air |
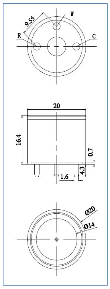
External Dimension

Basic circuit

Description of sensor characters
- Fig3. Response and Resume

- Fig4.Linearity

- Fig5.Output of sensor at different temperature

- Fig6.Zero output of sensor at different temperature

Anti-Interference
Besides target gas, ME3-C2H4 sensor also responds to other gases. Below are the response characteristics of interferential gases.
| Gas | Concentration | ME3-CO |
| H2S | 100ppm | 0ppm |
| SO2 | 20ppm | 0ppm |
| H2 | 200ppm | 100ppm |
| C2H4 | 100ppm | 100ppm |
| NO | 35ppm | 9ppm |
| NO2 | 5ppm | 2ppm |
Application Notes
- Sensor shall avoid organic solvent, coatings, medicine, oil and high concentration gases.
- All ME Sensors shall not be encapsulated completely by resin materials, and shall not immersion oxygen-free environment, otherwise, it will damage the function of sensor.
- All ME sensors shall not be applied in corrosive gas environment, or the sensor will be damaged.
- Please test the sensitivity of gas sensors in clean atmosphere.
- Sensors Shall be avoided to face the gas, which flow directly from front side.
- To avoid to bend and break of pins.
- Blowhole of the sensor should not be blocked and polluted, which will cause the sensitivity decrease.
- Excessive impact or vibration should be avoided.
- Do not use the sensor when the shell is damaged.
- It takes some time for the sensor to return to normal state After applied in high concentration gas.
- Do not take apart the sensor, otherwise electrolyte leakage can cause sensor damage.
- Working electrode and reference electrode of the sensor shall be in short circuit when stored.
- To preheat over 48hs before using and soldering forbidden.
Note: To keep continual product development, we reserve right to change design features without prior notice.
Customer Support
Zhengzhou Winsen Electronics Technology Co., LtdAdd.: NO.299 Jin Suo Road, National Hi-Tech Zone, Zhengzhou, 450001 China
Tel.: 0086-371-67169097
Fax: 0371-60932988
E-mail: [email protected]






















