Winsen ZE08-CH2O Electrochemical CH2O Detection Module

Statement
This manual’s copyright belongs to Zhengzhou Winsen Electronics Technology Co., LTD. Without written permission, any part of this manual shall not be copied, translated, or stored in a database or retrieval system, also can’t be spread through electronic, copying, or record ways. Thanks for purchasing our product. In order to let customers use it better and reduce the faults caused by misuse, please read the manual carefully and operate it correctly in accordance with the instructions. If users disobey the terms or remove, disassemble, or change the components inside of the sensor, we shall not be responsible for the loss. The specific such as color, appearance, sizes &etc., please in kind prevail. We are devoting ourselves to product development and technical innovation, so we reserve the right to improve the products without notice. Please confirm it is the valid version before using this manual. At the same time, users’ comments on the optimized using way are welcome. Please keep the manual properly, in order to get help if you have questions during the usage in the future.
Electrochemical CH2O Detection Module ZE08-CH2O
Profile

ZE08-CH2O is a general-purpose and miniaturization electrochemical formaldehyde detection module. It utilizes the electrochemical principle to detect CH2O in air which makes the module with high selectivity and stability. It is a built-in temperature sensor to make temperature compensation. It has digital output and analog voltage output at the same time. It is a combination of mature electrochemical detection principles and sophisticated circuit design.
Features
- High sensitivity &resolution, Low power consumption, Long life *UART/Analog Voltage/PWM wave output.
- Good stability, excellent ability of Anti-interference * Temperature compensation, Excellent Linear output.
Main Application
Portable detector, air-quality monitor, air cleaner, air renewal system, air conditioner, smart home.
Technical Parameters
| Model No. | ZE08-CH2O |
| Target Gas | CH2O |
| Interference Gas | Alcohol, CO &ect. |
|
Output Data | DAC(0.4~2V standard voltage output, corresponding concentration: 0 ~ full scale ) |
| UART output(3V TTL Electrical Level) | |
| Working Voltage | 3.7V~5.5V |
| Warm-up time | ≤3 minutes |
| Response time | ≤60s |
| Resume time | ≤60s |
| Detection Range | 0~5ppm |
| Resolution | ≤0.01ppm |
| Operating Temp. | -20℃~50℃ |
| Operating Hum. | 15%RH-90%RH(No condensation) |
| Storage temp. | 0~25℃ |
| Working life | 5 years (in clean air 18 ℃ ~ 25 ℃) |

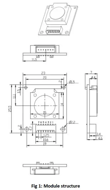
Pin Description
| PIN | Instruction |
| Pin1 | Reserved |
| Pin2 | DAC (0.4~2V for 0-full scale) |
| Pin3 | GND |
| Pin4 | Vin(Voltage input 3.7V~5.5V) |
| Pin5 | UART(RXD) 0~3.3V data input |
| Pin6 | UART(TXD) 0~3.3V data output |
| Pin7 | Reserved |

Communication Protocol
General Settings
| Baud Rate | 9600 |
| Data Bits | 8 |
| Stop Bits | 1 |
| Parity | None |
Commands
There are two communication type: active upload type and Q&A type. The default type for this module is active upload and it sends gas concentration every other one second. If the user switched to the question and answer mode, need to re-switch to active upload, send the following command line format:
| Byte0 | Byte1 | Byte2 | Byte3 | Byte4 | Byte5 | Byte6 | Byte7 | Byte8 |
| Start Byte | reserved | Switch command | Active upload | reserved | reserved | reserved | reserved | checksum |
| 0xFF | 0x01 | 0x78 | 0x40 | 0x00 | 0x00 | 0x00 | 0x00 | 0x47 |
Active upload data display format is as follows
| Byte0 | Byte1 | Byte2 | Byte3 | Byte4 | Byte5 | Byte6 | Byte7 | Byte8 |
| Start Byte | Gas Name CH2O | Unit ppb | No decimal byte | Concentratio n (High Byte) | Concentratio n (Low Byte) | Full Range (High Byte) | Full Range (Low Byte) | Checksum |
| 0XFF | 0X17 | 0x04 | 0x00 | 0x00 | 0x25 | 0x13 | 0x88 | 0x25 |
When the user needs the question-and-answer mode, you can send the following command format to close the active upload data, and then send the command to read the concentration can be. Close the active command line format as follows:
Table 6
| Byte0 | Byte1 | Byte2 | Byte3 | Byte4 | Byte5 | Byte6 | Byte7 | Byte8 |
| Start Byte | reserved | Switch command | Q&A | reserved | reserved | reserved | reserved | checksum |
| 0xFF | 0x01 | 0x78 | 0x41 | 0x00 | 0x00 | 0x00 | 0x00 | 0x46 |
In question-and-answer mode, the command format for reading the concentration is as follows
| Byte0 | Byte1 | Byte2 | Byte3 | Byte4 | Byte5 | Byte6 | Byte7 | Byte8 |
| Start Byte | reserved | command | reserved | reserved | reserved | reserved | reserved | checksum |
| 0xFF | 0x01 | 0x86 | 0x00 | 0x00 | 0x00 | 0x00 | 0x00 | 0x79 |
The returned sensor density value display format is as follows
| Byte0 | Byte1 | Byte2 | Byte3 | Byte4 | Byte5 | Byte6 | Byte7 | Byte8 |
| Start Byte | command | High byte(ug/m3) | Low byte (ug/m3) | reserved | reserved | High byte (ppb) | High byte (ppb) | checksum |
| 0xFF | 0x86 | 0x00 | 0x28 | 0x00 | 0x00 | 0x00 | 0x20 | 0x32 |
Gas concentration value=High byte of concentration *256+ Low byte of concentration
Checksum and calculation
- Function Name: unsigned char FucCheckSum(char *i,charlie)
- Functional description: Sum check【Take Not(Byte1+Byte2+…Byte7) +1】
- Function declaration: Take Not(Byte1+Byte2+…ByteX (X>2)
- unsigned char FucCheckSum(unsigned char *i,unsigned char ln) { unsigned char j,tempq=0; i+=1; for(j=0;j<(ln-2);j++) { tempq+=*i; i++; } tempq=(~tempq)+1; return(temp); }
Cross interference gas
| Gas | Concentration/ppm | Equivalent CH2O/ppm |
| CH2O | 5 | 5 |
| C6H6 | 10 | 0.1 |
| C7H8 | 10 | 0.46 |
| C2H4O2 | 200 | 0.52 |
| C2H5OH | 100 | 40.6 |
| H2S | 50 | 3 |
| CO | 200 | 0.64 |
Packing
- Place the sensor in the same direction in the blister tray.
- Place the sensor’s blister trays in the appropriate number of layers according to the box specifications.
- Place the packaged sensor in the carton.
- The carton is sealed and packed.
- Orders with a single shipment less than the minimum package are not subject to this specification.

Cautions
- Sensor shall Avoid organic solvents, coatings, medicine, oil and high-concentration gases
- The module may not be completely encapsulated with resin material, nor may it be immersed in an oxygen-free environment, otherwise the performance of the sensor may be damaged;
- Modules cannot be used in environments with corrosive gases for long periods of time, and corrosive gases can damage the sensor;
- Excessive impact or vibration should be avoided;
- The initial power-up of the module needs to be preheated for 24-48 hours so that the module is fully stabilized and then tested normally.
- Please do not use the modules in systems which related to human beings’ safety.
- Please do not use the modules in a strong air convection environment.
- Do not leave the module in a high concentration of organic gas for a long time. If it is placed for a long time, it will cause the sensor zero to drift and recover slowly.
- It is forbidden to use hot melt adhesive or sealant package modules with a curing temperature higher than 80 °C;
- It is forbidden to store and use in high-concentration alkaline gas for a long time.

Zhengzhou Winsen Electronics Technology Co., Ltd
- Add: No.299, Jinsuo Road, National Hi-Tech Zone,
- Zhengzhou 450001 China
- Tel: +86-371-67169097/67169670
- Fax: +86-371-60932988
- E-mail: [email protected]
- Website: www.winsen-sensor.com
Tel: 86-371-67169097/67169670 Fax: 86-371-60932988 Email: [email protected]



















