Winsen ME2-CO-Φ14×5 Carbon Monoxide Gas Sensor

Model: ME2-CO-14×5
Version: 1.1 Valid
from: 2022-04-12
Statement
This manual copyright belongs to Zhengzhou Winsen Electronics Technology Co., LTD. Without the written permission, any part of this manual shall not be copied, translated, stored in database or retrieval system, also can’t spread through electronic, copying, record ways. Thanks for purchasing our product. In order to let customers use it better and reduce the faults caused by misuse, please read the manual carefully and operate it correctly in accordance with the instructions. If users disobey the terms or remove, disassemble, change the components inside of the sensor, we shall not be responsible for the loss. The specific such as color, appearance, sizes &etc, please in kind prevail. We are devoting ourselves to products development and technical innovation, so we reserve the right to improve the products without notice. Please confirm it is the valid version before using this manual. At the same time, users’ comments on optimized using way are welcome. Please keep the manual properly, in order to get help if you have questions during the usage in the future
Profile
ME2-CO-14×5 Carbon Monoxide Gas Sensor ME2-CO- 14×5, fuel cell type sensor, detects gas concentration by measuring current based on the electrochemical principle, which utilizes the electrochemical oxidation process of target gas on the working electrode inside the electrolytic cell, the current produced in the electrochemical reaction of the target gas are in direct proportion with its concentration while following Faraday law, then concentration of the gas could be detected by measuring value of current.
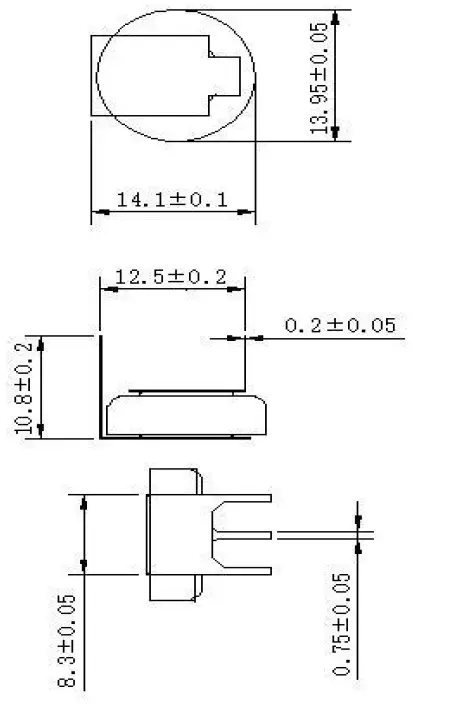
DIMENSION
Features
- Low consumption
- High precision
- High sensitivity
- Wide linear range
- Good anti-interference ability
- Excellent repeatability and stability
Main Applications
It is widely used in CO concentration detection in commercial, vehicle, small generator field and other fields.
Technical Parameters
| Item | Parameter |
| Detection gas | CO |
| Measurement Range | 0~1000ppm |
| Max detecting concentration | 2000ppm |
| Sensitivity | >0.8nA/ppm |
| Resolution ratio | 1ppm |
| Response time(T90) | <30S |
| Load resistance(recommended) | (500/1K/2K)Ω |
| Repeatability | <3% output value |
| Output Linearity | linear |
| Zero drift(-20℃~40℃) | ≤10ppm |
| Temperature Range | -20℃~80℃ |
| Humidity Range | 15%~90%RH |
| Pressure range | Normal atmosphere±10% |
| Anticipated using life | 10 years |
Basic Circuit
Characterization
Cross-sensitivity:
The ME2-CO-14×5 sensor also responds to other gases besides CO. Below are the response characteristics of interferential gases for reference.
Application Notes
- Tin soldering is prohibited.
- Before using, power on to aging for more than 48 hours is necessary.
- Don’t disassemble the sensor to avoid the damage caused by electrolyte leakage.
- Avoid contacting organic solvent (including Silicone rubber and other adhesive), coatings, medicine, oil and high concentration gases.
- All the electrochemical sensors shall not be encapsulated completely by resin materials, and shall not immerse in non-oxygen environment, otherwise, it will damage the function of sensor
- All electrochemical sensors shall not be applied in corrosive gas environment, or the sensor will be damaged
- Zero calibration should be finished in clean air.
- During test and usage, sensors should avoid the gas inflow vertically
- The side for inflow can’t be choked and polluted.
- The laminating film above the sensor surface can’t be uncovered and damage.
- Excessive impact or vibration should be avoided
- It takes some time for the sensor to return to normal state after it is applied in high concentration gas
- Working electrode and reference electrode of the sensor shall be in short circuit when stored
- Prohibit to use the hot cement or sealant of which the curing temperature is higher than 80 to make the capsulation for the sensor.
- Prohibit storage and usage for long time in alkaline gases with high concentration.
- Do not use the sensor when the shell is damaged
Note: To keep continual product development, we reserve right to change design features without prior notice
- Add: No.299, Jinsuo Road, National Hi-Tech Zone, Zhengzhou 450001 China
- Tel: +86-371-67169097 / 67169670
- Fax: +86-371-60932988
- E-mail: [email protected]
- Website: www.winsen-sensor.com
- Tel: 86-371-67169097/67169670
- Fax: 86-371-60932988
- Email: [email protected]
Leading gas sensing solutions supplier in China!























