Bulletin L-37 Series SBLTX Submersible Level Transducer
Instruction Manual

Bulletin L-37 Series SBLTX Submersible Level Transducer
The Series SBLTX Submersible Level Transducer is manufactured for years of trouble-free service. The transducer consists of a piezoresistive sensing element, encased in a 316 SS housing. The Bullet nose design protects the diaphragm from damage.
Comes equipped with a 270-pound tensile strength, shielded, vented cable. The ventilation tube in the cable automatically compensates for changes in atmospheric pressure above the tank.
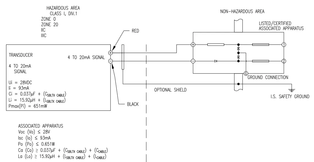
Intrinsic Safety Approval Classification
The SBLTX is UL listed for use in Hazardous (Classified) Locations. The protection method is by Intrinsic Safety, “ia”. It was investigated by UL under UL Standard 913 8th Edition, CAN/CSA C22.2 No. 60079-0:15 and CAN/CSA C22.2 No. 60079-11:14.
Hazardous (Classified) Location Intrinsically Safe For:
Class I, Div. 1, Groups A, B, C, D; Class II, Groups E,F, G; Class III
Class I Zone 0 AEx ia IIC T4 Ga
Zone 20 AEx ia IIIC T135°C Da
Ex ia IIC T4 Ga
Ex ia IIIC T135°C Da
Ta = -20°C to 80°C (ETFE Cable)
Ta = -20°C to 65°C (Polyurethane Cable)
Install in accordance with Control Drawing 001833-43.
See Control Drawing 001833-43 for Entity Parameters.
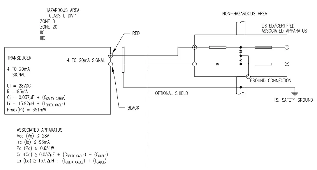
ATEX Certified for: II 1 G Ex ia IIC T4 Ga / II 1 D Ex ia IIIC T135°C Da (-20°C ≤
Tamb ≤ 80°C ETFE cable) (-20°C ≤ Tamb ≤ 65°C Polyurethane cable)
ATEX EU-Type Certificate: DEMKO 18 ATEX 2080
ATEX Standards: EN IEC 60079-0, EN 60079-11
IECEx Certified for: Ex ia IIC T4 Ga / Ex ia IIIC T135°C Da (-20°C ≤ Tamb ≤ 80°C ETFE
cable) (-20°C ≤ Tamb ≤ 65°C Polyurethane cable)
IECEx Certificate of Conformity: IECEx UL 18.0086
IECEx Standards: IEC 60079-0, IEC 60079-11
UKCA Ex Certified for: II 1 G Ex ia IIC T4 Ga / II 1 D Ex ia IIIC T135°C Da (-20°C ≤
Tamb ≤ 80°C ETFE cable) (-20°C ≤ Tamb ≤ 65°C Polyurethane cable)
UKCA Ex Certificate: UL21UKEX2364
UKCA Ex Standards: EN IEC 60079-0, EN 60079-11
Install in accordance with Control Drawing 001833-46.
See Control Drawing 001833-46 for Entity Parameters.
SPECIFICATIONS
Service: Compatible liquids.
Wetted Materials: Body: 316 SS, 316L SS; Bullet nose: PVC; Cable: Polyether
polyurethane or ETFE; Seals: Fluoroelastomer.
Accuracy: ±0.25% of FS.
Temperature Limit: ETFE cable equipped -4 to 176°F (-20 to 80°C); Polyurethane cable equipped -4 to 149°F (-20 to 65°C).
Compensated Temperature Range: -4 to 176°F (-20 to 80°C).
Thermal Effect: Less than ±0.02% FS/°F.
Pressure Limit: 2X FS.
Power Requirement: 10-28 VDC.
Output Signal: 4-20 mA DC, 2-wire.
Response Time: 50 ms.
Max. Loop Resistance: 900 Ω.
Electrical Connections: Wire pigtail.
Mounting Orientation: Suspended in tank below level being measured.
Weight: 2.2 lb (1.0 kg).
Compliance: CE, UKCA, See Intrinsic Safety Approval Classification.
Note: References to ATEX apply to UKCA Ex.
WARNING Use with approved safety barriers using entity evaluation.
CAUTION Do not exceed specified supply voltage ratings. Permanent damage not covered by warranty will result. This device is not designed for 120 or 240 VAC operation. Use only on 10-28 VDC.
INSTALLATION
- Location: Select a location where the temperature of the transducer will be between -4 and 176°F (-20 to 80°C) for ETFE cable or -4 and 149°F (-20 to 65°C) for polyurethane cable. Distance from the receiver is limited only by total loop resistance.
- Position: The transducer is not position-sensitive. However, all standard models are originally calibrated with the unit in a position with the pressure connection downward. Although they can be used at other angles, for best accuracy it is recommended that units be installed in the position calibrated at the factory.
- Mounting: The transducer can be mounted via several methods. It can be suspended from the electrical cable, it can be placed resting on the bottom of the tank in either horizontal or vertical orientation, or it can be attached to a pipe or hang wire by the 1/2˝ NPT male connection on the top of the housing.
- Electrical Connections
Wire Length: The maximum length of wire connecting the transducer and receiver is a function of wire size and receiver resistance. Wiring should not contribute more than 10% of the receiver resistance to total loop resistance. For extremely long runs (over 1000 feet), choose receivers with higher resistance to minimize the size and cost of connecting leads. Where wiring length is under 100 feet, wire as small as 22 AWG can be used. - Wiring: An external power supply delivering 10-28 VDC with a minimum current capability of 40 mA DC (per transducer) is required to power the control loop. See Figure A for the connection of the power supply, transducer, and receiver. The range of appropriate receiver load resistance (RL) for the DC power supply voltage available is expressed by the formula:
| RL Max = | Vps – 10 V |
| 20 mA DC |
A shielded cable is recommended for control loop wiring.

MAINTENANCE
After the final installation of the pressure transducer and its companion receiver, no routine maintenance is required. A periodic check of system calibration is suggested. The Series SBLTX transducer is not field repairable and should be returned if repair is needed (field repair should not be attempted and may void the warranty). Be sure to include a brief description of the problem plus any relevant application notes. Contact customer service to receive a return goods authorization number before shipping.
NOTES:
- SELECTED ASSOCIATED APPARATUS MUST BE THIRD PARTY LISTED AS PROVIDING INTRINSICALLY SAFE CIRCUITS FOR THE APPLICATION, AND NOT EXCEED THE ENTITY PARAMETERS LISTED IN THIS DRAWING.
- ASSOCIATED APPARATUS OUTPUT CURRENT MUST BE LIMITED BY A RESISTOR SUCH THAT THE OUTPUT VOLTAGE—CURRENT PLOT IS A STRAIGHT LINE DRAWN BETWEEN OPEN—CIRCUIT VOLTAGE AND SHORT—CIRCUIT CURRENT.
- CAPACITANCE AND INDUCTANCE OF THE FIELD WIRING FROM THE INTRINSICALLY SAFE TRANSDUCER TO THE ASSOCIATED APPARATUS SHALL BE CALCULATED AND MUST INCLUDE THE SYSTEM CALCULATIONS AS SHOWN WITHIN THIS DRAWING. TOTAL CAPACITANCE IS CALCULATED BY ADDING BOTH (CSBLTX CABLE) AND (CcABLE) TO Ci, WHERE (Ce-rx CABLE) IS THE CAPACITANCE OF FACTORY WIRING PROVIDED WITH THE SBLTX AND (Cum) IS CAPACITANCE OF ANY ADDITIONAL END USER CABLE THAT IS WIRED TO THE SBLTX. TOTAL INDUCTANCE IS CALCULATED BY ADDING BOTH (LSBLm CABLE) AND (LIABLE) TO Li, WHERE (LsBax CABLE) IS THE INDUCTANCE OF FACTORY WIRING PROVIDED WITH THE SBLTX AND (ICABLE) IS THE INDUCTANCE OF ANY ADDITIONAL END USER CABLE THAT IS WIRED TO THE SBLTX. WHEN PROVIDED WITH POLYURETHANE CABLE, THE CAPACITANCE (CSBLTX CABLE) IS 96 pF/FT (315pF/M) AND INDUCTANCE (LsEux CABLE) IS 346nH/FT (1.135pF/M). WHEN PROVIDED WITH ETFE CABLE, THE CAPACITANCE (CSBLTX CABLE) 162pF/FT (532 pF/M) AND INDUCTANCE (LsDix CABLE) IS 340 nH/FT (1.116pH/M). WHERE CABLE CAPACITANCE AND INDUCTANCE PER UNIT LENGTH ARE NOT KNOWN, THE CAPACITANCE OF 60pF/FT (200pF/M) AND INDUCTANCE OF 0.2pH/FT (1.0 pH/M) MAY BE USED. PLEASE NOTE THAT THE SBLTX CABLE LENGTH IS SPECIFIED WITHIN THE NOMENCLATURE, SEE ITEM “ccc” FOR LENGTH AND ITEM “d” FOR UNIT OF LENGTH. THIS LENGTH WILL NEED TO BE MULTIPLIED BY THE CORRECT PARAMETER (CsEux CABLE) AND (LsBux CABLE) SPECIFIED ABOVE, BASED ON THE CABLE PROVIDED, SEE NOMENCLATURE ITEM “e” FOR THE DEVICE’S CABLE TYPE.
- TRANSDUCERS MUST BE INSTALLED TO THE MANUFACTURER’S CONTROL DRAWING AND ARTICLE 504 OF THE NATIONAL ELECTRICAL CODE (ANSI/NFPA 70) FOR INSTALLATION IN THE UNITED STATES OR SECTION 18 OF THE CANADIAN ELECTRICAL CODE (CSA C22.1) FOR INSTALLATION IN CANADA OR OTHER LOCAL INSTALLATION CODES, AS APPLICABLE.
- THE ASSOCIATED APPARATUS MANUFACTURER’S INSTALLATION INSTRUCTIONS MUST BE FOLLOWED WHEN INSTALLING THE EQUIPMENT.
- THE CABLE USED IN THIS DEVICE HAS A VENT TUBE. THEREFORE THE CABLE ATTACHED TO THE SBLTX SHALL BE TERMINATED IN THE HAZARDOUS AREA.
- NO REVISION TO THIS DRAWING WITHOUT PRIOR APPROVAL BY UL.
HAZARDOUS (CLASSIFIED) LOCATION INTRINSICALLY SAFE FOR:
CLASS, I DIV.1 group A,B,C,D
CLASS II DIV.1 GROUP E,F,G
CLASS III DIV.1 CLASS I ZONE DA
Ex is IIC T4 Ga ZONE 20 A
Ex is IIIC T135t Da Ex is IIC T4 Ga Ex is 1110 T135°C Da
Ta= —20°C TO 65t(POLYURETHANE CABLE)
—20°C TO 80°C(ETFE CABLE)


CD= CRITICAL DIMENSION
STANDARD TOLERANCES UNLESS NOTED:
ALL DECIMAL DIMENSIONS ± .005
ALL ANGLES ± 1°
| DATE 02-12-18 | NAME SBLTX I.S. CONTROL DRAWING | MATERIAL | ||||
| 2 | UPDATING STANDARDS FOR AGENCY PER ECR-048314 | S 12-1KA0-21 | ||||
| DWN BY AIMS | ||||||
| FINISH | ||||||
| 1 | GENERAL REVISION AS REQUESTED BY UL PER ECR #43410 | RBS 6-19-18 | ||||
| CHKD DCH | ||||||
| 0 | INITIAL RELEASE ND-005145 | ARMS 02-28-18 | DWYER INSTRUMENTS, LLC. MICHIGAN CITY, INDIANA 46360 U.S.A. | |||
| APPD LR | ||||||
| NO. | CHANGES | BY/DATE | ||||
| FR. NO. cD1833-43 | ||||||
| NOTICE: This drawing and the principles and elements of design embodied therein are the exclusive property of DWYER INSTRUMENTS and ore not to be communicated disclosed, reproduced, or used except as previously authorized in writing by such company and must not be submitted to outside parties for examination without the written consent of the said company. | 4 | |||||
NOTES:
- SELECTED ASSOCIATED APPARATUS MUST BE THIRD PARTY LISTED AS PROVIDING INTRINSICALLY SAFE CIRCUITS FOR THE APPLICATION, AND NOT EXCEED THE ENTITY PARAMETERS LISTED IN THIS DRAWING.
- CAPACITANCE AND INDUCTANCE OF THE FIELD WIRING FROM THE INTRINSICALLY SAFE TRANSDUCER TO THE ASSOCIATED APPARATUS SHALL BE CALCULATED AND MUST INCLUDE THE SYSTEM CALCULATIONS AS SHOWN WITHIN THIS DRAWING. TOTAL CAPACITANCE IS Ci, WHERE (CSBLTX CABLE) CALCULATED BY ADDING BOTH (CsBL-ix CABLE) AND (Cr. ) T „HE, IS THE CAPACITANCE OF FACTORY WIRING PROVIDED WITH THE SBLTX AND (Coal) IS CAPACITANCE OF ANY ADDITIONAL END USER CABLE THAT IS WIRED TO THE SBLTX. TOTAL INDUCTANCE IS CALCULATED BY ADDING BOTH (LSBLTX CABLE) AND (LcABLE) TO Li, WHERE (LSBLTX CABLE) IS THE INDUCTANCE OF FACTORY WIRING PROVIDED WITH THE SBLTX AND (LIABLE) IS THE INDUCTANCE OF ANY ADDITIONAL END USER CABLE THAT IS WIRED TO THE SBLTX. WHEN PROVIDED WITH POLYURETHANE CABLE, THE CAPACITANCE (CseLrx CABLE) IS 96 pF/FT (315pF/M) AND INDUCTANCE (LSBLTX CABLE) IS 346nH/FT (1.135pF/M). WHEN PROVIDED WITH ETFE CABLE, THE CAPACITANCE (Csecrx CABLE) 162pF/FT (532 pF/M) AND INDUCTANCE (LsEux CABLE) IS 340 nH/FT (1.116pH/M). WHERE CABLE CAPACITANCE AND INDUCTANCE PER UNIT LENGTH ARE NOT KNOWN, THE CAPACITANCE OF 60pF/FT (200pF/M) AND INDUCTANCE OF 0.2pH/FT (1.0 pH/M) MAY BE USED. PLEASE NOTE THAT THE SBLTX CABLE LENGTH IS SPECIFIED WITHIN THE NOMENCLATURE, SEE ITEM ‘ccc’ FOR LENGTH AND ITEM ‘d’ FOR UNIT OF LENGTH. THIS LENGTH WILL NEED TO BE MULTIPLIED BY THE CORRECT PARAMETER (Csfux CABLE) AND (LsDix CABLE) SPECIFIED ABOVE, BASED ON THE CABLE PROVIDED, SEE NOMENCLATURE ITEM ‘e’ FOR THE DEVICE’S CABLE TYPE.
- THE ASSOCIATED APPARATUS MANUFACTURER’S INSTALLATION INSTRUCTIONS MUST BE FOLLOWED WHEN INSTALLING THE EQUIPMENT.
- WARNING — ALL FIELD WIRING SHALL BE SUITABLE FOR AN AMBIENT TEMPERATURE RANGE OF —20′ TO 80t.
- THE CABLE USED IN THIS DEVICE HAS A VENT TUBE. THEREFORE THE CABLE ATTACHED TO THE SBLTX SHALL BE TERMINATED IN THE HAZARDOUS AREA.
- NO REVISIONS TO THIS DRAWING WITHOUT PRIOR APPROVAL BY UL/DEMKO.
- THE TRANSDUCER MUST BE INSTALLED IN ACCORDANCE WITH IEC/EN 60079-14 OR ANY LOCAL INSTALLATION CODES/REQUIREMENTS.

CD= CRITICAL DIMENSION
STANDARD TOLERANCES UNLESS NOTED:
ALL DECIMAL DIMENSIONS ± .005
ALL ANGLES ± 1°

















