Mercoid SBLTX Series Submersible Level Transducer

Specifications – Installation and Operating Instructions

The Series SBLTX Submersible Level Transducer is manufactured for years of trouble-free service. The transducer consists of a piezoresistive sensing element, encased in a 316 SS housing. The Bullet nose design protects the diaphragm from damage. Comes equipped with a 270-pound tensile strength, shielded, vented cable. The ventilation tube in the cable automatically compensates for changes in atmospheric pressure above the tank.
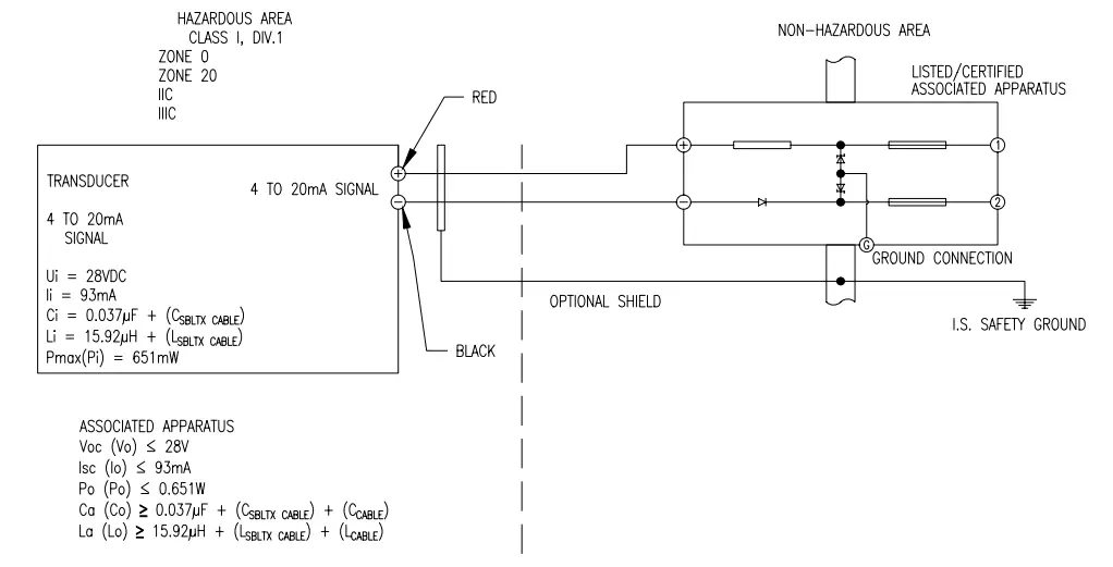
Intrinsic Safety Approval Classification
The SBLTX is UL listed for use in Hazardous (Classified) Locations. The protection method is by Intrinsic Safety, “ia”. It was investigated by UL under UL Standard 913 8th Edition, CAN/CSA C22.2 No. 60079-0:15 and CAN/CSA C22.2 No. 60079-11:14.
Hazardous (Classified) Location Intrinsically Safe For:
- Class I Div. 1 Groups A,B,C,D
- Class II Div. 1 Groups E,F,G
- Class III Div. 1
- Class I Zone 0 AEx ia IIC T4 Ga
- Zone 20 AEx ia IIIC T135°C Da
- Ex ia IIC T4 Ga
- Ex ia IIIC T135°C Da
- Ta = -20°C to 80°C (ETFE Cable)
- Ta = -20°C to 65°C (Polyurethane Cable)
Install in accordance with Control Drawing 001833-43. See Control Drawing 001833-43 for Entity Parameters
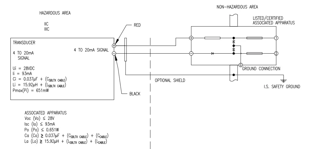
- ATEX: EU Type Certificate NO. DEMKO 18 ATEX 2080
- ATEX STANDARDS: EN 60079-0, EN 60079-11
- ATEX CLASSIFICATION: 2813 II 1 G Ex ia IIC T4 Ga (-20°C ≤ Tamb ≤ 80°C (ETFE Cable)) (-20°C ≤ Tamb ≤ 65°C (Polyurethane Cable)) 2813 II 1 D Ex ia IIIC T135°C Da (-20°C ≤ Tamb ≤ 80°C (ETFE Cable)) (-20°C ≤ Tamb ≤ 65°C (Polyurethane Cable))
- IECEx Certificate of Conformity: IECEx UL 18.0086
- IECEx STANDARDS: IEC 60079-0, IEC 60079-11
- IECEx CLASSIFICATION: Ex ia IIC T4 Ga (-20°C ≤ Tamb ≤ 80°C (ETFE Cable)) (-20°C ≤ Tamb ≤ 65°C (Polyurethane Cable)) Ex ia IIIC T135°C Da (-20°C ≤ Tamb ≤ 80°C (ETFE Cable)) (-20°C ≤ Tamb ≤ 65°C (Polyurethane Cable))
- UKCA Ex: CERTIFICATE UL21UKEX2364
- UKCA Ex STANDARDS: EN 60079-0, EN 60079-11
- UKCA Ex CLASSIFICATION: II 1 G Ex ia IIC T4 Ga (-20°C ≤ Tamb ≤80°C
Install in accordance with Control drawing 001833-46 SEE CONTROL DRAWING 001833-46 FOR ENTITY PARAMETERS.
SPECIFICATIONS
- Service: Compatible liquids.
- Wetted Materials: Body: 316 SS, 316L SS; Bullet nose: PVC; Cable: Polyether polyurethane or ETFE; Seals: Fluoroelastomer.
- Accuracy: ±0.25% of FS.
- Temperature Limit: ETFE cable equipped -4 to 176°F (-20 to 80°C); Polyurethane cable equipped -4 to 149°F (-20 to 65°C).
- Compensated Temperature Range: -4 to 176°F (-20 to 80°C).
- Thermal Effect: Less than ±0.02% FS/ °F.
- Pressure Limit: 2X FS.
- Power Requirement: 10-28 VDC.
- Output Signal: 4-20 mA DC, 2-wire.
- Response Time: 50 ms.
- Max. Loop Resistance: 900 Ω.
- Electrical Connections: Wire pigtail.
- Mounting Orientation: Suspended in tank below level being measured.
- Weight: 2.2 lb (1.0 kg).
- Compliance: CE, UKCA, See Intrinsic Safety Approval Classification.
CAUTION: Do not exceed specified supply voltage ratings. Permanent damage not covered by warranty will result. This device is not designed for 120 or 240 VAC operation. Use only on 10-28 VDC.
INSTALLATION
- Location: Select a location where the temperature of the transducer will be between -4 and 176°F (-20 to 80°C) for ETFE cable or -4 and 149°F (-20 to 65°C) for polyurethane cable. Distance from the receiver is limited only by total loop resistance.
- Position: The transducer is not position-sensitive. However all standard models are originally calibrated with the unit in a position with the pressure connection downward. Although they can be used at other angles, for best accuracy it is recommended that units be installed in the position calibrated at the factory.
- Mounting: The transducer can be mounted via several methods. It can be
suspended from the electrical cable, it can be placed resting on the bottom of the tank in either horizontal or vertical orientation, or it can be attached to a pipe or hang wire by the 1/2˝ NPT male connection on the top of the housing. - Electrical Connections
- Wire Length: The maximum length of wire connecting the transducer and receiver is a function of wire size and receiver resistance. Wiring should not contribute more than 10% of the receiver resistance to total loop resistance. For extremely long runs (over 1000 feet), choose receivers with higher resistance to minimize the size and cost of connecting leads. Where wiring length is under 100 feet, wire as small as 22 AWG can be used.
- Wiring: An external power supply delivering 10-28 VDC with a minimum current capability of 40 mA DC (per transducer) is required to power the control loop. See Figure A for the connection of the power supply, transducer and receiver. The range of appropriate receiver load resistance (RL) for the DC power supply voltage available is expressed by the formula:
Shielded cable is recommended for control loop wiring.

Black wire is negative [-] and red wire is positive [+].

MAINTENANCE
After the final installation of the pressure transducer and its companion receiver, no routine maintenance is required. A periodic check of system calibration is suggested. The Series SBLTX transducer is not field repairable and should be returned if repair is needed (field repair should not be attempted and may void the warranty). Be sure to include a brief description of the problem plus any relevant application notes. Contact customer service to receive a return goods authorization number before shipping.
HAZARDOUS
NOTES:
- SELECTED ASSOCIATED APPARATUS MUST BE THIRD PARTY LISTED AS PROVIDING INTRINSICALLY SAFE CIRCUITS FOR THE APPLICATION,
AND NOT EXCEED THE ENTITY PARAMETERS LISTED IN THIS DRAWING. - ASSOCIATED APPARATUS OUTPUT CURRENT MUST BE LIMITED BY A RESISTOR SUCH THAT THE OUTPUT VOLTAGE-CURRENT PLOT 1S A
STRAIGHT LINE DRAWN BETWEEN OPEN-CIRCUIT VOLTAGE AND SHORT-CIRCUIT CURRENT. - CAPACITANCE AND INDUCTANCE OF THE FIELD WIRING FROM THE INTRINSICALLY SAFE TRANSDUCER TO THE ASsOCIATED APPARATUS
SHALL BE CALCULATED AND MUST INCLUDE THE SYSTEM CALCULATIONS AS SHOWN WITHIN THIS DRAWING. TOTAL CAPACITANCE IS
CALCULATED BY ADDING BOTH (CsaLTx CABLE) AND (CcABLE) TO Ci, WHERE (CsLIX CARLE) IS THE CAPACITANCE OF FACTORY WIRING PROVIDED WITH THE SBLTX AND (CcABLE) IS CAPACITANCE OF ANY ADDITIONAL END USER CABLE THAT IS WIRED TO THE SBLTX. TOTAL INDUCTANCE IS CALCULATED BY ADDING BOTH (LsBLTX CABLE) AND (LcABuE) TO Li, WHERE (LsBLTM CABLE) IS THE INDUCTANCE OF FACTORY WIRING PROVIDED WITH THE SBLTX AND (LeABLE) IS THE INDUCTANCE OF ANY ADDITIONAL END USER CABLE THAT IS WIRED TO THE SBLTX. WHEN PROVIDED WITH POLYURETHANE CABLE, THE CAPACITANCE (Csaux Cale) IS 96 pF/FT (315pF/M) AND INDUCTANCE (lsaLTX CAELE)IS 346nH/FT (1.135pF/M). WHEN PROVIDED WITH ETFE CABLE, THE CAPACITANCE (CsBLTX CABLE) 162pF/FT (532 pF/M) AND INDUCTANCE (sBLTN CABLE) IS 340 nH/FT (1.116uH/M). WHERE CABLE CAPACITANCE AND INDUCTANCE PER UNIT LENGTH ARE NOT KNOWN, THE CAPACITANCE OF 60pf/FT (200pF/M) AND INDUCTANCE OF 0.2uH/FT (1.0 pH/M) MAY BE USED. PLEASE NOTE THAT THE SBLTX CABLE LENGTH IS SPECIFIED WITHIN THE NOMENCLATURE, SEE TEM “ccc” FOR LENGTH AND ITEM “d FOR UNIT OF LENGTH. THIS LENGTH WILL NEED TO BE MULTIPLIED BY THE CORRECT PARAMETER (CsaLTx CABLE) AND(sex case) SPECIFIED ABOVE, BASED ON THE CABLE PROVIDED, SEE NOMENCLATURE ITEM “e” FOR THE DEVICE’S CABLE TYPE. - TRANSDUCERS MUST BE INSTALLED TO THE MANUFACTURER’S CONTROL DRAWING AND ARTICLE 504 OF THE NATIONAL ELECTRICAL ODE (ANSI/NFPA 70) FOR INS INSTALLATION IN CANADA OR OTHER LOCAL INSTALLATION CODES, AS APPLICABLE.
- THE ASS0CIATED APPARATUS MANUFACTURER’S INSTALLATION INSTRUCTIONS MUST BE FOLLOWED WHEN INSTALLING THE EQUIPMENT.
LATION THE UNITED STATES OR SECTION 18 OF THE CANADIAN ELECTRICAL CODE (CSA C22.1) FOR - THE CABLE USED IN THIS DEVICE HAS A VENT TUBE. THEREFORE THE CABLE ATTACHED TO THE SBLTX SHALL BE TERMINATED IN THE HAZARDOUS AREA.
- NO REVISION TO THIs DRAWING WITHOUT PRIOR APPROVAL BY UL


NOTES:
- SELECTED ASSOCIATED APPARATUS MUST BE THIRD PARTY LISTED AS PROVIDING INTRINSICALLY SAFE CIRCUITS FOR THE APPLICATION,
AND NOT EXCEED THE ENTITY PARAMETERS LISTED IN THIS DRAWING. - CAPACITANCE AND INDUCTANCE OF THE FIELD WIRING FROM THE INTRINSICALLY SAFE TRANSDUCER TO THE ASSOCIATED APPARATUS
SHALL BE CALCULATED AND MUST INCLUDE THE SYSTEM CALCULATIONS AS SHOWN WITHIN THIS DRAWING. TOTAL CAPACITANCE IS
CALCULATED BY ADDING BOTH (CsBLTX CABLE) AND (CABLE) TO Ci, WHERE (CsaLTx CABLE) IS THE CAPACITANCE OF FACTORY WIRING
PROVIDED WITH THE SBLTX AND (CcABLE) IS CAPACITANCE OF ANY ADDITIONAL END USER CABLE THAT IS WIRED TO THE SBLTX. TOTAL
INDUCTANCE IS CALCULATED BY ADDING BOTH (lsBLTK CABLE) AND (LIABLE) TO Li, WHERE (LsBLTK CABLE) IS THE INDUCTANCE OF FACTORY WIRING PROVIDED WITH THE SBLTX AND (LcABLE) IS THE INDUCTANCE OF ANY ADDITIONAL END USER CABLE THAT IS WIRED TO THE SBLTX. WHEN PROVIDED WITH POLYURETHANE CABLE, THE CAPACITANCE (CsBLTX CABLE) IS 96 pF/FT (315pF/M) AND INDUCTANCE (LsBLTX CABLE) IS 346nH/FT (1.1354uF/M). WHEN PROVIDED WITH ETFE CABLE, THE CAPACITANCE (CsBLTx CABLE) 162pF/FT (532 pF/M) AND INDUCTANCE (LsaLTX CARLE) IS 340 nH/FT (1.116uH/M). WHERE CABLE CAPACITANCE AND INDUCTANCE PER UNIT LENGTH ARE NOT KNOWN, THE CAPACITANCE OF 60pF/FT (200pF/M) AND INDUCTANCE OF 0.2pH/FT (1.0 pH/M) MAY BE USED. PLEASE NOTE THAT THE SBLTX CABLE LENGTH IS SPECIFIED WITHIN THE NOMENCLATURE, SEE ITEM “ccc FOR LENGTH AND ITEM “d” FOR UNIT OF LENGTH.
THIS LENGTH WILL NEED TO BE MULTIPLIED BY THE CORRECT PARAMETER (CsELTX CABLE) AND (LsBLTX CABLE) SPECIFIED ABOVE, BASED ON THE CABLE PROVIDED, SEE NOMENCLATURE ITEM “e FOR THE DEVICE’S CABLE TYPE. - THE ASSOCIATED APPARATUS MANUFACTURER’S INSTALLATION INSTRUCTIONS MUST BE FOLLOWED HEN INSTALLING THE EQUIPMENT.
- WARNING ALL FIELD WIRING SHALL BE SUITABLE FOR AN AMBIENT TEMPERATURE RANGE OF -20′ TO 80’C.
- THE CABLE USED IN THIS DEVICE HAS A VENT TUBE. THEREFORE THE CABLE ATTACHED TO THE SBLTX SHALL BE TERMINATED IN
THE HAZARDOUS AREA. - NO REVIsIONS TO THIS DRAWING WITHOUT PRIOR APPROVAL BY UL/DEMKO.
- THE TRANSDUCER MUST BE INSTALLED IN ACCORDANCE TO IEC/EN 60079-14 OR ANY LOCAL INSTALLATION CODES/REQUIREMENTS.





















