Instruction Manual
PU/PI and PS10
Differential Pressure
Transducers 
PS10 Differential Pressure Transducers
Purpose of instruction manual
This instruction manual describes the features of the PU/PI and PS10 differential pressure transducers and provides guidelines for their use.
Improper use of this instrument or failure to follow these instructions may cause injury or equipment damage. Every person who uses the device must therefore read the manual and understand the possible risks. The instruction manual, and in particular the safety precautions contained therein, must be followed carefully. Contact the manufacturer if you do not understand any part of this instruction manual.
Handle this manual with care:
- It must be readily available throughout the lifecycle of the instrument.
- It must be provided to any individuals who assume responsibility for operating the instrument at a later date.
- It must include any supplementary materials provided by the manufacturer.
The manufacturer reserves the right to continue developing this instrument model without documenting such development in each individual case. The manufacturer will be happy to determine whether this manual is up-to-date.
Conformity
This instrument corresponds to the state of the art and meets all legal requirements set forth in EC directives as evidenced by the CE label.
© 2005
The manufacturer owns the copyright to this instruction manual. This manual contains data, instructions and drawings pertaining to the features and usage of this instrument; copying this manual in part or in full or distributing it to third parties is prohibited.
Safety precautions
1.1 Appropriate use
In addition to differential pressure data, the PU/PI and PS10 differential pressure transducers also record positive and negative overpressures.
Always observe the operating requirements—particularly the permissible supply voltage—indicated on the rating plate and in the “Technical data” section of this manual.
The instrument may only be handled as indicated in this manual. Modifications to the instrument are prohibited. The manufacturer is not liable for damages caused by improper use or failure to follow these instructions. Violations of this type render all warranty claims null and void.
1.2 Shipping, assembly, electrical connections and start-up
Do not close the pressure inputs when shipping, as changes in barometric pressure could damage instruments with low measuring ranges.
Only technical personnel who are appropriately trained and authorized by the operator of the facility may assemble the instrument and set up its electrical connections.
The instrument may only be operated by appropriately trained individuals who have been authorized by the operator of the facility.
Pressurized air or breath is not to be used for performance tests, as this could damage instruments with low measurement ranges.
Measurement errors may occur if the instrument is not kept protected from sunlight.
Specific safety precautions are given in individual sections of this manual.
1.3 Troubleshooting, maintenance, repairs, disposal
The individual responsible for the electrical connections must be notified immediately if the instrument is damaged or if errors occur that cannot be corrected as indicated in section 5.
This individual must take the instrument out of service until the error has been corrected and ensure that it cannot be used unintentionally.
Always unplug the supply voltage before opening the instrument!
This instrument requires no maintenance.
Only the manufacturer may perform repairs that require the housing to be opened.
The electronic components of the instrument contain environmentally hazardous materials and materials that can be reused. For this reason the instrument must be recycled in accordance with the environmental guidelines of the jurisdiction in question once it has been taken permanently out of service.
1.4 Symbols
The symbols given below are used throughout this manual to indicate instances when improper operation could result in the following hazards:
WARNING! This warns you of a potential hazard that could lead to bodily injury up to and including death if the corresponding instructions are not followed.
WARNING: This warns you of a potential hazard that could lead to significant property damage if corresponding instructions are not followed.
INFORMATION This indicates that the corresponding information is important for operating the instrument properly.
Instrument description
The PU/PI and PS10 pressure transducers are pneumatic, electronic sensors for measuring overpressures, vacuum pressures and differential pressures. Typical applications include, for instance, pressure measurements in air-conditioning and ventilation ducts. At the heart of the transducer is a pressure measurement capsule with a beryllium bronze membrane spring, which is displaced by the pressure difference between the two chambers of the measurement capsule. Inductive displacement transducers measure membrane deflection without contacting the membrane. The instrument has no frictional parts or parts subject to mechanical wear.
Start-up
| Type of pressure | Connect pressure to | Example |
| overpressure | + input port | 0…1 kPa |
| vacuum | – input port | 0…- 500 Pa |
| differential pressure | higher pressure at + port lower pressure at – port | 0…125 Pa, e.g. via a differential pressure transducer (such as a measuring orifice) |
| symmetrical pressure ranges | + input port | ± 200 Pa |
| asymmetrical pressure ranges | input port corresponding to the high end of the pressure range | -300 Pa…+ 1 kPa (pressure should be connected to the + input port) |
3.2 Supply voltage connections in the instrument:
Figure 1: Configuration of circuit board: (not all components are shown)

| Terminal | Supply voltage |
| 11 13 | 24/115/230 V~ 50/60 Hz 24/115/230 V~ 50/60 Hz |
| 11 13 | +20.5 V. 28.5 VDC ground (GND) |
Observe the required supply voltage (see rating plate) as well as the connection diagram located on the housing cover / circuit board mount.
3.3 Analog output connections in the instrument
| Terminal | Output signal |
| 1 2 | ground (GND)0…10 V / 0/4…20 mA ± 5 V / ± 10 V |
The transducer outputs are protected from short circuits. Instruments supplied with direct current are also protected from reverse polarity
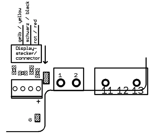
Display-connector
Calibrating the zero point
Please remember that it takes roughly 30 to 60 minutes for the pressure transducer to warm up after it is switched on. The output signal may not remain stable during this period.
It is recommended that the zero point after a long operating time (approximately 6 months) is checked and if necessary calibrate it again. The wiring of the current outputmakes it impossible to enter a negative current.
As a result, operators cannot turn the zero-point potentiometer beyond the 0.0 mA mark when calibrating the zero point. Were this not the case, the negative component, which cannot be displayed, would interfere with the output signal.
After the pressure transducer has warmed up, the operator may calibrate the zero point using the P0 trimmer (see figure 1). The following table may be used to look up the value to which the analog output must be set when the ports are open; this value is dependent upon both the measurement range and the output signal.
| Output signal/Measurement range | 0…10 V | 0…20 mA | 4…20 mA | ± 5 V | ± 10 V |
| 0…nominal pressure | 0.00 V | 0.00 mA | 4.00 mA | – 5.00 V | – 10.00 V |
| ± nominal pressure | 5.00 V | 10.00 mA | 12.00 mA | 0.00 V | 0.00 V |
| asymmetrical measurement range | the output signal corresponding to the average of both measurement range limiting values | ||||
Troubleshooting
| Error Description | Potential Cause | Corrective Action |
| no output signal | • supply voltage is not connected • incorrect supply voltage • defective fuse • defective input protection diode only for DC power: • defective reverse polarity protection diode | • connect correct supply voltage • connect the correct supply voltage (see rating plate). • replace the SI1 fuse (Wickmann model TR5 200 mAT) • Send the instrument to the manufacturer for repair • Send the instrument to the manufacturer for repair |
| output signal is constant, despite change in pressure | • defective output protection diode • pressure ports reversed | Send the instrument to the manufacturer for repair • connect pressure as outlined in section 3. “Mounting” |
| output signal incorrect (only for 0…20 mA) | • defective output protection diode • defective pressure measurement cell for current output: • output loadtoo high for voltage output: • load resistance too low • current output calibrated incorrectly | Send the instrument to the manufacturer for repair • Send the instrument to the manufacturer for repair • observe maximum output load of 500W • observe minimum load resistance (either 2 kW, 5 kW or 10 kW, depending on output; see section 6 “Technical Data” • follow instructions on calibrating the zero point at a current output of 0…20mA |
| zero point cannot be adjusted using P0 | defective pressure measurement cell | Send the instrument to the manufacturer for repair |
Technical data
| Measurement data | |
| measurement ranges | 0…50 Pa to 0…100 kPa or ±50 Pa to ±100 kPa (others available upon request) |
| overload capacity | 10 x the final value of the measurement range (for measurement ranges £ 20 kPa) 2 x the final value of the measurement range (for measurement ranges > 20 kPa) |
| hysteresis | 0.1 % |
| warm-up period | approx. 30 min. |
| time required for adjustment | approx. 20 ms (up to 5 s available upon request) |
| deviation from characteristic curve (setting limiting value) | 1 % for PU/PI model 0.5 % only for meas. ranges ≥250 Pa (optional) 0.2 % only for meas. ranges ≥250 Pa (optional) 2% for PS 10 model (others available upon request) |
| temperature-dependent drift in zero point | 0.04%/ K (in the +10°C…+50 °C range) for PU / PI model 0.1%/ K (in the +10°C…+50 °C range) for PS 10 model |
| temperature-dependent drift in measurement range | 0.04%/ K (in the +10°C…+50 °C range) for PU / PI model 0.1%/ K (in the +10°C…+50 °C range) for PS 10 model |
| dead volume | approx. 2000 mm3 (for measurement ranges ³ 250 Pa) approx. 9000 mm3 (for measurement ranges < 250 Pa) |
| control volume | max. 200mm³ |
| max. system pressure | 100 kPa |
| Ambient conditions | |
| medium | air, all non-aggressive gases |
| nominal temperature | +10° C to +50° C |
| operating temperature | 0° C to +60° C |
| storage temperature | -10° C to +70° C |
| relative humidity | 0…80 % |
| EMC standards | EN 6100-6-3:2001 and EN 61000-6-2:2001; CSA |
| conformity | |
| Electrical data | |
| power consumption | max. 1.2 W |
| supply voltage | 24 VDC +20% / -15% (filtered, permissible peak-to-valley ratio = 1000 mV) 230VAC, 115VAC, 24VAC +6 % / -15 %, 50/60 Hz (optional) |
| minimum load resistance RL | RL³ 2 kW for an output voltage of 0…10 V RL³ 5 kW for an output voltage of ±5 V RL³ 10 kW for an output voltage of ±10 V for models PU and PS10 with output voltage maximum effect of load resistance = 0.3% |
| maximum output load RB | RB= 500 W for models PI and PS 10 with current output output load dependence: < 0.3 % |
| display | 3½ or 4½-place LCD, character height = 13 mm (optional) |
| output signal | 0 to 10 V, 0 to 20 mA or 4 to 20 mA; ±5 V and ±10 V are also possible |
| Physical data | |
| pressure port | Ø 6.5 mm for NW5 tubing (interior tubing diameter = 5 mm) |
| electrical connections | screw terminals for cables up to 2.5 mm2 |
| mounting orientation | vertical (when placing your order, please indicate if a horizontal orientation is required) |
| dimensions (w x h x d) | 80 x 120 x 73 mm 120 x 122 x 75 mm (for LCD option) |
| protection class | IP54 |
| weight | between 300 g and 700 g, depending on design |
| options | • 3½-place LCD • 4½-place LCD • linearity protocol • DKD calibration certificate • cable gland: PG9 or PG11 threaded connections • output signal attenuation up to 5 s • silicon-free materials for parts in contact with medium |
Appendix A: Parts in contact with measurement medium
| · Beryllium bronze CuBe2 | · Araldite CY236 / HY988 |
| · Mu metal (nickel alloy) | · Loctite 242e |
| · Brass CuZn39Pb3 | · Carbonyl iron |
| · Aluminum AlCuMgPb / AlMg3 | · KEL (FPM: fluorinated rubber) |
| · Silicon (tubing) optional: Viton | · Vepuran Vu 4457/51 |
| · Crastin (PTBP) | · UHU-Plus endfest 300 binder |
Dimension drawings

halstrup-walcher GmbH
Stegener Straße 10
D-79199 Kirchzarten
Germany
Phone: +49 (0) 76 61/39 63–0
Fax: +49 (0) 76 61/39 63–99
E-Mail: [email protected]
Internet: www.halstrup-walcher.com
















