PREMASGARD® 211x Pressure and Volume Flow Measuring Transducers
PREMASGARD® 211x
PREMASGARD® 212x ⁄ 212x -SD
PREMASGARD® 211x

PREMASGARD® 212x

PREMASGARD® 212x – SD

S+S REGELTECHNIK GMBH
THURN-UND-TAXIS-STR. 22
90411 NÜRNBERG ⁄ GERMANY
FON +49 (0) 911 ⁄ 5 19 47-0
[email protected] www.SplusS.de


without display
with display
Device version
with M12 connector
(optional on request)


without display
with display
PREMASGARD® 211x ⁄ 212x ⁄ 212x – SD Rev. 2021 – V21
The calibrateable compact pressure sensors of the PREMASGARD® 211x ⁄ 212x ⁄ 212x – SD series are equipped with 8 switchable measuring
ranges, 2 switchable output signals (16 devices in one) and with or without optional display and are used for measuring above-atmospheric, below-atmospheric, or differential pressures and Volume flow in air. The piezo-resistive measuring element is temperature-compensated and guarantees a high degree of reliability and accuracy. These pressure transmitters have a pushbutton for manual zero point calibration and an adjustable offset.
Applications of these pressure sensors are in clean room, medical and filter technology, in ventilation and air conditioning ducts, in spray booths, in large-scale catering facilities, for monitoring filters, for level measurement or for triggering frequency converters. Media measured with these pressure transducers are air (non-precipitating), or other gaseous non-aggressive, non-combustible media. The differential pressure sensor is supplied including connection set ASD-06 (2 m connection hose, two pressure connection nipples, screws). You can find further device types under PREMASGARD® 111x ⁄ 112x ⁄ 112x – SD (l variant with 2-wire connection).
TECHNICAL DATA
Power supply: 24 V AC/DC (± 10 %)
Working resistance: Ra (Ohm) = 25 …450 Ohm for I variant
Load resistance: RL > 25 kOhm for U variant
Power consumption: < 1 W at 24 V DC; < 2 VA at 24 V AC
Current consumption: < 45 mA
Measuring function: Differential pressure, volume flow (square root output signal)
Measuring ranges: multi-range switching with 8 switchable measuring ranges (see table)
Output: switchable 0 -10 V ⁄ 4…20 mA (via DIP switches)
Electrical connection: 3-wire connection
Media temperature: –20…+50 °C (temperature-compensated 0…+50 °C)
Pressure connection: with connection nozzles for pressure hose Ø 6 mm
Type of pressure: differential pressure
Medium: clean air and other non-aggressive, non-combustible gases
Accuracy: Type 2110 ⁄ 2120 ⁄ 2120 – SD (100 Pa): typically ± 3 Pa at +25 °C
Type 2111 ⁄ 2121 ⁄ 2121 – SD (1000 Pa): typically ± 10 Pa at +25 °C
Type 2115 ⁄ 2125 ⁄ 2125 – SD (5000 Pa): typically ± 35 Pa at +25 °C
compared to the calibrated reference device
Zero point offset: ± 10 % of final value
Above- ⁄ below-atmospheric pressure: ± 50 kPa
Long-term stability: ± 1 % per year
Signal filtering: switchable 1 s ⁄ 10 s (via DIP switches)
Hysteresis: 0.3 % of final value
Media contacting parts: Brass, Ni, Duroplast, Si, epoxy, RTV, BSG, UV silicone gel
Temperature drift values: ± 0.1 % of final value ⁄ °C
Linearity: < ± 1 % of final value
Housing: plastic, UV-resistant, material polyamide, 30 % glass-globe reinforced,
colour traffic white (similar to RAL 9016),housing cover for display is transparent!
Type 211x ⁄ 212x: with quick-locking screws
(slotted/Phillips head combination)
Type 212x – SD: with snap-on lid
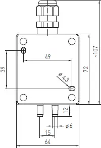
Housing dimensions: 72 x 64 x 37.8 mm (Tyr 1 / Tyr 01 without display)
72 x 64 x 43.3 mm (Tyr 1 / Tyr 01 with display)
Cable connection: cable gland, plastic (M 16 x 1.5; with strain relief, exchangeable, max. inner diameter 10.4 mm) or M12 connector according to DIN EN 61076-2-101 (optional on request)
Electrical connection: 0.14 – 1.5 mm², via terminal screws
Humidity: < 95 % r. H., non-precipitating air
Protection class: III (according to EN 60 730)
Protection type: Type 211x ⁄ 212x: IP 67 (according to EN 60 529)* Housing tested,
TÜV SÜD, Report No. 713139052 (Tyr 1)
Type 212x – SD: IP 54 (according to EN 60 529)* Housing tested,
TÜV SÜD, Report No. 713160960A (Tyr 01)
* Housing in the built-in state
Standards: CE conformity, electromagnetic compatibility according to EN 61 326, EMC directive 2014 ⁄ 30 ⁄ EU
Features: two-line display with illumination, cutout approx. 36 x 15 mm (W x H), to display ACTUAL pressure
ACCESSORIES see table
PREMASGARD® 212x – SD
Pressure, differential pressure and volume flow measuring transducers, Standard
(Pressure connectors on the bottom side)
| Pressure range (Ranges adjustable) | Type ⁄ WG01B (3-wire connection) | Output Display (switchable) | Display | Item No. (with snap-on lid) |
max. – 1000…+ 1000 Pa | IP 54 | |||
0… 100 Pa ⁄ – 100…+ 100 Pa 0… 300 Pa ⁄ – 300…+ 300 Pa 0… 500 Pa ⁄ – 500…+ 500 Pa 0… 1000 Pa ⁄ – 1000…+ 1000 Pa | PREMASGARD® 2121 – SD | 0 -10 V / 4…20 mA | 1301-11B7-0010-000 | |
| PREMASGARD 2121-SD | 0 -10 V / 4…20 mA | ■ | 301-11B7-2010-000 | |
| max. – 5000…+ 5000 Pa | PREMASGARD® 2125 – SD | IP 54 | ||
0…1000 Pa ⁄ – 1000…+ 1000 Pa 0…2000 Pa ⁄ – 2000…+ 2000 Pa 0…3000 Pa ⁄ – 3000…+ 3000 Pa 0…5000 Pa ⁄ – 5000…+ 5000 Pa | PREMASGARD 2125-SD | 0 -10 V / 4…20 mA | 1301-11B7-0050-000 | |
| PREMASGARD 2125-SD LCD | -10 V / 4…20 mA | ■ | 1301-11B7-2050-000 | |
| max. – 100…+ 100 Pa | PREMASGARD® 2120 – SD | IP 54 | ||
0… 50 Pa ⁄ – 50…+ 50 Pa 0… 100 Pa ⁄ – 100…+ 100 Pa | PREMASGARD 2120-SD | 0 -10 V / 4…20 mA | 1301-11B7-0110-000 | |
| PREMASGARD 2120-SD LCD | 0 -10 V / 4…20 mA | ■ | 1301-11B7-2110-000 |
PREMASGARD® 212x
Pressure, differential pressure and volume flow measuring transducers, Premium
(Pressure connectors on the bottom side)
| Pressure range (Ranges adjustable) | Type ⁄ WG01B (3-wire connection) | Output Display (switchable) | Display | Item No. (with snap-on lid) |
| max. – 1000…+ 1000 Pa | PREMASGARD® 2121 | IP 67 | ||
0… 100 Pa ⁄ – 100…+ 100 Pa 0… 300 Pa ⁄ – 300…+ 300 Pa 0… 500 Pa ⁄ – 500…+ 500 Pa 0… 1000 Pa ⁄ – 1000…+ 1000 Pa | PREMASGARD 2121 | 0 -10 V / 4…20 mA | 1301-11A7-0010-000 | |
| PREMASGARD 2121 LCD | 0 -10 V / 4…20 mA | ■ | 1301-11A7-2010-000 | |
| max. – 5000…+ 5000 Pa | PREMASGARD® 2125 | IP 67 | ||
0…1000 Pa ⁄ – 1000…+ 1000 Pa 0…2000 Pa ⁄ – 2000…+ 2000 Pa 0…3000 Pa ⁄ – 3000…+ 3000 Pa 0…5000 Pa ⁄ – 5000…+ 5000 Pa | PREMASGARD 2125 | 0 -10 V / 4…20 mA | 1301-11A7-0050-000 | |
| PREMASGARD 2125 LCD | 0 -10 V / 4…20 mA | ■ | 1301-11A7-2050-000 | |
| max. – 100…+ 100 Pa | PREMASGARD® 2120 | IP 67 | ||
| 0… 50 Pa ⁄ – 50…+ 50 Pa | PREMASGARD 2120 | 0 -10 V / 4…20 mA | 1301-11A7-0110-000 | |
| 0… 100 Pa ⁄ – 100…+ 100 Pa | PREMASGARD 2120 LCD | 0 -10 V / 4…20 mA | ■ | 1301-11A7-2110-000 |
PREMASGARD® 211x
Pressure, differential pressure and volume flow measuring transducers, Premium
(Pressure connectors on the top side)
| Pressure range (Ranges adjustable) | Type ⁄ WG01B (3-wire connection) | Output Display (switchable) | Display | Item No. (with snap-on lid) |
| max. – 1000…+ 1000 Pa | PREMASGARD® 2111 | IP 67 | ||
0… 100 Pa ⁄ – 100…+ 100 Pa 0… 300 Pa ⁄ – 300…+ 300 Pa 0… 500 Pa ⁄ – 500…+ 500 Pa 0… 1000 Pa ⁄ – 1000…+ 1000 Pa | PREMASGARD 2111 | 0 -10 V / 4…20 mA | 1301-1197-0010-000 | |
| PREMASGARD 2111 LCD | 0 -10 V / 4…20 mA | ■ | 1301-1197-2010-000 | |
| max. – 5000…+ 5000 Pa | PREMASGARD® 2115 | IP 67 | ||
0…1000 Pa ⁄ – 1000…+ 1000 Pa 0…2000 Pa ⁄ – 2000…+ 2000 Pa 0…3000 Pa ⁄ – 3000…+ 3000 Pa 0…5000 Pa ⁄ – 5000…+ 5000 Pa | PREMASGARD 2115 | 0 -10 V / 4…20 mA | 1301-1197-0050-000 | |
| PREMASGARD 2115 LCD | 0 -10 V / 4…20 mA | ■ | 1301-1197-2050-000 | |
| max. – 100…+ 100 Pa | PREMASGARD® 2110 | IP 67 | ||
0… 50 Pa ⁄ – 50…+ 50 Pa 0… 100 Pa ⁄ – 100…+ 100 Pa | PREMASGARD 2110 | 0 -10 V / 4…20 mA | 1301-1197-0110-000 | |
| PREMASGARD 2110 LCD | 0 -10 V / 4…20 mA | ■ | 1301-1197-2110-000 |
Multi-range switching: The pressure ranges depend on the device type and can be set via DIP switches.
Output: 0 -10 V or 4…20 mA (selectable via DIP switches)
Optional: Cable connection with M12 connector according to DIN EN 61076-2-101 (on request)
ACCESSORIES
| ACCESSORIES | Item No. | |
| ASD-06 | Connection set (included in the scope of delivery), consisting of 2 connection nipples (straight) made of ABS, 2 m PVC hose (soft, UV-resistant) and 4 screws | 7100-0060-3000-000 |
| ASD-07 | 2 connection nipples (at 90 degree angle) made of plastic, ABS | 7100-0060-7000-000 |
| DAL-01 | Pressure outlet for ceiling or in-wall installation (e.g. in clean rooms) | 7300-0060-3000-001 |
| WS-04 | Weather and sun protection hood, 130 x 180 x 135 mm, stainless steel V2A (1.4301) | 7100-0040-7000-000 |


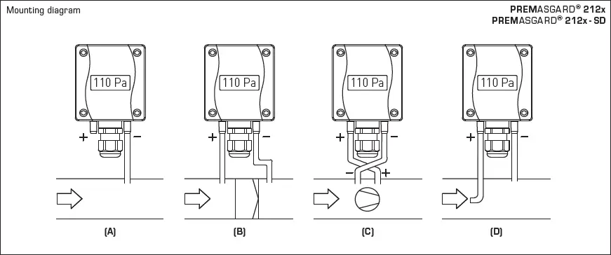
TYPES OF MONITORING:
Pressure connections at the pressure switch are marked with
P1 (+) for higher pressure and
P2 (–) for lower pressure.
(A) Below-atmospheric pressure
P1 (+) is not connected,
but open to the atmosphere
P2 (–) connected to inside of duct
(B) Filter
P1 (+) connected upstream of filter
P2 (–) connected downstream of filter
(C) Ventilator
P1 (+) connected downstream of ventilator
P2 (–) connected upstream of ventilator
(D) Volume flow
P1 (+) dynamic pressure,
connected in flow direction
P2 (–) static pressure, connected free of
dynamic pressure components
V = k · √Δ p
V = Volume flow
k = K factor
Δ p = Differential pressure [Pa]
PREMASGARD® 211x ⁄ 212x ⁄ 212x – SD
Schematic diagram
PREMASGARD® 211x
PREMASGARD® 212x
PREMASGARD® 212x – SD

Connecting diagram
PREMASGARD® 211x
PREMASGARD® 212x
PREMASGARD® 212x – SD

Conversion table for pressure values:
| Unit = | bar | mbar | mbar | kPa | mH2O |
| 1 Pa | 0.00001 bar | 0.01 mbar | 1 Pa | 0.001 kPa | 0.000101971 mH2O |
| 1 kPa | 0.01 bar | 10 mbar | 1000 Pa | 1 kPa | 0.101971 mH2O |
| 1 bar | 1 bar | 1000 mbar | 100000 Pa | 100 kPa | 10.1971 mH2O |
| 1 mbar | 0.001 bar | 1 mbar | 100 Pa | 0.1 kPa | 0.0101971 mH2O |
| 1 mH2O | 0.0980665 bar | 98.0665 mbar | 9806.65 Pa | 9.80665 kPa | 1 mH2O |
DIP switches for pressure range setting, output attenuation and zero compensation:
Pressure range (selectable) – max. measuring range (default) is depending to the type of device | DIP 1 | DIP 2 | |||||
0…50 Pa | 0…100 Pa | 0…1000 Pa | –50…+50 Pa | –100…+100 Pa | –1000…+1000 Pa | OFF | OFF |
– | 0…300 Pa | 0…2000 Pa | – | –300…+300 Pa | –2000…+2000 Pa | O N | OFF |
– | 0…500 Pa | 0…3000 Pa | – | –500…+500 Pa | –3000…+3000 Pa | OFF | O N |
0…100 Pa | 0…1000 Pa | 0…5000 Pa | –100…+100 Pa | –1000…+1000 Pa | –5000…+5000 Pa | O N | O N |
Output characteristic line | DIP 4 |
Linear (default) (for pressure detection) | OFF |
Square root extracting (to determine the volume flow) | O N |
Measuring range mode (Mode selectable) | DIP 3 |
Unidirectional ( 0 …+MR ) (default) | OFF |
Bidirectional (–MR …+MR ) | O N |
Measurement signal filtering (Time interval selectable) | DIP 5 |
10 s (default) | OFF |
1 s | O N |
Output (selectable) | DIP 6 |
Voltage 0 -10 V (default) | OFF |
Current 4… 20 mA | O N |
PREMASGARD® 211x ⁄ 212x ⁄ 212x – SD | Configuration and zero point calibration
The following configurations can be preset via DIP switches.
The DIP switch sliding blocks can be moved without using tools. DIP switch 6 is not assigned.
Pressure ranges
In each case four different pressure ranges depending on the type of device can be preset via DIP switches DIP1 and DIP2.
Measuring range mode
The measuring range is configured via DIP switch DIP3, either into the unidirectional range or into the bidirectional range.
Therefore altogether eight pressure measuring ranges are configurable.
Characteristic line – analog output
The output characteristic line can be defined via DIP switch DIP4. Here is distinguished between a linear and a square root extracting output characteristic line. When square root extracting output characteristic line is selected, the measuring range setting at DIP switches DIP1
Offset adjustment is done at a potentiometer on the circuit board within an adjustment range of ± 10 % of the device’s pressure range.
Ex-factory this potentiometer is in center position and is lacquer sealed.
All settings and adjustments that are made before must be done in this configuration.
Offset adjustment is carried out using a tool called “screwdriver 2.5” (blade with in mm).
Measurement signal filtering
In order to stabilize the pressure measurement signal and the output voltage, the measurement signal is filtered.
The time interval for such averaging can be preset via DIP switch DIP 5 to 1 or 10 seconds.
By a longer filtering interval, the settling time of the sensor is automatically extended.
Offset adjustment is done at a potentiometer on the circuit board within
an adjustment range of ± 10 % of the device’s pressure range.
Ex-factory this potentiometer is in center position and is lacquer sealed.
All settings and adjustments that are made before must be done in this configuration.
Offset adjustment is carried out using a tool called “screwdriver 2.5” (blade with in mm).
Automatic offset setting
1. Before setting the zero point, the device must be in operation
for at least 60 minutes.
2. Connect pressure inputs P (+) and P (–) by means of a hose
(pressure difference between both inputs = 0 Pa).
3. For zero point setting press “key” (auto zero) pushbutton
uninterruptedly for 5 seconds.
A LED signalises prompting the calibration by short flashing,
and after a short countdown the measured (current) offset value is
added to the measurand and zero voltage safe stored.
Correct calibration is confirmed by steady light of the LED for
3 seconds respectively indicated in the display (optional) by switching from “AUTO 0” to “PROG 0”.
Note: By releasing the button during the countdown (counter > 0), zero point setting is immediately terminated!

Manual offset adjustment
At the potentiometer OFFSET ΔP can be balanced.
The adjustment range is ca. ± 10 % of the pressure range.
Here another reference point different from zero point can be used.
Readout in the display
In the 1st line of the display, the ACTUAL pressure up to the measuring range
limit is displayed.
Switching between the units Pa and hPa (100 Pa = 1 hP) happens automatically.
Pa = Pascal
hP = Hektopascal

U – variant
(Range: 0…+ xx Pa)
After successful zero point calibration, the output voltage is 0 V at 0 Pa pressure difference (with the offset knob in central position)!
Output voltage 0…10 V for pressure difference from 0 Pa to final value
I – variant
(Range: 0…+ xx Pa)
After successful zero point calibration, the output current
is 4 mA at 0 Pa pressure difference (with the offset knob
in central position)!
Output current 4…20 mA
for pressure difference from 0 Pa to final value

U – variant
(Range: – xx … + xx Pa)
After successful zero point calibration, the output voltage
is 5 V at 0 Pa pressure difference (with the offset knob in
central position)!
Output voltage 0…10 V
for pressure difference – ΔP … +ΔP

I – variant
(Range: – xx … + xx Pa)
After successful zero point calibration, the output current
is 12 mA at 0 Pa pressure difference (with the offset knob
in central position)!
Output current 4… 20 mA
for pressure difference – ΔP … +ΔP

General notes
This device can be mounted in any position. The voltage output is short-circuit proof. Applying overvoltage at the voltage output will destroy this device.
Pressure ranges are indicated on the device label. Applying measuring pressures beyond that range will cause mismeasurements and increased deviations
or may destroy the device.
– Attention! When leading in cables, make sure, they do not go under the board. This might buckle or damage hose connections!
– The voltage output is short-circuit proof. Applying overvoltage at the voltage output will destroy this device.
– Pressure inputs are “poled“ i.e. the above-atmospheric pressure line must be connected at input P+
and the below-atmospheric pressure line must be connected at input P–.
– At an adjusting element, the output signal can be offset by ± 10 % of the final value of the measuring range.
In this way, possible ageing or drift effects can be compensated.
– Adjustment may only be made at the presence of differential pressure (ca. 90 % of final value).
– By changing the offset at the adjusting element, factory-calibration is lost!
– If this device is operated beyond the specified range, all warranty claims are forfeited.
Our “General Terms and Conditions for Business“ together with the “General Conditions for the Supply of Products and Services of the Electrical and
Electronics Industry“ (ZVEI conditions) including supplementary clause “Extended Retention of Title“ apply as the exclusive terms and conditions.
In addition, the following points are to be observed:
– These instructions must be read before installation and putting in operation and all notes provided therein are to be regarded!
– A suitable weather and sun protection hood must be used when installed outdoors.
– Devices must only be connected to safety extra-low voltage and under dead-voltage condition. To avoid damages and errors at the device (e.g. by voltage
induction) shielded cables are to be used, laying parallel with current-carrying lines is to be avoided, and EMC directives are to be observed.
– This device shall only be used for its intended purpose. Respective safety regulations issued by the VDE, the states, their control authorities, the TÜV and the local energy supply company must be observed. The purchaser has to adhere to the building and safety regulations and has to prevent perils of any kind.
– No warranties or liabilities will be assumed for defects and damages arising from improper use of this device.
– Consequential damages caused by a fault in this device are excluded from warranty or liability.
– These devices must be installed and commissioned by authorized specialists.
– The technical data and connecting conditions of the mounting and operating instructions delivered together with the device are exclusively valid. Deviations from the catalogue representation are not explicitly mentioned and are possible in terms of technical progress and continuous improvement of our products.
– In case of any modifications made by the user, all warranty claims are forfeited.
– This device must not be installed close to heat sources (e.g. radiators) or be exposed to their heat flow.
Direct sun irradiation or heat irradiation by similar sources (powerful lamps, halogen spotlights) must absolutely be avoided.
– Operating this device close to other devices that do not comply with EMC directives may influence functionality.
– This device must not be used for monitoring applications, which serve the purpose of protecting persons against hazards or injury, or as an EMERGENCY STOP switch for systems or machinery, or for any other similar safety-relevant purposes.
– Dimensions of enclosures or enclosure accessories may show slight tolerances on the specifications provided in these instructions.
– Modifications of these records are not permitted.
– In case of a complaint, only complete devices returned in original packing will be accepted.
Notes on commissioning:
This device was calibrated, adjusted and tested under standardized conditions. When operating under deviating conditions, we recommend performing an
initial manual adjustment on-site during commissioning and subsequently at regular intervals.
Commissioning is mandatory and may only be performed by qualified personnel!
These instructions must be read before installation and commissioning and all notes provided therein are to be regarded!
SUPPLY VOLTAGE :
For operating voltage reverse polarity protection, a one-way rectifier or reverse polarity protection diode is integrated in this device variant.
This internal one-way rectifier also allows operating devices on AC supply voltage.
The output signal is to be tapped by a measuring instrument. Output voltage is measured her against zero potential (O V) of the input voltage!
When several devices are supplied by one 24 V AC voltage supply, it is to
be ensured that all ”positive“ operating voltage input terminals (+) of the
field devices are connected with each other and all ”negative“ operating
voltage input terminals (–) (= reference potential) are connected together
(in-phase connection of field devices). All outputs of field devices must be
referenced to the same potential!
In case of reversed polarity at one field device, a supply voltage short-circuit would be caused by that device. The consequential short-circuit current flowing through this field device may cause damage to it.
Therefore, pay attention to correct wiring!
Dimensional drawing
PREMASGARD® 212x – SD


without display
with display
© Copyright by S+S Regeltechnik GmbH
Subject to errors and technical changes. All statements and data herein represent our best knowledge at date of publication. They are only meant to inform about our products and their application potential, but do not imply any warranty as to certain product characteristics. Since the devices are used under a wide range of different conditions and loads beyond our control, their particular suitability must be verified by each customer and/or end user themselves. Existing property rights must be observed. We warrant the faultless quality of our products as stated in our General Terms and Conditions.
Accessoires
Dimensional drawing ASD – 06
Dimensional drawing ASD – 07

Dimensional drawing DAL – 01

Connection set ASD – 06

Connection nipple ASD – 07

Pressure outlet DAL -01

WS-04
Weather and sun protection (optional)


















