Mercoid Series PBLTX Submersible Level Transducer

Specifications – Installation and Operating Instructions

The Series PBLTX Submersible Level Transducer is manufactured for years of trouble-free service in the harshest applications. The PBLTX measures the height of liquid above its position in the tank referenced to atmospheric pressure. The transducer consists of a piezoresistive sensing element, encased in a 316 SS housing. Perfect for wastewater and slurry applications with features to protect the unit from these demanding applications. The large diameter 316 SS diaphragm seal is non-clogging and damage resistant to floating solids. Comes equipped with a 270-pound tensile strength, shielded, vented cable. The ventilation tube in the cable automatically compensates for changes in atmospheric pressure above the tank. The vent is protected with a maintenance-free filter eliminating particulate or water droplets from entering the transducer.
Intrinsic Safety Approval Classification
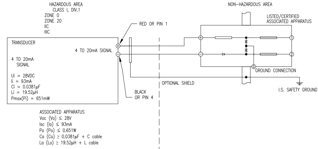
The PBLTX is UL listed for use in Hazardous (Classified) Locations. The protection method is by Intrinsic Safety, “ia”. It was investigated by UL under UL Standard 913 8th Edition, CAN/CSA C22.2 No. 60079-0:15 and CAN/CSA C22.2 No. 60079-11:14.
Hazardous (Classified) Location Intrinsically Safe For:
- Class I, Div. 1, Groups A, B, C, D; Class II, Groups E, F, G; Class III
- Class I Zone 0 AEx ia IIC T4 Ga
- Zone 20 AEx ia IIIC T135°C Da
- Ex ia IIC T4 Ga
- Ex ia IIIC T135°C Da
- Ta = -20°C to 80°C (ETFE Cable)
- Ta = -20°C to 65°C (Polyurethane Cable)
Install in accordance with Control Drawing 001833-44. See Control Drawing 001833-44 for Entity Parameters.
- ATEX Certified for: II 1 G Ex ia IIC T4 Ga / II 1 D Ex ia IIIC T135°C Da (-20°C ≤ Tamb ≤ 80°C ETFE cable) (-20°C ≤ Tamb ≤ 65°C Polyurethane cable)
- ATEX EU-Type Certificate: DEMKO 18 ATEX 2080
- ATEX Standards: EN IEC 60079-0, EN 60079-11
- IECEx Certified for: Ex ia IIC T4 Ga / Ex ia IIIC T135°C Da (-20°C ≤ Tamb ≤ 80°C ETFE cable) (-20°C ≤ Tamb ≤ 65°C Polyurethane cable)
- IECEx Certificate of Conformity: IECEx UL 18.0086
- IECEx Standards: IEC 60079-0, IEC 60079-11
- UKCA Ex Certified for: II 1 G Ex ia IIC T4 Ga / II 1 D Ex ia IIIC T135°C Da (-20°C ≤ Tamb ≤ 80°C ETFE cable) (-20°C ≤ Tamb ≤ 65°C Polyurethane cable)
- UKCA Ex Certificate: UL21UKEX2364
- UKCA Ex Standards: EN IEC 60079-0, EN 60079-11
Install in accordance with Control Drawing 001833-47.See Control Drawing 001833-47 for Entity Parameters
SPECIFICATIONS
- Service: Compatible liquids.
- Wetted Materials: Body: 316 SS, 316L SS; Cable: Polyether polyurethane or ETFE; Seals: Fluoroelastomer.
- Accuracy: ±0.25% FS.
- Temperature Limit: ETFE cable equipped -4 to 176°F (-20 to 80°C); Polyurethane cable equipped -4 to 149°F (-20 to 65°C).
- Compensated Temperature Range: -4 to 176°F (-20 to 80°C).
- Thermal Effect: Less than ±.02%/ FS/°F.
- Pressure Limit: 2X FS.
- Power Requirement: 10-28 VDC.
- Output Signal: 4-20 mA DC, 2-wire.
- Response Time: 50 msec.
- Max. Loop Resistance: 900 Ω.
- Electrical Connection: Wire pigtail.
- Mounting Orientation: Suspended in tank below level being measured. Can be placed on the bottom of the tank on its side.
- Weight: 3.8 lb (1.7 kg) to 4.3 lb (2.0 kg).
- Compliance: CE, UKCA, See Intrinsic Safety Approval Classification.
Note: References to ATEX apply to UKCA Ex.
CAUTION: Do not exceed specified supply voltage ratings. Permanent damage not covered by warranty will result. This device is not designed for 120 or 240 VAC operation. Use only on 10-28 VDC.
INSTALLATION
- Location: Select a location where the temperature of the transducer will be between -4 and 176°F (-20 to 80°C) for ETFE cable or -4 and 149°F (-20 to 65°C) for polyurethane cable. Distance from the receiver is limited only by total loop resistance.
- Position: The transducer is not position-sensitive. However, all standard models are originally calibrated with the unit in a position with the diaphragm downward. Although they can be used at other angles, for best accuracy it is recommended that units be installed in the position calibrated at the factory.
- Mounting: The transducer can be mounted via several methods. It can be suspended from the electrical cable, it can be placed resting on the bottom of the tank in either horizontal or vertical orientation, or it can be attached to a pipe or hang wire by the 1/2˝ NPT male connection on the top of the housing.
- Wire Length: The maximum length of wire connecting the transducer and receiver is a function of wire size and receiver resistance. Wiring should not contribute more than 10% of the receiver resistance to total loop resistance. For extremely long runs (over 1000 feet), choose receivers with higher resistance to minimize the size and cost of connecting leads. Where wiring length is under 100 feet, wire as small as 22 AWG can be used.
- Wiring: An external power supply delivering 10-28 VDC with a minimum current capability of 40 mA DC (per transducer) is required to power the control loop. See Figure A for the connection of the power supply, transducer and receiver. The range of appropriate receiver load resistance (RL) for the DC power supply voltage available is expressed by the formula:
Shielded cable is recommended for control loop wiring.

Black wire is negative [-] and red wire is positive [+] in Figure B.

MAINTENANCE
After final installation of the pressure transducer and its companion receiver, no routine maintenance is required. A periodic check of system calibration is suggested. The Series PBLTX transducers are not field repairable and should be returned if repair is needed (field repair should not be attempted and may void warranty). Be sure to include a brief description of the problem plus any relevant application notes. Contact customer service to receive a return goods authorization number before shipping.
HAZARDOUS
NOTES:
- SELECTED ASSOCIATED APPARATUS MUST BE THIRD PARTY LISTED AS PROVIDING INTRINSICALLY SAFE CIRCUITS FOR THE APPLICATION, AND NOT EXCEED THE ENTITY PARAMETERS LISTED IN THIS DRAWING.
- ASSOCIATED APPARATUS OUTPUT CURRENT MUST BE LIMITED BY A RESISTOR SUCH THAT THE OUTPUT VOLTAGE-CURRENT PLOT IS A STRAIGHT LINE DRAWN BETWEEN OPEN-CIRCUIT VOLTAGE AND SHORT-CIRCUIT CURRENT.
- CAPACITANCE AND INDUCTANCE OF THE FIELD WIRING FROM THE INTRINSICALLY SAFE TRANSDUCER TO THE ASSOCIATED APPARATUS SHALL BE CALCULATED AND MUST BE INCLUDED IN THE SYSTEM CALCUATIONS AS SHOWN IN THIS DRAWING.
- TRANSDUCERS MUST BE INSTALLED TO THE MANUFACTURER’S CONTROL DRAWING AND ARTICLE 504 OF THE NATIONAL ELECTRICAL CODE (ANSI/NFPA 70) FOR INSTALLATION IN THE UNITED STATES OR SECTION 18 OF THE CANADIAN ELECTRICAL CODE (CSA C22.1) FOR INSTALLATION IN CANADA OR OTHER LOCAL INSTALLATION CODES, AS APPLICABLE.
- THE ASSOCIATED APPARATUS MANUFACTURER’s INSTALLATION INSTRUCTIONS MUST BE FOLLOWED WHEN INSTALLING THE EQUIPMENI.
- NO REVISIONS TO THIS DRAWING WITHOUT PRIOR APPROVAL BY UL.


HAZARDOUS (CLASSIFIED) LOCATION INTRINSICALLY SAFE FOR:
- CLASS I DV.1 GROUPS A,B,C,D
- CLASS II DV.1 GROUPS E,F,G
- CLASS II DIV.1
- CLASS I ZONE O AEx ia lIC T4 Ga
- ZONE 20 AEx ia lIC T135’C Da
- Ex ia lIC T4 Ga
- Ex ia lIC T135’C Da
- To=-20C TO 80’C
NOTES:
- SELECTED ASSOCIATED APPARATUS MUST BE THIRD PARTY LISTED AS PROVIDING INTRINSICALLY SAFE CIRCUITS FOR THE APPLICATION,
AND NOT EXCEED THE ENTITY PARAMETERS LISTED ON THIS DRAWING. - CAPACITANCE AND INDUCTANCE OF THE FIELD WIRING FROM THE INTRINSICALLY SAFE TRANSDUCER TO THE ASSOCIATED APPARATUS
SHALL BE CALCULATED AND MUST INCLUDE THE SYSTEM CALCULATIONS AS SHOWN WITHIN THIS DRAWING. TOTAL CAPACITANCE IS
CALCULATED BY ADDING BOTH (CPBLTX CABLE) AND (CcABLE) TO Ci, WHERE (CPBLDX CABLE) IS THE CAPACITANCE OF FACTORY WIRING
PROVIDED WITH THE PBLIX AND (CcABLE) IS CAPACITANCE OF ANY ADDITIONAL END USER CABLE THAT IS WIRED TO THE PBLTX. TOTAL
NDUCIANCE s CALCULATED BY ADDING BOTH (eeLTx CABLE) AND (LcABLE) I0 Li, WHERE (LpBLTx CABLE)S IHE INDUCTANCE OF FACTORY
WIRING PROVIDED WITH THE PBLIX AND (LeaBLE) IS THE INDUCTANCE OF ANY ADDITIONAL END USER CABLE THAT IS WIRED TO THE
PUBLIX. WHEN PROVIDED WITH POLYURETHANE CABLE, THE CAPACITANCE (CPBLTN CABLE) IS 96 pF/FT (315pF/M), AND INDUCTANCE
(LPBLTX CABLE) IS 346nH/FT (1.135pF/M). WHEN PROVIDED WITH ETFE CABLE, THE CAPACITANCE (CPBLTX CABLE 162pF/FT (532 pF/M)
AND INDUCTANCE (lPBLTx CABLE) IS 540 NH/FT (1.116uH/M). WHERE CABLE CAPACITANCE AND INDUCTANCE PER UNIT LENGTH ARE NOT
KNOWN, THE CAPACITANCE OF 60pF/FT (200pF/M) AND INDUCTANCE OF 0.24uH/FT (1.0 pH/M) MAY BE USED. PLEASE NOTE THAT
THE PBLTX CABLE LENGTH IS SPECIFIED WITHIN THE NOMENCLATURE, SEE ITEM “ccc FOR LENGTH AND ITEM ” FOR UNIT OF LENGTH THIS LENGTH WILL NEED TO BE MULTIPLIED BY THE CORRECT PARAMETER (CpBLTX CABLE) AND (LPBLD CABLE) SPECIFIED ABOVE, BASED ON THE CABLE PROVIDED, SEE NOMENCLATURE ITEM “e FOR THE DEVICE’S CABLE TYPE. - THE ASSOCIATED APPARATUS MANUFACTURER’S INSTALLATION INSTRUCTIONS MUST BE FOLLOWED WHEN INSTALLING THE EQUIPMENT.
- WARNING ALL FIELD WIRING SHALL BE SUITABLE FOR AN AMBIENT TEMPERATURE RANGE OF -20 TO 80’C.
- THE CABLE USED IN THIS DEVICE HAS A VENT TUBE. THEREFORE THE CABLE ATTACHED TO THE PBLTX SHALL BE TERMINATED IN THE HAZARDOUS AREA.
- NO REVISIONS TO THIS DRAWING WITHOUT PRIOR APPROVAL BY UL/DEMKO.
- THE TRANSDUCER MUST BE INSTALLED IN ACCORDANCE WITH IEC/EN 60079-14 OR ANY LOCAL INSTALLATION CODES/REQUIREMENTS.





















