Dimplex PLF3614-XS Multi Fire Slim Built In Linear Electric Fireplace Insert

Product Information
The Dimplex fireplace is an electric fireplace available in four models: PLF3614-XS, PLF4214-XS, PLF5014-XS, and PLF6014-XS. The fireplace is designed to provide warmth and ambiance to your living space. The product comes with an Installation and User’s Guide that contains important safety information, technical specifications, and installation instructions. The fireplace is manufactured by Dimplex, a company that offers a full line of heating and cooling products. For more information on Dimplex products, visit www.dimplex.com.
Product Usage Instructions
- Before starting the installation, carefully read and save the instructions provided in the Installation and User’s Guide.
- Record your model and serial numbers for future reference. The model and serial numbers can be found on the label located behind the front glass of your fireplace and on the back of the Installation and User’s Guide.
- Comply with the warnings and safety instructions contained in the manual to prevent personal injury or property damage.
- If you have questions regarding the operation of this product or if you require service, contact Dimplex at www.dimplex.com/customer_support or toll-free at 1-888-346-7539. Please have your model number and product serial number ready.
- The Dimplex fireplace is an electric fireplace that provides warmth and ambiance to your living space.
We value your feedback!
Your input helps to create even better products and experiences. Share the warmth and leave a review. dimplex.com/sharethewarmth.
IMPORTANT SAFETY INFORMATION:
Read this manual first before attempting to install or use this electric fireplace. Always comply with the warnings and safety instructions contained in this manual to prevent personal injury or property damage. To view the full line of Dimplex products, visit www.dimplex.com.
Conventions used in this manual:
- NOTE: Procedures and techniques considered important enough to emphasize.
- CAUTION: Procedures and techniques which, if not carefully followed, will result in damage to the equipment.
- WARNING: Procedures, precautions and techniques which, if not carefully followed, will expose the user to the risk of fire, serious injury, or death.
Welcome
Thank you and congratulations for choosing to purchase a Dimplex fireplace. Please carefully read and save these instructions.
CAUTION:
Read all instructions and warnings carefully before starting installation. Failure to follow these instructions may result in a possible electric shock, fire hazard and will void the warranty.
Please record your model and serial numbers for future reference. Model and serial numbers can be found on the label located on the label behind the front glass of your fireplace and on the back of the Installation and User’s Guide provided with your fireplace.
- Model
- MOD
- Serial Number

NO NEED TO RETURN TO THE STORE
If you have questions regarding the operation of this product or if you require service, before returning this product to place of purchase,
Contact us at: www.dimplex.com/customer_support.
For Troubleshooting and Technical Support
OR Toll-Free 1-888-346-7539
Please have your model number and product serial number ready.
IMPORTANT INSTRUCTIONS
When using any electrical appliance, basic precautions should always be followed to reduce the risk of fire, electric shock, and injury to persons. These precautions include:
- Read all instructions before using this electric fireplace.
DANGER: High temperatures may be generated under certain abnormal conditions. Do not partially or fully cover or obstruct the front of the fireplace. - This fireplace is hot when in use. To avoid burns, do not let bare skin touch hot surfaces. The trim around the heater outlet becomes hot during heater operation. Keep combustible materials, such as furniture, pillows, bedding, papers, clothes, and curtains at least 3 feet (0.9 m) from the front of the fireplace.
- Extreme caution is necessary when the fireplace is used by or near children or people with disabilities and whenever the fireplace is left operating and unattended.
- Always turn off the fireplace when it is not in use.
- Do not operate the fireplace after it malfunctions, has been dropped, or damaged in any manner. Disconnect power at the service panel and have the fireplace inspected by a reputable electrician before using.
- Do not use this fireplace outdoors.
- Never locate the fireplace where it may fall into a bathtub or other water container.
- Do not insert or allow foreign objects to enter any ventilation or exhaust opening as this may cause an electric shock, fire, or damage to the fireplace.
- To prevent a possible fire, do not block air intakes or exhaust in any manner.
- To disconnect the heater, turn the unit off with the controls and turn off the power to the heater circuit at the main disconnect panel.
- All electrical heaters have hot and arcing or sparking parts inside. Do not use it in areas where gasoline, paint, or flammable liquids are used or stored.
- Do not modify this fireplace. Use it only as described in this manual. Any other use may cause fire, electric shock, or injury to persons.
- Do not burn wood or other materials in this fireplace.
- Disconnect all power coming to the fireplace at the main service panel before performing any cleaning or maintenance.
- When transporting or storing the fireplace, keep it in a dry place, free from excessive vibration, and store to avoid damage.
- Always use ground fault protection where required by electrical code.
- Changes or modifications not expressly approved by the party responsible for compliance could void user’s authority to operate the equipment.
SAVE THESE INSTRUCTIONS
CAUTION
RISK OF ELECTRIC SHOCK DO NOT OPEN NO USER-SERVICEABLE PARTS INSIDE.
FCC Compliance
CAUTION:
This unit has been tested and found to comply with the limits for Class B digital device, pursuant to part 15 of the FCC Rules. These limits are designed to provide reasonable protection against harmful interference in a residential installation. This unit generates, uses and can radiate radio frequency energy and, if not installed and used in accordance with the instructions, may cause harmful interference to radio or television reception, which can be determined by turning the unit OFF and ON, the user is encouraged to try to correct the interference by one or more of the following measures:
- Reorient or relocate the receiving antenna.
- Increase the separation between the unit and the receiver.
- Connect the unit into an outlet on a circuit different from that to which the receiver is connected.
- Consult the dealer or an experienced radio/TV technician for help.
This unit complies with Part 15 of the FCC Rules. Operation is subject to the following two conditions: (1) This unit may not cause harmful interference, and (2) this unit must accept any interference received, including interference that may cause undesired operation.
FCC CAUTION:
Any changes or modifications not expressly approved by the party responsible for compliance could void the user’s authority to operate this equipment.
WARNING:
This product can expose you to chemicals including nickel which is known to the State of California to cause cancer. For more information, visit www.P65Warnings.ca.gov.
Technical Specifications
Electrical Rating
- Voltage: 120 V
- Power: 1500 W
UL Listing
- File Number: E71416
| Model Reference | |
| PLF3614-XS | 6910470100 |
| PLF4214-XS | 6910470200 |
| PLF5014-XS | 6910470300 |
| PLF6014-XS | 6910470400 |
Product Dimensions

Package Contents


Installation
Placement
This fireplace can be fully recessed into a wall with 2×4 framing or mounted on the wall.
- NOTE: It is recommended that the bottom of the unit be mounted between 20″ (51 cm) and 40″ (102 cm) from the ground to maintain an optimized viewing angle of the flame.
- WARNING: The top of the fireplace must be installed a minimum of 24″ (61 cm) from the ceiling. The fireplace must be installed a minimum of 5″ (13 cm) from the ground
Installation in a Bathroom
If this unit is installed in a bathroom it must be protected by a GFCI receptacle or circuit. If a receptacle is used it must be readily accessible. This electrical appliance is NOT watertight. To prevent electric shock, it must be installed as to prevent water from entering the unit, or installed away from showers, tubs, etc. Never locate fireplace where it may fall into a bathtub or other water container.
Wi-Fi
For installations where the use of the Flame Connect app is desired, ensure the fireplace is located within range of a Wi-Fi network. For up to date information about the app, please visit www.dimplex.com/fcapp.
Installation Recommendations for Overhanging Objects
For overhanging temperature-sensitive objects, such as a television, a mantel, or artwork, always follow the recommendations provided by its manufacturer for installation over a heater.
NOTE:
Using normal heat mode, surfaces 7” (18 cm) above the fireplace will not exceed 40° C, as long as installation procedures are followed and heater inlet and outlet are not obstructed.
Recessed Installation
- Remove the side cover panels from the fireplace by removing the 5 screws on each of the cover panels (4 on the back of the fireplace, 1 on the bottom). (Figure 2)
- If a trimless installation is desired, remove pre-installed trim by removing the screws (number of screws will vary by model). (Figure 3)
NOTE: The pre-installed trim helps conceal imperfections in the drywall edges against the fireplace and gives the fireplace a finished appearance. - Prepare a framed opening, following the dimensions in the table below. (Figure 4)

Framing DimensionsModel
Width Height Depth* (mininum) A B C PLF3614-XS 37″ 940 mm PLF4214-XS 43″ 1092 mm
19 1/8″
486 mm
4″ 102 mm
* Includes 1/2″ drywall
PLF5014-XS 51″ 1295 mm
PLF6014-XS 61″ 1549 mm
CAUTION: This fireplace is NOT load-bearing. Ensure the opening for the fireplace is framed in such a way that the weight of the building materials will not create pressure on the top of the fireplace.
NOTE: Wiring is performed at the bottom right-back corner of the firebox. (Figure 5) Plan the framing to allow routing the power cable to this location. - Install and finish drywall as desired.
- Remove the 3 screws that secure the electrical cover to complete the wiring. (Figure 5)
- Complete the wiring according to instructions in the Electrical Installation section (pp. 12-13). Reinstall the electrical cover after wiring is complete.
- Lift the firebox into the opening in the framing.
- Level the firebox. A bubble level is included in the hardware kit provided.

- Drive 4 screws through the mounting holes located on the inside sides of the firebox into the surrounding frame. (Figure 6)
CAUTION: Ensure the air intake and heater exhaust are not obstructed in installation. These are located behind the front grill. - Follow the instructions for installing the mirrored glass, media bed, and front glass (pp. 14-15).

Wall-mounted Installation
- If using the optional power cord accessory (PLFXSPLUG, sold separately), install it following the instructions in the wiring section (p.13).
- Remove the 3 screws that secure the electrical cover to complete the wiring. (Figure 5)
- Complete the wiring according to instructions in the Electrical Installation section (pp. 12-13). Reinstall the electrical cover after the wiring is complete.
- Position the mounting bracket in the desired location on the wall and ensure that it is level using the provided bubble level.
- Use 2 of the provided mounting screws to attach the mounting bracket to the wall. The mounting screws must be inserted into wall studs.
- Lift the fireplace onto the mounting bracket. (Figure 8) The flanges from the mounting bracket should be inserted into the slots on the back of the fireplace. (Figure 9)
- Follow the instructions for installing the mirrored glass, media bed, and front glass (pp. 14-15).



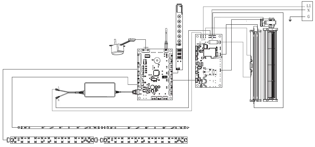
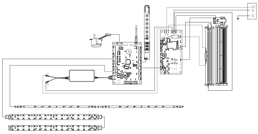
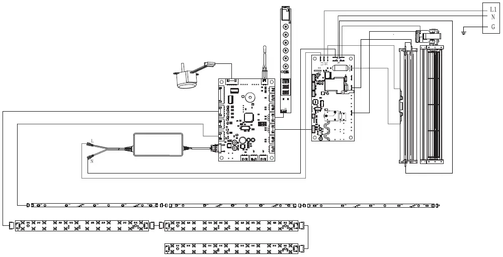
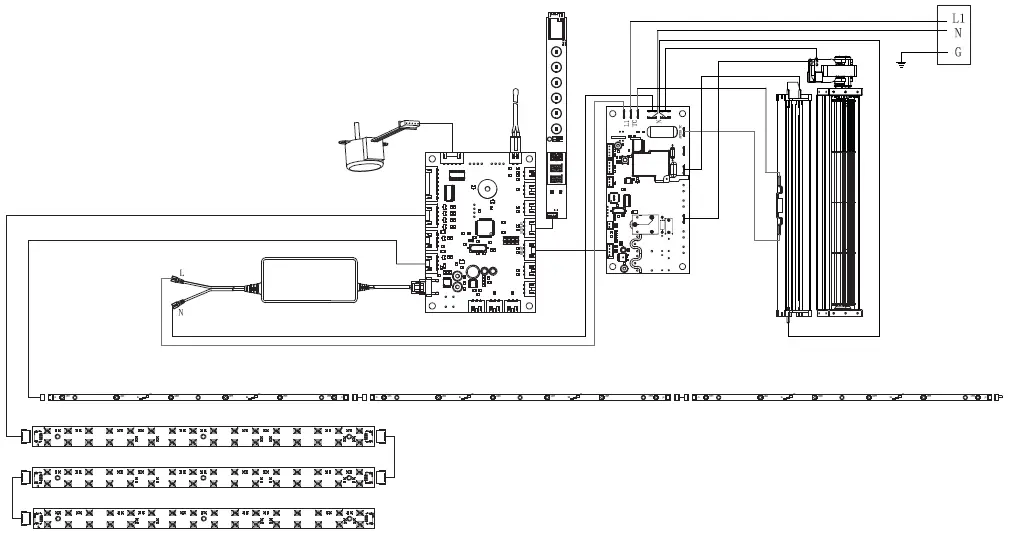
Electrical Installation
- WARNING: The installation of the electric fireplace must comply with the applicable Local and/or National Electrical Codes and utility requirements.
- CAUTION: A dedicated, properly fused 15 Amp circuit is recommended, rated for 120 V. A dedicated circuit will be required if, after installation, the circuit breaker trips or fuse blows on a regular basis when the heater is operating. Additional appliances on the same circuit may exceed the current rating of the circuit breaker.
- NOTE: If required, the service cable can be secured through the electrical cover using a 1/2” (1.3 cm) approved strain relief connector.
120 V Hardwire Installation (Figure 10)
WARNING:
Use the appropriate wire to meet local and national electrical codes for rated power consumption.
- Connect the black L wire from the unit to the live wire from the power supply with a wire connector.
- Connect the white N wire from the unit to the neutral wire from the power supply with a wire connector.
- Connect the green G wire from the unit to the ground wire from the power supply with a wire connector or attach the grounding wire to the cover with the provided grounding screw, by placing the wire between screw and lock washer and tighten.
- Ensure all wire connections are tight.

120V Installation – Wall Switch (Figure 11)
NOTE:
Use a single pole, single throw (On/Off) wall switch that is rated for a minimum of 15 amps.
WARNING:
Use the appropriate wire to meet local and national electrical codes for rated power consumption.
- Connect the black L wire from the unit to the live wire from the main power through the wall switch, ensuring all live connections are connected with a wire connector.
- Connect the white N wire from the unit to the neutral wire from the power supply with a wire connector.
- Connect the green G wire from the unit to the ground wire from the power supply with a wire connector or attach the grounding wire to the cover with the provided grounding screw, by placing the wire between screw and lock washer and tighten.
- Ensure all wire connections are tight.

Optional Plug Kit (PLFXSPLUG, sold separately)
- Remove the 3 screws that hold the electrical cover plate. (Figure 5, p.10)
- Connect the black L wire from the unit to the black wire of the plug kit.
- Connect the white N wire from the fireplace to the white wire from the plug kit.
- Connect green G wire from the fireplace to the green wire from the plug kit.
- Ensure all wire connections are tight.
- Secure the power cord’s pre-installed cover plate using the screws removed when removing the electrical cover plate. The previously removed electrical cover plate can be disposed of.
WARNING: This heater is not intended for use with an extension cord. Plug the cord directly into an appropriate wall receptacle.
Heater Hardware Disconnect
The fireplace heater can be permanently disabled by removing the electronic jumper on the main control board.
NOTE:
Heater hardware disconnect will permanently disable the heater and fan. Follow these instructions only when an installation without heat is required. Temporary disabling of the heater can be achieved through the hidden touch controls. See “Heat Disable” in the Operation section (p. 17) for instructions.
To disconnect the heater and fan permanently:
- Locate the main control board. The heater hardware disconnects jumper location is labeled “Heater Disable”. (Figure 12).
- Pull out the heater hardware and disconnect jumper.

Mirrored Glass Installation
- Attach the provided suction cup to the reflective side of the mirrored glass. Ensure the suction cup is securely attached.
- Using the suction cup to assist, lift the mirrored glass and place it into the bottom crevice at an angle.
- Tilt the glass up into position. The mirror will remain at a slight angle by design. (Figure 13)
- Secure the mirror using the mirror retaining brackets and screws provided. (Figure 14)
CAUTION: Ensure the mirrored glass does not fall forward while the mirrored glass mounting brackets are being installed. - Remove the suction cup and clean any fingerprints or debris off the glass with a non-abrasive glass cleaner.
NOTE: Do not dispose of the suction cup! Keep it in a secure location, as it may be needed for maintenance and service on this fireplace.
Media Installation
- Position the media bed and secure it using the provided brackets and screws. (Figure 15)
- Disperse the provided acrylic crystals evenly across the media bed.


It is possible to use custom media ornaments to decorate your firebox. The custom media must fit easily without scratching the glass or bowing the media bed, and must not be composed of sand or liquid, which could interfere with the safety of the firebox.
Front Glass Installation
- Ensure there are no debris or fingerprints on the mirrored glass or on the back of the front glass before you begin.
- Secure the provided suction cup on the front glass, ensuring it cannot be pulled off.
- Lift the glass using the suction cup, and align the 4 mounting brackets on the front glass with the corresponding slots on the fireplace.
- Insert the mounting brackets into the slots and gently release the glass so that it may drop into its final position.
- Remove the suction cup and clean any fingerprints or debris off the front glass with a nonabrasive glass cleaner.

NOTE: Do not dispose of the suction cup! Keep it in a secure location, as it may be needed for maintenance and service on this fireplace.
Operation
General Operation
- WARNING: This electric firebox must be properly installed before it is used.
- NOTE: The element retains heat after shutdown. When the heat is turned Off, there is a 5-minute cool-down period before the fan shuts off completely.
- NOTE: The fireplace will retain the previously used settings after a power interruption.
Hidden Touch Controls
The hidden touch controls are located on the upper right of the fireplace. (Figure 18)
Remote Operation
The fireplace is supplied with a multi-function IR remote control. (Figure 19)
NOTE: To operate correctly, the remote control must be pointed toward the front of the unit.
App
The fireplace is capable of being controlled using the Flame Connect app for mobile devices. For up-to-date information about the app, please visit www.dimplex.com/fcapp.



Factory Reset
Press and hold
and at the same time for 3 seconds to reset all the settings to factory default. This action will also disconnect the unit from the Wi-F network if connected. This action must be performed on the hidden touch controls.
Resetting the Temperature Cutoff Switch
Should the heater overheat, a manual limit cut-out will turn the unit off and it will not come back on without being reset. If the
button on the unit is pressed, Err 1 will be displayed on the unit. It can be reset by turning the unit off at the main disconnect panel and waiting 30 minutes before turning the unit back on.
CAUTION:
If you need to continuously reset the heater, turn the unit off at the main disconnect panel and call technical support at: 1-888-346-7539.
Maintenance
Remote Control Battery Replacement
- Depress the tab and pull out to release the battery compartment on the bottom of the remote control.
- Correctly install one 3 Volt (CR2032 [longer life] or CR2025) battery in the battery compartment
- Insert the battery compartment.

Battery must be recycled or disposed of properly. Check with your Local Authority or Retailer for recycling advice in your area
WARNING:
Disconnect power and allow heater to cool before attempting any maintenance or cleaning to reduce the risk of fire, electric shock or damage to persons.
Partially Reflective Glass Cleaning
The partially reflective glass is cleaned in the factory during the assembly operation. During shipment, installation, handling, etc., the partially reflective glass may collect dust particles; these can be removed by dusting lightly with a clean dry cloth. To remove fingerprints or other marks, the partially reflective glass can be cleaned with a damp cloth. The partially reflective glass should be completely dried with a lint free cloth to prevent water spots. To prevent scratching, do not use abrasive cleaners.
Fireplace Surface Cleaning
Use only a damp cloth to clean painted surfaces of the fireplace. Do not use abrasive cleaners. The fireplace should not be operated with an accumulation of dust or dirt on or in the unit, as this can cause a build up of heat and eventual damage. For this reason the heater must be inspected regularly, depending upon conditions and at a minimum yearly intervals.
Servicing
Except for installation and cleaning described in this manual, an authorized service representative should perform any other servicing.
Troubleshooting
| Fireplace does not turn on with the manual touch controls | N/A | No incoming power | Ensure unit is wired correctly Check main disconnect panel Ensure wall switch is on (if applicable) |
| Fireplace does not turn on with the remote control | N/A | The batteries in the remote control are dead or installed incorrectly | Replace remote control battery Ensure battery is installed with + facing up. |
|
Heater does not turn on | — | Heater is disabled | Press and hold and at the same time on the hidden touch controls for 3 seconds to disable or enable the heat function. |
| H– | Heater has been permanently disabled | If installation with heat is desired, re-install shunt on main board if available or purchase new main board. | |
| Heater is on, but there is no heat | Normal operation — There is a 30-second delay before heater starts | No action required. | |
| Circuit breaker trips or fuse blows when unit is turned on | N/A | Improper circuit current rating | Install unit on a dedicated minimum 15 amp circuit. |
| Error Code is displayed | Err 1 | Temperature cutout is activated | Reset breaker and wait 30 minutes before turning unit back on it. If error persists, see Service Manual. |
| Err 2 | L1 voltage is too high | If error persists, consult an electrician. | |
| Err 3 | L1 voltage is too low | If error persists, consult an electrician. | |
| Err 4 | L1 current is too high | If error persists, consult an electrician. | |
| Err 7 | Fan is slow | See service manual. | |
| Err 8 | Element error | See service manual. | |
| Err 9 | Element not detected | See service manual. | |
| Err10 | Fan not detected | See service manual. | |
| Err11 | Fan error | See service manual. | |
| Err12 | Ambient temperature is above 45° C (113° F) | No action required. | |
| Err13 | Ambient temperature is below 45° C (113° F) | No action required. | |
| Err14 | Thermistor error | See service manual. | |
| Err15 | NTC has shorted | See service manual. | |
| Err16 | NTC not detected | See service manual. | |
| Err17 | Media bed LEDs defective | See service manual. | |
| Err18 | Overhead LEDs defective | See service manual. | |
| Err19 | Media bed LEDs not detected | See service manual. | |
| Err 20 | Overhead LEDs not detected | See service manual. | |
| Err 21 | Flame LEDs not detected | See service manual. | |
| Err 22 | Flicker motor not detected | See service manual. | |
| Err 23 | Relay board not detected | See service manual. | |
| Err 24 | Main control board not detected | See service manual. | |
| Err 25 | Display board not detected | See service manual. |
For more troubleshooting, consult the PLF-XS Service Manual which can be found at www.dimplex.com/customer_support/technical_and_troubleshooting.
Wiring Diagrams
PLF3614-XS

PLF4214-XS

PLF5014-XS

PLF6014-XS

Warranty
MULTI-FIRE® SL 2 YEAR LIMITED WARRANTY
Section 1 Products to which this Limited Warranty Applies
This Limited Warranty applies to your newly purchased Dimplex Electric Fireplace with Model Numbers PLF3614-XS, PLF4214-XS, PLF5014-XS, and PLF6014-XS.
This Limited Warranty applies only to purchases made in any province of Canada except for Yukon Territory, Nunavut, or Northwest Territories or in any of the 50 States of the USA and the District of Columbia except for Hawaii and Alaska. This Limited Warranty applies to the original purchaser of the product only and is not transferable.
Section 2 Products excluded from this Limited Warranty
Products purchased in Yukon Territory, Nunavut, Northwest Territories, Hawaii, or Alaska are not covered by this Limited Warranty. Products purchased in these States, Provinces, or Territories are sold AS IS without Warranty or condition of any kind including, without limitation, any implied warranties or conditions of merchantability or fitness for a particular purpose. The entire risk of as to the quality and performance of the products is with the purchaser. In the event of a defect the purchaser assumes the entire cost of all necessary servicing or repair.
Section 3 What this Limited Warranty Covers and for How Long
MULTI-FIRE® SL products PLF3614-XS, PLF4214-XS, PLF5014-XS, and PLF6014-XS excluding trims and accessory packages are covered by this Limited Warranty, have been tested and inspected prior to shipment and, subject to the provisions of this Warranty, Glen Dimplex Americas Ltd. (herein called Glen Dimplex Americas) warrants such products to be free from defects in material and workmanship for a period of 2 years from the date of the first purchase of such products. 2-year Limited Warranty entitles the purchaser to On-site or In-home Warranty Services. Accordingly, Glen Dimplex Americas will be responsible for all labor and transportation associated with repairing or replacing the product or part. Exceptions to this are outlined in Section 5. Some jurisdictions do not allow limitations on how long an implied warranty lasts, so the above limitation may not apply to the purchaser.
Section 4 What this Limited Warranty Does Not Cover
This Limited Warranty does not apply to products that have been repaired (except by Glen Dimplex Americas or its authorized service representatives) or otherwise altered. This Limited Warranty does further not apply to defects resulting from misuse, abuse, accident, neglect, incorrect installation, improper maintenance or handling, or operation with an incorrect power source.
Section 5 How to notify us of a Warranty Concern
Defects must be brought to the attention of Dimplex Customer Service online at dimplex.com/en/contact_us or by telephone at 1-888-346-7539. Please have proof of purchase, catalogue/model, and serial numbers available for representatives to assist. **Limited In-home Warranty Services require proof of purchase.
In the event a product or part covered by this Limited Warranty is proven to be defective in material or workmanship during (i) the 2-year Limited Warranty period for products outlined in Section 1, you have the following rights:
- Glen Dimplex Americas will in its sole discretion either repair or replace such defective product or part without charge. If Glen Dimplex Americas is unable to repair or replace such product or part, or if repair or replacement is not commercially practicable or cannot be timely made, Glen Dimplex Americas may, in lieu of repair or replacement, choose to refund the purchase price for such product or part.
- Limited Warranty service will be performed solely by dealers or service agents of Glen Dimplex Americas authorized to provide Limited Warranty services.
- This 2-year Limited Warranty entitles the purchaser to On-site or In-home Warranty services. Accordingly, Glen Dimplex Americas will be responsible for all labor and transportation associated with repairing or replacing the product or part except as follows: (i) charges which may be levied for travel costs incurred to travel to the purchaser’s site where the product is located if the purchaser’s site is beyond 30 miles (48 km) from the closest service depot of Glen Dimplex Americas dealer or service agent; and (ii) the purchaser is solely responsible for providing clear access to all serviceable parts of the product.
- Glen Dimplex Americas will not be responsible for, and this Limited Warranty shall not include, any expense incurred for installation or removal of the surrounds (mantels) or trims or any part thereof (or any replacement product or part) including, without limitation, all shipping costs and transportation costs to and from the authorized dealer’s or service agent’s place of business and all labor costs. Such costs shall be the purchaser’s sole responsibility.
Section 6 When Glen Dimplex Americas and its Dealers and Service Agents are not Liable
IN NO EVENT WILL GLEN DIMPLEX AMERICAS, OR ITS DIRECTORS, OFFICERS, OR AGENTS, BE LIABLE TO THE PURCHASER OR ANY THIRD PARTY. WHETHER
IN CONTRACT, IN TORT, OR ON ANY OTHER BASIS, FOR ANY INDIRECT, SPECIAL, PUNITIVE, EXEMPLARY, CONSEQUENTIAL, OR INCIDENTAL LOSS, COST, OR DAMAGE ARISING OUT OF OR IN CONNECTION WITH THE SALE, MAINTENANCE, USE, OR INABILITY TO USE THE PRODUCT, EVEN IF GLEN DIMPLEX AMERICAS OR ITS DIRECTORS, OFFICERS, OR AGENTS HAVE BEEN ADVISED OF THE POSSIBILITY OF SUCH LOSSES, COSTS OR DAMAGES, OR IF SUCH LOSSES, COSTS, OR DAMAGES ARE FORESEEABLE.
IN NO EVENT WILL GLEN DIMPLEX AMERICAS, OR ITS OFFICERS, DIRECTORS, OR AGENTS BE LIABLE FOR ANY DIRECT LOSSES, COSTS, OR DAMAGES THAT EXCEED THE PURCHASE PRICE OF THE PRODUCT. SOME JURISDICTIONS DO NOT ALLOW THE EXCLUSION OR LIMITATION OF INCIDENTAL OR CONSEQUENTIAL DAMAGES, SO THE ABOVE LIMITATION OR EXCLUSION MAY NOT APPLY TO THE PURCHASER.
How State and Provincial law(s) apply
This Limited Warranty gives you specific legal rights, and you may also have other rights which vary from jurisdiction to jurisdiction. The provisions of the United Nations Convention on Contracts for the Sale of Goods shall not apply to this Limited Warranty or the sale of products covered by this Limited Warranty.
We value your feedback!
Your input helps to create even better products and experiences. Share the warmth and leave a review. dimplex.com/sharethewarmth.
For more information on the Flame Connect app, visit dimplex.com/fcapp.
1-888-346-7539 | www.dimplex.com
In keeping with our policy of continuous product improvement, we reserve the right to make changes without notice.
© 2020 Glen Dimplex Americas.





























