best UP27 Series Range Hood Installation Guide

WARNING
TO REDUCE THE RISK OF FIRE, ELECTRIC SHOCK OR INJURY TO PERSONS, OBSERVE THE FOLLOWING:
- Use this unit only in the manner intended by the manufacturer. If you have questions, contact the manufacturer at the address or telephone number listed in the warranty.
- Before servicing or cleaning unit, switch power off at service panel and lock service disconnecting means to prevent power from being switched on accidentally. When the service disconnecting means cannot be locked, securely fasten a prominent warning device, such as a tag, to the service panel.
- Installation work and electrical wiring must be done by qualified personnel in accordance with all applicable codes and standards, including fire-rated construction codes and standards.
- Sufficient air is needed for proper combustion and exhausting of gases through the flue (chimney) of fuel burning equipment to prevent backdrafting. Follow the heating equipment manufacturer’s guidelines and safety standards such as those published by the National Fire Protection Association (NFPA) and the American Society for Heating, Refrigeration and Air Conditioning Engineers (ASHRAE) and the local code authorities.
- When cutting or drilling into wall or ceiling, do not damage electrical wiring and other hidden utilities.
- Ducted fans must always be vented to the outdoors.
- Do not use this unit with any additional solid-state speed control device.
- reduce the risk of fire, use only metal ductwork.
- This unit must be grounded.
- When applicable local regulations comprise more restrictive installation and/or certification requirements, the aforementioned requirements prevail on those of this document and the installer agrees to conform to these at his own expenses.
TO REDUCE THE RISK OF A RANGE TOP GREASE FIRE:
a) Never leave surface units unattended at high settings. Boilovers cause smoking and greasy spillovers that may ignite. Heat oils slowly on low or medium settings.
b) Always turn power pack ON when cooking at high heat or when flambeing food (i.e.: Crêpes Suzette, Cherries Jubilee, Peppercorn Beef Flambé).
c) Clean ventilating fans frequently. Grease should not be allowed to accumulate on fan, filters or in exhaust ducts.
d) Use proper pan size. Always use cookware appropriate for the size of the surface e
CAUTION
- For indoor use only.
- For general ventilating use only. Do not use to exhaust hazardous or explosive materials and vapors.
- To avoid motor bearing damage and noisy and/or unbalanced impellers, keep drywall spray, construction dust, etc. off power unit.
- Your power pack motor has a thermal overload which will automatically shut off the motor if it becomes overheated.
The motor will restart when it cools down. If the motor continues to shut off and restart, have the power pack serviced. - For best capture of cooking impurities, the bottom of the hood should be at a minimum of 24” and at a maximum of 36” above the cooking surface.
- Two installers are recommended because of the large size and weight of this unit.
- To reduce the risk of fire and to properly exhaust air, be sure to duct air outside — Do not exhaust air into spaces within walls or ceiling or into attics, crawl space or garage.
- This product is equipped with a thermostat which may start blower automatically. To reduce the risk of injury and to prevent power from being switched on accidentally, switch power off at service panel and lock or tag service panel.
- Because of the high exhausting capacity of this hood, you should make sure enough air is entering the house. Use an appropriate make-up air device or open a window close to or in the kitchen.
- To reduce the risk of fire and electric shock, the Best UP27 Series hood must be installed with Best interior blower models iQ6, P3 or P6; Best exterior blower models EB6, EB9, EB12 or EB15; Best inline blowers models ILB3, ILB6, ILB9, ILB11. Other blowers cannot be substituted. (Blowers sold separately.)
- Please read specification label on product for further information and requirements
– UP27 SERIES RANGE HOOD SYSTEMS – INTERIOR BLOWERS

MODEL iQ6, P3 OR P6
BLOWER/ROUGH-IN KIT
(600 cfm (except 300 cfm for P3) interior blower & rough-in plate)

1. BLOWER SELECTION AND INSTALLATION
This product requires the addition of either an interior or exterior blower or in-line blower. The Best UP27 Series must be installed with blower models iQ6, P3, P6, ILB3, ILB6, ILB9, ILB11, EB6, EB9, EB12 or EB15 only.
Other blowers cannot be substituted. (Blowers sold separately.)
Plan where and how the ductwork will be installed.
NOTE: There is no horizontal exhaust on UP27 Series range hood.
If installing in-line blower, refer to instructions packed with in-line blower and follow steps 1 to 5, 8, 10 to 12, 15 and up of this manual.
Install proper-sized ductwork, elbows and roof or wall cap for the type of blower you are installing. Use metal duct tape to seal duct joints.
NOTE: It is recommended that there be a minimum of 6” of straight duct from this hood to an elbow for 8” ducting and 12” for
10” ducting.
The minimum hood distance above cooktop must not be less than 24’’. A maximum of 36” above cooktop is highly recommended for best capture of cooking impurities. Distances over 36” are at the installer and users discretion.

MODEL iQ6, P3 OR P6 INTERIOR BLOWER TYPICAL DUCTWORK

MODEL EB6, EB9, EB12 OR EB15 EXTERIOR BLOWER TYPICAL DUCTWORK

MODEL ILB3, ILB6, ILB9 OR ILB11 IN-LINE BLOWER TYPICAL DUCTWORK
2. PREPARE THE INSTALLATION
NOTE: Before proceeding to the installation, check the contents of the box. If items are missing or damaged, contact the manufacturer.
Remove the installation kit from inside the hood.
Make sure that the following items are included:
– Installation manual
– Accessories including:
- 3 Hybrid baffle filters
- Shielded halogen lights (GU10 type base, 120 V, 50 W) (2 for hoods up to 36” width, 4 for hoods from 42” to 48” width)
- Bag of parts including:
4 no. 10-32 lock nuts, 1 electrical cable clamp, 8 no. 8 x 1/2” double thread screws, 2 wire connectors, 2 no. 6 x 1/2” standard screws, 6 no. 8 x 3/8” screws. Parts sold separately:
– Interior blower iQ6, P3 or P6 (all include rough-in kit and 8” round adapter/damper).
– In-line blower assembly ILB3, ILB6, ILB9 or ILB11 (all include transition(s) and rough-in plate)
– Exterior blower assembly EB6, EB9, EB12 or EB15 (all include rough-in plate)
– Duct, elbows, dampers, wall and roof caps. Refer to pages 3 and 4 for a complete list of venting options and model numbers
3. INSTALL BACKSPLASH (OPTIONAL)
Backsplash must be installed before the hood shell because the hood shell covers the backsplash top mounting screws. In order to be able to install the backsplash, make sure you have at least 18’’ clearance between bottom of hood and range control panel or cooktop. (See instructions packed with backsplash.)
4. REMOVE HYBRID BAFFLE FILTERS
Remove tape on baffle filters.
Remove baffle filters from hood by pushing them towards the front of hood and rotating downward .
Set aside filters.
NOTE: It is recommended to start with the center one.

5. REMOVE THE PAN
Using a Phillips no. 2 screwdriver, remove the screws retaining the pan (shaded part on illustration at right) to the hood. Remove the pan and set aside.
6. SELECT BLOWER OPTION (EXTERIOR OR INTERIOR)
INTERIOR BLOWER: Follow all subsequent steps of this manual.
EXTERIOR BLOWER: Refer to instructions packed with exterior blower and follow steps 8, 10 to 13, then 15 and up of the present manual.
7. PREPARE THE CABINET
For cabinets with recessed bottom, attach two wood filler strips cut to length (not included), on each side, as shown below. See table below for wood filler strips location.

Cut-out the openings for duct (A) and house wiring (120 VAC) (B) according to the blower option chosen. See figures below.

8. INSTALL THE ADAPTER/DAMPER TO ROUGH-IN PLATE (iQ6, P3 AND P6 BLOWERS, DUCTED INSTALLATION ONLY)
Attach 8” round adapter and damper to iQ6, P3 or P6 blower rough-in plate.
Use metal duct tape to make all joints secure and air-tight.

9. INSTALL THE ROUGH-IN PLATE TO THE HOOD (ALL BLOWERS)
Run power cable to installation location. Refer to the instructions included with the selected blower/rough-in kit (sold separately) for details on installing the rough-in plate. Attach blower plate to the studs at the inside, top of hood with 4 no. 10-32 nuts, provided. Install the rough-in plate so that the wiring box is located on the right side as you are facing the hood

10. CONNECT THE WIRING (ALL BLOWERS)
Remove wiring cover from rough-in plate and set aside.
Connect BLACK to BLACK, WHITE to WHITE and GREEN or bare wire under GREEN ground screw.
Reinstall wiring cover.
11. INSTALL THE HOOD
Place the hood at its location. Using a pen, mark the position of the screws (smaller part of the keyholes [A]). Remove the hood and install (4) 1/2” double thread screws at marked positions, leaving a 1/8” gap.
Place the hood under the cabinet and slide it in position. Make sure the adapter/damper enters the ducting and the damper opens freely (internal blower only), or ensure ducting connects to rough-in plate (exterior or in-line blower only). Secure the hood by tightening the screws completely. Install the last 1/2” double thread screws in the remaining holes (B).

12. INSTALL THE BLOWER (INTERIOR OR EXTERIOR BLOWER)
Refer to instructions included with blower.
Once the blower is installed, plug the power supply to the 3-prong male connector (A) and the blower unit into the 2-prong female receptacle (B) inside the hood.

The iQ6 blower is equipped with a calibration button already mounted to its own bracket. Install this bracket in the hood, using 2 screws provided with iQ6 interior blower.
See additional details in the iQ6 blower instructions included with the blower.

14. REINSTALL THE PAN
Insert the front of the pan inside the hood (), while its front rests on inner front of hood, start mounting the pan by the back retaining screws () (2 or 4 according to hood width), then, screw the front of the pan to the hood using remaining screws (previously removed in step 5).

15. REINSTALL HYBRID BAFFLE FILTERS
It is recommended to install side filters first and finish with center one.
- Insert the end with filter spring clip of hybrid baffle filter into the front channel of the hood.
- Raise the other end toward the inside of hood and insert in the grease drip rail of the hood.
Replacement filters are available from your dealer. See label inside hood for size and part number
\
16. LIGHT BULBS REPLACEMENT
This hood requires 120 V, 50 W, MR16 or PAR16 with GU10 base, shielded halogen lamps (included).
Do not touch lamps during or soon after operation. Burns may occur. In order to prevent the risk of personal injury, only install shielded halogen lamps. Also, never install a cool beam, a dichroïc lamp, a lamp not suitable for use in recessed luminaires or identified for use in enclosed fixtures
- To remove lamps, gently push upwards and turn counterclockwise to disengage bulb leads from their grooves.
- Install the new lamps by placing the bulb leads into their grooves in the socket.
- Gently push upwards and turn clockwise until secure.
NOTE: To ease removal of the bulbs, use a rubber dishwashing glove or use suction cup tool available from Best. Contact Best Technical Support at 1-800-558-1711 to order suction cup tool, part no. 99526707.

17. USE AND CARE
Hybrid Baffle Filters
The hybrid baffle filters should be cleaned frequently. Use a warm detergent solution. Wash more often if your cooking style generates greater grease—like frying foods or wok cooking.
Remove hybrid baffle filters by pushing them towards the front of hood and rotating filters downward. Baffle filters are dishwasher safe. Allow filters to dry completely before reinstalling them in the hood.
Clean all-metal filters in the dishwasher using a non-phosphate detergent. Discoloration of the filter may occur if using phosphate detergent or as a result of local water conditions — but this will not affect filter performance. This discoloration is not covered by the warranty.
CAUTION
Never attempt to wash the carbon filters in the non-duct kit. Those filters must be replaced by new ones. Refer to the non-duct kit installation instructions for details.
Grease Drip Rail
The grease drip rail should be cleaned frequently. Lift it out from the hood and use a warm detergent solution. Wash more often if your cooking style generates greater grease—like frying foods or wok cooking. Allow grease drip rail to dry completely before reinstalling it in the hood.
Blower Cleaning
Interior blower
Remove the filters in order to access the blower. Vacuum blower to clean. Do not immerse in water. xterior or in-line blower
Refer to blower instruction manual for more details.
Hood cleaning
Stainless steel cleaning:
Do:
- Regularly wash with clean cloth or rag soaked with warm water and mild soap or liquid dish
- Always clean in the direction of original polish
- Always rinse well with clear water (2 or 3 times) after Wipe dry completely.
- You may also use a specialized household stainless steel
Don’t:
- Use any steel or stainless steel wool or any other scrapers to remove stubborn dirt.
- Use any harsh or abrasive cleansers.
- Allow dirt to accumulate.
- Let plaster dust or any other construction residues reach the power pack. During construction/renovation, cover the power pack to make sure no dust sticks to stainless steel surface.
Avoid when choosing a detergent:
- Any cleaners that contain bleach will attack stainless steel.
- Any products containing: chloride, fluoride, iodide, bromide will deteriorate surfaces rapidly.
- Any combustible products used for cleaning such as acetone, alcohol, ether, benzol, etc., are highly explosive and should never be used close to a range.
18. OPERATION
Always turn ON your hood before you begin cooking in order to establish an air flow in the kitchen. Let the blower run for a few minutes to clear the air after you turn off the range. This will help keep the whole kitchen cleaner and brighter

Blower
The blower is operated using two (2) controls.
Use the ON/OFF switch (item 1 on picture above) to start and stop the blower. When turned on, the blower will operate at the previous setting of the speed control (item 2 on picture above).
Turn the speed control knob counterclockwise to increase blower speed—clockwise to decrease speed.
HEAT SENTRY™
This hood is equipped with a Heat Sentry™ thermostat.
- If blower is ON at a lower speed setting and excessive heat is detected above the cooking surface, it turns the blower up to HIGH speed. When the temperature level drops to normal, the blower will return to its original setting
- If blower is OFF and excessive heat is detected above the cooking surface, HEAT SENTRY will turn the blower to HIGH speed. When the temperature level drops to normal, the blower turns back OFF.
WARNING
The Heat Sentry can start the blower during a range top fire or other excessive heat situations even if the hood is turned off. In this case, it is impossible to turn the blower OFF with blower switch. If you must stop the blower, do it from the main electrical panel.
Cooktop Lighting (Halogen)
The halogen lighting is controlled by two switches; one ON/OFF switch and one light intensity control switch.
When turned on, the halogen bulbs will light cooktop at the previous setting of the light intensity control.
Turn the light intensity control knob counterclockwise to increase lighting—clockwise to decrease lighting.
Use 120 V, 50 W, MR16 with GU10 base or PAR16 with GU10 base, shielded halogen lamps (included).
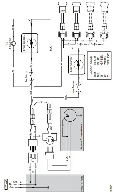
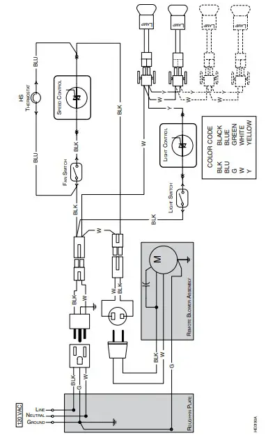
19. WIRING DIAGRAMS
INTERIOR BLOWER

IN-LINE OR EXTERIOR BLOWER

21. SERVICE PARTS
UP27 Series

| KEY NO. | PART NO. | DESCRIPTION | QUANTITY (HOOD WIDTH) | |||
| 30” | 36” | 42” | 48” | |||
| 1 | SV05869 | BEST LOGO | 1 | 1 | 1 | 1 |
| 2 | SV61932 | GREASE DRIP RAIL 30” | 1 | – | – | – |
| SV61933 | GREASE DRIP RAIL 36” | – | 1 | – | – | |
| SV61934 | GREASE DRIP RAIL 42” | – | – | 1 | – | |
| SV61935 | GREASE DRIP RAIL 48” | – | – | – | 1 | |
| 3 | SV61691 | FILTER FILLERS WITH SCREW (PAIR) | – | – | 1 | – |
| 4 | SV61639 | HYBRID BAFFLE FILTER 8.84″ X 8.61″ (INCLUDING HANDLE) | 3 | 1 | 4 | 5 |
| SV61640 | HYBRID BAFFLE FILTER 11.84″ X 8.61″ (INCLUDING HANDLE) | – | 2 | – | – | |
| 5 | SV03435 | HEAT SENTRY THERMOSTAT | 1 | 1 | 1 | 1 |
| 6 | SV13923 | FEMALE CONNECTOR | 1 | 1 | 1 | 1 |
| 7 | SV13924 | MALE CONNECTOR | 1 | 1 | 1 | 1 |
| 8 | SV07688 | KNOBS (PAIR) | 1 | 1 | 1 | 1 |
| 9 | SV16966 | PLASTIC CONTROL FRAME AND KNOB ASS’Y | 1 | 1 | 1 | 1 |
| 10 | SV03501 | ROTARY CONTROL | 2 | 2 | 2 | 2 |
| 11 | SV07689 | TOGGLE SWITCH | 2 | 2 | 2 | 2 |
| 12 | SV05917 | SOCKET GU10 | 2 | 2 | 4 | 4 |
| 13 | SV09435 | SOCKET HOLDER GU10 | 2 | 2 | 4 | 4 |
| 14 | SV09434 | LIGHT TRIM STAINLESS STEEL | 2 | 2 | 4 | 4 |
| 15 | SV05921 | SHIELDED HALOGEN BULBS (50 W, 120 V, PAR16, GU-10) | 2 | 2 | 4 | 4 |
| SV21516 | INSTALLATION GUIDE | 1 | 1 | 1 | 1 | |
| SV13278 | PARTS BAG:1 ELECTRICAL CABLE CLAMP LP16-AP, 2WIRE CONNECTORS NO.74B, 6 DOUBLE THREADED SCREWS 6-12 X 0.5’,’ 6 SCREWS NO. 8 X 3/8’,’ 4 NUTS NO. 10-32, 2 SCREWS NO. 6 X 1/2’’ | 1 | 1 | 1 | 1 | |
REPLACEMENT PARTS AND REPAIRS
In order to ensure your unit remains in good working condition, you must use Broan-NuTone genuine replacement parts only. Broan-NuTone genuine replacement parts are specially designed for each unit and are manufactured to comply with all the applicable certification standards and maintain a high standard of safety. Any third party replacement part used may cause serious damage and drastically reduce the performance level of your unit, which will result in premature failing. Broan-NuTone recommends to contact a certified service depot for all replacement parts and repairs.
22. WARRANTY
FIVE-YEAR LIMITED WARRANTY FOR BEST® PRODUCTS
Warranty Period and Exclusions: Broan-NuTone, LLC (the “Company”) warrants to the consumer purchaser of its product (“you”) that the product (the “Product”) will be free from material defects in the materials or its workmanship for a period of five (5) years from the date of original purchase (or such longer period as may be required by applicable law) or a period of two (2) years from the date of
service for any labor provided on the Product.
The limited warranty period for any replacement parts provided by the Company and for any Products repaired or replaced under this limited warranty shall be the remainder of the original warranty period (or such longer period as may be required by applicable law).
THIS WARRANTY DOES NOT EXTEND TO FLUORESCENT LAMP STARTERS, TUBES AND BULBS, FUSES, FILTERS, DUCTS, ROOF CAPS, WALL CAPS
AND OTHER ACCESSORIES FOR DUCTING.
This warranty does not cover (a) normal maintenance and service, (b) normal wear and tear, (c) any Products or parts which have been subject to misuse, abuse, abnormal usage, negligence, accident, improper or insufficient maintenance, storage or repair (other than repair by the Company), (d) damage caused by faulty installation, or installation or use contrary to recommendations or instructions, (f) damage caused by exposure to salt air, (g) damage in transit, (h) natural wear of finish, (i) Products in commercial or nonresidential use, (j) damage caused by fire, flood or other act of God, or (k) Products with altered, defaced or removed serial numbers. This warranty covers only Products sold to consumers in North America. This warranty supersedes all prior warranties and, subject to applicable law, is not transferable from the original consumer purchaser. No Other Warranties: This Limited Warranty contains the Company’s sole obligation and your sole remedy for defective Products. The foregoing warranties are exclusive and in lieu of any other warranties and conditions, express or implied.
TO THE MAXIMUM EXTENT PERMITTED BY APPLICABLE LAW, THE COMPANY DISCLAIMS AND EXCLUDES ALL OTHER EXPRESS WARRANTIES AND CONDITIONS, AND DISCLAIMS AND EXCLUDES ALL WARRANTIES AND CONDITIONS IMPLIED BY LAW, INCLUDING WITHOUT LIMITATION THOSE OF MERCHANTABILITY AND FITNESS FOR A PARTICULAR PURPOSE.
To the extent that applicable law prohibits the exclusion of implied warranties or conditions, the duration of any applicable implied warranty or condition is limited to the period specified for the express warranty above. Some jurisdictions (which may include the Province of Quebec or specific US states) do not allow limitations on how long an implied warranty lasts, so the above limitation may not apply to you. Any oral or written description of the Product is for the sole purpose of identifying it and shall not be construed as an express warranty.
Whenever possible, each provision of this Limited Warranty shall be interpreted in such manner as to be effective and valid under applicable law, but if any provision is held to be prohibited or invalid, such provision shall be ineffective only to the extent of such prohibition or invalidity, without invalidating the remainder of such provision or the other remaining provisions of the Limited Warranty.
Remedy: During the applicable limited warranty period, the Company will, at its option, provide replacement parts for, or repair or replace, without charge, any Product or part thereof, to the extent the Company finds it to be covered by and in breach of this limited warranty under normal use and service. The Company will ship the repaired or replaced Product or replacement parts to you at no charge. You are responsible for all costs for removal, reinstallation and shipping, insurance or other freight charges incurred in the shipment of the Product or part to the Company. If you must send the Product or part to the Company, as instructed by the Company, you must properly pack the Product or part—the Company is not responsible for damage in transit. The Company reserves the right to utilize reconditioned, refurbished, repaired or remanufactured Products or parts in the warranty repair or replacement process. Such Products and parts will be comparable in function and performance to an original Product or part and warranted for the remainder of the original warranty period (or such longer period as may be required by applicable law).
Company reserves the right, in its sole discretion, to refund the money actually paid by you for the Product. If the Product or component is no longer available, replacement may be made with a similar product of equal or greater value, at Company’s sole discretion. This is your sole and exclusive remedy for breach of this limited warranty.
Exclusion of Damages: THE COMPANY’S OBLIGATION TO PROVIDE REPLACEMENT PARTS, OR REPAIR OR REPLACE, AT THE COMPANY’S OPTION, SHALL BE YOUR SOLE AND EXCLUSIVE REMEDY UNDER THIS LIMITED WARRANTY AND THE COMPANY’S SOLE AND EXCLUSIVE OBLIGATION. THE COMPANY SHALL NOT BE LIABLE FOR INCIDENTAL, INDIRECT, CONSEQUENTIAL OR SPECIAL DAMAGES ARISING OUT OF OR IN CONNECTION WITH THE PRODUCT, ITS USE OR PERFORMANCE.
Some jurisdictions do not allow the exclusion or limitation of incidental or consequential damages, so the above limitation or exclusion may not apply to you. This warranty gives you specific legal rights, and you may also have other rights, which vary from jurisdiction to jurisdiction. The disclaimers, exclusions, and limitations of liability under this warranty will not apply to the extent prohibited by applicable law. This warranty covers only replacement or repair of defective Products or parts thereof at the Company’s main facility and does not include the cost of field service travel and living expenses.
Any assistance the Company provides to or procures for you outside the terms, limitations or exclusions of this limited warranty will not constitute a waiver of such terms, limitations or exclusions, nor will such assistance extend or revive the warranty. The Company will not reimburse you for any expenses incurred by you in repairing or replacing any defective Product, except for those incurred with the Company’s prior written permission.
How to Obtain Warranty Service: To qualify for warranty service, you must (a) notify the Company at the address or telephone number stated below within seven (7) days of discovering the covered defect, (b) give the model number and part identification and (c) describe the nature of any defect in the Product or part. At the time of requesting warranty service, you must present evidence of the original purchase date. If you cannot provide a copy of the original written limited warranty, then the terms of the Company’s most current written limited warranty for your particular product will control.
PRODUCT SPECIFICATIONS
All illustrations and specifications in this catalog are based on the latest product information available at time of production. Broan-NuTone, LLC and BEST® reserves the right to make changes at any time, without notice, in prices, colors, materials, equipment, specifications and models, place of manufacture and to discontinue models or equipment.
Best Broan-NuTone LLC : 926 W. State Street, Hartford (WI) 53207 1 800 637-1453 www.bestrangehoods.com Best , 550 Lemire Blvd., Drummondville, QC, Canada (1-866-737-7770) www.bestrangehoods.ca




















