TITAN LCS80 Series Hand Pallet Trucks Lift

Product Information
Product Name:
Lift-Rite Titan Series Hand Pallet Trucks Model LCS80 – High Capacity
Manuals Included:
- Owner’s Manual
- Operating Instructions Manual
- Replacement Parts Manual
Date of Publication:
23 Sep 2022
Applicability
This publication, 1156118D, applies to the Lift-Rite Titan Series Hand Pallet Trucks, Model LCS80 version, and to all subsequent releases of this product until otherwise indicated in new editions.
Ordering Additional Manuals
To order additional copies of this manual, part number 1156118D, contact your local authorized Lift-Rite Sales and Service Center.
Assistance:
If you need assistance with your lift truck, contact your local authorized Lift-Rite Sales and Service Center.
Website
For more information please visit www.liftrite.com
Product Usage Instructions
Before You Begin
Always follow your facility’s rules regarding wearing Personal Protective Equipment such as safety shoes and protective glasseswhenever operating, working with, or assembling or dismantling hand pallet trucks.
Delivery Inspection:
Visually inspect hand pallet truck frame components and hydraulic unit for damage during shipment by carrier. If damage isevident, notify delivering carrier immediately and file necessary claims. Test the hand pallet truck pump for proper operation. If the hydraulic pump does not respond to movement of the handle, an air lock may have developed during shipping. To remedy this, go to the user friendly TROUBLESHOOTING guide in this manual.
Operating Instructions
To raise the load, push down on the fingertip control. Pump the handle to raise the load from the floor. To lower the load, pull up on the fingertip control. NOTE: The neutral position disengages the pump from the lifting mechanism. This frees the handle, which makes pulling loads easier. In addition, the pump is not subject to shock pressures while the truck is in motion. For free handle movement, place the fingertip control in the neutral position.
Safety Procedures:
At the start of your shift, check the items listed below. Report any malfunction or unsafe conditions to your supervisor. Do not use this product until it is repaired.
Check Points:
- Steering – Check full rotation
- Hydraulic System – Check for excessive oil on exterior and check for function
- Wheels – Check for wear, damage, and remove debris
- Chassis/ Handle – Check for damage and remove debris
- Lifting/ Lowering – Check for function
- Labels – Check for readability
Maintenance
LUBRICATION All pivot points are equipped with permanently lubricated bushings and bearings. To increase bearing life, it is recommended that a few drops of light machine oil be applied at each pivot point every 6 months. The thrust plate is equipped with three grease fittings. Apply grease under normal conditions every 6 months.
- This publication, 1156118D, applies to the Lift-Rite Titan Series Hand Pallet Trucks, Model LCS80 version, and to all subsequent releases of this product until otherwise indicated in new editions. Changes occur periodically to the information in this publication.
- To order additional copies of this manual, part number 1156118D, contact your local authorized Lift-Rite Sales and Service Center.
- If you need assistance with your lift truck, contact your local authorized Lift-Rite Sales and Service Center.
- For more information please visit www.liftrite.com
BEFORE YOU BEGIN
Always follow your facility’s rules regarding wearing Personal Protective Equipment such as safety shoes and protective glasses whenever operating, working with, or assembling or dismantling hand pallet trucks.
DELIVERY INSPECTION
Visually inspect hand pallet truck frame components and hydraulic unit for damage during shipment by carrier. If damage is evident, notify delivering carrier immediately and file necessary claims. Test the hand pallet truck pump for proper operation.
If the hydraulic pump does not respond to movement of the handle, an air lock may have developed during shipping. To remedy this, go to the user friendly TROUBLESHOOTING guide in this manual.
OPERATING INSTRUCTIONS
(Read and understand prior to using this product)
To raise the load, push down on the fingertip control. Pump the handle to raise the load from the floor.
To lower the load, pull up on the fingertip control.
For free handle movement, place the fingertip control in the neutral position.
NOTE: The neutral position disengages the pump from the lifting mechanism. This frees the handle, which makes pulling loads easier. In addition, the pump is not subject to shock pressures while the truck is in motion.
SAFETY PROCEDURES
(Read and understand prior to using this product)
- Read and obey all labels on this product. If you have any questions about these, ask your supervisor.
- Do not operate this hand pallet truck unless you are authorized and trained to do so.
- Never overload your hand pallet truck. Stay within its rated capacity.
- Do not operate this truck if damaged or not in proper working order.
- Distribute the load evenly on the forks. Do not concentrate loads at one point or load one fork more than the other.
- When the load impairs visibility, the hand pallet lift truck should be pulled and not pushed.
- Always look where you are operating. Keep a clear view.
- Only handle loads on flat level surfaces. Do not use a loaded truck on inclines or declines.
- Never carry passengers.
- Never put your feet, hands, or any other body part under the frame assembly.
- Always yield right of way to pedestrians.
- Do not allow your hand pallet truck to drop from one level to another. Even a drop of 1 in.
(25 mm) more than doubles the effective load momentarily and results in a loading that can bend or break components. - Move loads only with the hand pallet truck in its lowest position.
- Always make sure that the load is stable before moving to eliminate the opportunity for load shift.
- Use extreme care when rounding corners. Too fast a speed could cause a hand pallet lift truck to tip. If loaded, the load could shift and fall.
- When not in use, fully lower the forks.
DAILY INSPECTION
At the start of your shift, check the items listed below. Report any malfunction or unsafe conditions to your supervisor. Do not use this product until it is repaired.
| CHECK POINTS | Steering | Hydraulic System | Wheels | Chassis/ Handle | Lifting/ Lowering | Labels |
| ACTION | Check full rotation | Check for excessive oil | Check for wear, damage, and | Check for damage and | Check for function | Check for readability |
| on exterior | remove debris | remove debris | ||||
| and check for | ||||||
| function |
MAINTENANCE
LUBRICATION
All pivot points are equipped with permanently lubricated bushings and bearings. To increase bearing life, it is recommended that a few drops of light machine oil be applied at each pivot point every 6 months. The thrust plate is equipped with three grease fittings. Apply grease under normal conditions every 6 months.
PUSH BAR LINKAGE ADJUSTMENT
If the forks do not rise evenly at the tips, or the roller levers begin to drag on the floor, the following adjustment is necessary:
LCS80 MODEL
- Turn the hand pallet truck over so that the underside of the forks are accessible.
- Remove one split pin (PL-20269) with a 3/16 in. punch.
- Remove the pin (PL-20227) from the bracket.
- Adjust the eyebolts (PH-20226). Turn counterclockwise to raise the fork tips and clockwise to lower the fork tips.
- Replace the pin (PL-20227), through the eyebolt, and replace the split pin (PL-20269).
- When adjusted properly, the forks should be 3-1/4 in. low height from ground level in the lowered position.
HYDRAULIC SYSTEM
Your hydraulic system is maintenance free. Do not add hydraulic oil unless there is, or was, a leak. Use Premium HVI hydraulic oil or equal. Other oils, fluids, or solvents may damage your hydraulic system. If you suspect additional oil is required, follow these steps:
- Check for and fix any possible oil leaks.
- Lower the truck and load with 600 lbs. (approximate).
- Pump the truck to its maximum lift height.
- Measure the vertical height of the exposed piston (7535745) and refer to the chart below.
| Distance (inches) | 5-1/8 in. | 4-3/4 in. | 4-3/8 in. | 4 in. | 3-1/2 in. | 3-1/8 in. | 2-3/4 in. | 2-3/8 in. |
| Oil to add (Fl. Oz.) | 0 | 2.7 | 3.0 | 3.4 | 3.7 | 4.0 | 4.4 | 4.7 |
ADDING OIL (IF REQUIRED)
- Place and secure the truck on its right side (release valve facing the floor).
- Pull up on the release lever (PL-40274BDM) and extend the lift piston fully.
- Remove screw (221586A) and add the amount of oil determined by the chart in step 4.
- Reinstall screw (221586A) but do not tighten. Leave a 1/32 in. gap.
- Pull up on the release lever (PL-40274BDM) and collapse the lift piston until oil starts to ooze from the screw.
CAUTION! – It is extremely important that step 5 is performed. Otherwise, air in the pump can force out the wiper seal (20066). Take care when adding oil not to introduce impurities into the hydraulic system. - Tighten the screw (221586A) fully and return the truck upright.
TROUBLESHOOTING
| CONDITION | POSSIBLE CAUSE | ACTION |
| Pump does not lift load. | An air lock in the hydraulic system. | Pull up on fingertip control and hold while pumping the handle 8 to 10 times to bleed air from the system. |
| Lifting, neutral, and lowering do not function properly. | Chain anchor out of adjustment. | Turn nut (21094) on chain anchor clockwise until pumping action, while in neutral, does not raise forks. |
| Forks raise and sink with pump action. | Dirt or foreign particle caught in cone valve seat. | Pull up on fingertip control and hold while pumping the handle 8 to 10 times to purge the valve system. |
| Pump does not lift load to complete raised height. | Pump is low on oil. | Check for and fix any leaks. Then add oil as instructed in the MAINTENANCE section. |
| Forks are not lowering completely. | Push jam nut is loose. Push bars require adjustment. | Refer to Push Bar Linkage Adjustment in the MAINTENANCE section. |
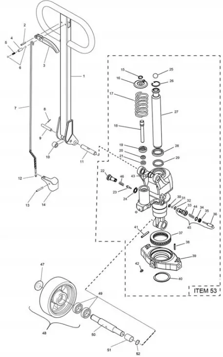
ASSEMBLY
COMPLETE HYDRAULIC ASSEMBLY (1153106/001)
| ITEM | DESCRIPTION | QTY | PART NO. |
| COMPLETE HYDRAULIC | |||
| ASSEMBLY | 1153106/001 | ||
| Includes pump, standard handle, | |||
| and steel wheels | |||
| 1 | COMPLETE HANDLE (ITEMS 2-10) | 1 | PL-40276M |
| 2 | SPLIT PIN | 1 | 20105 |
| 3 | CONTROL LEVER | 1 | PL-40274BDM |
| 4 | CONTROL LEVER SLEEVE | 1 | 54140 |
| 5 | CONTROL LEVER SPRING | 1 | 218182 |
| 6 | CHROME BALL | 2 | 20065 |
| 7 | CONTROL ROD ASSEMBLY | 1 | 215775 |
| 8 | SPLIT PIN | 1 | 20461 |
| 9 | AXLE | 1 | 47930 |
| 10 | ROLLER W/BUSHING | 1 | 202755 |
| 11 | AXLE | 1 | 7500086 |
| 12 | ADJUSTING NUT | 1 | 21094 |
| 13 | LOCKING PIN | 1 | 220312 |
| 14 | LOWERING ARM | 1 | 7500110 |
| 15 | LOCKING RING | 1 | 20004 |
| 16 | WASHER | 1 | 226743A |
| 17 | SPRING | 1 | 315156 |
| 18 | PISTON | 1 | 7500079 |
| 19 | SEAL HOLDER | 1 | 7500089 |
| 20 | SEALING | 1 | 7500130 |
| 21 | SEALING | 1 | 7500131A |
| 22 | SCREW | 1 | 221586A |
| 23 | VALVE CONE | 1 | 2223935 |
| 24 | WASHER | 1 | 235545 |
| 25 | BALL | 1 | PL-10244 |
| 26 | LOCKING RING | 1 | PL-20232 |
| 27 | PISTON | 1 | 7535745 |
| 28 | SEALING | 1 | 20066 |
| 29 | SEALING | 1 | 245867 |
| 30 | WASHER | 1 | 215288A |
| 31 | BALL | 1 | 20065A |
| 32 | O-RING | 1 | 22032 |
| 33 | VALVE BODY | 1 | 7500112 |
| 34 | SEAL | 1 | 22032 |
| 35 | U-RING | 1 | 7500100A |
| 36 | PISTON | 1 | 7523958 |
| 37 | BALL BEARING | 1 | 213056 |
| 38 | LOCKING PIN | 1 | 20001 |
| 39 | THRUST PLATE | 1 | 215092 |
| 40 | LOCKING RING | 1 | 21737 |
| 41 | LOCKING PIN | 1 | 220312 |
| 42 | GREASE FITTING | 1 | 27662 |
| 43 | BUSHING | 1 | 215913 |
| 44 | SPRING | 1 | 47071 |
| 45 | LOWERING VALVE COMPLETE | 1 | 7500107 |
| 46 | SPRING | 2 | 39106 |
| 47 | COVER | 1 | 156623BT |
| 48 | WHEEL COMPLETE – STEEL | 1 | 160433 |
| 49 | BEARING | 1 | 22226 |
| 50 | AXLE | 2 | 220310 |
| 52 | LOCKING RING | 2 | 20019 |
| 53 | HYDRAULIC UNIT | 1 | 7500129 |
| 54 | REBUILD KIT | 4 | Consult Lift-Rite |
MODEL LCS80 CHASSIS DIAGRAM

| ITEM | DESCRIPTION | QTY | PART NO. |
| 1 | CHASSIS COMPLETE (27 X 48) | 1 | 1154479/002 |
| 2 | TORSION BAR | 1 | 1154048/001 |
| 3 | BUSHING | 6 | PL-20206 |
| 4 | THRUST PLATE PIN | 2 | 166701 |
| 5 | EYE BOLT PIN | 2 | PL-20227 |
| 6 | SPLIT PIN | 6 | PL-20269 |
| 7 | BUSHING | 2 | PL-20203A |
| 8 | BUSHING | 2 | PL-20226A |
| 9 | EYE BOLT WITH BUSHING AND NUT | 2 | PH-20226 |
| 10 | EYE BOLT NUT | 2 | PL-10224AF |
| 11 | PUSH BAR | ||
| 48 IN. LONG FORK | 2 | PH-20224X48 | |
| 12 | LEFT LEVER ARM WITH BUSHINGS | 2 | PL-20212-L |
| 13 | RIGHT LEVER ARM WITH BUSHINGS | 2 | PL-20212-R |
| 14 | BUSHING | 2 | PL-20203 |
| 15 | LOCK NUT | 2 | PL-10218 |
| 16 | FORK PIN | 2 | PH-20219 |
| 17 | BUSHING | 4 | PL-10203 |
| 18 | EXIT ROLLER | 2 | PL-20220 |
| 19 | AXLE – LOAD ROLLER | 2 | PL-20215-I |
| 20 | LOAD ROLLER | 2 | PL-20210S-BRG |
| 21 | BEARING | 4 | PL-20214 |
| 22 | BULKHEAD PIN | 2 | PL-20204 |
RECYCLE
RECYCLE YOUR OLD LIFT-RITE PARTS
| Chassis | Steel |
| Roller suspension | Steel and cast iron |
| Bushings | Brass |
| Grease fittings | Steel |
| Rollers | Steel |
| Hydraulic body | Cast iron |
| Thrust plate | Cast iron |
| Handle | Steel |
| Wheel | Steel |
| Bushings | Brass |
| Hydraulic oil | Disposal in accordance with local regulations |
| Assembly parts | Steel, brass, nylon |
HAND PALLET TRUCK WARRANTY
The Lift-Rite Titan Series Hand Pallet Trucks, Model LCS80 version, are warranted against defects in materials and workmanship for a period of six (6) months from date of installation.
Components found to be defective by an authorized Lift-Rite Sales and Service Center during the warranty period will be replaced or repaired as indicated above. Replacement components installed during the defined period set forth above, are warranted for the balance of the applicable truck warranty period, or 90 days, whichever is longer. Additionally, freight charges for parts involved in the replacement or repair of a defective component will be paid by Lift-Rite, provided that the replacement or repair is made by an authorized Lift-Rite Sales and Service Center. Labor or miscellaneous costs involved in the replacement of any components determined to be defective are not covered. Local taxes, if any, are excluded.
This warranty is void in the event of defects or damage caused by misuse, abuse, or accident. Any truck used under adverse conditions, such as fish, meat, or poultry processing plants, tanneries, freezer applications, or any other application where the unit is operating in water or subjected to fluid or chemicals is NOT covered under any warranty.
This warranty does not cover oil leaks, adjustments, or loose hardware.
Lift-Rite reserves the right to make changes and improvements in design without making changes to previously manufactured vehicles.
Notwithstanding any other language contained herein, this warranty is expressly voided without any further notice if any modification is made to the Lift-Rite equipment, or if additional components or devices are added to the Lift-Rite equipment, without prior approval having been granted in writing by Lift-Rite.
THIS WARRANTY IS IN LIEU OF ALL OTHER WARRANTIES, EXPRESSED, IMPLIED, OR STATUTORY. THERE ARE NO WARRANTIES OF MERCHANTABILITY OR FITNESS FOR A PARTICULAR PURPOSE. In no event shall Lift-Rite be liable for incidental, special, or consequential damages.
REGULATIONS
SELECTED OSHA REGULATIONS FOR LIFT TRUCKS
Note: Some or all of the following may not be applicable to your hand pallet lift truck.
The use of forklift trucks in the workplace is governed by various regulations. In the United States, the Federal Occupational Safety and Health Administration (OSHA) has issued regulations which cover the majority of workplaces.
In addition, several states have implemented regulations which apply instead of the Federal regulations.
Check with your local OSHA office or provincial Labor Bureau to confirm which regulations govern your workplace.
Because of their wide applicability, this section of your manual lists several parts of the Federal OSHA regulations that might be of particular importance to your workplace.
The full text of the Federal regulations can be found in the Code of Federal Regulations at 29 CFR Section 1910.178.
The following citations are followed by a reference to the appropriate subparagraph of the regulations.
- Modifications and additions which affect capacity and safe operation shall not be performed by the customer or user without manufacturers prior written approval. Capacity, operation and maintenance instruction plates, tags or decals shall be changed accordingly. (a) (3)
- The user shall see that all nameplates and markings are in place and are maintained in a legible condition. (a) (6)
- The employer shall ensure that each powered industrial truck operator is competent to operate a powered industrial truck safely, as demonstrated by the successful completion of the training and evaluation specified in this paragraph. (l) (1) (i)
- Prior to permitting an employee to operate a powered industrial truck (except for training purposes), the employer shall ensure that each operator has successfully completed the training required by this paragraph. (l) (1) (ii)
- Trainees may operate a powered industrial truck only under the direct supervision of persons who have the knowledge, training, and experience to train operators and evaluate their competence and where such operation does not endanger the trainee or other employees. (l) (2) (i) (A) (B)
- Training shall consist of a combination of formal instruction (e.g. lecture, discussion, interactive computer learning, videotape, written material), practical training (demonstrations performed by the trainer and practical exercises performed by the trainee), and evaluation of the operator’s performance in the workplace. (l) (2) (B) (ii)
[Editorial Note: For required training program content, refer to (l) (3) (i) (A-M) and (l) (3) (ii) (A-I).] - Refresher training, including an evaluation of the effectiveness of that training, shall be conducted as required by paragraph (l) (4) (ii) to ensure that the operator has the knowledge and skills needed to operate the powered industrial truck safely. (l) (4) (i)
- An evaluation of each powered industrial truck operator’s performance shall be conducted at least once every three years. (l) (4) (iii)
- The employer shall certify that each operator has been trained and evaluated as required by this paragraph (l). The certification shall include the name of the operator, the date of the training, the date of the evaluation, and the identity of the person(s) performing the training or evaluation. (l) (6)
- The employer shall prohibit arms or legs from being placed between the uprights of the mast or outside the running lines of the truck. (m) (4)
- Brakes shall be set and wheel blocks shall be in place to prevent movement of trucks, trailers or railroad cars while loading or unloading. Fixed jacks may be necessary to support a semitrailer when the trailer is not coupled to a tractor. The flooring of trucks, trailers, and railroad cars shall be checked for breaks and weakness before they are driven onto. (m) (7)
- Only approved industrial trucks shall be used in hazardous locations. (m) (11)
- All traffic regulations shall be observed, including authorized plant speed limits. A safe distance shall be maintained approximately three truck lengths from the truck ahead, and the truck shall be kept under control at all times. (n) (1)
- The driver shall be required to slow down and sound the horn at cross aisles and other locations where vision is obstructed. If the load being carried obstructs forward view, the driver shall be required to travel with the load trailing. (n) (4)
- Under all travel conditions the truck shall be operated at a speed that permits it to be brought to a stop in a safe manner. (n) (8)
- Stunt driving and horseplay shall not be permitted. (n) (9)
- If at any time a powered industrial truck is found to be in need of repair, defective, or in any way unsafe, the truck shall be taken out of service until it has been restored to safe operating condition. (p) (1)
- Any power-operated industrial truck not in safe operating condition shall be removed from service. All repairs shall be made by authorized personnel. (q) (1)
- All parts of any such industrial truck requiring replacement shall be replaced only by parts equivalent as to safety with those used in the original design. (q) (5)
- Industrial trucks shall be examined before being placed in service, and shall not be placed in service if the examination shows any condition adversely affecting the safety of the truck. Such examination shall be made at least daily. Where powered industrial trucks are used on a round-the-clock basis, they shall be examined after each shift. Defects when found shall be immediately reported and corrected. (q) (7)
Lift-Rite, Tel: Toll Free from USA: 1-800-558-6012, Greene, NY 13778, Publication Number 1156118D ©2022
Part Kit Number 1156120


















