PREDATOR 57493 224cc OHV Horizontal Shaft Gas Engine

Save This Manual Keep this manual for the safety warnings and precautions, assembly, operating, inspection, maintenance and cleaning procedures. Write the product’s serial number in the back of the manual near the assembly diagram (or month and year of purchase if product has no number). Keep this manual and the receipt in a safe and dry place for future reference.
DANGER
Using an engine indoors
CAN KILL YOU IN MINUTES.
Engine exhaust contains carbon monoxide. This is a poison you cannot see or smell.
NEVER use inside a home or garage, EVEN IF doors and windows are open.
Only use OUTSIDE and far away from windows, doors, and vents.
Visit our website at: http://www.harborfreight.com
Email our engine support at: [email protected]
When unpacking, make sure that the product is intact and undamaged. If any parts are missing or broken, please call 1-888-866-5797 as soon as possible.
Copyright© 2020 by Harbor Freight Tools®. All rights reserved.
No portion of this manual or any artwork contained herein may be reproduced in any shape or form without the express written consent of Harbor Freight Tools. Diagrams within this manual may not be drawn proportionally. Due to continuing improvements, actual product may differ slightly from the product described herein. Tools required for assembly and service may not be included.
WARNING
Read this material before using this product. Failure to do so can result in serious injury. SAVE THIS MANUAL.
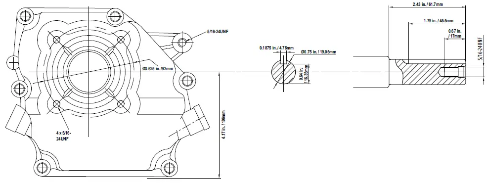
Specifications
| Displacement | 224 cc | |
| Engine Type | Horizontal Single Cylinder 4-stroke | |
| Cooling System | Forced air cooled | |
| Fuel | Type | 87+ octane stabilizer-treated unleaded gasoline |
| Capacity | 0.95 Gallon / 3.60 Liter | |
| Engine Oil | Type SAE | 10W-30 above 32° F 5W30 at 32° F or below |
| Capacity | 0.64 Quart | |
| Run Time @ 50% Load with full tank | 2.7 hr. | |
| Sound Level at 3.3 feet | 89.7 dB | |
| Bore x Stroke | 70 mm x 58 mm | |
| Compression Ratio | 8.5:1 | |
| Rotation viewed from PTO (power takeoff – the output shaft) | Counterclockwise | |
| Spark Plug | Type | LG ® F7TC |
| Gap | 0.027″– 0.031″ | |
| Valve Clearance | Intake | 0.00356″ |
| Exhaust | 0.00583″ | |
| Maximum Speed | No Load | 3800 RPM |
| Shaft | Shaft | Ø 0.75″ x 2.43″ |
| Keyway | 3/16″ | |
| End Tapped | 5/16″– 24UNF | |
The emissions control system for this Engine is warranted for standards set by the
U.S. Environmental Protection Agency and by the California Air Resources Board (also known as CARB). For warranty information, refer to the last pages of this manual.
SAFETY
| WARNING SYMBOLS AND DEFINITIONS | |
![]() | This is the safety alert symbol. It is used to alert you to potential personal injury hazards. Obey all safety messages that follow this symbol to avoid possible injury or death. |
![]() DANGER | Indicates a hazardous situation which, if not avoided, will result in death or serious injury. |
![]() WARNING | Indicates a hazardous situation which, if not avoided, could result in death or serious injury. |
![]() CAUTION | Indicates a hazardous situation which, if not avoided, could result in minor or moderate injury. |
| NOTICE CAUTION | Addresses practices not related to personal injury. |
Symbol Definitions
| Symbol | property or Statement | Symbol | property or Statement | ||
| RpM | Revolutions Per Minute | ![]() | WARNING marking concerning | ||
| Risk of Respiratory Injury. | |||||
| Operate engine OUTSIDE and far away | |||||
| Hp | Horsepower | ||||
| from windows, doors, and vents. | |||||
![]() | WARNING marking concerning Risk of Fire while handling fuel. Do not smoke while handling fuel. | ||||
![]() | WARNING marking concerning Risk of Eye Injury. Wear ANSI-approved safety goggles with side shields. | ||||
![]() | WARNING marking concerning Risk of Fire. Do not refuel while operating. Keep flammable objects away from engine. | ||||
![]() | Read the manual before | ||||
| set-up and/or use. | |||||
![]() | WARNING marking concerning | ||||
| Risk of Hearing Loss. | |||||
| Wear hearing protection. | |||||
IMPORTANT SAFETY INSTRUCTIONS
WARNING! Read all instructions.
Failure to follow all instructions listed below may result in fire, serious injury and/or DEATH. The warnings and precautions discussed in this manual cannot cover all possible conditions and situations that may occur. It must be understood by the operator that common sense and caution are factors which cannot be built into this product, but must be supplied by the operator.
Set up Precautions
- This unit is to be installed so that access is restricted to only qualified service personnel who have been instructed of the reasons for the restrictions applied to the location and about any precautions that must be taken. Access shall be through the use of a special tool, or lock and key, or other means of security and shall be controlled by the authority responsible for the location.
- Gasoline fuel and fumes are flammable, and potentially explosive. Use proper fuel storage and handling procedures. Do not store fuel or other flammable materials nearby.
- Have multiple ABC class fire extinguishers nearby.
- Operation of this equipment may create sparks that can start fires around dry vegetation.
A spark arrestor may be required. The operator should contact local fire agencies for laws or regulations relating to fire prevention requirements. - Set up and use only on a flat, level, well-ventilated surface.
- Wear ANSI-approved safety goggles, heavy-duty work gloves, and dust mask/respirator during set up.
- Use only lubricants and fuel recommended in the Specifications chart of this manual.
Operating Precautions
- CARBON MONOXIDE HAZARD
Using an engine indoors CAN KILL YOU IN MINUTES. Engine exhaust contains carbon monoxide. This is a poison you cannot see or smell.
NEVER use inside a home or garage, EVEN IF doors and windows are open.
- CARBON MONOXIDE HAZARD
- Only use OUTSIDE and far away from windows, doors, and vents.
- Keep children away from the equipment, especially while it is operating.
- Keep all spectators at least six feet from the Engine during operation.
- Fire Hazard! Do not fill fuel tank while engine is running. Do not operate if gasoline has been spilled. Clean spilled gasoline before starting engine.
Do not operate near pilot light or open flame. - Do not touch engine during use.
Let engine cool down after use. - Never store fuel or other flammable materials near the engine.
- Only use a suitable means of transport and lifting devices with sufficient weight bearing capacity when transporting the engine.
- Secure the engine on transport vehicles to prevent it from rolling, slipping, and tilting.
- Industrial applications must follow OSHA requirements.
- Do not leave the engine unattended when it is running. Turn off the engine (and remove safety keys, if available) before leaving the work area.
- The engine can produce high noise levels. Prolonged exposure to noise levels above 85 dBA is hazardous to hearing.
Wear ear protection when operating the or when working nearby while it is operating. - Wear ANSI-approved safety glasses and hearing protection during use.
- People with pacemakers should consult their physician(s) before use. Electromagnetic fields in close proximity to a heart pacemaker could cause pacemaker interference or pacemaker failure. Caution is necessary when near the engine’s magneto or recoil starter.
- Use only accessories that are recommended by Harbor Freight Tools for your model. Accessories that may be suitable for one piece of equipment may become hazardous when used on another piece of equipment.
- Do not operate in explosive atmospheres, such as in the presence of flammable liquids, gases, or dust. Gasoline-powered engines may ignite the dust or fumes.
- Stay alert, watch what you are doing and use common sense when operating this engine.
Do not use while tired or under the influence of drugs, alcohol or medication. - Dress properly. Do not wear loose clothing or jewelry. Keep hair, clothing and gloves away from moving parts. Loose clothes, jewelry or long hair can be caught in moving parts.
- Parts, especially exhaust system components, get very hot during use. Stay clear of hot parts.
- Do not cover the engine during operation.
- Keep the engine and surrounding area clean at all times.
- Do not smoke, or allow sparks, flames, or other sources of ignition around the equipment, especially when refuelling.
- Use the equipment, accessories, etc., in accordance with these instructions and in the manner intended for the particular type of equipment, taking into account the working conditions and the work to be performed.
Use of the equipment for operations different from those intended could result in a hazardous situation. - Do not operate the equipment with known leaks in the engine’s fuel system.
- When spills of fuel or oil occur, they must be cleaned up immediately. Dispose of fluids and cleaning materials as per any local, state, or federal codes and regulations. Store oil rags in
a bottom-ventilated, covered, metal container. - Keep hands and feet away from moving parts.
Do not reach over or across equipment while operating. - Before use, check for misalignment or binding of moving parts, breakage of parts, and any other condition that may affect the equipment’s operation. If damaged, have the equipment serviced before using. Many accidents are caused by poorly maintained equipment.
- Use the correct equipment for the application.
Do not modify the equipment and do not use the equipment for a purpose for which it is not intended.
Service Precautions
- Before service, maintenance, or cleaning:
a.Turn the engine switch to its “OFF” position.
b.Allow the engine to completely cool.
c.Then, remove the spark plug cap from the spark plug. - Keep all safety guards in place and in proper working order. Safety guards include muffler, air cleaner, mechanical guards, and heat shields, among other guards.
- Do not alter or adjust any part of the equipment or its engine that is sealed by the manufacturer or distributor. Only a qualified service technician may adjust parts that may increase or decrease governed engine speed.
- Wear ANSI-approved safety goggles, heavy‑duty work gloves, and
dust mask/respirator during service. - Maintain labels and nameplates on the equipment.
These carry important information.
If unreadable or missing, contact Harbor Freight Tools for a replacement. - Have the equipment serviced by a qualified repair person using only identical replacement parts. This will ensure that the safety of the equipment is maintained. Do not attempt any service or maintenance procedures not explained in this manual or any procedures that you are uncertain about your ability to perform safely or correctly.
- Store equipment out of the reach of children.
- Follow scheduled engine and equipment maintenance.
Refueling:
- Do not refill the fuel tank while the engine is running or hot.
- Do not smoke, or allow sparks, flames, or other sources of ignition around the equipment, especially when refuelling.
- Do not fill fuel tank to the top.
Leave a little room for the fuel to expand as needed.
TO PREVENT FUEL LEAKAGE AND FIRE HAZARD, do not fill fuel above the bottom of fuel strainer.
- Refuel in a well-ventilated area only.
- Wipe up any spilled fuel and allow excess to evaporate before starting engine. To prevent FIRE, do not start the engine while the smell of fuel hangs in the air.
Set Up
Read the ENTIRE IMPORTANT SAFETY INFORMATION section at the beginning of this manual including all text under subheadings therein before set up or use of this product.TO PREVENT SERIOUS INJURY: Operate only with proper spark arrestor installed.
Operation of this equipment may create sparks that can start fires around dry vegetation.
A spark arrestor may be required.
The operator should contact local fire agencies for laws or regulations relating to fire prevention requirements.
WARNING!
- DO NOT INSTALL THIS ENGINE ON A VEHICLE.
- TO PREVENT SERIOUS INJURY: INSTALL THIS ENGINE ACCORDING TO EQUIPMENT INSTRUCTIONS BEFORE USE.
Components and Controls

High Altitude Operation Above 2000 feet
WARNING! TO PREVENT SERIOUS INJURY FROM FIRE:
Follow instructions in a well-ventilated area away from ignition sources.
If the engine is hot from use, shut the engine off and wait for it to cool before proceeding. Do not smoke.
NOTICE: Warranty void if necessary adjustments are not made for high altitude use.
At high altitudes, the engine’s carburetor, governor (if so equipped), and any other parts that control the fuel-air ratio will need to be adjusted by a qualified mechanic to allow efficient high-altitude use and to prevent damage to the engine and any other devices used with this product. The fuel system on this engine may be influenced by operation at higher altitudes. Proper operation can be ensured by installing an altitude kit at altitudes higher than 2000 ft. above sea level. At elevations above 7000 ft, the engine may experience decreased performance, even with the proper main jet. Operating this engine without the proper altitude kit installed may increase the engine’s emissions and decrease fuel economy and performance. The kit should be installed by a qualified mechanic.
- Turn off the engine.
- Close the fuel valve.
- Place a bowl under the fuel cup to catch any spilled fuel.
- Unthread the bolt holding the fuel cup.
CAUTION! Carburetor bowl may have gas in it which will leak upon removing the bolt. - Remove the bolt, Bolt Seal, fuel cup, Fuel Cup Seal and Main Jet from the body of the carburetor assembly. A carburetor screwdriver (not included) is needed to remove and install the Main Jet.
Note: The mixing tube is held in place by the main jet and might fall out when it is removed. If it falls out, replace it in the same orientation before replacing the main jet. - Replace the Main Jet with the replacement Main Jet needed for your altitude range (part 1a, 2a, or 3a).
Note: The Fuel Cup Seal and Bolt Seal may be damaged during removal
and should be replaced with the new ones from the kit.
- Replace the Fuel Cup Seal (5a), fuel cup, Bolt Seal (4a), and bolt. Tighten in place.
NOTICE: Do not cross thread bolt when tightening.
Finger tighten first and then use a wrench to make sure the bolt is properly threaded. - Wipe up any spilled fuel and allow excess to evaporate before starting engine.
To prevent FIRE, do not start the engine while the smell of fuel hangs in the air.
High Altitude Kit Parts List – A
| part | Description | Qty |
| 1a | Main Jet 2000 – 3000 ft. | 1 |
| 2a | Main Jet 3000 – 6000 ft. | 1 |
| 3a | Main Jet 6000 – 7000 ft. | 1 |
| 4a | Bolt Seal | 1 |
| 5a | Fuel Cup Seal | 1 |
Operation
Read the ENTIRE IMPORTANT SAFETY INFORMATION section at the beginning of this manual including all text under subheadings therein before set up or use of this product.
Pre-Start Checks
Inspect engine and equipment looking for damaged, loose, and missing parts before set up and starting.
If any problems are found, do not use equipment until fixed properly.
Checking and Filling Engine Oil
NOTICE: Your Warranty is VOID if the engine’s crankcase is not properly filled with oil before each use. Before each use, check the oil level. Engine will not start with low or no engine oil.
- Make sure the engine is stopped and is level.
- Close the Fuel Valve.
- Clean the top of the Dipstick and the area around it. Remove the Dipstick by turning it counterclockwise, and wipe it off with a clean, lint free rag.

- levelReinsert the Dipstick without threading it in and remove it to check the oil level. The oil level should be up to the full level as shown above.
- If the oil level is at or below the low mark add the appropriate type of oil until the oil level is at the proper level. SAE 10W‑30 oil is recommended for general use. (The SAE Viscosity Grade chart on page 12 in the Maintenance section shows other viscosities to use in different average temperatures.)
- Thread the dipstick back in clockwise.
NOTICE: Do not run the engine with too little oil. Engine will shut off if engine oil level is too low.
Checking and Filling Fuel
WARNING! TO PREVENT SERIOUS INJURY FROM FIRE:
Fill the fuel tank in a well-ventilated area away from ignition sources. If the engine is hot from use, shut the engine off and wait for it to cool before adding fuel. Do not smoke.
- Clean the Fuel Cap and the area around it.
- Unscrew and remove the Fuel Cap.
- Remove the Strainer and remove any dirt and debris. Then replace the Strainer.
Note: Do not use gasoline containing more than 10% ethanol (E10). Do not use E85 ethanol. Add fuel stabilizer to the gasoline or the Warranty is VOID.
Note: Do not use gasoline that has been stored in a metal fuel container or a dirty fuel container. It can cause particles to enter the carburetor, affecting engine performance and/or causing damage. - If needed, fill the Fuel Tank to about 1 inch under the fill neck of the Fuel Tank with 87 octane or higher unleaded gasoline that has been treated with a fuel stabilizer additive. Follow fuel stabilizer manufacturer’s recommendations for use.
- Then replace the Fuel Cap.
- Wipe up any spilled fuel and allow excess to evaporate before starting engine. To prevent FIRE, do not start the engine while the smell of fuel hangs in the air.
Starting the Engine
Before Starting the Engine
Before starting the engine:
a.Follow the Set Up Instructions in the equipment manual to prepare the equipment.
b.Inspect the equipment and engine.
c.Fill the engine with the proper amount and type of both stabilizer‑treated unleaded gasoline and oil.
d.Read the Equipment Operation section in the equipment manual.
Manual Start
- To start a cold engine, move the Choke to the START position.
To restart a warm engine, leave the Choke in the RUN position.
- Open the Fuel Valve.
- Slide the Throttle or Speed Control Lever to 1/3 away from the SLOW position (the “turtle”).
Note: Some tools have a Speed Control Lever located elsewhere on the tool which functions the same as the Throttle. Use the Speed Control Lever in place of the Throttle when the tool is so equipped.
- Turn the Engine Switch on.
- Grip the Starter Handle of the Engine loosely and pull it slowly several times to allow the gasoline to flow into the Engine’s carburetor. Then pull the Starter Handle gently until resistance is felt. Allow Cable to retract fully and then pull it quickly. Repeat until the engine starts.

Note: Do not let the Starter Handle snap back against the engine.
Hold it as it recoils so it doesn’t hit the engine.
Note: If engine does not start, check engine oil level. Engine will not start with low or no engine oil. - Allow the Engine to run for several seconds. Then, if the Choke lever is in the START position, move the Choke Lever very slowly to its RUN position.

Note: Moving the Choke Lever too fast could stall the engine.
IMPORTANT: Allow the engine to run at no load for five minutes after each start‑up so that the engine can stabilize. - Adjust the Throttle as needed.
Break-in Period:
a.Breaking-in the engine will help to ensure proper equipment and engine operation.
b.The operational break-in period will last about 3 hours of use. During this period:
- Do not apply a heavy load to the equipment.
- Do not operate the engine at its maximum speed.
c.The maintenance break-in period will last about 20 hours of use.
- Change the engine oil after this period.
Under normal operating conditions subsequent maintenance follows the schedule explained in the MAINTENANCE section.
Stopping the Engine
- To stop the engine in an emergency, turn the Engine Switch OFF.

- Under normal conditions, use the following procedure:
a.Slide the Throttle or Speed Control Lever to SLOW (the “turtle”).
b.Turn the Engine Switch OFF.
c.Close the Fuel Valve.
NOTICE
See Long-Term Storage on page 14 for complete storage instructions.
Maintenance
WARNINGTO PREVENT SERIOUS INJURY FROM ACCIDENTAL STARTING:
Turn the Power Switch of the equipment to its “OFF” position, wait for the engine to cool, and disconnect the spark plug cap before performing any inspection, maintenance, or cleaning procedures.
TO PREVENT SERIOUS INJURY FROM EQUIPMENT FAILURE:
Do not use damaged equipment. If abnormal noise, vibration, or excess smoking occurs, have the problem corrected before further use.
Follow all service instructions in this manual. The engine may fail critically if not serviced properly.
Many maintenance procedures, including any not detailed in this manual, will need to be performed by a qualified technician for safety. If you have any doubts about your ability to safely service the equipment or engine, have a qualified technician service the equipment instead.
Cleaning, Maintenance, and Lubrication Schedule
Note: This maintenance schedule is intended solely as a general guide. If performance decreases or if equipment operates unusually, check systems immediately. The maintenance needs of each piece of equipment will differ depending on factors such as duty cycle, temperature, air quality, fuel quality, and other factors.
Note: The following procedures are in addition to the regular checks and maintenance explained as part of the regular operation of the engine and equipment.

Service more frequently when used in dusty areas.
These items should be serviced by a qualified technician.
Checking and Filling Fuel
WARNING! TO PREVENT SERIOUS INJURY FROM FIRE:
Fill the fuel tank in a well-ventilated area away from ignition sources. If the engine is hot from use, shut the engine off and wait for it to cool before adding fuel. Do not smoke.
- Clean the Fuel Cap and the area around it.
- Unscrew and remove the Fuel Cap.
- Remove the Strainer and remove any dirt and debris. Then replace the Strainer.
Note: Do not use gasoline containing more than 10% ethanol (E10). Do not use E85 ethanol. Add fuel stabilizer to the gasoline or the Warranty is VOID.
Note: Do not use gasoline that has been stored in a metal fuel container or a dirty fuel container. It can cause particles to enter the carburetor, affecting engine performance and/or causing damage. - If needed, fill the Fuel Tank to about 1 inch under the fill neck of the Fuel Tank with 87 octane or higher unleaded gasoline that has been treated with a fuel stabilizer additive. Follow fuel stabilizer manufacturer’s recommendations for use.
- Then replace the Fuel Cap.
- Wipe up any spilled fuel and allow excess to evaporate before starting engine.
To prevent FIRE, do not start the engine while the smell of fuel hangs in the air.
Engine Oil Change
CAUTION! Oil is very hot during operation and can cause burns. Wait for engine to cool before changing oil.
- Make sure the engine is stopped and is level.
- Close the Fuel Valve.
- Place a drain pan (not included) underneath the crankcase’s drain plug.
- Remove the drain plug and, if possible, tilt the crankcase slightly to help drain the oil out. Recycle used oil.
- Replace the drain plug and tighten it.
- Clean the top of the Dipstick and the area around it. Remove the Dipstick by turning it counterclockwise, and wipe it off with a clean, lint free rag.

- Add the appropriate type of oil until the oil level is at the full level. SAE 10W-30 oil is recommended for general use.
The SAE Viscosity Grade chart shows other viscosities to use in different average temperatures.
SAE Viscosity Grades
- Thread the dipstick back in clockwise.
NOTICE: Do not run the engine with too little oil. Engine will not start with low or no engine oil.
Air Filter Maintenance
- Remove the Air Cleaner Cover and the air filter(s) and check for dirt. Clean as described below.
- Cleaning:
- For paper filters:
To prevent injury from dust and debris, wear ANSI-approved safety goggles, NIOSH-approved dust mask/respirator, and heavy-duty work gloves. In a well-ventilated area away from bystanders, use pressurized air to blow dust out of the filter. - For foam filters:
Wash the filter in warm water and mild detergent several times. Rinse. Squeeze out excess water and allow it to dry completely. Soak the filter in lightweight oil briefly,then squeeze out the excess oil.
- For paper filters:
- Install the cleaned filter(s). Secure the Air Cleaner Cover before use.
Spark plug Maintenance

- Disconnect spark plug cap from end of plug. Clean out debris from around spark plug.
- Using a spark plug wrench, remove the spark plug.
- Inspect the spark plug:
If the electrode is oily, clean it using a clean, dry rag. If the electrode has deposits on it, polish it using emery paper. If the white insulator is cracked or chipped, the spark plug needs to be replaced.Recommended Spark plug LG ® F7TC NOTICE: Using an incorrect spark plug may damage the engine.
- When installing a new spark plug, adjust the plug’s gap to the specification on the Specifications chart. Do not pry against the electrode, the spark plug can be damaged.
- Install the new spark plug or the cleaned spark plug into the engine.
- Gasket-style:
Finger-tighten until the gasket contacts the cylinder head, then tighten about 1/2-2/3 turn more. - Non-gasket-style:
Finger-tighten until the plug contacts the cylinder head, then tighten about 1/16 turn more.
NOTICE: Tighten the spark plug properly. If loose, the spark plug will cause the engine to overheat.
If overtightened, the threads in the engine block will be damaged.
- Gasket-style:
- Apply dielectric spark plug boot protector (not included) to the end of the spark plug and reattach the cap securely.
Long-Term Storage
When the equipment is to remain idle for longer than 20 days, prepare the Engine for storage as follows:
- CLEANING:
Wait for Engine to cool, then clean Engine with dry cloth. NOTICE: Do not clean using water. The water will gradually enter the Engine and cause rust damage. Apply a thin coat of rust preventive oil to all metal parts. - FUEL:
To protect the fuel tank during storage, fill the tank with gasoline that has been treated with a fuel stabilizer additive. Follow fuel stabilizer manufacturer’s recommendations for use. Refer to Checking and Filling Fuel on page 12.
WARNING! TO PREVENT SERIOUS INJURY FROM FIRE:
Fill tank in a well-ventilated area away from ignition sources. If the engine is hot from use, shut the engine off and wait for it to cool before adding fuel. Do not smoke. - LUBRICATION:
a. Change engine oil.
b. Clean out area around spark plug.
Remove spark plug and pour one tablespoon of engine oil into cylinder through spark plug hole.
c. Replace spark plug, but leave spark plug cap disconnected.
d. Pull Starter Handle to distribute oil in cylinder. Stop after one or two revolutions when you feel the piston start the compression stroke (when you start to feel resistance). - STORAGE AREA:
Cover and store in a dry, level, well-ventilated area out of reach of children. Storage area should also be away from ignition sources, such as water heaters, clothes dryers, and furnaces.
NOTICE: During extended storage periods the Engine must be started every 3 months and allowed to run for 15 – 20 minutes or the Warranty is VOID. - AFTER STORAGE:
Before starting the Engine during or after storage, keep in mind that untreated gasoline will deteriorate quickly. Drain the fuel
tank and change to fresh fuel if untreated gasoline has been sitting for a month, if treated gasoline has been sitting beyond the fuel stabilizer’s recommended time period, or if the Engine does not start.
Troubleshooting
| problem | possible Causes | probable Solutions |
| Engine will not start | FUEL RELATED: 1. No fuel in tank or fuel valve closed.
2. Choke not in START position, cold engine. 3. Gasoline with more than 10% ethanol used. (E15, E20, E85, etc.)
4. Low quality or deteriorated, old gasoline.
5. Carburetor not primed. 6. Dirty fuel passageways.
7. Carburetor needle stuck. Fuel can be smelled in the air. 8. Too much fuel in chamber. This can be caused by the carburetor needle sticking.
9. Clogged Fuel Filter. | FUEL RELATED: 1. Fill fuel tank with fresh 87+ octane stabilizer- treated unleaded gasoline and open fuel valve. Do not use gasoline with more than 10% ethanol (E15, E20, E85, etc.). 2. Move Choke to START position. 3. Clean out ethanol rich gasoline from fuel system. Replace components damaged by ethanol. Use fresh 87+ octane stabilizer- treated unleaded gasoline only. Do not use gasoline with more than 10% ethanol (E15, E20, E85, etc.). 4. Use fresh 87+ octane stabilizer-treated unleaded gasoline. Do not use gasoline with more than 10% ethanol (E15, E20, E85, etc.). 5. Pull on Starter Handle to prime. 6. Clean out passageways using fuel additive. Heavy deposits may require further cleaning. 7. Gently tap side of carburetor float chamber with screwdriver handle. 8. Turn Choke to RUN position. Remove spark plug and pull the start handle several times to air out the chamber. Reinstall spark plug and set Choke to START position. 9. Replace Fuel Filter. |
| IGNITION (SPARK) RELATED: 1. Spark plug cap not connected securely. 2. Spark plug electrode wet or dirty. 3. Incorrect spark plug gap. 4. Spark plug cap broken. 5. Incorrect spark timing or faulty ignition system. | IGNITION (SPARK) RELATED: 1. Connect spark plug cap properly. 2. Clean spark plug. 3. Correct spark plug gap. 4. Replace spark plug cap. 5. Have qualified technician diagnose/ repair ignition system. | |
| COMPRESSION RELATED: 1. Cylinder not lubricated. Problem after long storage periods.
2. Loose or broken spark plug. (Hissing noise will occur when trying to start.)
3. Loose cylinder head or damaged head gasket. (Hissing noise will occur when trying to start.)
4. Engine valves or tappets mis-adjusted or stuck. | COMPRESSION RELATED: 1. Pour tablespoon of oil into spark plug hole. Crank engine a few times and try to start again. 2. Tighten spark plug. If that does not work, replace spark plug. If problem persists, may have head gasket problem, see #3. 3. Tighten head. If that does not remedy problem, replace head gasket. 4. Have qualified technician adjust/ repair valves and tappets. | |
| ENGINE OIL RELATED: 1. Low engine oil.
2. Engine mounted on slope, triggering low oil shutdown. | ENGINE OIL RELATED: 1. Fill engine oil to proper level. Check engine oil before EVERY use. 2. Operate engine on level surface. Check engine oil level. |
| problem | possible Causes | probable Solutions |
| Engine misfires | 1. Spark plug cap loose. 2. Incorrect spark plug gap or damaged spark plug. 3. Defective spark plug cap. 4. Old or low quality gasoline.
5. Incorrect compression. | 1. Check cap and wire connections. 2. Re-gap or replace spark plug.
3. Replace spark plug cap. 4. Use only fresh 87+ octane stabilizer-treated unleaded gasoline. Do not use gasoline with more than 10% ethanol (E15, E20, E85, etc.). 5. Diagnose and repair compression. (Use Engine will not start: COMpRESSION RELATED section.) |
| Engine stops suddenly | 1. Fuel tank empty or full of impure or low quality gasoline.
2. Low oil shutdown.
3. Defective fuel tank cap creating vacuum, preventing proper fuel flow. 4. Faulty magneto. 5. Disconnected or improperly connected spark plug cap. | 1. Fill fuel tank with fresh 87+ octane stabilizer- treated unleaded gasoline. Do not use gasoline with more than 10% ethanol (E15, E20, E85, etc.). 2. Fill engine oil to proper level. Check engine oil before EVERY use. 3. Test/replace fuel tank cap.
4. Have qualified technician service magneto. 5. Secure spark plug cap. |
| Engine stops when under heavy load | 1. Dirty air filter 2. Engine running cold. | 1. Clean element. 2. Allow engine to warm up prior to operating equipment. |
| Engine knocks | 1. Old or low quality gasoline.
2. Engine overloaded. 3. Incorrect spark timing, deposit buildup, worn engine, or other mechanical problems. | 1. Fill fuel tank with fresh 87+ octane stabilizer- treated unleaded gasoline. Do not use gasoline with more than 10% ethanol (E15, E20, E85, etc.). 2. Do not exceed equipment’s load rating. 3. Have qualified technician diagnose and service engine. |
| Engine backfires | 1. Impure or low quality gasoline.
2. Engine too cold.
3. Intake valve stuck or overheated engine.
4. Incorrect timing. | 1. Fill fuel tank with fresh 87+ octane stabilizer- treated unleaded gasoline. Do not use gasoline with more than 10% ethanol (E15, E20, E85, etc.). 2. Use cold weather fuel and oil additives to prevent backfiring. 3. Have qualified technician diagnose and service engine. 4. Check engine timing. |
| After sudden impact, engine will run, but equipment will not operate | Shaft key or other shear pin broken by impact to disconnect engine and limit damage. | Have qualified technician check and replace broken shaft key or other shear pins. |
Follow all safety precautions whenever diagnosing or servicing the equipment or engine.
Limited 90 Day Warranty (Retail)
Harbor Freight Tools Co. makes every effort to assure that its products meet high quality and durability standards, and warrants to the original purchaser that this product is free from defects in materials and workmanship for the period of 90 days from the date of purchase. This warranty does not apply to damage due directly or indirectly, to misuse, abuse, negligence or accidents, repairs or alterations outside our facilities, criminal activity, improper installation, normal wear and tear, or to lack of maintenance. We shall in no event be liable for death, injuries
to persons or property, or for incidental, contingent, special or consequential damages arising from the use of our product. Some states do not allow the exclusion or limitation of incidental or consequential damages, so the above limitation of exclusion may not apply to you. THIS WARRANTY IS EXPRESSLY IN LIEU OF ALL OTHER WARRANTIES, EXPRESS OR IMPLIED, INCLUDING THE WARRANTIES OF MERCHANTABILITY AND FITNESS, EXCEPT FOR THE EMISSIONS CONTROL SYSTEM WARRANTY BELOW.
To take advantage of this warranty, the product or part must be returned to us with transportation charges prepaid. Proof of purchase date and an explanation of the complaint must accompany the merchandise. If our
inspection verifies the defect, we will either repair or replace the product at our election or we may elect to refund the purchase price if we cannot readily and quickly provide you with a replacement. We will return repaired products at our expense, but if we determine there is no defect, or that the defect resulted from causes not within the scope of our warranty, then you must bear the cost of returning the product.
This warranty gives you specific legal rights and you may also have other rights which vary from state to state.
Emissions Control System Warranty
The California Air Resources Board and Harbor Freight Tools (HFT) are pleased to explain the emissions control system warranty on your [Model Year] Small Off-Road Engine, in addition to the Retail Warranty above. In California, new equipment that uses small off-road engines must be designed, built, and equipped to meet the State’s stringent anti-smog standards. HFT must warrant that the emissions control system on your engine will be free from defects in material and workmanship for two (2) years, provided there has been no abuse, neglect, or improper maintenance of your engine.
Your emissions control system may include parts such as the carburetor or fuel-injection system, the ignition system, catalytic converter, fuel tanks, fuel lines, fuel caps, valves,canisters, vapor hoses, clamps, connectors, and other emissions-related assemblies.
Where a warrantable condition exists, HFT will repair or replace, at our option, your engine if at no cost to you, including diagnosis, parts and labor.
MANUFACTURER’S WARRANTY COVERAGE
This emissions control system is warranted for two years. If any emission-related part on your engine is defective, the part will be repaired or replaced by HFT.
OWNER’S WARRANTY RESPONSIBILITIES
As the engine owner, you are responsible for the performance of the required maintenance listed in your Owner’s Manual.
As the engine owner, you should however be aware that HFT may deny you warranty coverage if your engine or a part has failed due to abuse (including failure to follow the fuel use instructions contained in this manual), neglect, improper maintenance, or unapproved modifications.
You are responsible for contacting HFT as soon as the problem exists in order to obtain warranty repair or replacement, by doing either of the following:
(a) contact HFT product support at 1-888-866-5797 or [email protected]; or (b) bring the to your nearest Harbor Freight Tools retail store. The nearest Harbor Freight Tools retail store can be found on the internet at http://www.harborfreight.com. The warranty repairs or replacement should be completed in a reasonable amount of time, not to exceed 30 days. If you have a question regarding your warranty coverage,
you should contact HFT product support at 1-888-866-5797 or [email protected].
GENERAL EMISSIONS WARRANTY COVERAGE
a) The warranty period begins on the date the engine or equipment is delivered to an ultimate purchaser. The warranty period is two years.
b) HFT warrants to the initial owner and each subsequent owner that the engine is:
1. Designed, built, and equipped so as to conform with all applicable regulations adopted by the Air Resources Board; and
2. Free from defects in materials and workmanship that causes the failure of a warranted part for a period of two years.
c) The warranty on emissions-related parts is as follows:
- Any warranted part that is not scheduled for replacement as required maintenance in the written instructions provided, is warranted for the warranty period stated above. If any such part fails during the period of warranty coverage, it will be repaired or replaced HFT. Any such part repaired or replaced under the warranty will be warranted for the remaining warranty period.
- Any warranted part that is scheduled only for regular inspection in the written instructions is warranted for the warranty period stated above. A statement in the written instructions to the effect of “repair or replace as necessary” does not reduce the period of warranty coverage. Any such part repaired or replaced under warranty will be warranted for the remaining warranty period.
- Any warranted part that is scheduled for replacement as required maintenance in the written instructions will be warranted for the period of time prior to the first scheduled replacement point for that part. If the part fails prior to the first scheduled replacement, the part will be repaired or replaced by HFT. Any such part repaired or replaced under warranty will be warranted for the remainder of the period prior to the first scheduled replacement point for the part.
- Repair or replacement of any warranted part under the warranty will be performed at no charge to the owner at a retail store or by HFT paying for shipping the product for repair.
- Notwithstanding the provisions herein, warranty services or repairs will be provided at all retail stores or by contacting HFT product support at 1-888-866-5797 or [email protected].
- The owner will not be charged for diagnostic labor that leads to the determination that a warranted part is in fact defective, provided that such diagnostic work is performed at a retail store.
- HFT is liable for damages to other engine components proximately caused by a failure under warranty of any warranted part.
- Throughout the emissions warranty period stated above, HFT will maintain a supply of warranted parts sufficient to meet the expected demand for such parts.
- Any replacement part may be used in the performance of any warranty maintenance or repairs and will be provided without charge to the owner. Such use will not reduce the warranty obligations of HFT.
- Add-on or modified parts that are not approved by HFT may not be used. The use of any non-exempted add-on or modified parts will be grounds for disallowing a warranty claim. HFT is not liable to warrant failures of warranted parts caused by the use of a non-exempted add-on or modified part.
d) Emission Warranty Parts List.
- Fuel Metering System
a. Carburetor and its internal parts (and/or pressure regulator or fuel injection system).
b. Fuel tank.
c. Cold start enrichment system.
d. Air/fuel ratio feedback and control system. - Air Induction System
a. Controlled hot air intake system.
b. Intake manifold.
c. Air filter. - Ignition System
a. Spark plugs.
b. Magneto ignition system.
c. Spark advance/retard system. - Catalyst System (if so equipped)
a. Exhaust pipe stud/exhaust manifold.
b. Thermal reactor.
c. Catalytic converter (if so equipped). - Particulate Controls
a. Traps, filters, precipitators, and any other device used to capture particulate emissions. - Miscellaneous Items Used in Above Systems
a. Vacuum, temperature and time sensitive valves and switches. - Hoses, belts, connectors, and assemblies.
7. Evaporative Emission Control System
a. Fuel tank.
b. Fuel caps, valves, canisters, filters, vapor hoses, clamps, connectors, belts, and assemblies.
HFT provides with each product written instructions for the maintenance and use of the product by the owner.
PLEASE READ THE FOLLOWING CAREFULLY
THE MANUFACTURER AND/OR DISTRIBUTOR HAS PROVIDED THE PARTS LIST AND ASSEMBLY DIAGRAM IN THIS MANUAL AS A REFERENCE TOOL ONLY. NEITHER THE MANUFACTURER OR DISTRIBUTOR MAKES ANY REPRESENTATION OR WARRANTY OF ANY KIND TO THE BUYER THAT HE OR SHE IS QUALIFIED TO MAKE ANY REPAIRS TO THE PRODUCT, OR THAT HE OR SHE IS QUALIFIED TO REPLACE ANY PARTS OF THE PRODUCT. IN FACT, THE MANUFACTURER AND/OR DISTRIBUTOR EXPRESSLY STATES THAT ALL REPAIRS AND PARTS REPLACEMENTS SHOULD BE UNDERTAKEN BY CERTIFIED AND LICENSED TECHNICIANS, AND NOT BY THE BUYER. THE BUYER ASSUMES ALL RISK AND LIABILITY ARISING OUT OF HIS OR HER REPAIRS TO THE ORIGINAL PRODUCT OR REPLACEMENT PARTS THERETO, OR ARISING OUT OF HIS OR HER INSTALLATION OF REPLACEMENT PARTS THERETO.
Record Product’s Serial Number Here:
Note: If product has no serial number, record month and year of purchase instead.
Note: Some parts are listed and shown for illustration purposes only, and are not available individually as replacement parts. Specify UPC 193175413598 when ordering parts.
Parts List and Diagrams
Parts List
| part | Description | Qty. | part | Description | Qty. | |
| 1 | Crankcase | 1 | 47 | Spark Plug | 1 | |
| 2 | Ball Bearing | 2 | 48 | Push Rod | 2 | |
| 3 | Oil Seal | 2 | 49 | Shroud | 1 | |
| 4 | Governor Assembly | 1 | 50 | Bolt M6 x 12 | 13 | |
| 5 | Governor Arm Shaft | 1 | 51 | Cylinder Head Cover Gasket | 1 | |
| 6 | Governor Arm Shaft Washer | 1 | 52 | Cylinder Head Cover | 1 | |
| 7 | Lock Pin | 1 | 53 | Wind Shield Comp. | 1 | |
| 8 | Drain Plug Bolt | 2 | 54 | Bolt M6 x 20 | 1 | |
| 9 | Drain Plug Washer | 2 | 55 | Flywheel Assembly | 1 | |
| 10 | Oil Level Switch Assembly | 1 | 56 | Recoil Starter Fan | 1 | |
| 11 | Bolt M6 x 16 | 2 | 57 | Starter Pulley | 1 | |
| 12 | Crankcase Cover Dowel Pin | 2 | 58 | Nut | 1 | |
| 13 | Piston | 1 | 59 | Ignition Coil Assembly | 1 | |
| 14 | Piston Ring Set | 1 | 60 | Bolt M6 x 25 | 2 | |
| 15 | Connecting Rod Assembly | 1 | 61 | Intake Gasket | 1 | |
| 16 | Piston Pin | 1 | 62 | Carburetor Insulator | 1 | |
| 17 | Piston Clip | 2 | 63 | Carburetor Gasket | 1 | |
| 18 | Crankcase Cover Assembly | 1 | 64 | Carburetor Spacer | 1 | |
| 19 | Spring Washer | 2 | 65 | Governor Rod | 1 | |
| 20 | Dipstick | 1 | 66 | Throttle Return Spring | 1 | |
| 21 | Cylinder Head | 1 | 67 | Recoil Starter Assembly | 1 | |
| 22 | Intake Valve | 1 | 68 | Rocker Arm Components | 2 | |
| 23 | Exhaust Valve | 1 | 69 | Throttle Assembly | 1 | |
| 24 | Intake Valve Returner | 1 | 70 | Air Cleaner Assembly | 1 | |
| 25 | Valve Spring | 2 | 71 | Governor Spring | 1 | |
| 26 | Intake Valve Spring Seat | 1 | 72 | Amplifier | 1 | |
| 27 | Exhaust Valve Spring Seat | 1 | 73 | Clip | 1 | |
| 28 | Push Rod Guide Plate | 1 | 74 | Exhaust Gasket | 1 | |
| 29 | Rocker Arm | 2 | 75 | Muffler | 1 | |
| 30 | Rotator | 1 | 76 | BreatherTube | 1 | |
| 31 | Stud Bolt | 2 | 77 | Nut M8 | 2 | |
| 32 | Stud Bolt | 2 | 78 | Fuel Tank Assembly | 1 | |
| 33 | Carburetor Assembly | 1 | 79 | Fuel Tank Cap | 1 | |
| 34 | Fuel Line | 1 | 80 | Bolt M6 x 28 | 1 | |
| 35 | Fuel Line Clip | 2 | 81 | Switch Assembly | 1 | |
| 36 | Governor Arm | 1 | 82 | Roll Over Valve | 1 | |
| 37 | Oil Plug | 1 | 83 | Breather Pipe Bumper | 1 | |
| 38 | Nut M6 | 2 | 84 | Connecting Pipe | 1 | |
| 39 | Crankshaft Assembly | 1 | 85 | Fuel Line Clip | 1 | |
| 40 | Valve Lifter | 2 | 86 | Fuel Line Clip | 1 | |
| 41 | Crankcase Cover Gasket | 1 | 87 | Throttle Handle | 1 | |
| 42 | Camshaft Assembly | 1 | 88 | Wire Harness Clip | 1 | |
| 43 | Dowel Pin | 2 | 89 | Nut M6 | 2 | |
| 44 | Bolt M8 x 30 | 6 | 90 | Crankshaft Flat Key | 1 | |
| 45 | Cylinder Head Gasket | 1 | 91 | Crankshaft Flat Mat | 1 | |
| 46 | Bolt M8 x 60 | 4 | ||||
Assembly Diagram

Mounting Hole Diagram

Power Take-Off Diagram
Note: Not to scale.

For technical questions, please call 1-888-866-5797.
26677 Agoura Road • Calabasas, CA 91302 • 1-888-866-5797





































