SWISHER WBRC11524 The Predator Walk Behind Rough Cut Owner’s Manual
LIMITED WARRANTY
The manufacturer’s warranty to the original consumer purchaser is: This product is free from defects in materials and workmanship for a period of one (1) year from the date of purchase by the original consumer purchaser.
We will repair or replace, at our discretion, parts found to be defective due to materials or workmanship. This warranty is subject to the following limitations and exclusions:
- Engine Warranty
All engines utilized on our products has a separate warranty extended to them by the individual engine manufacturer. Any engine service difficulty is the responsibility of the engine manufacturer and in no way is Swisher or its agents responsible for the engine warranty. The Briggs & Stratton Engine Service Hot Line is 1-800-233-3723. - Commercial Use
This product is not intended for commercial use and carries no commercial warranty. - Limitations
This warranty applies only to products, which have been properly assembled, adjusted, and operated in accordance with the instructions contained within this manual. This warranty does not apply to any product of Swisher that has been subject to alteration, misuse, abuse, improper assembly or installation, shipping damage, or to normal wear of the product. - Exclusions
Excluded from this warranty are normal wear, normal adjustments, and normal maintenance. In the event you have a claim under this warranty, you must return the product to an authorized service dealer. All transportation charges, damage, or loss incurred during transportation of parts submitted for replacement or repair under this warranty shall be borne by the purchaser. Should you have any questions concerning this warranty, please contact us toll-free at 1-800-222-8183. The model number, serial number, date of purchase, and the name of the authorized Swisher dealer from whom you purchased the mower will be needed before any warranty claim can be processed.THIS WARRANTY DOES NOT APPLY TO ANY INCIDENTAL OR CONSEQUENTIAL DAMAGES AND ANY IMPLIED WARRANTIES ARE LIMITED TO THE SAME TIME PERIODS STATED HEREIN FOR ALL EXPRESSED WARRANTIES. Some states do not allow the limitation of consequential damages or limitations on how long an implied warranty may last, so the above limitations or exclusions may not apply to you. This warranty gives you specific legal rights and you may have other rights, which vary from state-to-state. This is a limited warranty as defined by the Magnuson-Moss Act of 1975.
Thank you for choosing Swisher’s 24” Walk Behind Rough Cut. Before operating your Walk Behind, please read, understand and follow all of the safety precautions and other instructions explained in this manual. As with all power equipment, lawn mowers can be potentially dangerous if not properly used.
SAFETY PRECAUTIONS
This Safety Alert Symbol indicates important messages in this manual. When you see this symbol, carefully read the message that follows and be alert to the possibility of personal injury.
Read this manual completely. This machine can amputate hands and feet, and throw objects. Failure to observe the following safety instructions could result in serious injury or death.
- Read the manual. Learn to operate this machine safely.
- Always disconnect the spark plug wire and place the wire where it cannot contact the spark plug, to prevent accidental starting the engine when setting up, transporting, adjusting or making repairs.
- Keep all shields and guards in place.
- Understand the speed, steering and stability of this machine. Know the positions and operations of all controls before you operate this machine. Check all of the controls in a safe area before starting to work with this machine.
- Allow only responsible adults who are familiar with these instructions to operate this machine. Never allow children to operate this machine.
- Clear the area of objects such as rocks, toys, wire, etc. that can be picked up and thrown by the blade.
- Be sure the area is clear of other people before mowing. Be aware of the mower discharge direction and do not point at anyone. Stop the machine if anyone enters the mowing area. Children are often attracted to the machine and the mowing activity.
Never assume that children will remain where you last saw them. Keep children under the watchful care of another responsible adult. - No riders!
- Do not put hands or feet near or under rotating parts.
- Do not mow in reverse. Always look down and behind before and during backing.
- Turn off the blade when not mowing. Before leaving the machine, turn off the blade and stop the engine.
- Watch for traffic when operating near or crossing roadways.
- Do not operate the mower if it has been dropped or damaged in any manner or if the mower vibrates excessively. Excessive vibration is an indication of damage. Repair mower as necessary.
- Dress properly. Do not operate the mower when barefoot or wearing open sandals. Wear only solid shoes with good traction when mowing.
- Never allow operation by untrained persons.
- Do not operate the machine while under the influence of alcohol or drugs.
- Do not operate on slopes greater than 15 degrees.
- Never tamper with safety devices. Check their proper operation regularly.
- Stop and inspect the equipment if you strike an object. Repair, if necessary, before restarting. Never make adjustments or repairs with the engine running.
- Mower blades are sharp and can cut. Wrap the blades or wear gloves, and use extra caution when servicing them.
- Do not operate at too fast a rate.
PRE-OPERATING INSTRUCTIONS
- Disengage spark plug wire and place where it cannot make a connection.
- Check engine oil. All engines are filled with oil at the factory. Verify oil level and add if necessary before starting engine (See Engine Owner’s Manual).
- Verify fuel level and add if necessary before starting engine.
- Reconnect spark plug wire.
- Refer to pages 5-7 in this manual for proper operating procedures.

OPERATING YOUR NEW WALK BEHIND
The operation of any mower can produce foreign objects to be thrown into the eyes, resulting in severe eye damage. Always wear certified safety glasses or wide-vision safety goggles over spectacles before starting any cutting machine and while operating such a machine.
The operation of any mower produces sound waves that are damaging to the human ear. Ear protection is recommended.
CAUTION!
Tragic accidents can occur if the operator is not alert to the presence of children. Children are often attracted to the machine and the mowing activity. Never assume that children will remain where you last saw them.
INTENDED USE
This is not a lawn mower. The Predator is designed for cutting overgrown brush, weeds, and other types of organic growth. This unit is capable of clearing small saplings of 1.5” in diameter or less.
TRAVEL SPEED
Speed can be varied by choosing a higher or lower gear using the gearshift lever at the rear of the machine or by changing the engine speed with the engine throttle. Do not adjust speed with the blade engaged. To shift the cutter into reverse, release the “GROUND CONTROL” lever, disengage the blade, and rotate the shift lever to the left.
When the lever stops, lift up the reverse lockout latch and continue to move the shift lever to the left until it stops again.
PROPULSION
The Predator is self-propelled and is controlled by a “GROUND CONTROL” lever. To engage the drive, shift the transaxle to a gear and activate the left lever by squeezing it against the handle. Releasing the lever will disengage the self-propel. Under most conditions cutting should be done in a low gear (1st or 2nd). Upper gears should be used for conditions where weeds and brush are thinned out or not as tall. In confined areas the machine can be pushed forwards or backwards by releasing the “GROUND CONTROL” lever, shifting the transaxle to neutral, and pushing the machine.
ENGAGING BLADE
An “OPERATOR PRESENCE” lever and a “BLADE ENGAGE DRIVE” control work together to engage the Predator’s blade. Both devices must be activated before the blade will work. Releasing the “OPERATOR PRESENCE” lever will disengage both the blade and the “BLADE ENGAGE DRIVE” control.
STARTING THE ENGINE
See engine manufacturer’s recommendations for the type and amount of oil and fuel used. Engine must be level to accurately check and fill oil. Do not overfill.
- Make sure unit is level, blade is disengaged, and transaxle in “NEUTRAL”
- Check spark plug wire, oil level, and fuel level.
- Check all electrical connections for build-up of debris.
- If needed set “CHOKE” to choke position.
- Flip the engine control switch to “ON” position.
- Set engine throttle control to ½ throttle position.
- Pull rope with a single fluid motion.
- After engine has started set “CHOKE” to “RUN” position
IMPORTANT:
This engine may not be equipped with a spark arrester muffler. It is a violation of California Public Resource Code Section 4442 to use or operate the engine on any forest-covered, brush-covered, or grass-covered land. Other states or federal areas may have similar laws.
STOPPING
- Bring the Walk Behind to a complete stop by releasing the “GROUND CONTROL” lever. (left).
- Disengage mower blade by releasing the BLADE ENGAGE DRIVE” control (right).
- Reduce engine idle speed, and allow engine to run momentarily for cooling.
- Place transaxle in the “NEUTRAL” position.
- Flip the engine control switch to “OFF” position.
HEIGHT ADJUSTMENT
- Place two 6” wooden blocks under the deck on the side being adjusted.
- Remove nuts and bolts from the side runner.
- Slide skid up or down to preferred position.
- Replace the nuts and bolts making certain they are tightened securely.
- Repeat for the other side. Runners should be at the same height.
BREAKING IN YOUR WALK BEHIND
- Start engine properly.
- Slowly engage blade control.
- Under supervision, allow blade to rotate and engine to idle for 5 minutes.
- Disengage blade.
- Shift through each gear. While in each gear engage the “GROUND CONTROL” lever and travel 20 yards to ensure transaxle works properly.
BEGIN CUTTING
- Make sure area is clear of all bystanders.
- Make sure that all guards, belt guides, and the spark plug wire are properly attached.
- Start engine, set engine throttle control at maximum engine idle speed for best results.
- Allow engine to run a few moments and slowly engage blade.
- Move transaxle into low gear and activate “GROUND CONTROL” lever.
- Turning is done by rotating the handles left or right. This machine has significant weight and may take more effort to turn than one may expect. Turning could take practice.
BACKING UP
- Disengage blade.
- Check behind you for safety.
- Move transaxle into “REVERSE” position.
- Activate “GROUND CONTROL” lever.
TRANSPORTING
- Shut off engine.
- Secure in place while unit is being transported.
- Unit should be left in low gear to avoid any slight rolling.
SUGGESTED PRACTICES
- Always operate engine at full throttle when cutting to assure the best cutting performance and proper discharge of material.
- If grass is wet, allow it to dry. Wet grass clumps will collect on the bottom of the deck.
- Go slow when cutting dense areas. Some dense areas may need to be gone over twice. Better results occur if the second cut is 90 degrees to the first cut.
BEFORE EACH SEASON
A new spark plug and clean air filter assure proper air-fuel mixture and help your engine run better and last longer.
- Replace the spark plug.
- Clean or replace the air filter.
- Check blades and belts for wear.
BEFORE EACH USE
- Check engine oil level. Do this twice to ensure an accurate reading.
- Check condition of air filter and clean or replace if necessary.
- Check blade operation.
- Check for loose fasteners.
DAILY MAINTENANCE
Make sure all nuts and bolts are tight and cotter pins and retainer springs are secure. Keep blades sharp. Observe all safety precautions.
BLADE CARE AND SERVICE
For best results blades must be kept sharp. The blades can be sharpened with a few strokes of a file or grinding wheel. Do Not attempt to sharpen blades while they are on the machine.
Important: Replace blades that have been damaged or deeply nicked.
Important: Check blade and spindle hardware on a regular basis to make sure nuts are tight.

SAFETY AND OPERATIONAL DECALS
- OD55–DANGER DECAL

- OD45–WARNING DECAL

- OD83–RN1234 SHIFT DECAL

- 10749–REVERSE LOCK DECAL

- 19976–SWISHER FLAG DECAL

- OD99112—LARGE LOGO WHITE DECAL
OD99156—SMALL LOGO WHITE DECAL
DECALS NOT SHOWN
OD85–Predator LH Decal
OD86–Predator RH Decal
OD87–Rugged Cut 24 4SP Trans White Decal
ASSEMBLY DETAIL


Item # | Description | Part # |
1 | Cover – Belt | 10682* |
2 | Bolt – Serrated Flange 5/16-18 X 3/4 | NB596 |
3 | Nut – Serrated Flange 5/16-18 | NB170 |
4 | Channel – Right Side | 19211* |
5 | Channel – Left Side | 19212* |
6 | Clip – Twistlock, Nylon 1/2″ | NB683 |
7 | Height Adjustment Mount | 19214* |
8 | Clip – Tinnerman 5/16-18 | 3706 |
9 | Bolt – Serrated Flange 5/16-18 X 2 1/4 | NB622 |
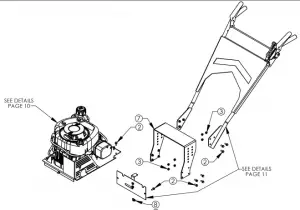
ENGINE & PULLEY ASSEMBLY
Item # | Description | Part # |
1 | 5/16-18 X 1 1/4 Serr. Flange Bolt | NB253 |
| 2 | 5/16-18 X 3/4 Serr. Flange Bolt | NB596 |
3 | Bracket – ON/OFF Switch, Txt Blk | 19201* |
4 | Switch – Toggle | 19192 |
5 | 5/16-18 Serr. Flange Nut | NB170 |
6 | Belt Retention Weldment | 10767 |
7 | Engine Pulley Spacer 1.75″ Long | BB105S |
8 | 1/4 X 1/2 Key Stock | 4258 |
9 | Engine Pulley- 2.5″ | 2411 |
10 | Engine Pulley- 4.25″OD,1 1/4 ID | BB105 |
11 | Washer Belleville | 699 |
12 | Bolt – Serr Flange, 5/16-18 X 1 3/4 Gr5 | NB515 |
13 | 3/8-16 2 Way Locking Nut | NB280 |
14 | Idler Pulley OD-2.16″, ID-3/8″ | B27 |
15 | Transmission Belt-35″ | 690 |
16 | 1 X 1 1/2 10GA Washer | NB614HT |
17 | 1/4 X 1 Key Stock | 9031 |
18 | Washer, Front Wheel | TR150W |
19 | 7/16-20 X 1 1/2 HCF GR5 ZP Nyloc | NB637 |
20 | Engine B&S Recoil St W/Gas Tank | N/A |
21 | Nut – Nyloc 5/16-18 ZY | NB181 |
22 | Valve – Oil Drain | 16000 |
23 | Guard – Wire | 19478* |
24 | 1/4-20 Serr. Flange Nut | NB524 |
25 | Motor Plate | 19213* |
26 | 3/8 SAE Washer | NB272 |
27 | 3/8-16 X 1 1/2 HCCG | NB107 |
28 | Spring | T2SM |
29 | 1/4-20 X 3/4 GR5 ZP Bolt | NB250 |
30 | Idler Arm | 10671* |
31 | Idler Bushing | 6037 |
32 | 3/8-16 X 1 GR5 ZP Bolt | NB604 |
Not Shown | Transmission Cable | 19209 |

REAR COVER ASSEMBLY
Item # | Description | Part # |
1 | 5/16-18 Serr. Flange Nut | NB170 |
2 | Rear Cover | 10679* |
3 | Anti Reverse Arm | 10680* |
4 | Spacer | B99S |
5 | 5/16-18 X 3/4 Serr. Flange Bolt | NB596 |


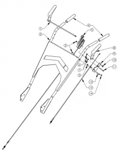
HANDLE BAR & LEVER ASSEMBLY
Item # | Description | Part # |
1 | Lever – Blade Engagement Weldment | 19444* |
2 | Weldment – Handle | 21078* |
3 | Nut – Nyloc 1/4-20 | NB180 |
4 | Grip – Handle | 7826 |
5 | Control – Latching Drive | 19208 |
6 | Nut – Nyloc 5/16-18 | NB181 |
7 | Washer – SAE Flat 1/4 | NB274 |
8 | Lever – Engagement | 10685* |
9 | Plate – Blade Lever Cable | 10713* |
10 | Bolt – Serrated Flange 5/16-18 X 3/4 | NB596 |
11 | Bolt – 1/4-20 X 2 3/4 | 19455 |
12 | Bolt – 1/4-20 X 1 3/4 | NB278 |
13 | Cable – Transmission | 19209 |
14 | Bolt – MSC 1/4-20 X 1/2 | NB113 |
BLADE DRIVER ASSEMBLY
Item # | Description | Part # |
1 | 3/4-16 Jam Nut | NB175 |
2 | 1.5x.761x.098x.134 Belleville Washer | AS155 |
3 | Blade Pulley, 5″ | 20651 |
4 | Spacer – 3/4 ID x 1 Powder Metal | 12823 |
| 5 | 3/4 ID X 1 1/4 OD 18 GA Washer | NB179 |
6 | Blade Bearing | B98 |
7 | Blade Shaft 6″- Long Shoulder | 9078 |
8 | 5/16-18 Serr. Flange Nut | NB170 |
9 | Blade Bearing Housing | 9091* |
10 | 5/16-18 X 3/4 Serr. Flange Bolt | NB596 |
11 | 3/4 ID X 1 3/4 OD Flat Washer | B98W |
12 | 3/8-24 Two Way Locknut | NB216 |
13 | Blade Mount Plate | 9008 |
14 | Blade 24″ | 9016 |
15 | 3/8-24 X 1 Bolt | NB238 |
16 | SP Washer Bellvl. PLN .413 X .945 X .118 | NB607 |
17 | 3/8-24 X 1 Engine Bolt Locktite | NB238N |
18 | Blade Driver Assembly | 10712 |


BRAKE ASSEMBLY
Item # | Description | Part # |
1 | Nut – Jam, Nyloc 3/8-16 | NB207 |
2 | Washer – SAE Flat 3/8 | NB272 |
3 | Finger for Belt Release | T30F |
4 | Nut – Jam 3/8-16 | NB174 |
5 | Pulley – Idler Clutch, 2 3/4 OD | T30V |
6 | Nut – 2 Way Lock 3/8-16 | NB280 |
7 | Idler – Blade Weldment | 10668* |
8 | Bolt – HTC, 3/8-16 X 2 | NB231 |
9 | Pulley – Idler, OD3.25 X ID3/8 | B527 |
10 | Bolt – 1/2-13 X 3 HCC | NB131 |
11 | Nut – Jam Lock, 1/2-13 2-Way | NB121 |
12 | Bolt – 3/8-16 X 2 1/2 HTC | NB619 |
13 | Washer – Hardened 3/8 | NB196 |
14 | Spacer – .625 OD X 1.25 | 8072* |
15 | Spring – Torsion Brake | BT297 |
16 | Pad – Brake, Cylindrical | 9114 |
17 | Spring – Brake Pad Retainer | BP370S |
18 | Chain – Sgl Jk Chn, Zps, Sz12, 16# | AS080 |
19 | Bolt – 3/8-16 X 1 1/2 HCC | NB107 |
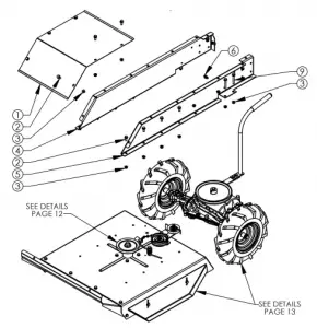
MOWER DECK ASSEMBLY
Item # | Description | Part # |
1 | Deck Weldment | 10695* |
2 | 1/4-20 X 3/4 GR5 ZP Bolt | NB250 |
3 | Blade Engagement Cable Clip | 10673* |
4 | 1/4-20 Nyloc Nut | NB180 |
5 | Nut – Serrated Flange 5/16-18 | NB170 |
6 | Deck Side Skid | 18512* |
7 | Bolt – Serrated Flange, 5/16-18 X 3/4 | NB596 |
8 | Brush Guard | 10681* |


TRANSAXLE ASSEMBLY
Item # | Description | Part # |
1 | Wheel – Asy Right; WB24 4.8×8 | 2401RK |
| 2 | Screw – Set 5/16-18 X 1/2 | NB312 |
3 | Pulley – Transmission, 8″ | 2410 |
4 | Washer – SAE Flat 1/4 ZY | NB274 |
5 | Washer – 1/4 Split Lock | NB135 |
6 | Bolt – Hex 1/4-28 X 3/4 | 06X105 |
7 | Bolt – Serr Flange, 5/16-18 X 3/4 | NB596 |
8 | Weldment – Shift Handle | 13897* |
9 | Grip – Transmission Lever | 2427 |
10 | Lever – Transmission | 20652* |
11 | Nut – Serr Flange 5/16-18 | NB170 |
12 | Transaxle – 4 Speed | 19563 |
13 | Washer – 3/4ID X 1 1/4OD | NB184 |
14 | Key Stock – 3/16 X 1 1/2 | 2434 |
15 | Wheel – Asy Left; WB24 4.8×8 | 2401LK |
16 | Ring – E-Style Retaining 3/4 | NB621 |




















![Predator Triton 500 [pt515-51] User Manual Predator Triton 500 [pt515-51] User Manual](https://static-data1.manualsee.com/1/img/159/15291/2020/12/Predator-Triton.jpg)
![Predator Triton 500 [pt515-51] User Manual Predator Triton 500 [pt515-51] User Manual](https://static-data1.manualsee.com/1/img/304/15889/2020/12/Predator-Triton-500.jpg)




