Owner’s Manual & Safety Instructions
Save This Manual Keep this manual for the safety warnings and precautions, assembly, operating, inspection, maintenance, and cleaning procedures. Write the product’s serial number on the back of the manual near the assembly diagram (or month and year of purchase if the product has no number). Keep this manual and the receipt in a safe and dry place for future reference.
21g


58383
Visit our website at: http://www.harborfreight.com
email our technical support at: [email protected]
email our engine support at: [email protected]
DANGER
using an engine indoors Can KiLL yOu in MinuTeS. engine exhaust contains carbon monoxide. This is a poison you cannot see or smell.
| NEVER use inside home or garage, EVEN iF doors and windows are open. | Only use OUTSIDE and far away from windows, doors, and vents. |
When unpacking, make sure that the product is intact and undamaged. If any parts are missing or broken, please call 1-888-866-5797 as soon as possible.
Copyright© 2021 by Harbor Freight Tools®. All rights reserved. No portion of this manual or any artwork contained herein may be reproduced in any shape or form without the express written consent of Harbor Freight Tools. Diagrams within this manual may not be drawn proportionally. Due to continuing improvements, the actual product may differ slightly from the product described herein. Tools required for assembly and service may not be included.
WARNING
Read this material before using this product. Failure to do so can result in serious injury. SAVE THIS MANUAL.
Specifications
| Displacement | 459 cc | |
| Engine Type | Horizontal Single Cylinder 4 stroke OHV EPA phase III compliant | |
| Cooling System | Forced air-cooled | |
| Starting System | Electric/ Recoil | |
| Fuel | Type | 87+ octane stabilizer treated unleaded gasoline |
| Capacity | 1.85 Gallon | |
|
Engine Oil | Type SAE | 10W-30 above 32° F 5W-30 at 32° F or below |
| Capacity | 1.16 Quart | |
| Low Oil Shutdown | Yes | |
| Maximum Horsepower | 15.8 HP @ 3600 RPM | |
| Bore x Stroke | 92 mm x 69 mm | |
| Compression Ratio | 8.8:1 | |
| Rotation viewed from PTO (power takeoff – the output shaft) | Counterclockwise | |
| Shaft | Shaft | 1″ x 3.5″ |
| Keyway | 1/4″ (6.35 mm) | |
| End Tapped | 3/8″– 24 UNF | |
| Spark Plug | Type | NHSP ® / Torch® F7TC |
| Gap | 0.028″– 0.031″ | |
| Valve Clearance | Intake | 0.0020″– 0.0039″ |
| Exhaust | 0.0012″– 0.0031″ | |
| Maximum Speed | No Load | 3800 RPM |
The emission control system for this Engine is warranted for standards set by the U.S. Environmental Protection Agency. For warranty information, refer to the last pages of this manual.
| WARNING SYMBOLS AND DEFINITIONS | |
| This is the safety alert symbol. It is used to alert you to potential personal injury hazards. Obey all safety messages that follow this symbol to avoid possible injury or death. |
| Indicates a hazardous situation which, if not avoided, will result in death or serious injury. |
| Indicates a hazardous situation which, if not avoided, could result in death or serious injury. |
| Indicates a hazardous situation which, if not avoided, could result in minor or moderate injury. |
| NOTICE CAUTION | Addresses practices not related to personal injury. |
Symbol Definitions
| Symbol | Property or Statement |
| RPM | Revolutions Per Minute |
| HP | Horsepower |
| WARNING marking concerning Risk of Eye Injury. Wear ANSI-approved safety goggles with side shields. |
| Read the manual before set-up and/or use. |
| WARNING marking concerning Risk of Hearing Loss. Wear hearing protection. |
| Symbol | Property or Statement |
| WARNING marking concerning Risk of Respiratory Injury. Operate engine OUTSIDE and far away from windows, doors, and vents. | |
| WARNING marking concerning Risk of Fire while handling fuel. Do not smoke while handling fuel. | |
| WARNING marking concerning Risk of Fire. Do not refuel while operating. Keep flammable objects away from engine. |
Safety Warnings
WarninG! read all instructions.
Failure to follow all instructions listed below may result in fire, serious injury, and/or DeaTH. The warnings and precautions discussed in this manual cannot cover all possible conditions and situations that may occur. It must be understood by the operator that common sense and caution are factors that cannot be built into this product but must be supplied by the operator.
SAVE THESE INSTRUCTIONS
Set up precautions
- Gasoline fuel and fumes are flammable and potentially explosive. Use proper fuel storage and handling procedures. Do not store fuel or other flammable materials nearby.
- Have multiple ABC class fire extinguishers nearby.
- Operation of this equipment may create sparks that can start fires around dry vegetation. A spark arrestor may be required. The operator should contact local fire agencies for laws or regulations relating to fire prevention requirements.
- Set up and use only on a flat, level, well-ventilated surface.
- Wear ANSI-approved safety goggles, heavy-duty work gloves, and dust mask/respirator during setup.
- Use only lubricants and fuel recommended in the Specifications chart of this manual.
Operating precautions
CARBON MONOXIDE HAZARD Using an engine indoors CAN KILL YOU IN MINUTES. Engine exhaust contains carbon monoxide. This is a poison you cannot see or smell.
NEVER use it inside a home or garage, EVEN IF doors and windows are open.
Only use OUTSIDE and far away from windows, doors, and vents.- Keep children away from the equipment, especially while it is operating.
- Keep all spectators at least six feet from the Engine during operation.
- Fire Hazard! Do not fill the gas tank while the engine is running. Do not operate if gasoline has been spilled. Clean spilled gasoline before starting the engine. Do not operate near pilot light or open flame.
- Do not touch the engine during use. Let the engine cool down after use.
- Never store fuel or other flammable materials near the engine.
- Only use a suitable means of transport and lifting devices with sufficient weight-bearing capacity when transporting the Engine.
- Secure the Engine on transport vehicles to prevent the tool from rolling, slipping, and tilting.
- Industrial applications must follow OSHA requirements.
- Do not leave the equipment unattended when it is running. Turn off the equipment (and remove safety keys, if available) before leaving the work area.
- Engine can produce high noise levels. Prolonged exposure to noise levels above 85 dBA is hazardous to hearing. Always wear ear protection when operating or working
around the gas engine while it is operating. - Wear ANSI-approved safety glasses, hearing protection, and NIOSH-approved dust mask/ respirator under a full face shield along with steel-toed work boots during use.
- People with pacemakers should consult their physician(s) before use. Electromagnetic fields in close proximity to a heart pacemaker could cause pacemaker interference or pacemaker failure. Caution is necessary when near the engine’s magneto or recoil starter.
- Use only accessories that are recommended by Harbor Freight Tools for your model. Accessories that may be suitable for one piece of equipment may become hazardous
when used on another piece of equipment. - Do not operate in explosive atmospheres, such as in the presence of flammable liquids, gases, or dust. Gasoline-powered engines may ignite the dust or fumes.
- Stay alert, watch what you are doing, and use common sense when operating this piece of equipment. Do not use this piece of equipment while tired or under the influence of drugs, alcohol, or medication.
- Do not overreach. Keep proper footing and balance at all times. This enables better control of the equipment in unexpected situations.
- Use this equipment with both hands only. Using equipment with only one hand can easily result in loss of control.
- Dress properly. Do not wear loose clothing or jewelry. Keep hair, clothing, and gloves away from moving parts. Loose clothes, jewelry, or long hair can be caught in moving parts.
- Parts, especially exhaust system components, get very hot during use. Stay clear of hot parts.
- Do not cover the engine or equipment during operation.
- Keep the equipment, engine, and surrounding area clean at all times.
- Do not refill the fuel tank while the engine is running or hot.
- Use the equipment, accessories, etc., in accordance with these instructions and in the manner intended for the particular type of equipment, taking into account the working
conditions and the work to be performed. Use of the equipment for operations different from those intended could result in a hazardous situation. - Do not operate the equipment with known leaks in the engine’s fuel system.
- When spills of fuel or oil occur, they must be cleaned up immediately. Dispose of fluids and cleaning materials as per any local, state, or federal codes and regulations. Store oil rags in a bottom-ventilated, covered, metal container.
- Keep hands and feet away from moving parts. Do not reach over or across equipment while operating.
- Before use, check for misalignment or binding of moving parts, breakage of parts, and any other condition that may affect the equipment’s operation. if damaged, have the equipment serviced before using. Many accidents are caused by poorly maintained equipment.
- Use the correct equipment for the application. Do not modify the equipment and do not use the equipment for a purpose for which it is not intended.
Service precautions
- Before service, maintenance, or cleaning:
a. Turn the engine switch to its “OFF” position.
b. allow the engine to completely cool.
c. Then, remove the spark plug cap from the spark plug. - Keep all safety guards in place and in proper working order. Safety guards include mufflers, air cleaners, mechanical guards, and heat shields, among other guards.
- Do not alter or adjust any part of the equipment or its engine that is sealed by the manufacturer or distributor. Only a qualified service technician may adjust parts that may increase or decrease governed engine speed.
- Wear ANSI-approved safety goggles, heavy-duty work gloves, and a dust mask/respirator during service.
- Maintain labels and nameplates on the equipment. These carry important information. If unreadable or missing, contact Harbor Freight Tools for a replacement.
- Have the equipment serviced by a qualified repair person using only identical replacement parts. This will ensure that the safety of the equipment is maintained. Do not attempt any service or maintenance procedures not explained in this manual or any procedures that you are uncertain about your ability to perform safely or correctly.
- Store equipment out of the reach of children.
- Follow scheduled engine and equipment maintenance.
Refueling:
- Do not refill the fuel tank while the engine is running or hot.
- Do not smoke, or allow sparks, flames, or other sources of ignition around the equipment, especially when refueling.
- Do not fill the fuel tank to the top. Leave a little room for the fuel to expand as needed.
- Refuel in a well-ventilated area only.
- Wipe up any spilled fuel and allow excess to evaporate before starting the engine. To prevent Fire, do not start the engine while the smell of fuel hangs in the air.
SAVE THESE INSTRUCTIONS
Set up
Read the ENTIRE IMPORTANT SAFETY INFORMATION section at the beginning of this manual including all text under subheadings therein before set up or use of this product.
![]()
TO PREVENT SERIOUS INJURY:
Operate only with a proper spark arrestor installed.
Operation of this equipment may create sparks that can start fires around dry vegetation. a spark arrestor may be required.
The operator should contact local fire agencies for laws or regulations relating to fire prevention requirements.
WarninG! TO preVenT SeriOuS inJury: DO nOT inSTaLL THiS enGine On a VeHiCLe.
WarninG! inSTaLL THiS enGine aCCOrDinG TO eQuipMenT inSTruCTiOnS BeFOre uSe.
WarninG! TO preVenT SeriOuS inJury: if you do not connect a battery to the positive battery cable, wrap its terminal securely with electrical tape (sold separately).
At high altitudes, the Engine’s carburetor, governor (if so equipped), and any other parts that control the fuel-air ratio will need to be adjusted by a qualified mechanic to allow efficient high-altitude use and to prevent damage to the engine and any other devices used with this product.
Battery Setup instructions
- Place a fully charged, lead-acid 12 volt, 300 CCa, 36 ah battery (not included) in a stable, flat location near the engine.
- Only use cables sized to match their length according to the following chart:
Cable Gauge (lower gauge numbers mean thicker cables) Maximum Cable Length 6 5′ 4 7′ 2 12′ 
- Attach the positive cable from the positive battery terminal to the Positive Terminal on the starter solenoid (uncovered terminal), as shown above. Connect cable securely to
prevent disconnection and short circuits. - Attach the negative cable to the negative battery terminal.
- Connect the negative cable securely to one of the engine mounting bolts, as shown in the diagram below. Connect cable securely to prevent disconnection and short circuits.

- Coat the terminals and cable ends with a corrosion-preventive coating.
Engine Controls

Operation
Read the ENTIRE IMPORTANT SAFETY INFORMATION section at the beginning of this manual including all text under subheadings therein before setting up or use of this product.
Pre-Start Checks
Inspect engine and equipment looking for damaged, loose, and missing parts before setting up and starting. If any problems are found, do not use equipment until fixed properly.
Checking and Filling Engine Oil
NOTICE: Your Warranty is VOID if the engine’s crankcase is not properly filled with oil before each use. Before each use, check the oil level. Engine will not start with low or no engine oil.
- Make sure the engine is stopped and is level.
- Close the Fuel Valve.
- Clean the top of the Dipstick and the area around it. Remove the Dipstick by turning it counterclockwise, and wipe it off with a clean, lint-free rag.

- Reinsert the Dipstick without threading it in and remove it to check the oil level. The oil level should be up to the full level as shown above.
- If the oil level is at or below the low mark add the appropriate type of oil until the oil level is at the proper level. SAE 10W-30 oil is recommended for general use. (The SAE Viscosity Grade chart on page 13 in the Maintenance section shows other viscosities to use in different average temperatures.)
- Thread the dipstick back in clockwise.
NOTICE: Do not run the engine with too little oil. Engine will shut off if engine oil level is too low.
Checking and Filling Fuel
WARNING! TO PREVENT SERIOUSLY INJURY FROM FIRE:
Fill the fuel tank in a well-ventilated area away from ignition sources. If the engine is hot from use, shut the engine off and wait for it to cool before adding fuel. Do not smoke.
- Clean the Fuel Cap and the area around it.
- Unscrew and remove the Fuel Cap.
- If needed, fill the Fuel Tank to about 1 inch under the fill neck with 87 octanes or higher unleaded gasoline that has been treated with a fuel stabilizer additive. Follow fuel stabilizer manufacturer’s recommendations for use.
Note: Do not use gasoline containing more than 10% ethanol (E10). Do not use E85 ethanol.
Note: Do not use gasoline that has been stored in a metal fuel container or a dirty fuel container. It can cause particles to enter the carburetor, affecting engine performance and/or causing damage. - Then replace the Fuel Cap.
- Wipe up any spilled fuel and allow excess to evaporate before starting the engine.
To prevent FIRE, do not start the engine while the smell of fuel hangs in the air.
Starting the Engine
Before starting the engine
Before starting the engine:
a. Follow the Setup instructions in the equipment manual to prepare the equipment.
b. inspect the equipment and engine.
c. Fill the engine with the proper amount and type of both stabilizer-treated unleaded gasoline and oil.
d. read the equipment Operation section in the equipment manual.
- To start a cold engine, move the Choke Lever to the START position. To restart a warm engine, leave the Choke Lever in the RUN position.

- Open the Fuel Valve.

- Slide the Throttle or Speed Control Lever to 1/3 away from the SLOW position (the “turtle”).
Note: Some tools have a Speed Control Lever located elsewhere on the tool which functions the same as the Throttle. Use the Speed Control Lever in place of the Throttle when the tool is so equipped. - For ManuaL START
A. Turn the Engine Switch to ON.
B. Grip the Starter Handle of the Engine loosely and pull it slowly several times to allow the gasoline to flow into the Engine’s carburetor. Then pull the Starter Handle gently until resistance is felt. Allow Cable to retract fully and then pull it quickly. Repeat until the Engine starts. Note: Do not let the Starter Handle snap back against the Engine. Hold it as it recoils so it doesn’t hit the Engine.
Note: If the Engine does not start, check the engine oil level. Engine will not start with low or no engine oil.
For ELECTRIC START
Turn the Engine Switch to START.

Note: To prolong starter life, use short starting cycles (5 seconds maximum). Then wait one minute before attempting to start again.
5. Allow the Engine to run for several seconds. Then, if the Choke Lever is in the START position, move the Choke Lever very slowly to its RUN position.
Note: Moving the Choke Lever too fast could stall the engine.

IMPORTANT: Allow the engine to run at no load for five minutes with no
load after each start‑up so that the engine can stabilize.
6. Adjust the Throttle as needed.
7. Break-in Period:
a. Breaking in the engine will help to ensure proper equipment and engine operation.
b. The operational break-in period will last about 3 hours of use. During this period:
• Do not apply a heavy load to the equipment.
• Do not operate the engine at its maximum speed.
c. The maintenance break-in period will last about 20 hours of use. After this period:
• Change the engine oil.
Under normal operating conditions subsequent maintenance follows the schedule explained in the MAINTENANCE AND SERVICING section.
- To stop the engine in an emergency, turn the Engine Switch OFF.

- Under normal conditions, use the following procedure:
a. Slide the Throttle or Speed Control A lever to SLOW (the “turtle”).
b. Turn the Engine Switch OFF.
c. Close the Fuel Valve.
Maintenance
WARNING
TO PREVENT SERIOUS INJURY FROM ACCIDENTAL STARTING:
Turn the Power Switch of the equipment to its “OFF” position, wait for the engine to cool, and disconnect the spark plug cap before performing any inspection, maintenance, or cleaning procedures.
TO PREVENT SERIOUS INJURY FROM EQUIPMENT FAILURE:
Do not use damaged equipment. If abnormal noise, vibration, or excess smoking occurs, have the problem corrected before further use.
Follow all service instructions in this manual. The engine may fail critically if not serviced properly.
Many maintenance procedures, including any not detailed in this manual, will need to be performed by a qualified technician for safety. If you have any doubts about your ability to safely service the equipment or engine, have a qualified technician service the equipment instead.
Many maintenance procedures, including any not detailed in this manual, will need to be performed by a qualified technician for safety. if you have any doubts about your ability to safely service the equipment or engine, have a qualified technician service the equipment instead.
Cleaning, Maintenance, and Lubrication Schedule
Note: This maintenance schedule is intended solely as a general guide. If performance decreases or if equipment operates unusually, check systems immediately. The maintenance needs of each piece of equipment will differ depending on factors such as duty cycle, temperature, air quality, fuel quality, and other factors.
Note: The following procedures are in addition to the regular checks and maintenance explained as part of the regular operation of the engine and equipment.
| Procedure | Before Each Use | Monthly or every 20 hr. of use | Every 3 mo. or 50 hr. of use | Every 6 mo. or 100 hr. of use | Yearly or every 300 hr. of use | Every 2 Years |
| Brush off outside of engine | ✓ | ✓ | ✓ | ✓ | ✓ | ✓ |
| Check engine oil level | ✓ | ✓ | ✓ | ✓ | ✓ | ✓ |
| Check air cleaner | ✓ | ✓ | ✓ | ✓ | ✓ | |
| Check deposit cup | ✓ | ✓ | ✓ | ✓ | ||
| Change engine oil | ✓ | ✓ | ✓ | ✓ | ||
| Clean/replace air cleaner | ✓* | ✓ | ✓ | ✓ | ||
| Check and clean spark plug | ✓ | ✓ | ✓ | |||
| 1. Check/adjust the idle speed 2. Check/adjust valve clearance 3. Clean fuel tank, strainer, and carburetor 4. Clean carbon build-up from the combustion chamber | ✓** | ✓** | ||||
| Replace fuel line if necessary | ✓** |
*Service more frequently when used in dusty areas.
**These items should be serviced by a qualified technician.
Checking and Filling Fuel
WARNING! TO PREVENT SERIOUS INJURY FROM FIRE:
Fill the fuel tank in a well-ventilated area away from ignition sources. If the engine is hot from use, shut the engine off and wait for it to cool before adding fuel. Do not smoke.
- Clean the Fuel Cap and the area around it.
- Unscrew and remove the Fuel Cap.
- If needed, fill the Fuel Tank to about 1 inch under the fill neck with 87 octanes or higher unleaded gasoline that has been treated with a fuel stabilizer additive. Follow fuel stabilizer manufacturer’s recommendations for use.
Note: Do not use gasoline containing more than 10% ethanol (E10). Do not use E85 ethanol.
Note: Do not use gasoline that has been stored in a metal fuel container or a dirty fuel container. It can cause particles to enter the carburetor, affecting engine performance and/or causing damage. - Then replace the Fuel Cap.
- Wipe up any spilled fuel and allow excess to evaporate before starting engine. To prevent FIRE, do not start the engine while the smell of fuel hangs in the air.
Engine Oil Change
CAUTION! Oil is very hot during operation and can cause burns. Wait for the engine to cool before changing the oil.
- Make sure the engine is stopped and is level.
- Close the Fuel Valve.
- Place a drain pan (not included) underneath the crankcase’s drain plug.
- Remove the drain plug and, if possible, tilt the crankcase slightly to help drain the oil out. Recycle used oil.
- Replace the drain plug and tighten it.
- Clean the top of the Dipstick and the area around it. Remove the Dipstick by turning it counterclockwise, and wipe it off with a clean, lint-free rag.

- Add the appropriate type of oil until the oil level is at the full level. SAE 10W-30 oil is recommended for general use. The SAE Viscosity Grade chart shows other viscosities to use in different average temperatures.

- Thread the dipstick back in clockwise.
NOTICE: Do not run the engine with too little oil. Engine will not start with low or no engine oil.
Air Filter Element Maintenance
- Remove the air filter cover and the air filter elements
and check for dirt. Clean as described below. - Cleaning:
• For “paper” filter elements:
To prevent injury from dust and debris, wear ANSI-approved safety goggles,
NIOSH‑approved dust mask/respirator, and heavy-duty work gloves. In a well-ventilated area away from bystanders, use pressurized air to blow dust out of the air filter.
• For foam filter elements: Wash the element in warm water and mild detergent several times. Rinse. Squeeze out excess water and allow it to dry completely. Soak the filter in lightweight oil briefly, then squeeze out the excess oil. - Install the cleaned filter. Secure the Air Cleaner Cover before use.
Spark Plug Maintenance

- Spark Plug Maintenance Spark Plug Cap Disconnect the spark plug cap from the end of the plug. Clean out debris from around the spark plug.
- Using a spark plug wrench, remove the spark plug.
- Inspect the spark plug:
If the electrode is oily, clean it using a clean, dry rag. If the electrode has been deposited on it, polish it using emery paper. If the white insulator is cracked or chipped, the spark plug needs to be replaced. Use only NHSP ® / Torch® F7TC spark plug.
NOTICE: Using an incorrect spark plug may damage the engine. - When installing a new spark plug, adjust the plug’s gap to the specification on the Technical Specifications chart. Do not pry against the electrode, the spark plug can be damaged.
- Install the new spark plug or the cleaned spark plug into the engine. Gasket-style: Finger-tighten until the gasket contacts the cylinder head, then tighten about 1/2-2/3 turn more.
Non-gasket-style: Finger-tighten until the plug contacts the head, then tighten about 1/16 turn more.
NOTICE: Tighten the spark plug properly. If loose, the spark plug will cause the engine to overheat. If overtightened, the threads in the engine block will be damaged. - Apply dielectric spark plug boot protector (not included) to the end of the spark plug and reattach the wire securely.
Storage
When the equipment is to remain idle for longer than 20 days, prepare the Engine for storage as follows:
- CLEANING:
Wait for the Engine to cool, then clean the Engine with a dry cloth. NOTICE: Do not clean using water. The water will gradually enter the Engine and cause rust damage. Apply a thin coat of rust preventive oil to all metal parts. - FUEL:
Gasoline Treatment / Draining the Fuel Tank
• To protect the Fuel Tank during storage, fill the tank with fresh gasoline that has been treated with a fuel stabilizer additive. Follow fuel stabilizer manufacturer’s
recommendations for use. Refer to “Checking and Filling Fuel” on page 13.
• Aged gasoline that has not been treated with a stabilizer ahead of time must be safely drained away and not run through the Engine.
WARNING! TO PREVENT SERIOUS INJURY FROM FIRE:
Drain the Fuel Tank in a well-ventilated area away from ignition sources. If the engine is hot from use, shut the engine off and wait for it to cool before adding fuel.
Do not smoke. Draining the Carburetor
• After closing the Fuel Valve, place an appropriate container under the Carburetor and carefully remove the Drain Bolt from the bottom of the Carburetor Bowl, allowing the fuel to drain completely. Replace the Drain Bolt after draining.
WARNING! To prevent seriously injury and fire, close the Fuel Valve before draining the Carburetor.
LUBRICATION:
a. Change engine oil.
b. Clean out the area around the spark plug.
Remove the spark plug and pour one tablespoon of
engine oil into the cylinder through the spark plug hole.
c. Replace spark plug, but leave spark plug cap disconnected.
d. Pull Starter Handle to distribute oil in the cylinder. Stop after one or two revolutions when you feel the piston start the compression stroke (when you start to feel resistance). - BATTERY:
Disconnect battery cables (if equipped). Disconnect the negative battery cable first, then the positive battery cable. Recharge batteries monthly while in storage. - STORAGE AREA:
Cover and store in a dry, level, well-ventilated area out of reach of children. Storage area should also be away from ignition sources, such as water heaters, clothes dryers, and furnaces.
NOTICE: During extended storage periods the Engine must be started every 3 months and allowed to run for 15 – 20 minutes or the Warranty is VOID. - AFTER STORAGE:
Before starting the Engine during or after storage, keep in mind that untreated gasoline will deteriorate quickly. Drain the fuel tank and change to fresh fuel if untreated
gasoline has been sitting for a month, if treated gasoline has been sitting beyond the fuel stabilizer’s recommended time period, or if the Engine does not start.
Troubleshooting
| Problem | Possible Causes | Probable Solutions |
| Engine will not start | FUEL RELATED: 1. No fuel in tank or fuel valve closed. | FUEL RELATED: 1. Fill fuel tank with fresh 87+ octane stabilizer- treated unleaded gasoline and open fuel valve. |
| IGNITION (SPARK) RELATED: 1. Engine switch in OFF position. 2. Spark plug cap not connected securely. 3. Spark plug electrode wet or dirty. 4. Incorrect spark plug gap. 5. Spark plug cap is broken. 6. Circuit breaker tripped. 7. Incorrect spark timing or faulty ignition system. | IGNITION (SPARK) RELATED: 1. Turn engine switch to ON position. 2. Connect the spark plug cap properly. 3. Clean spark plug. 4. Correct spark plug gap. 5. Replace spark plug cap. 6. Reset circuit breaker. Check wiring and starter motor if the breaker continues to trip. 7. Have a qualified technician diagnose/ repair the ignition system. | |
| COMPRESSION RELATED: 1. Cylinder not lubricated. Problem after long storage periods. 2. Loose or broken spark plug. (Hissing noise will occur when trying to start.) 3. Lose cylinder head or damaged head gasket. (Hissing noise will occur when trying to start.) 4. Engine valves or tappets are misadjusted or stuck. | COMPRESSION RELATED: 1. Pour a tablespoon of oil into the spark plug hole. Crank the engine a few times and try to start again. 2. Tighten spark plug. If that does not work, replace the spark plug. If the problem persists, may have a head gasket problem — see #3. 3. Tighten head. If that does not remedy the problem, replace the head gasket. 4. Have a qualified technician adjust/ repair valves and tappets. | |
| ENGINE OIL-RELATED: 1. Low engine oil. 2. Engine mounted on the slope, triggering low oil shutdown. | ENGINE OIL-RELATED: 1. Fill engine oil to the proper level. Check engine oil before EVERY use. 2. Operate the engine on a level surface. Check engine oil level. |
Follow all safety precautions whenever diagnosing or servicing the equipment or engine.
| Problem | Possible Causes | Probable Solutions |
| Engine misfires | 1. Spark plug cap loose. 2. Incorrect spark plug gap or damaged spark plug. 3. Defective spark plug cap. 4. Old or low-quality gasoline. 5. Incorrect compression. | 1. Check cap and wire connections. 2. Re-gap or replace spark plug. 3. Replace spark plug cap. 4. Use only fresh 87+ octane stabilizer-treated unleaded gasoline. Do not use gasoline with more than 10% ethanol (E15, E20, E85, etc.). 5. Diagnose and repair compression. (Use Engine will not start: COMPRESSION RELATED section.) |
| Engine stops suddenly | 1. Fuel tank empty or full of impure or low-quality gasoline. 2. Low oil shutdown. 3. Defective fuel tank cap creating a vacuum, preventing proper fuel flow. 4. Faulty magneto. 5. Disconnected or improperly connected spark plug cap. | 1. Fill fuel tank with fresh 87+ octane stabilizer-treated unleaded gasoline. Do not use gasoline with more than 10% ethanol (E15, E20, E85, etc.). 2. Fill engine oil to a proper level. Check engine oil before EVERY use. 3. Test/replace fuel tank cap. 4. Have qualified technician service magneto. 5. Secure spark plug cap. |
| Engine stops when under heavy load | 1. Dirty air filter 2. Engine running cold. | 1. Clean element. 2. Allow engine to warm up prior to operating equipment. |
| Engine knocks | 1. Old or low-quality gasoline. 2. Engine overloaded. 3. Incorrect spark timing, deposit buildup, worn engine, or other mechanical problems. | 1. Fill fuel tank with fresh 87+ octane stabilizer-treated unleaded gasoline. Do not use gasoline with more than 10% ethanol (E15, E20, E85, etc.). 2. Do not exceed the equipment’s load rating. 3. Have qualified technicians diagnose and service the engine. |
| Engine backfires | 1. Impure or low-quality gasoline. 2. Engine too cold. 3. Intake valve stuck or an overheated engine. 4. Incorrect timing. | 1. Fill fuel tank with fresh 87+ octane stabilizer-treated unleaded gasoline. Do not use gasoline with more than 10% ethanol (E15, E20, E85, etc.). 2. Use cold-weather fuel and oil additives to prevent backfiring. 3. Have qualified technicians diagnose and service the engine. 4. Check engine timing. |
| After sudden impact, engine will run, but the equipment will not operate | Shaft key or other shear pin is broken by impact to disconnect engine and limit damage. | Have a qualified technician check and replace the broken shaft key or other shear pins. |
Follow all safety precautions whenever diagnosing or servicing the equipment or engine.
PLEASE READ THE FOLLOWING CAREFULLY
THE MANUFACTURER AND/OR DISTRIBUTOR HAS PROVIDED THE PARTS LIST AND ASSEMBLY DIAGRAM IN THIS MANUAL AS A REFERENCE TOOL ONLY. NEITHER THE MANUFACTURER NOR DISTRIBUTOR MAKES ANY REPRESENTATION OR WARRANTY OF ANY KIND TO THE BUYER THAT HE OR SHE IS QUALIFIED TO MAKE ANY REPAIRS TO THE PRODUCT, OR THAT HE OR SHE IS QUALIFIED TO REPLACE ANY PARTS OF THE PRODUCT. IN FACT, THE MANUFACTURER AND/OR DISTRIBUTOR EXPRESSLY STATE THAT ALL REPAIRS AND PARTS REPLACEMENTS SHOULD BE UNDERTAKEN BY CERTIFIED AND LICENSED TECHNICIANS, AND NOT BY THE BUYER. THE BUYER ASSUMES ALL RISK AND LIABILITY ARISING OUT OF HIS OR HER REPAIRS TO THE ORIGINAL PRODUCT OR REPLACEMENT PARTS THERETO OR ARISING OUT OF HIS OR HER INSTALLATION OF REPLACEMENT PARTS THERETO.
Parts List and Diagrams
Parts List
| Part | Description | Qty. | Part | Description | Qty. | |
| 1 | Flange Hex Bolt | 9 | 52 | Governor Spring | 1 | |
| 2 | Cylinder Head Cover | 1 | 53 | Speed Regulating Bracket | 1 | |
| 3 | Breather Tube | 1 | 54 | Oil Seal | 1 | |
| 4 | Breather Chamber Packing | 1 | 55 | Pin Clip | 1 | |
| 5 | Breather Chamber Cap | 1 | 56 | Speed Regulating Arm | 1 | |
| 6 | Flange Hex Bolt | 8 | 57 | Flat Washer | 1 | |
| 7 | Cylinder Head Cover Gasket | 1 | 58 | Oil Dipstick | 1 | |
| 8 | Flange Hex Bolt | 4 | 59 | Crankcase Body | 1 | |
| 9 | Stud | 2 | 60 | Charging Current Armature | 1 | |
| 10 | Outlet Gasket | 1 | 61 | Breather Tube | 1 | |
| 11 | Muffler | 1 | 62 | Flange Hex Bolt | 2 | |
| 12 | Spark Plug | 1 | 63 | Cable Cleat | 1 | |
| 13 | Cylinder Head | 1 | 64 | Oil Drain Bolt | 1 | |
| 14 | Cylinder Head Gasket | 1 | 65 | Flat Washer | 1 | |
| 15 | Pin | 2 | 66 | Fuel Tank Bracket | 1 | |
| 16 | Valve Rocker Shaft | 2 | 67 | Fuel Tank Bracket | 1 | |
| 17 | Valve Rocker | 2 | 68 | Flange Hex Bolt | 4 | |
| 18 | Valve Adjustment Cap | 2 | 69 | Hex Flange Nut | 2 | |
| 19 | Valve Lock | 4 | 70 | Rubber Gasket | 2 | |
| 20 | Valve Spring Retainer | 2 | 71 | Piston Pin Clip | 2 | |
| 21 | Valve Spring | 2 | 72 | Piston | 1 | |
| 22 | Valve Spring Seat | 1 | 73 | Piston Pin | 1 | |
| 23 | Valve Oil Seal | 1 | 74 | Piston Ring Set | 1 | |
| 24 | Valve Set | 1 | 75 | Stud | 2 | |
| 25 | Flange Hex Bolt | 7 | 76 | Carburetor Gasket | 1 | |
| 26 | Oil Seal | 2 | 77 | Carburetor Heat Insulating Pad | 1 | |
| 27 | Crankcase Cover | 1 | 78 | Carburetor Gasket | 1 | |
| 28 | Engine Oil Strainer | 1 | 79 | Air Deflector | 1 | |
| 29 | Governor Gear | 1 | 80 | Carburetor | 1 | |
| 30 | Compression Spring | 1 | 81 | Throttle Return Spring | 1 | |
| 31 | Steel Ball | 1 | 82 | Throttle Rod | 1 | |
| 32 | Pin | 2 | 83 | Carburetor Gasket | 1 | |
| 33 | Seal Ring | 1 | 84 | Air Filter | 1 | |
| 34 | Fuel Tank Cap | 1 | 85 | Hex Flange Nut | 2 | |
| 35 | Fuel Strainer | 1 | 86 | Ignition Coil | 1 | |
| 36 | Fuel Tank Breather Valve | 1 | 87 | Flange Hex Bolt | 5 | |
| 37 | Hose Clip | 2 | 88 | Flywheel Assembly | 1 | |
| 38 | Oil Level Alarm | 1 | 89 | Impeller | 1 | |
| 39 | Engine Oil Protector | 1 | 90 | Starter Pulley | 1 | |
| 40 | Starter Control Box | 1 | 91 | Hex Flange Nut | 1 | |
| 41 | Oil Pump Components | 1 | 92 | Manual Starting Assembly | 1 | |
| 42 | Crankcase Cover Gasket | 1 | 93 | Flange Hex Bolt | 8 | |
| 43 | Throttle Handle Assembly | 1 | 94 | Wire Clip | 1 | |
| 44 | Push Rod | 2 | 95 | Nut | 2 | |
| 45 | Valve Lifter | 2 | 96 | Fuel Hose | 1 | |
| 46 | Camshaft Assembly | 1 | 97 | Fuel Tank | 1 | |
| 47 | Connecting Rod | 1 | 98 | Starter Motor | 1 | |
| 48 | Balancing Shaft Assembly | 1 | 99 | Flange Hex Bolt | 2 | |
| 49 | Crankshaft | 1 | 100 | Clip | 1 | |
| 50 | Pin | 2 | 101 | Clip | 1 | |
| 51 | Seal Ring | 1 | ||||
Record Product’s Serial Number Here:
Note: If product has no serial number, record the month and year of purchase instead.
Note: Some parts are listed and shown for illustration purposes only, and are not available individually as replacement parts. Specify UPC 193175438157 when ordering parts.
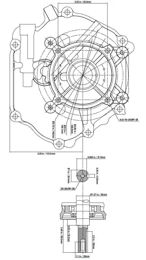
Assembly Diagram

Mounting Hole Diagram
Note: Not to scale.

Power Take-Off Diagram
Note: Not to scale.

Warranties
Limited 90 Day Warranty (Retail)
Harbor Freight Tools Co. makes every effort to assure that its products meet high quality and durability standards, and warrants to the original purchaser that this product is free from defects in materials and workmanship for the period of 90 days from the date of purchase. This warranty does not apply to damage due directly or indirectly, to misuse, abuse, negligence or accidents, repairs or alterations outside our facilities, criminal activity, improper installation, normal wear, and tear, or lack of maintenance. We shall in no event be liable for death, injuries to persons or property, or for incidental, contingent, special or consequential damages arising from the use of our product. Some states do not allow the exclusion or limitation of incidental or consequential damages, so the above limitation or exclusion may not apply to you. THIS WARRANTY IS EXPRESSLY IN LIEU OF ALL OTHER WARRANTIES, EXPRESS OR IMPLIED, INCLUDING THE WARRANTIES OF MERCHANTABILITY AND FITNESS, EXCEPT FOR THE EMISSIONS CONTROL SYSTEM WARRANTY BELOW.
To take advantage of this warranty, the product or part must be returned to us with transportation charges prepaid. Proof of purchase date and an explanation of the complaint must accompany the merchandise. If our inspection verifies the defect, we will either repair or replace the product at our election or we may elect to refund the purchase price if we cannot readily and quickly provide you with a replacement. We will return repaired products at our expense, but if we determine there is no defect, or that the defect resulted from causes not within the scope of our warranty, then you must bear the cost of returning the product. This warranty gives you specific legal rights and you may also have other rights which vary from state to state.
Emissions Control System Warranty
Harbor Freight Tools (HFT) is pleased to explain the emissions control system warranty on your Small Off-Road Engine produced after January 1, [Model Year] (engine), in addition to the Retail Warranty above. HFT warrants that the emissions control system on your engine is designed, built, and equipped so that it conforms to the United States Environmental Protection Agency’s (EPA) emissions requirements in effect at the time of manufacture. HFT also warrants that the emissions control system on your engine will be free from defects in material and workmanship for two (2) years, provided there has been no improper maintenance, misuse, or abuse of your engine. Your emissions control system may include parts such as the carburetor or fuel-injection system and the ignition system. Also included may be hoses, belts, connectors, and other emissions-related assemblies.
WHAT WE WILL DO
Where a warrantable condition exists, HFT will repair or replace, at our option, any emissions-related part on your engine if it becomes defective, malfunctions, or otherwise fails to conform with this warranty under normal use and service during the two (2) year term of this warranty at no cost to you, including diagnosis, parts, and labor. This warranty applies to the original purchaser and any subsequent owner within the two-year warranty period.
WHAT IS COVERED?
The following parts are examples of components of the emissions control system and are covered by this two (2) year warranty. For a full list of emissions control components covered by this warranty, please see 40 CFR §1068, Appendix I.
- Fuel Metering System
a. Carburetor and its internal parts.
b. Fuel pump (if so equipped).
c. Cold start enrichment system. - Air Induction System
a. Intake pipe/manifold.
b. Air cleaner. - Ignition System
a. Spark plug.
b. Magneto ignition system. - Catalyst System (if so equipped)
a. Exhaust pipe stud.
b. Muffler.
c. Catalytic converter (if so equipped). - Miscellaneous Items Used in Above Systems
a. Vacuum, temperature, and time-sensitive valves and switches.
b. Hoses, belts, connectors, and assemblies.
This warranty does not cover normal maintenance services or the replacement of maintenance items such as filters, oils, or spark plugs.
WHAT YOU MUST DO TO OBTAIN WARRANTY SERVICE
As the engine owner, you are responsible for the performance of the required maintenance listed in your Owner’s Manual. HFT may deny you warranty coverage if your engine or a part has failed due to abuse (including failure to follow the fuel use instructions contained in this manual), neglect, improper maintenance, or unapproved modifications.
In order to obtain warranty repair or replacement, you may either (a) contact HFT product support at 1-888-866-5797 or [email protected]; or (b) bring them to your nearest Harbor Freight Tools retail store. When going to the retail store or contacting product support, you must indicate the specific emissions control part or defect that you are claiming and the date this was originally purchased. The nearest Harbor Freight Tools retail store can be found on the internet at http://www.harborfreight.com.
For technical questions, please call 1-888-866-5797.
ITEM 58383![]()
26541 agoura road • Calabasas, Ca 91302 • 1-888-866-5797








Note: Some tools have a Speed Control Lever located elsewhere on the tool which functions the same as the Throttle. Use the Speed Control Lever in place of the Throttle when the tool is so equipped.






















