PREDATOR 57341 2 HP 52cc Gasoline Auger Powerhead with 6-Inch Bit

Owner’s Manual & Safety Instructions
Save This Manual Keep this manual for the safety warnings and precautions, assembly, operating, inspection, maintenance and cleaning procedures. Write the product’s serial number in the back of the manual (or month and year of purchase if product has no number). Keep this manual and the receipt in a safe and dry place for future reference.
DANGER
- Using an engine indoors CAN KILL YOU IN MINUTES. Engine exhaust contains carbon monoxide. This is a poison you cannot see or smell.
- NEVER use inside a home or garage, EVEN IF doors and windows are open.
- Only use OUTSIDE and far away from windows, doors, and vents.
- When unpacking, make sure that the product is intact and undamaged. If any parts are missing or broken, please call 1-888-866-5797 as soon as possible.
WARNING: Read this material before using this product. Failure to do so can result in serious injury. SAVE THIS MANUAL.
Specifications
| Maximum Bit Size | 10″ Diameter x 39″ Long | |
| Drive Shaft | 7/8″ Diameter x 1-7/8″ Long | |
| Accessories | Spark Plug Wrench, Screwdriver, 2 Hex Keys | |
| Displacement | 52cc | |
| Engine Type | Vertical Single Cylinder 2-stroke | |
| Cooling System | Forced air cooled | |
| Fuel | Type | 87+ octane stabilizer-treated unleaded gasoline mixed with 2-cycle oil (see below) |
| Capacity | 0.3 Gallon | |
| Oil | Type | 2-cycle oil (designed specifically for mixing with gasoline) |
| Ratio | 50:1 gasoline-to-oil ratio 2.5 fl-oz oil per gallon of gasoline | |
| Run Time @ 50% Load with full tank | 1.3 hr. | |
| Sound Level at 3 feet | 102 dB | |
| Bore x Stroke | 44 mm x 34 mm | |
| Compression Ratio | 8.2:1 | |
| Rotation viewed from PTO (power takeoff – the output shaft) | Clockwise | |
| Spark Plug | Type | NGK® BM6A |
| Gap | 0.028″ | |
| Speed | Idle | 2700 RPM |
The emissions control system for this Engine is warranted to standards set by the U.S. Environmental Protection Agency. For warranty information, refer to the last pages of this manual.
WARNING SYMBOLS AND DEFINITIONS

Symbol Definitions 

IMPORTANT SAFETY INSTRUCTIONS
WARNING! Read all instructions.
Failure to follow all instructions listed below may result in fire, serious injury and/or DEATH. The warnings and precautions discussed in this manual cannot cover all possible conditions and situations that may occur. It must be understood by the operator that common sense and caution are factors which cannot be built into this product, but must be supplied by the operator. SAVE THESE INSTRUCTIONS.
Set up Precautions
- Gasoline fuel and fumes are flammable, and potentially explosive. Use proper fuel storage and handling procedures. Do not store fuel or other flammable materials nearby.
- Have multiple ABC class fire extinguishers nearby.
- Operation of this Auger may create sparks that can start fires around dry vegetation. A spark arrestor may be required. The operator should contact local fire agencies for laws or regulations relating to fire prevention requirements.C
- Set up and use only on a flat, level, well-ventilated surface.
- Wear ANSI-approved safety goggles, heavy-duty work gloves, and dust mask/respirator during set up.
- Use only lubricants and fuel recommended in the Specifications chart of this manual.
Operating Precautions
- Buried utility lines may be unmarked; contact utility companies before drilling. Contacting utility lines may cause severe personal injury or death.
- Check for landscape fabric before drilling. Landscape fabric may get pulled into the Bit and also pull the operator into the Bit. Before drilling, cut a hole in the landscape fabric sufficiently larger than the diameter of the Auger to prevent contact or entanglement with the fabric.
- Keep everyone other than the operator at least 10 feet from the Auger during operation. People using hand tools should not move or remove soil-pile while the Auger is operating.
- To prevent severe personal injury or dismemberment from rotating Bit: Stand on flat, level, solid surface and brace against torque during use. Keep hands and feet away from Bit and hole when Engine is running.
- CARBON MONOXIDE HAZARD Using an engine indoors CAN KILL YOU IN MINUTES. Engine exhaust contains carbon monoxide. This is a poison you cannot see or smell.

NEVER use inside a home, basement, barn or garage, EVEN IF doors and windows are open.
Only use OUTSIDE and far away from windows, doors, and vents. - Do not lock trigger on. Never disable safety switches or components.
- Maintain a firm grip on the Auger with both hands and be aware of the strong start-up torque of the tool.
- Disconnect and insulate spark plug wire before maintenance and/or changing bits.
- Do not carry between holes with Engine running.
- Carry by handle only; not by Bit.
- Keep your thumb near the Power Switch in the event the Auger must be turned off immediately.
- Do not use the Auger if the Bit is dull, bent, or damaged.
- Drill with the Engine running at full speed. Fully squeeze the Throttle to maintain a steady drilling speed.
- When shutting off the Engine, make sure the Auger has stopped before setting the tool down.
- Keep children away from the Auger, especially while it is operating. Do not allow children to operate Auger.
- Fire Hazard! Do not fill fuel tank while engine is running. Do not operate if gasoline has been spilled. Clean spilled gasoline before starting engine. Do not operate near pilot light or open flame.
- Do not touch engine during use. Let engine cool down after use.
- Parts, especially exhaust system components, get very hot during use. Stay clear of hot parts. Keep the muffler away from flammable materials during and after use to avoid fire.
- Do not use to drill holes in ice or other materials other than ground.
- Only use a suitable means of transport and lifting devices with sufficient weight bearing capacity when transporting the Auger.
- Secure the Auger on transport vehicles to prevent it from rolling, slipping, and tilting.
- Industrial applications must follow OSHA requirements.
- Do not leave the Auger unattended when it is running. Turn off the Auger (and remove safety keys, if available) before leaving the work area.
- The Auger can produce high noise levels. Prolonged exposure to noise levels above 85 dBA is hazardous to hearing. Wear ear protection when operating the Auger or when working nearby while it is operating.
- Wear ANSI-approved safety glasses, hearing protection, and NIOSH-approved dust mask/respirator under a full face shield along with steel-toed work boots during use.
- People with pacemakers should consult their physician(s) before use. Electromagnetic fields in close proximity to a heart pacemaker could cause pacemaker interference or pacemaker failure. Caution is necessary when near the engine’s magneto or recoil starter.
- Use only accessories that are recommended by Harbor Freight Tools for your model. Accessories that may be suitable for one Auger may become hazardous when used on another Auger.
- Do not operate in explosive atmospheres, such as in the presence of flammable liquids, gases, or dust. Gasoline-powered engines may ignite the dust or fumes.
- Stay alert, watch what you are doing and use common sense when operating this Auger. Do not use while tired or under the influence of drugs, alcohol or medication.
- o not overreach. Keep proper footing and balance at all times. This enables better control of the Auger in unexpected situations.
- Use this Auger with both hands only. Using Auger with only one hand can easily result in loss of control.
- Dress properly. Do not wear loose clothing or jewelry. Keep hair, clothing and gloves away from moving parts. Loose clothes, jewelry or long hair can be caught in moving parts.
- Keep the Auger and surrounding area clean at all times.
- Do not smoke, or allow sparks, flames, or other sources of ignition around the Auger, especially when refuelling.
- Use the Auger, accessories, etc., in accordance with these instructions and in the manner intended for the particular type of Auger, taking into account the working conditions and the work to be performed. Use of the Auger for operations different from those intended could result in a hazardous situation.
- Do not operate the Auger with known leaks in the engine’s fuel system.
- When spills of fuel or oil occur, they must be cleaned up immediately. Dispose of fluids and cleaning materials as per any local, state, or federal codes and regulations. Store oil rags in a bottom-ventilated, covered, metal container.
- Keep hands and feet away from moving parts. Do not reach over or across Auger while operating.
- Before use, check for misalignment or binding of moving parts, breakage of parts, and any other condition that may affect the Auger’s operation. If damaged, have the Auger serviced before using. Many accidents are caused by poorly maintained Auger.
- Use the correct Auger for the application. Do not modify the Auger and do not use the Auger for a purpose for which it is not intended.
Vibration Hazard
This tool vibrates during use. Repeated or long-term exposure to vibration may cause temporary or permanent physical injury, particularly to the hands, arms and shoulders. To reduce the risk of vibration-related injury:
- Anyone using vibrating tools regularly or for an extended period should first be examined by a doctor and then have regular medical check-ups to ensure medical problems are not being caused or worsened from use. Pregnant women or people who have impaired blood circulation to the hand, past hand injuries, nervous system disorders, diabetes, or Raynaud’s Disease should not use this tool. If you feel any symptoms related to vibration (such as tingling, numbness, and white or blue fingers), seek medical advice as soon as possible.
- Do not smoke during use. Nicotine reduces the blood supply to the hands and fingers, increasing the risk of vibration-related injury.
- Use tools with the lowest vibration when there is a choice between different processes.
- Include vibration-free periods each day of work.
- Grip tool as lightly as possible (while still keeping safe control of it). Let the tool do the work.
- To reduce vibration, maintain the tool as explained in this manual. If any abnormal vibration occurs, stop use immediately.
Service Precautions
- Before service, maintenance, or cleaning:
- Turn the engine switch to its “OFF” position.
- Allow the engine to completely cool.
- Then, remove the spark plug cap from the spark plug.
- Keep all safety guards in place and in proper working order. Safety guards include muffler, air cleaner, mechanical guards, and heat shields, among other guards.
- Do not alter or adjust any part of the Auger or its engine that is sealed by the manufacturer or distributor. Only a qualified service technician may adjust parts that may increase or decrease governed engine speed, including adjusting the carburetor.
- Wear ANSI-approved safety goggles, heavy-duty work gloves, and dust mask/respirator during service.
- Maintain labels and nameplates on the Auger. These carry important information. If unreadable or missing, contact Harbor Freight Tools for a replacement.
- Have the Auger serviced by a qualified repair person using only identical replacement parts. This will ensure that the safety of the Auger is maintained. Do not attempt any service or maintenance procedures not explained in this manual or any procedures that you are uncertain about your ability to perform safely or correctly.
- Store Auger out of the reach of children.
- Follow scheduled engine and Auger maintenance.
- Never store fuel or other flammable materials near the engine.
Refueling:
- Do not refill the fuel tank while the engine is running or hot.
- Do not smoke, or allow sparks, flames, or other sources of ignition around the Auger, especially when refuelling.
- Do not fill fuel tank to the top. Leave a little room for the fuel to expand as needed.
- Refuel in a well-ventilated area only.
- Wipe up any spilled fuel and allow excess to evaporate before starting engine. To prevent FIRE, do not start the engine while the smell of fuel hangs in the air.
Set Up
Read the ENTIRE IMPORTANT SAFETY INFORMATION section at the beginning of this manual including all text under subheadings therein before set up or use of this product.
WARNING: TO PREVENT SERIOUS INJURY: Operate only with proper spark arrestor installed. Operation of this Auger may create sparks that can start fires around dry vegetation. A spark arrestor may be required. The operator should contact local fire agencies for laws or regulations relating to fire prevention requirements. At high altitudes, the Engine’s carburetor, governor (if so equipped), and any other parts that control the fuel-air ratio will need to be adjusted by a qualified mechanic to allow efficient high-altitude use, prevent damage to the Engine, and prevent hazardous malfunction. The emission control system for this Engine is warranted for standards set by the U.S. Environmental Protection Agency. For warranty information, refer to the last pages of this manual.
IMPORTANT! Your Warranty is voided if either:
- You operate the Auger without the proper 50:1 fuel/oil mix in its Fuel Tank. Do not run the Engine with an improper fuel mix, low or no fuel mix. Running the Engine with an improper fuel mix, low or no fuel mix, will permanently damage the unit.
- You operate the Auger without adding fuel stabilizer to the gasoline. Do not run the Engine without treating the gasoline with fuel stabilizer. Follow fuel stabilizer manufacturer’s recommendations for use. Running the Engine without treating the gasoline with fuel stabilizer will permanently damage the unit.
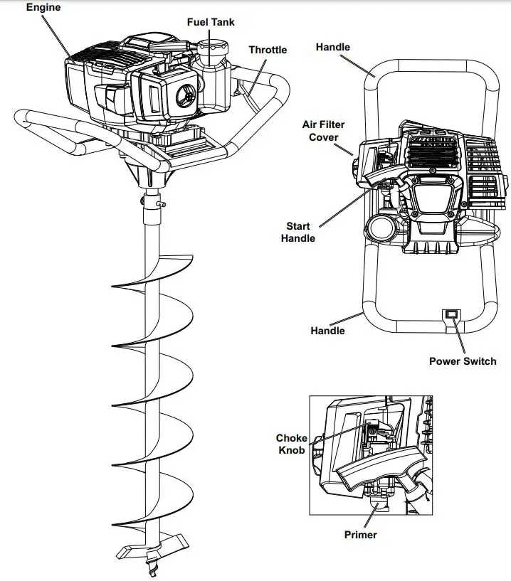
Components and Controls 
Operation
Read the ENTIRE IMPORTANT SAFETY INFORMATION section at the beginning of this manual including all text under subheadings therein before set up or use of this product.
Pre-Start Checks
Inspect engine and Auger looking for damaged, loose, and missing parts before set up and starting. If any problems are found, do not use Auger until fixed properly.
Checking and Filling Fuel
WARNING! TO PREVENT SERIOUS INJURY FROM FIRE: Fill the fuel tank in a well-ventilated area away from ignition sources. If the engine is hot from use, shut the engine off and wait for it to cool before adding fuel. Do not smoke.
- Clean the Fuel Cap and the area around it.
- Unscrew and remove the Fuel Cap.
- Remove the Strainer and remove any dirt and debris. Then replace the Strainer.
Note: Do not use gasoline containing more than 10% ethanol (E10). Do not use E85 ethanol. Add fuel stabilizer to the gasoline or the Warranty is VOID. Do not use gasoline that has been stored in a metal fuel container or a dirty fuel container. It can cause particles to enter the carburetor, affecting engine performance and/or causing damage.
IMPORTANT: Your Warranty is VOID if the Engine’s Fuel Tank is not filled with the proper mixture (50:1) of unleaded gasoline and 2-cycle oil before each use. Before each use, check the fuel level. Do not run the Engine with an improper unleaded gasoline/2-cycle oil mixture. Running the Engine with an improper mixture WILL permanently damage the Engine. - To obtain the proper gasoline and 2-cycle oil mixture, mix 2.5 fluid ounces of 2- cycle oil with 1 gallon of unleaded gasoline into an approved container. Then gently agitate the container to thoroughly mix the gasoline/2-cycle oil.
- If needed, fill the Fuel Tank to about 1 inch under the fill neck of the Fuel Tank with the pre-mixed unleaded gasoline/2-cycle oil mixture.
- Replace the Fuel Cap.
- Wipe up any spilled fuel and allow excess to evaporate before starting engine. To prevent FIRE, do not start the engine while the smell of fuel hangs in the air.

Installing Bit
WARNING! TO PREVENT SERIOUS INJURY: Turn Engine OFF before installing bit.
- Attach the Bit to the Powerhead by pushing the Bit down onto the Drilling Spindle on the bottom of the Auger.

- Secure the Bit in place using the Pin and R-Pin.

Starting the Engine
Before Starting the Engine
- Follow the Pre-start Checks to prepare the Auger.
- Inspect the Auger and engine.
- Fill the engine with the proper amount and type of unleaded gasoline and 2-cycle oil mixture.
- Check the work area for utility lines and landscaping fabric. Do not use near utility lines, and cut landscaping fabric clear before drilling.
- Do not use to drill holes in ice or other materials other than ground.
- Read the section that follows.
- Place the Auger on its side with its Bit resting on the ground that is to be drilled.
WARNING! TO PREVENT SERIOUS INJURY: Make sure that no debris, clothing, or other objects are near the Bit. Keep all bystanders at least 10 feet away. - Press the Primer three or four times.

- Set the Choke: START if the Engine is cold. RUN if the Engine is warm.

- Move the Power Switch to the ON position. Squeeze and release the Throttle.

- Grip the Frame firmly with your left hand. Keep all body parts well away from the Bit. Then, with your right hand, grip the Starter Handle of the Engine gently until resistance is felt. Allow Cable to retract fully and then pull it quickly. Repeat until the engine starts.
Note: Do not let the Starter Handle snap back against the engine. Hold it as it recoils so it doesn’t hit the engine.
WARNING! TO PREVENT SERIOUS INJURY: The Bit should NOT turn at idle. If it is turning at idle, immediately discontinue using the Auger and contact a qualified service technician to adjust the Auger. - Once the Engine is started, press the Choke down slowly to open it (to RUN position, see See Figure F on page 10.)
Note: Moving the Choke Lever too fast could stall the engine. - If the Engine does not start, press the Primer one more time. Raise the Choke if it is pressed down, and again attempt to start the Engine.
CAUTION! To Prevent Injury from Hot Exhaust: Hold Auger with Muffler pointing away from you. Muffler and exhaust gasses will be very hot. Your right hand should be near the Throttle in this position. - Stand with a solid stance on stable ground. Brace yourself and maintain a proper grip with both hands on the Frame whenever the Engine is running.
- Accelerate the Engine to full throttle just before starting to drill by squeezing the Throttle with your right hand. Keep the Engine at full throttle the entire time you are drilling, unless a problem arises.
- Do not drill at an angle. Keep the Bit vertical at all times.
- Allow the Bit to drill for you. Exert only light downward pressure. If you attempt to force the Auger, damage to the Auger and Bit can result. Be aware of the strong twisting forces produced by the Auger during operation.
- During drilling, periodically pull Auger up to remove loosened earth. If loosened earth is allowed to remain in the drilled hole, the Auger will screw into the earth, become stuck, and twist violently.
NOTICE: If Auger becomes stuck, dig bit out. Do not rock auger to loosen bit. Bit will bend. - Release the Throttle as soon as the drilling is completed, allowing the engine to idle.
NOTICE: Avoid running the Auger at full throttle without a drilling load.
WARNING! TO PREVENT SERIOUS INJURY: Risk of entanglement! Do not carry between holes with the Engine running. - After running the Auger for an extended period of time, allow the engine to idle for several minutes to dissipate the heat. This will prevent some parts of the Engine (ignition system, piston rings, carburetor, etc.) from being damaged by overheating.
- Press the Power Switch to O to turn off the Engine.
- Clean, then store the tool in a clean, dry, safe location out of reach of children and other unauthorized people.
Maintenance
TO PREVENT SERIOUS INJURY FROM ACCIDENTAL STARTING:
Turn the Power Switch of the Auger to its “OFF” position, wait for the engine to cool, and disconnect the spark plug cap before performing any inspection, maintenance, or cleaning procedures.
TO PREVENT SERIOUS INJURY FROM AUGER FAILURE:
Do not use damaged Auger. If abnormal noise, vibration, or excess smoking occurs, have the problem corrected before further use. Follow all service instructions in this manual. The engine may fail critically if not serviced properly.
Many maintenance procedures, including any not detailed in this manual, will need to be performed by a qualified technician for safety. If you have any doubts about your ability to safely service the Auger or engine, have a qualified technician service the Auger instead.
Cleaning, Maintenance, and Lubrication Schedule
Note: This maintenance schedule is intended solely as a general guide. If performance decreases or if Auger operates unusually, check systems immediately. The maintenance needs of each Auger will differ depending on factors such as duty cycle, temperature, air quality, fuel quality, and other factors.
Note: The following procedures are in addition to the regular checks and maintenance explained as part of the regular operation of the engine and Auger. 
Daily Maintenance
- Before each use: Inspect the general condition of the Auger. Check for misalignment or binding of moving parts, cracked or broken parts, dull, bent, or damaged Bit, and any other condition that may affect the safe operation of the tool.
- A Bit that is bent or packed with dirt and debris can cause personal injury. Replace a damaged Bit and keep the Bit clean at all times.
- Check the Air Filter prior to each use for excessive dirt and debris buildup, clean as needed.
- After each use, clean the exterior of the Engine with a clean cloth and mild detergent. Do not use solvents. Remove the Bit from the Engine and use a garden hose to wash off any dirt. Do not introduce liquids into the interior of the Engine.
Checking and Filling Fuel
WARNING! TO PREVENT SERIOUS INJURY FROM FIRE: Fill the fuel tank in a well-ventilated area away from ignition sources. If the engine is hot from use, shut the engine off and wait for it to cool before adding fuel. Do not smoke.
- Clean the Fuel Cap and the area around it.
- Unscrew and remove the Fuel Cap.
- Remove the Strainer and remove any dirt and debris. Then replace the Strainer.
Note: Do not use gasoline containing more than 10% ethanol (E10). Do not use E85 ethanol. Add fuel stabilizer to the gasoline or the Warranty is VOID. Do not use gasoline that has been stored in a metal fuel container or a dirty fuel container. It can cause particles to enter the carburetor, affecting engine performance and/or causing damage.
IMPORTANT: Your Warranty is VOID if the Engine’s Fuel Tank is not filled with the proper mixture (50:1) of unleaded gasoline and 2-cycle oil before each use. Before each use, check the fuel level. Do not run the Engine with an improper unleaded gasoline/2-cycle oil mixture. Running the Engine with an improper mixture WILL permanently damage the Engine.
- To obtain the proper gasoline and 2-cycle oil mixture, mix 2.5 fluid ounces of 2- cycle oil with 1 gallon of unleaded gasoline into an approved container. Then gently agitate the container to thoroughly mix the gasoline/2-cycle oil.
- If needed, fill the Fuel Tank to about 1 inch under the fill neck of the Fuel Tank with the pre-mixed unleaded gasoline/2-cycle oil mixture.
- Replace the Fuel Cap.
- Wipe up any spilled fuel and allow excess to evaporate before starting engine. To prevent FIRE, do not start the engine while the smell of fuel hangs in the air.
Air Filter Maintenance
- Wipe off and remove the Air Cleaner Cover (79).
- Remove the Head Cover Bolt (81), the Air Filter Cover, and the plate holding the Air Filter in place. Note the placement of the plate so the bolt hole in the center is in alignment for re-assembly.
- Remove the Air Filter and check for dirt. Clean as described below.
- Cleaning:
- Wash the filter in warm water and mild detergent several times. Rinse. Squeeze out excess water and allow it to dry completely. Soak the filter in lightweight oil briefly, then squeeze out the excess oil.
- Wipe off the Air Cleaner Case (73).
- Install the cleaned filter in reverse order of removal. Secure the Air Cleaner Cover before use.
Spark plug Maintenance
- Disconnect spark plug wire from end of plug. Clean out debris from around spark plug.
- Using a spark plug wrench, remove the spark plug.
- Inspect the spark plug: If the electrode is oily, clean it using a clean, dry rag. If the electrode has deposits on it, polish it using emery paper. If the white insulator is cracked or chipped, the spark plug needs to be replaced.
NOTICE: Using an incorrect spark plug may damage the engine. - When installing a new spark plug, adjust the plug’s gap to the specification on the Specifications chart. Do not pry against the electrode, the spark plug can be damaged.
- Install the new spark plug or the cleaned spark plug into the engine.
- Gasket-style: Finger-tighten until the gasket contacts the cylinder head, then tighten about 1/2-2/3 turn more.
- Non-gasket-style: Finger-tighten until the plug contacts the cylinder head, then tighten about 1/16 turn more.
NOTICE: Tighten the spark plug properly. If loose, the spark plug will cause the engine to overheat. If overtightened, the threads in the engine block will be damaged.
- Apply dielectric spark plug boot protector (not included) to the insulator of the spark plug and reattach the wire securely.
Fuel Filter Maintenance
WARNING! TO PREVENT SERIOUS INJURY FROM FIRE: Replace or clean the Fuel Filter in a well-ventilated area away from ignition sources. Do not smoke.
- Wear protective gear including, ANSI-approved safety goggles, NIOSH-approved dust mask/respirator, and nitrile gloves.
- There is a Fuel Filter (84) hanging inside the Fuel Tank and a filter in the Fuel Cap Set (94).
- To clean, remove them from the tank and flush them with clean gas over a container to remove any debris. Replace the cleaned filter or a new filter in the tank.
- Clean up any spilled fuel.
- Wait for at least one hour before use to allow all residual fuel vapors to dissipate. To prevent FIRE, do not start the Engine while the smell of fuel hangs in the air.
Long-Term Storage
When the Auger is to remain idle for longer than 20 days, prepare the Engine for storage as follows:
- CLEANING:
Wait for Engine to cool, then clean Engine with dry cloth. NOTICE: Do not clean using water. The water will gradually enter the Engine and cause rust damage. Apply a thin coat of rust preventive oil to all metal parts. - FUEL:
To protect the fuel tank during storage, fill the tank with gasoline Follow Refer to Checking and Filling Fuel on page 13.
WARNING! TO PREVENT SERIOUS INJURY FROM FIRE: in a well-ventilated area away from ignition sources. If the engine is hot from use, shut the engine off and wait for it to cool before adding fuel. Do not smoke. - LUBRICATION:
- Clean out area around spark plug. Remove spark plug and pour one tablespoon of engine oil into cylinder through spark plug hole.
- Replace spark plug, but leave spark plug wire disconnected.
- Pull Starter Handle to distribute oil in cylinder. Stop after one or two revolutions when you feel the piston start the compression stroke (when you start to feel resistance).
- STORAGE AREA:
Cover and store in a dry, level, well-ventilated area out of reach of children. Storage area should also be away from ignition sources, such as water heaters, clothes dryers, and furnaces.
NOTICE: During extended storage periods the Engine must be started every 3 months and allowed to run for 15 – 20 minutes or the Warranty is VOID. - AFTER STORAGE:
Before starting the Engine during or after storage, keep in mind that untreated gasoline will deteriorate quickly. Drain the fuel tank and change to fresh fuel if untreated gasoline has been sitting for a month, if treated gasoline has been sitting beyond the fuel stabilizer’s recommended time period, or if the Engine does not start.
Troubleshooting
| problem | possible Causes | probable Solutions |
| Engine will not start | FUEL RELATED: 1. No fuel in tank or fuel valve closed.
2. Choke not in START position, cold engine. 3. Gasoline with more than 10% ethanol used. (E15, E20, E85, etc.)
4. Low quality or deteriorated, old gasoline/ oil mixture.
5. Carburetor not primed. 6. Dirty fuel passageways.
7. Carburetor needle stuck. Fuel can be smelled in the air. 8. Too much fuel in chamber. This can be caused by the carburetor needle sticking.
9. Clogged Fuel Filter. | FUEL RELATED: 1. Fill fuel tank with fresh 87+ octane stabilizer- treated unleaded gasoline and open fuel valve. Do not use gasoline with more than 10% ethanol (E15, E20, E85, etc.). 2. Move Choke to START position. 3. Clean out ethanol rich gasoline from fuel system. Replace components damaged by ethanol. Use fresh 87+ octane stabilizer-treated unleaded gasoline/oil mixture only. Do not use gasoline with more than 10% ethanol (E15, E20, E85, etc.). 4. Use fresh 87+ octane stabilizer-treated unleaded gasoline/oil mixture. Do not use gasoline with more than 10% ethanol (E15, E20, E85, etc.). 5. Press Priming Bulb to prime. 6. Clean out passageways using fuel additive. Heavy deposits may require further cleaning. 7. Gently tap side of carburetor float chamber with screwdriver handle. 8. Turn Choke to RUN position. Remove spark plug and pull the start handle several times to air out the chamber. Reinstall spark plug and set Choke to START position. 9. Replace Fuel Filter. |
| IGNITION (SPARK) RELATED: 1. Spark plug wire not connected securely. 2. Spark plug electrode wet or dirty. 3. Incorrect spark plug gap. 4. Spark plug wire or spark plug broken. 5. Incorrect spark timing or faulty ignition system. | IGNITION (SPARK) RELATED: 1. Connect spark plug wire properly. 2. Clean spark plug. 3. Correct spark plug gap. 4. Replace spark plug wire and/or spark plug. 5. Have qualified technician diagnose/ repair ignition system. | |
| COMPRESSION RELATED: 1. Cylinder not lubricated. Problem after long storage periods. 2. Loose or broken spark plug. (Hissing noise will occur when trying to start.)
3. Loose cylinder head or damaged head gasket. (Hissing noise will occur when trying to start.)
4. Engine valves or tappets mis-adjusted or stuck. | COMPRESSION RELATED: 1. Pour tablespoon of oil into spark plug hole. Crank engine a few times and try to start again. 2. Tighten spark plug. If that does not work, replace spark plug. If problem persists, may have head gasket problem, see #3. 3. Tighten head. If that does not remedy problem, replace head gasket. 4. Have qualified technician adjust/ repair valves and tappets. | |
| Auger rotates while Engine is idle | Engine idle Speed set too high. | Have qualified technician reset carburetor Idle Screw to lower idle (RPM) speed, see Warning on page 11. |
| Gearbox feels exceptionally hot to the touch | Low level of gear oil. | Immediately turn off Auger. Allow gearbox to completely cool. Discontinue using Auger until the gearbox is repaired by a qualified service technician. |
| Power switch does not turn off Engine | Faulty Power switch. | Immediately remove spark plug cap from spark plug to stop Engine. Discontinue using Auger until the tool is repaired by a qualified service technician. |
| problem | possible Causes | probable Solutions |
| Engine runs, but Bit is not rotating | 1. Throttle not properly used. 2. Throttle cable not properly adjusted.
3. Bit stuck in rocks, roots, etc. | 1. Make sure to fully squeeze the Throttle. 2. Have a qualified service technician adjust Throttle cable. 3. Remove Bit from hole and clear hole of obstructions. |
| Engine misfires | 1. Spark plug cap loose. 2. Incorrect spark plug gap or damaged spark plug. 3. Defective spark plug cap. 4. Old or low quality gasoline/oil mixture.
5. Incorrect compression. | 1. Check cap and wire connections. 2. Re-gap or replace spark plug. 3. Replace spark plug cap. 4. Use only fresh 87+ octane stabilizer-treated unleaded gasoline/oil mixture. Do not use gasoline with more than 10% ethanol (E15, E20, E85, etc.). 5. Diagnose and repair compression. (Use Engine will not start: COMpRESSION RELATED section.) |
| Engine stops suddenly | 1. Fuel tank empty or full of impure or low quality gasoline/oil mixture.
2. Defective fuel tank cap creating vacuum, preventing proper fuel flow. 3. Faulty magneto. 4. Disconnected or improperly connected spark plug cap. | 1. Fill fuel tank with fresh 87+ octane stabilizer- treated unleaded gasoline/oil mixture. Do not use gasoline with more than 10% ethanol (E15, E20, E85, etc.). 2. Test/replace fuel tank cap.
3. Have qualified technician service magneto. 4. Secure spark plug cap. |
| Engine stops when under heavy load | 1. Dirty air filter 2. Engine running cold. | 1. Clean element. 2. Allow engine to warm up prior to operating Auger. |
| Engine knocks | 1. Old or low quality gasoline/oil mixture.
2. Engine overloaded. 3. Incorrect spark timing, deposit buildup, worn engine, or other mechanical problems. | 1. Fill fuel tank with fresh 87+ octane stabilizer- treated unleaded gasoline/oil mixture. Do not use gasoline with more than 10% ethanol (E15, E20, E85, etc.). 2. Do not exceed Auger’s load rating. 3. Have qualified technician diagnose and service engine. |
| Engine backfires | 1. Impure or low quality gasoline/oil mixture.
2. Engine too cold.
3. Intake valve stuck or overheated engine.
4. Incorrect timing. | 1. Fill fuel tank with fresh 87+ octane stabilizer- treated unleaded gasoline/oil mixture. Do not use gasoline with more than 10% ethanol (E15, E20, E85, etc.). 2. Use cold weather fuel additives to prevent backfiring. 3. Have qualified technician diagnose and service engine. 4. Check engine timing. |
| After sudden impact, engine will run, but Auger will not operate | Shaft key or other shear pin broken by impact to disconnect engine and limit damage. | Have qualified technician check and replace broken shaft key or other shear pins. |
Limited 90 Day Warranty (Retail)
Harbor Freight Tools Co. makes every effort to assure that its products meet high quality and durability standards, and warrants to the original purchaser that this product is free from defects in materials and workmanship for the period of 90 days from the date of purchase. This warranty does not apply to damage due directly or indirectly, to misuse, abuse, negligence or accidents, repairs or alterations outside our facilities, criminal activity, improper installation, normal wear and tear, or to lack of maintenance. We shall in no event be liable for death, injuries
to persons or property, or for incidental, contingent, special or consequential damages arising from the use of our product. Some states do not allow the exclusion or limitation of incidental or consequential damages, sothe above limitation of exclusion may not apply to you.
THIS WARRANTY IS EXPRESSLY IN LIEU OF ALL OTHER WARRANTIES, EXPRESS OR IMPLIED, INCLUDING THE WARRANTIES OF MERCHANTABILITY AND FITNESS, EXCEPT FOR THE EMISSIONS CONTROL SYSTEM WARRANTY BELOW.
To take advantage of this warranty, the product or part must be returned to us with transportation charges prepaid. Proof of purchase date and an explanation of the complaint must accompany the merchandise. If our inspection verifies the defect, we will either repair or replace the product at our election or we may elect to refund the purchase price if we cannot readily and quickly provide you with a replacement. We will return repaired products at our expense, but if we determine there is no defect, or that the defect resulted from causes not within the scope of our warranty, then you must bear the cost of returning the product. This warranty gives you specific legal rights and you may also have other rights which vary from state to state.
Emissions Control System Warranty
Harbor Freight Tools (HFT) is pleased to explain the emissions control system warranty on your Small Off-Road Engine produced after January 1, [Model Year] (engine), in addition to the Retail Warranty above. HFT warrants that the emissions control system on your engine is designed, built, and equipped so that it conforms to the United States Environmental Protections Agency’s (EPA) emissions requirements in effect at the time of manufacture. HFT also warrants that the emissions control system on your engine will be free from defects in material and workmanship for two (2) years, provided there has been no improper maintenance, misuse, or abuse of your engine. Your emissions control system may include parts such as the carburetor or fuel-injection system, and the ignition system. Also included may be hoses, belts, connectors and other emissions-related assemblies.
WHAT WE WILL DO
Where a warrantable condition exists, HFT will repair or replace, at our option, any emissions-related part on your engine if it becomes defective, malfunctions, or otherwise fails to conform with this warranty under normal use and service during the two (2) year term of this warranty at no cost to you, including diagnosis, parts and labor. This warranty applies to the original purchaser and any subsequent owner within the two year warranty period.
WHAT IS COVERED?
The following parts are examples of components of the emissions control system and are covered by this two (2) year warranty. For a full list of emissions control components covered by this warranty, please see 40 CFR § 1068, Appendix I.
- Fuel Metering System
- Carburetor and its internal parts.
- Fuel pump (if so equipped).
- Cold start enrichment system.
- Air Induction System
- Intake pipe/manifold.
- Air cleaner.
- Ignition System
- Spark plug.
- Magneto ignition system.
- Catalyst System (if so equipped)
- Exhaust pipe stud.
- Muffler.
- Catalytic converter (if so equipped).
- Miscellaneous Items Used in Above Systems
- Vacuum, temperature and time-sensitive valves and switches.
- Hoses, belts, connectors, and assemblies.
This warranty does not cover normal maintenance services or replacement of maintenance items such as filters, oils, or spark plugs.
WHAT YOU MUST DO TO OBTAIN WARRANTY SERVICE
As the engine owner, you are responsible for the performance of the required maintenance listed in your Owner’s Manual. HFT may deny you warranty coverage if your engine or a part has failed due to abuse (including failure to follow the fuel use instructions contained in this manual), neglect, improper maintenance, or unapproved modifications.
In order to obtain warranty repair or replacement, you may either (a) contact HFT product support at 1-888-866-5797 or [email protected]; or (b) bring the to your nearest Harbor Freight Tools retail store. When going to the retail store or contacting product support, you must indicate the specific emissions control part or defect that you are claiming and the date this was originally purchased. The nearest Harbor Freight Tools retail store can be found on the internet at http://www.harborfreight.com.
PLEASE READ THE FOLLOWING CAREFULLY
THE MANUFACTURER AND/OR DISTRIBUTOR HAS PROVIDED THE PARTS LIST AND ASSEMBLY DIAGRAM IN THIS MANUAL AS A REFERENCE TOOL ONLY. NEITHER THE MANUFACTURER OR DISTRIBUTOR MAKES ANY REPRESENTATION OR WARRANTY OF ANY KIND TO THE BUYER THAT HE OR SHE IS QUALIFIED TO MAKE ANY REPAIRS TO THE PRODUCT, OR THAT HE OR SHE IS QUALIFIED TO REPLACE ANY PARTS OF THE PRODUCT. IN FACT, THE MANUFACTURER AND/OR DISTRIBUTOR EXPRESSLY STATES THAT ALL REPAIRS AND PARTS REPLACEMENTS SHOULD BE UNDERTAKEN BY CERTIFIED AND LICENSED TECHNICIANS, AND NOT BY THE BUYER. THE BUYER ASSUMES ALL RISK AND LIABILITY ARISING OUT OF HIS OR HER REPAIRS TO THE ORIGINAL PRODUCT OR REPLACEMENT PARTS THERETO, OR ARISING OUT OF HIS OR HER INSTALLATION OF REPLACEMENT PARTS THERETO.
Parts Lists and Diagrams
PARTS LISTS
| part | Description | Qty. | part | Description | Qty. | |
| 1 | Screw M5x25 | 4 | 51 | Fan Cover | 1 | |
| 2 | Starter Grip | 1 | 52 | Screw M5x25 | 4 | |
| 3 | Eyelet | 1 | 53 | Handle Assembly | 1 | |
| 4 | Starter Housing | 1 | 54 | Screw M6x18 | 4 | |
| 5 | Starter Handle | 1 | 55 | Screw M6x55 | 2 | |
| 6 | Starter Rope | 1 | 56 | Muffler Cover | 1 | |
| 7 | Coil Spring | 1 | 57 | Spark Capture Fixing Sleeve | 1 | |
| 8 | Starter Pulley | 1 | 58 | St Screw 4×5 | 1 | |
| 9 | Stater Spring | 1 | 59 | Spark Capture | 1 | |
| 10 | Ratchet Wheel | 1 | 60 | Muffler | 1 | |
| 11 | St Screw 4.8×19 | 1 | 61 | Screw M5x12 . Muffler | 1 | |
| 12 | Plate Washer 5x16x1 | 1 | 62 | Muffler Gasket 1 | 1 | |
| 13 | Nut, M8 | 1 | 63 | Muffler Gasket 2 | 1 | |
| 14 | Starter Reel | 1 | 64 | Screw M5x16 | 2 | |
| 15 | Flat Washer 8 | 1 | 65 | Gasket | 1 | |
| 16 | Oil-Seal 12x22x7 | 1 | 66 | Pipe | 1 | |
| 17 | Crank Case Rh Side | 1 | 67 | Screw M5x25 | 2 | |
| 18 | Crank Case Gasket | 1 | 68 | Carburetor Gasket | 1 | |
| 19 | Ball Bearing 6202 | 2 | 69 | Carburetor | 1 | |
| 20 | Crank Shaft Assembly | 1 | 70 | Air Box Assembly | 1 | |
| 21 | Key 3x5x13 | 1 | 71 | Choke Handle | 1 | |
| 22 | Bearing Φ10x13x16 | 1 | 72 | Air Box Base | 1 | |
| 23 | Circlip and Piston Ring | 2 | 73 | Chock | 1 | |
| 24 | Piston Pin | 1 | 74 | Flat Washer 4 | 1 | |
| 25 | Piston | 1 | 75 | St Screw 2.9×6.5 | 1 | |
| 26 | Piston Ring | 2 | 76 | Oil Baffle | 1 | |
| 27 | Cylinder Gasket | 1 | 77 | Screw M5x50 | 1 | |
| 28 | Cylinder | 1 | 78 | Spone | 1 | |
| 29 | Screw M5x20 | 4 | 79 | Air Box Cover | 1 | |
| 30 | Spark Plug | 1 | 80 | Air Filter Knob | 1 | |
| 31 | St Screw 4×8 | 2 | 81 | Fuel Tank Cover | 1 | |
| 32 | Air Deflector for Cylinder Cover | 1 | 82 | Gasket Rubber | 1 | |
| 33 | St Screw 4.8×16 | 1 | 83 | Anti Falling Plate | 1 | |
| 34 | Screw 5×16 | 1 | 84 | Oil Tank Insulation Pad | 4 | |
| 35 | Top Housing | 1 | 85 | Fuel Tank Assembly | 1 | |
| 36 | Wire | 1 | 86 | Fuel Tank Housing | 1 | |
| 37 | Spark Plug Cover | 1 | 87 | Screw M5x30 | 4 | |
| 38 | Screw M5x25 | 2 | 88 | Balancer | 1 | |
| 39 | Ignition | 1 | 89 | Air Tube | 1 | |
| 40 | Pin Φ5×10 | 2 | 90 | Fuel Tube | 1 | |
| 41 | Crank Case | 1 | 91 | Return Tube | 1 | |
| 42 | Screw M5x30 | 4 | 92 | Retainer | 1 | |
| 43 | Oil-Seal 15x30x7 | 1 | 93 | Oil Pipe Circlip | 1 | |
| 44 | Magneto Rotor | 1 | 94 | Filter Fuel | 1 | |
| 45 | Flange Nut M8 | 1 | 95 | Gearbox Assembly | 1 | |
| 46 | Plate Washer 8x16x1.5 | 2 | 96 | Screw M6x55 | 4 | |
| 47 | Clutch Assemble | 1 | 97 | R-Clip | 1 | |
| 48 | Washer 10 | 2 | 98 | Pin Shaft 8×40 | 1 | |
| 49 | Bolt/Clutch | 2 | 99 | Bit | 1 | |
| 50 | Pin Φ5×10 | 2 | ||||
Assembly Diagram 

























